+7 (701) 588 50 05 Телефон для связи
RU

WhatsApp

Позвонить

914A ЭКСКАВАТОР-ПОГРУЗЧИК в Алматы

ЭКСКАВАТОР-ПОГРУЗЧИК (СЕКЦИЯ ЛЕВОГО СТАБИЛИЗАТОРА И ТОРЦЕВАЯ ПЛАСТИНА) (914)

ЭКСКАВАТОР-ПОГРУЗЧИК (СЕКЦИЯ ЛЕВОГО СТАБИЛИЗАТОРА И ТОРЦЕВАЯ ПЛАСТИНА) (914)

1Артикул: 947637, PLATE end - L.H.
2Артикул: 947632, VALVE SEC stabilizer - L.H. - Ref. 8-20
3Артикул: 947743, BOLT
Подробнее >
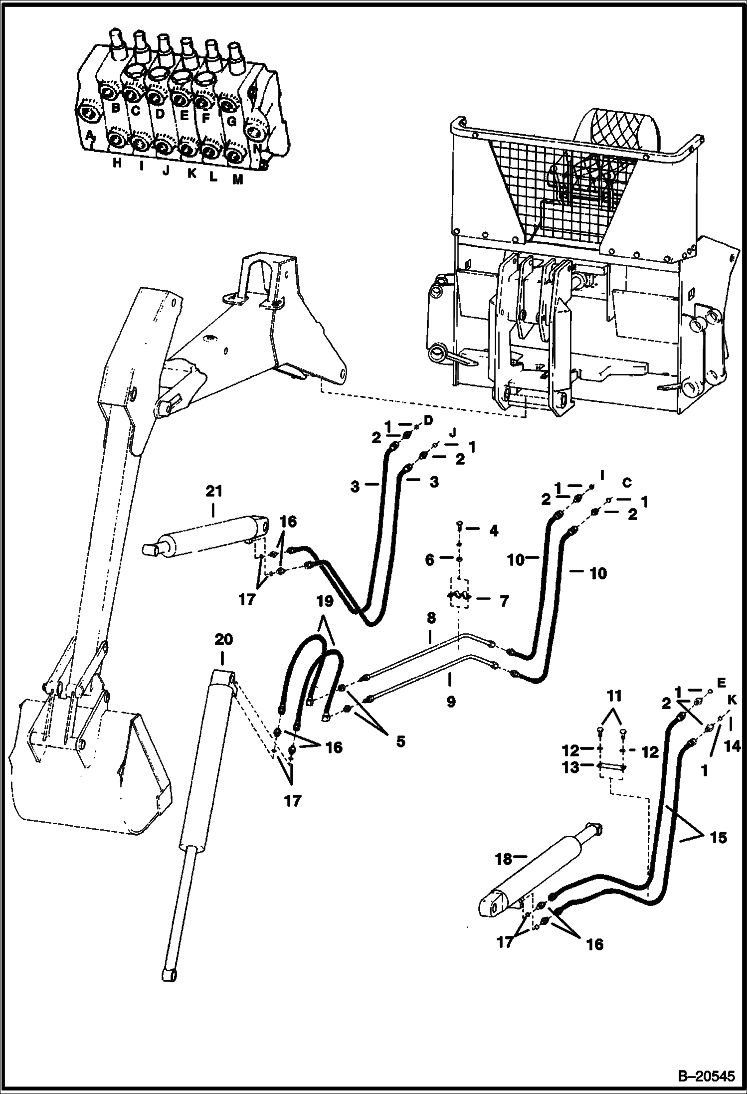
ЭКСКАВАТОР-ПОГРУЗЧИК (СХЕМА ГИДРАВЛИЧЕСКОЙ СИСТЕМЫ СТРЕЛЫ) (914A)

ЭКСКАВАТОР-ПОГРУЗЧИК (СХЕМА ГИДРАВЛИЧЕСКОЙ СИСТЕМЫ СТРЕЛЫ) (914A)

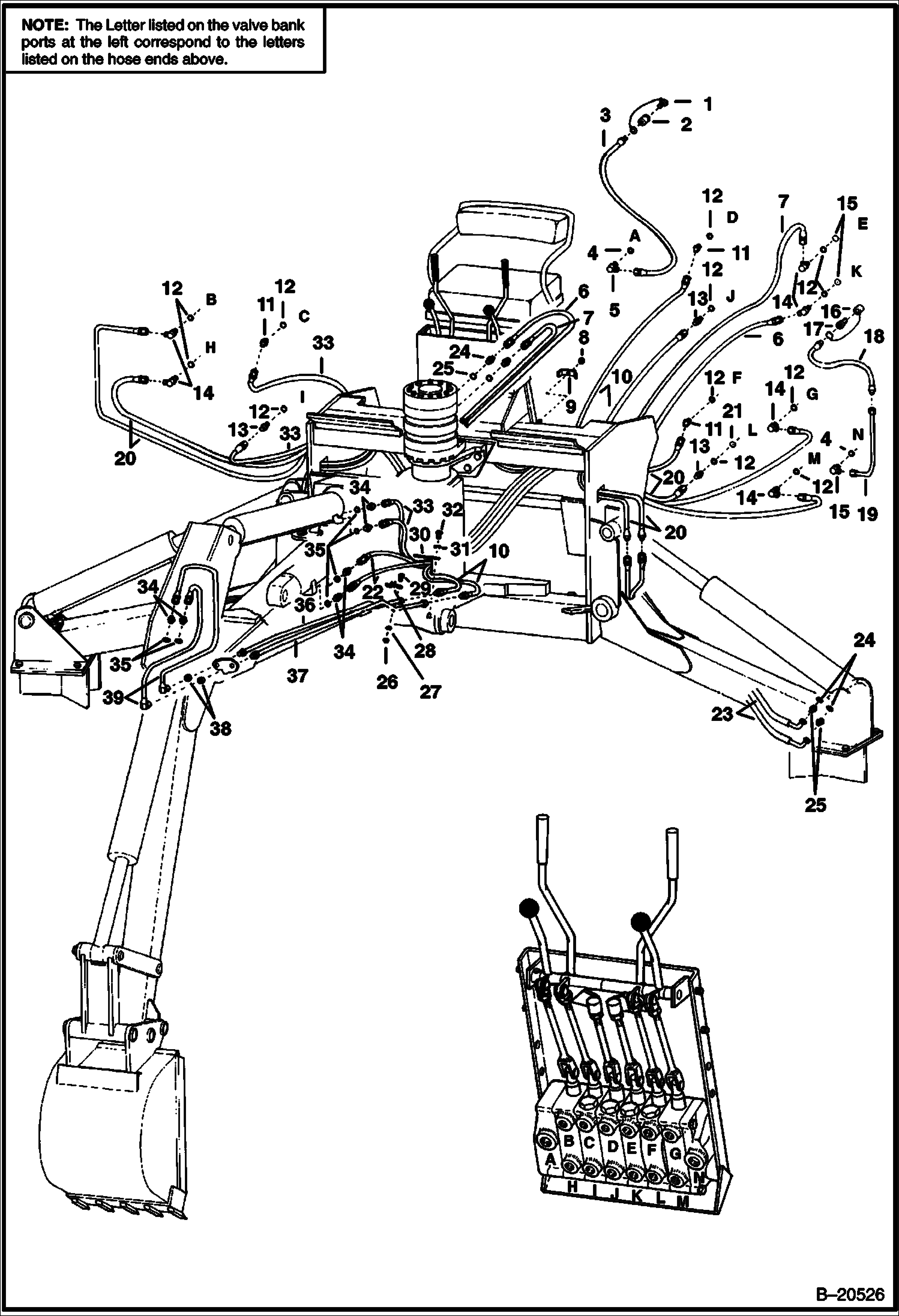
1Артикул: 79K12, O RING 10 Was 91F000008B - A
2Артикул: 15KB1012, FITTING, HYD CONNECTOR W/Ref. 1 - Was 755055B - A
3Артикул: 6542236, HOSE
Подробнее >
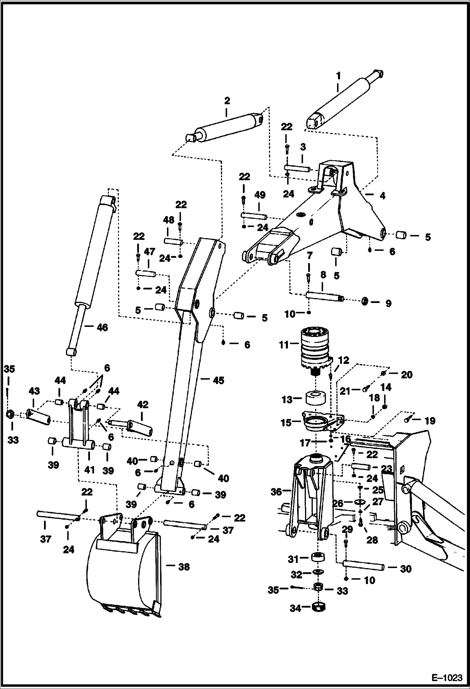
ЭКСКАВАТОР-ПОГРУЗЧИК (СТРЕЛА, РУКОЯТЬ СТРЕЛЫ ЧЕРПАКА И ПОВОРОТНАЯ ПЛАТФОРМА) (914 - СТАРАЯ ВЕРСИЯ)

ЭКСКАВАТОР-ПОГРУЗЧИК (СТРЕЛА, РУКОЯТЬ СТРЕЛЫ ЧЕРПАКА И ПОВОРОТНАЯ ПЛАТФОРМА) (914 - СТАРАЯ ВЕРСИЯ)

1Артикул: CYLINDER, CYLINDER See Illustration BACKHOE/ B20548 See Illustration BACKHOE/ B20547 boom
2Артикул: CYLINDER, CYLINDER See Illustration BACKHOE/ B20552 See Illustration BACKHOE/ B20551 dipperstick
3Артикул: 6515867, PIN hinge
Подробнее >
ЭКСКАВАТОР-ПОГРУЗЧИК (ЦИЛИНДР СТРЕЛЫ)

ЭКСКАВАТОР-ПОГРУЗЧИК (ЦИЛИНДР СТРЕЛЫ)

1Артикул: 6508537, CYLINDER boom - Ref. 2-18
2Артикул: 10H25, FITTING, GREASE 5
3Артикул: 6509300, BUSHING
Подробнее >
ЭКСКАВАТОР-ПОГРУЗЧИК (ЦИЛИНДР РУКОЯТИ СТРЕЛЫ ЧЕРПАКА)

ЭКСКАВАТОР-ПОГРУЗЧИК (ЦИЛИНДР РУКОЯТИ СТРЕЛЫ ЧЕРПАКА)

1Артикул: 6508538, CYLINDER dipperstick - Ref. 2-18
2Артикул: 10H25, FITTING, GREASE 5
3Артикул: 6509300, BUSHING
Подробнее >
ЭКСКАВАТОР-ПОГРУЗЧИК (СЕКЦИЯ РАСПРЕДЕЛИТЕЛЯ - ПОВОРОТ) (914A)

ЭКСКАВАТОР-ПОГРУЗЧИК (СЕКЦИЯ РАСПРЕДЕЛИТЕЛЯ - ПОВОРОТ) (914A)

1Артикул: SECTION, SECTION NLA - swing - Ref. 2-25 - Was 6519619 - A
2Артикул: 947744, DUSTSEAL
3Артикул: SCREW, SCREW NLA - Was 92G000406B - A
Подробнее >
ЭКСКАВАТОР-ПОГРУЗЧИК (СЕКЦИЯ РАСПРЕДЕЛИТЕЛЯ - СТАБИЛИЗАТОР) (914A)

ЭКСКАВАТОР-ПОГРУЗЧИК (СЕКЦИЯ РАСПРЕДЕЛИТЕЛЯ - СТАБИЛИЗАТОР) (914A)

1Артикул: 6519600, SECTION stabilizer - Ref. 2-18
2Артикул: 947744, DUSTSEAL dust
3Артикул: SCREW, SCREW NLA - Was 92G000406B - A
Подробнее >
ЭКСКАВАТОР-ПОГРУЗЧИК (ЦИЛИНДР КОВША) (914 - СТАРАЯ ВЕРСИЯ)

ЭКСКАВАТОР-ПОГРУЗЧИК (ЦИЛИНДР КОВША) (914 - СТАРАЯ ВЕРСИЯ)

1Артикул: CYLINDER, CYLINDER See Illustration BACKHOE/ B20550 NLA - Order 6508539
2Артикул: CASE, CASE NLA
3Артикул: 10H25, FITTING, GREASE 5
Подробнее >
ЭКСКАВАТОР-ПОГРУЗЧИК (СЕКЦИЯ РУКОЯТИ СТРЕЛЫ ЧЕРПАКА) (914)

ЭКСКАВАТОР-ПОГРУЗЧИК (СЕКЦИЯ РУКОЯТИ СТРЕЛЫ ЧЕРПАКА) (914)

1Артикул: 947633, SECTION Ref. 7-15, 20 & 22-28
2Артикул: 947743, BOLT
3Артикул: 4E6, WASHER
Подробнее >
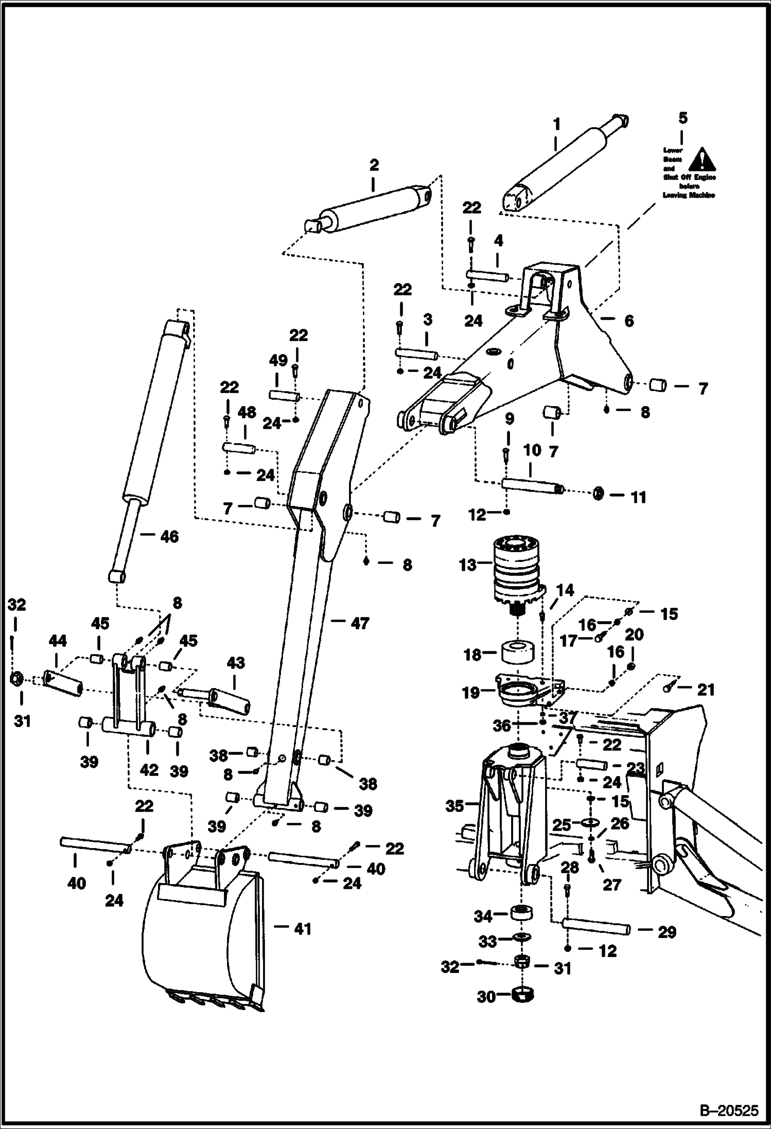
ЭКСКАВАТОР-ПОГРУЗЧИК (СТРЕЛА, РУКОЯТЬ СТРЕЛЫ ЧЕРПАКА И ПОВОРОТНАЯ ПЛАТФОРМА) (914A)

ЭКСКАВАТОР-ПОГРУЗЧИК (СТРЕЛА, РУКОЯТЬ СТРЕЛЫ ЧЕРПАКА И ПОВОРОТНАЯ ПЛАТФОРМА) (914A)

1Артикул: 6508538, CYLINDER See Illustration BACKHOE/ B20552 dipperstick
2Артикул: 6808545, DECAL Was 6557412 - B
3Артикул: 6808546, DECAL Was 6557413 - B
Подробнее >
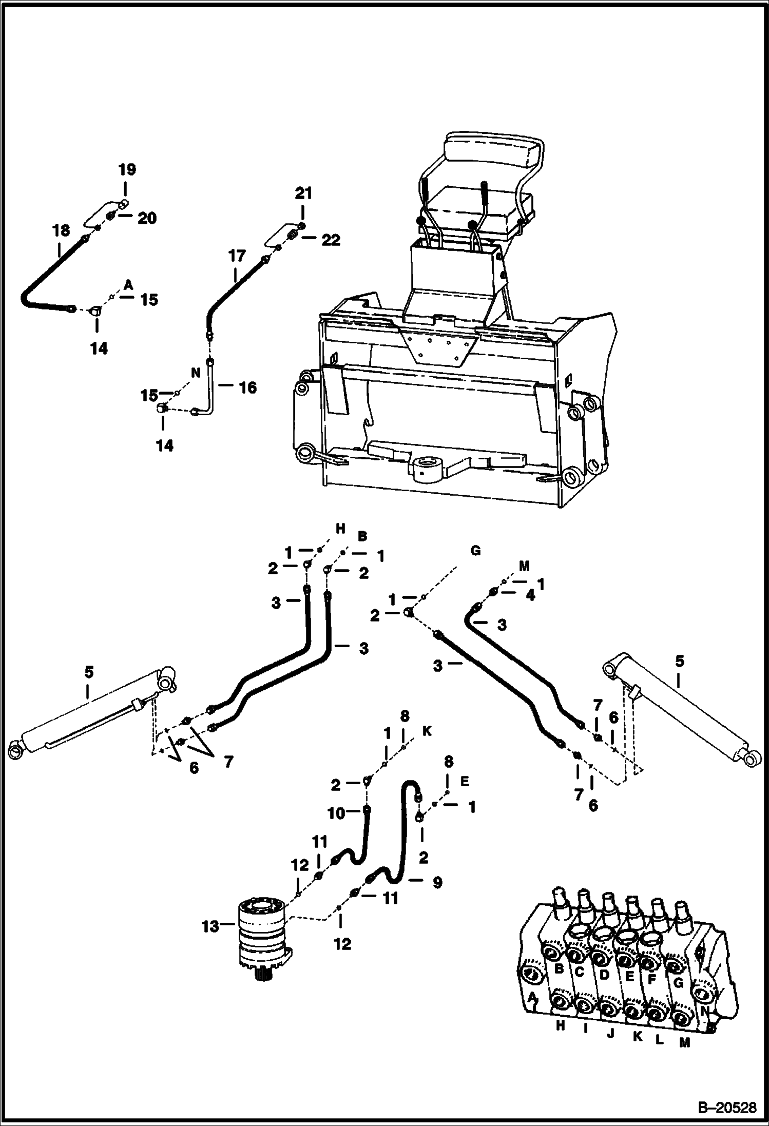
ЭКСКАВАТОР-ПОГРУЗЧИК (БЫСТРОРАЗЪЕМНОЕ СОЕДИНЕНИЕ) (914) (914A)

ЭКСКАВАТОР-ПОГРУЗЧИК (БЫСТРОРАЗЪЕМНОЕ СОЕДИНЕНИЕ) (914) (914A)

1Артикул: KIT, KIT NLA - Order Ref. 2-20 - individually - Was SALES - A
2Артикул: 7D10, NUT
3Артикул: 25E25, WASHER 10
Подробнее >
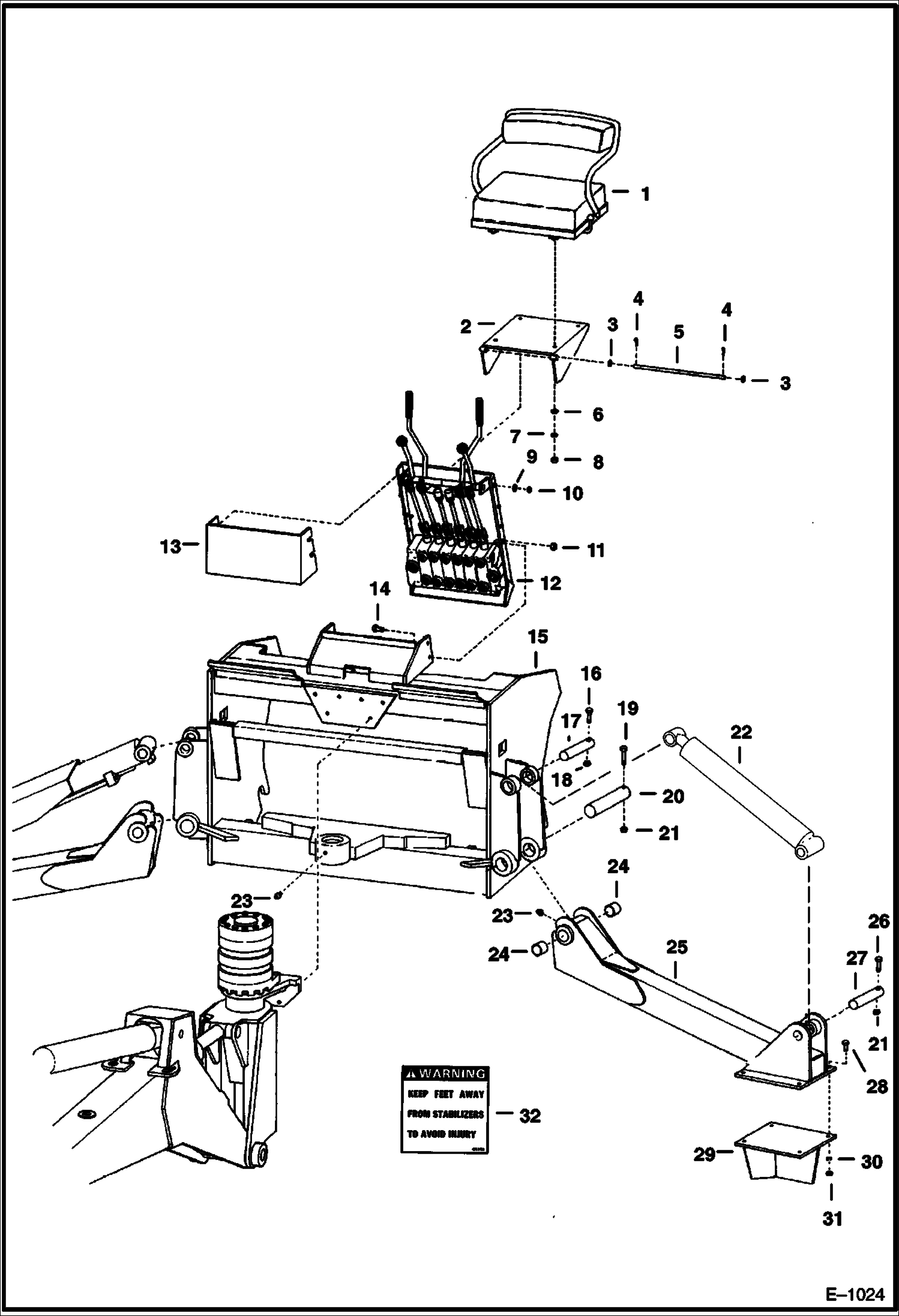
ЭКСКАВАТОР-ПОГРУЗЧИК (РАМА ШАССИ) (914 - СТАРАЯ ВЕРСИЯ)

ЭКСКАВАТОР-ПОГРУЗЧИК (РАМА ШАССИ) (914 - СТАРАЯ ВЕРСИЯ)

1Артикул: SEAT, SEAT NLA - complete - Was 6515586 - A
2Артикул: 6515201, CUSHION back
3Артикул: 6515200, CUSHION seat
Подробнее >
ЭКСКАВАТОР-ПОГРУЗЧИК (ЦИЛИНДР РУКОЯТИ СТРЕЛЫ ЧЕРПАКА) (914 - СТАРАЯ ВЕРСИЯ)

ЭКСКАВАТОР-ПОГРУЗЧИК (ЦИЛИНДР РУКОЯТИ СТРЕЛЫ ЧЕРПАКА) (914 - СТАРАЯ ВЕРСИЯ)

1Артикул: CYLINDER, CYLINDER See Illustration BACKHOE/ B20552 NLA - Order 6508538
2Артикул: CASE, CASE NLA
3Артикул: 10H25, FITTING, GREASE 5
Подробнее >
ЭКСКАВАТОР-ПОГРУЗЧИК (СЕКЦИЯ КОВША) (914)

ЭКСКАВАТОР-ПОГРУЗЧИК (СЕКЦИЯ КОВША) (914)

1Артикул: 947633, SECTION Ref. 7-15, 20 & 22-28
2Артикул: 947743, BOLT
3Артикул: 4E6, WASHER
Подробнее >
ЭКСКАВАТОР-ПОГРУЗЧИК (РАМА ШАССИ) (914A)

ЭКСКАВАТОР-ПОГРУЗЧИК (РАМА ШАССИ) (914A)

1Артикул: 799674, U BOLT
2Артикул: 62D4, NUT
3Артикул: 4E4, WASHER
Подробнее >
ЭКСКАВАТОР-ПОГРУЗЧИК (ЦИЛИНДР СТАБИЛИЗАТОРА) (914 - СТАРАЯ ВЕРСИЯ)

ЭКСКАВАТОР-ПОГРУЗЧИК (ЦИЛИНДР СТАБИЛИЗАТОРА) (914 - СТАРАЯ ВЕРСИЯ)

1Артикул: 6515822, CYLINDER Ref. 2-20
2Артикул: 6515857, ROD
3Артикул: 10H25, FITTING, GREASE 5
Подробнее >
ЭКСКАВАТОР-ПОГРУЗЧИК (КЛАПАН В СБОРЕ) (914A)

ЭКСКАВАТОР-ПОГРУЗЧИК (КЛАПАН В СБОРЕ) (914A)

1Артикул: 6519618, SECTION inlet
2Артикул: O-RING, O-RING NSS
3Артикул: O-RING, O-RING NSS
Подробнее >
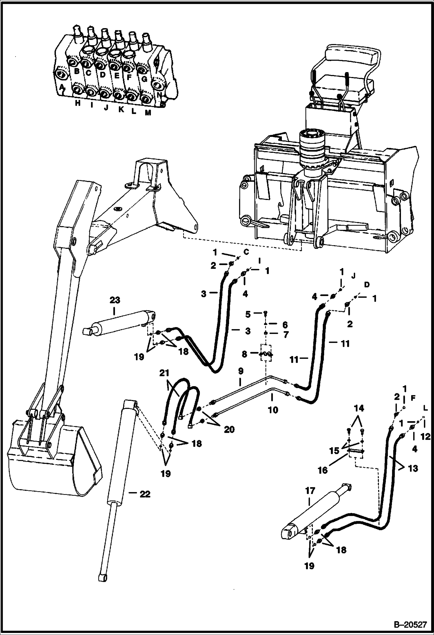
ЭКСКАВАТОР-ПОГРУЗЧИК (СХЕМА ГИДРАВЛИЧЕСКОЙ СИСТЕМЫ) (914 - СТАРАЯ ВЕРСИЯ)

ЭКСКАВАТОР-ПОГРУЗЧИК (СХЕМА ГИДРАВЛИЧЕСКОЙ СИСТЕМЫ) (914 - СТАРАЯ ВЕРСИЯ)

1Артикул: 6515598, PLUG
2Артикул: 6515596, QUICK COUPLER female
3Артикул: 25K40110, O RING 10
Подробнее >
ЭКСКАВАТОР-ПОГРУЗЧИК (ЦИЛИНДР СТРЕЛЫ) (914A - СТАРАЯ ВЕРСИЯ)

ЭКСКАВАТОР-ПОГРУЗЧИК (ЦИЛИНДР СТРЕЛЫ) (914A - СТАРАЯ ВЕРСИЯ)

1Артикул: CYLINDER, CYLINDER See Illustration BACKHOE/ B20548 NLA - Order 6508537
2Артикул: CASE, CASE NLA
3Артикул: 10H25, FITTING, GREASE 5
Подробнее >
ЭКСКАВАТОР-ПОГРУЗЧИК (СЕКЦИЯ РАСПРЕДЕЛИТЕЛЯ - КОВШ И РУКОЯТЬ СТРЕЛЫ ЧЕРПАКА) (914A)

ЭКСКАВАТОР-ПОГРУЗЧИК (СЕКЦИЯ РАСПРЕДЕЛИТЕЛЯ - КОВШ И РУКОЯТЬ СТРЕЛЫ ЧЕРПАКА) (914A)

1Артикул: 6519601, SECTION bucket & dipp. - Ref. 2-25
2Артикул: 947744, DUSTSEAL dust
3Артикул: SCREW, SCREW NLA - Was 92G000406B - A
Подробнее >
ЭКСКАВАТОР-ПОГРУЗЧИК (СТРЕЛА, РУКОЯТЬ СТРЕЛЫ ЧЕРПАКА И ПОВОРОТНАЯ ПЛАТФОРМА) (914 - СОВРЕМЕННЫЙ ДИЗАЙН)

ЭКСКАВАТОР-ПОГРУЗЧИК (СТРЕЛА, РУКОЯТЬ СТРЕЛЫ ЧЕРПАКА И ПОВОРОТНАЯ ПЛАТФОРМА) (914 - СОВРЕМЕННЫЙ ДИЗАЙН)

1Артикул: CYLINDER, CYLINDER See Illustration BACKHOE/ B20548 See Illustration BACKHOE/ B20547 boom
2Артикул: CYLINDER, CYLINDER See Illustration BACKHOE/ B20552 See Illustration BACKHOE/ B20551 dipperstick
3Артикул: 6515866, PIN Was 6515868 - B
Подробнее >
ЭКСКАВАТОР-ПОГРУЗЧИК (КОВШИ) (914) (914A)

ЭКСКАВАТОР-ПОГРУЗЧИК (КОВШИ) (914) (914A)

1Артикул: BUCKET, BUCKET SALES - standard - 7 teeth
2Артикул: CUTTING, CUTTING EDGE NLA - R.H. - Order Ref. 14 - Was 6507376 - A
3Артикул: CUTTING, CUTTING EDGE NLA - L.H. - Order Ref. 14 - Was 6507377 - A
Подробнее >
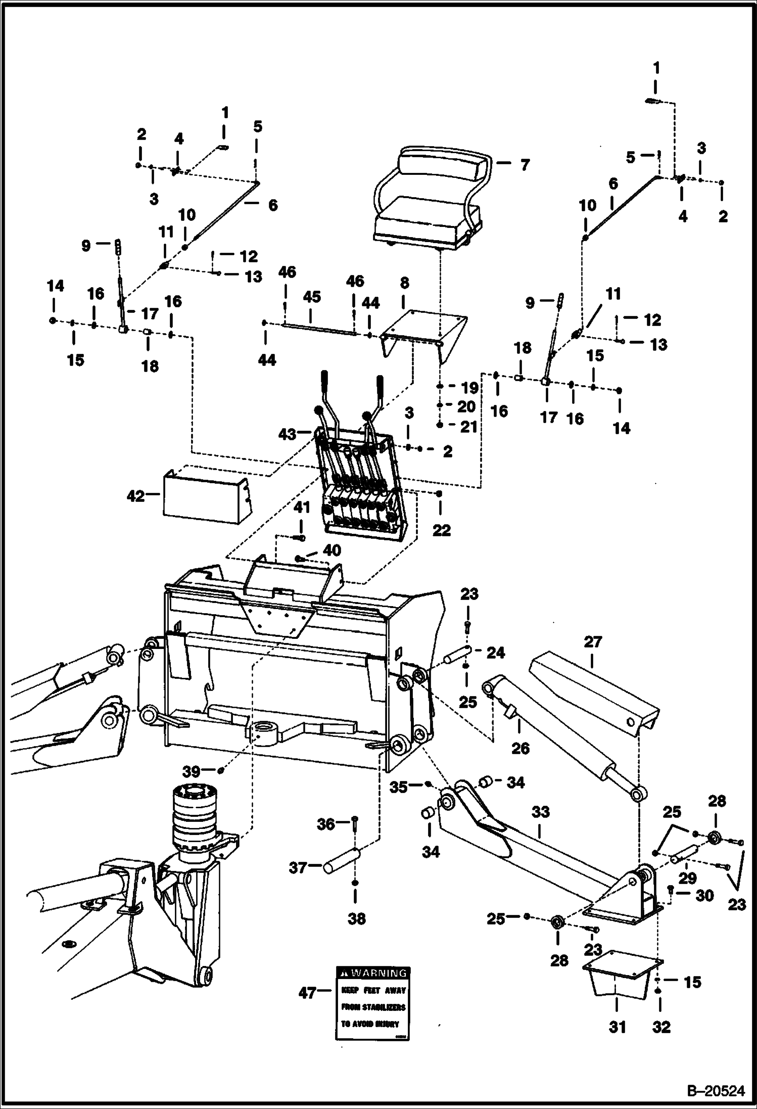
ЭКСКАВАТОР-ПОГРУЗЧИК (МЕХАНИЗМ РУЧНОГО УПРАВЛЕНИЯ) (914A)

ЭКСКАВАТОР-ПОГРУЗЧИК (МЕХАНИЗМ РУЧНОГО УПРАВЛЕНИЯ) (914A)

1Артикул: 86D6, NUT
2Артикул: 25E17, WASHER 5
3Артикул: 6542154, LEVER boom & swing - R.H.
Подробнее >
ЭКСКАВАТОР-ПОГРУЗЧИК (СЕКЦИЯ ПОВОРОТА) (914)

ЭКСКАВАТОР-ПОГРУЗЧИК (СЕКЦИЯ ПОВОРОТА) (914)

1Артикул: SECTION, SECTION NLA - Ref. 7-15 & 20-27 - Was 947634B - A
2Артикул: 947743, BOLT
3Артикул: 4E6, WASHER
Подробнее >
ЭКСКАВАТОР-ПОГРУЗЧИК (СХЕМА ГИДРАВЛИЧЕСКОЙ СИСТЕМЫ СТРЕЛЫ) (914 - СОВРЕМЕННЫЙ ДИЗАЙН)

ЭКСКАВАТОР-ПОГРУЗЧИК (СХЕМА ГИДРАВЛИЧЕСКОЙ СИСТЕМЫ СТРЕЛЫ) (914 - СОВРЕМЕННЫЙ ДИЗАЙН)

1Артикул: 79K12, O RING 10 Was 91F000008B - A
2Артикул: 2324539, ELBOW W/Ref. 1
3Артикул: 1318912, HOSE ASSY
Подробнее >
ЭКСКАВАТОР-ПОГРУЗЧИК (СЕКЦИЯ РАСПРЕДЕЛИТЕЛЯ - СТРЕЛА) (914A)

ЭКСКАВАТОР-ПОГРУЗЧИК (СЕКЦИЯ РАСПРЕДЕЛИТЕЛЯ - СТРЕЛА) (914A)

1Артикул: 6519603, SECTION boom - Ref. 2-34
2Артикул: 947744, DUSTSEAL
3Артикул: SCREW, SCREW NLA - Was 92G000406B - A
Подробнее >
ЭКСКАВАТОР-ПОГРУЗЧИК (СЕКЦИЯ СТРЕЛЫ) (914)

ЭКСКАВАТОР-ПОГРУЗЧИК (СЕКЦИЯ СТРЕЛЫ) (914)

1Артикул: SECTION, SECTION NLA - Ref. 7-16, 21, 25-32 - Order 947709B - Was 947635B - A
2Артикул: 947743, BOLT
3Артикул: 4E6, WASHER
Подробнее >
ЭКСКАВАТОР-ПОГРУЗЧИК (ЦИЛИНДР ПОВОРОТА) (914A)

ЭКСКАВАТОР-ПОГРУЗЧИК (ЦИЛИНДР ПОВОРОТА) (914A)

1Артикул: CYLINDER, CYLINDER NLA - Ref. 2-22 - Was 6519574 - A
2Артикул: 6519583, BUSHING
3Артикул: 10H25, FITTING, GREASE 5
Подробнее >
ЭКСКАВАТОР-ПОГРУЗЧИК (ГИДРАВЛИЧЕСКАЯ СИСТЕМА СТАБИЛИЗАТОРА) (914A)

ЭКСКАВАТОР-ПОГРУЗЧИК (ГИДРАВЛИЧЕСКАЯ СИСТЕМА СТАБИЛИЗАТОРА) (914A)

1Артикул: 6515599, CAP
2Артикул: 6515597, QUICK COUPLER male half
3Артикул: 6542238, HOSE
Подробнее >
ЭКСКАВАТОР-ПОГРУЗЧИК (МЕХАНИЗМ РУЧНОГО УПРАВЛЕНИЯ) (914)

ЭКСКАВАТОР-ПОГРУЗЧИК (МЕХАНИЗМ РУЧНОГО УПРАВЛЕНИЯ) (914)

1Артикул: PLATE, PLATE NLA - valve mounting - Was 6501960 - A
2Артикул: 4E8, WASHER
3Артикул: 17C816, BOLT
Подробнее >
ЭКСКАВАТОР-ПОГРУЗЧИК (СЕКЦИЯ ПРАВОГО СТАБИЛИЗАТОРА И РАСПРЕДЕЛИТЕЛЬНАЯ КРЫШКА) (914)

ЭКСКАВАТОР-ПОГРУЗЧИК (СЕКЦИЯ ПРАВОГО СТАБИЛИЗАТОРА И РАСПРЕДЕЛИТЕЛЬНАЯ КРЫШКА) (914)

1Артикул: 947632, VALVE SEC stabilizer - R.H. - Ref. 7-12 & 17-23
2Артикул: 947743, BOLT
3Артикул: 4E6, WASHER
Подробнее >
ЭКСКАВАТОР-ПОГРУЗЧИК (ГИДРАВЛИЧЕСКАЯ СИСТЕМА СТАБИЛИЗАТОРА) (914 - СОВРЕМЕННЫЙ ДИЗАЙН)

ЭКСКАВАТОР-ПОГРУЗЧИК (ГИДРАВЛИЧЕСКАЯ СИСТЕМА СТАБИЛИЗАТОРА) (914 - СОВРЕМЕННЫЙ ДИЗАЙН)

1Артикул: 79K12, O RING 10 Was 91F000008B - A
2Артикул: 1308474, FITTING W/Ref. 1
3Артикул: 6508548, HOSE
Подробнее >
ЭКСКАВАТОР-ПОГРУЗЧИК (РАМА ШАССИ) (914 - СОВРЕМЕННЫЙ ДИЗАЙН)

ЭКСКАВАТОР-ПОГРУЗЧИК (РАМА ШАССИ) (914 - СОВРЕМЕННЫЙ ДИЗАЙН)

1Артикул: 799674, U BOLT
2Артикул: 62D4, NUT
3Артикул: 4E4, WASHER
Подробнее >
ЭКСКАВАТОР-ПОГРУЗЧИК (ЦИЛИНДР ПОВОРОТА) (914)

ЭКСКАВАТОР-ПОГРУЗЧИК (ЦИЛИНДР ПОВОРОТА) (914)

1Артикул: 6515826, CYLINDER swing
2Артикул: 17C852, BOLT 5
3Артикул: SCREW, SCREW NLA - Was 73G001052B - A
Подробнее >
ЭКСКАВАТОР-ПОГРУЗЧИК (ЦИЛИНДР КОВША) (914) (914A)

ЭКСКАВАТОР-ПОГРУЗЧИК (ЦИЛИНДР КОВША) (914) (914A)

1Артикул: 6508539, CYLINDER hydraulic - Ref. 2-17
2Артикул: 6509299, BUSHING
3Артикул: 10H25, FITTING, GREASE 5
Подробнее >
ЭКСКАВАТОР-ПОГРУЗЧИК (ЦИЛИНДР СТАБИЛИЗАТОРА) (914) (914A)

ЭКСКАВАТОР-ПОГРУЗЧИК (ЦИЛИНДР СТАБИЛИЗАТОРА) (914) (914A)

1Артикул: 6508540, CYLINDER stabilizer - Ref. 2-17
2Артикул: 10H25, FITTING, GREASE 5
3Артикул: CASE, CASE NLA
Подробнее >