+7 (701) 588 50 05 Телефон для связи
RU

WhatsApp

Позвонить

ЭКСКАВАТОР-ПОГРУЗЧИК (СТРЕЛА, РУКОЯТЬ СТРЕЛЫ ЧЕРПАКА И ПОВОРОТНАЯ ПЛАТФОРМА) (914A) — Продажа в Казахстане Цены от официального дилера с доставкой в Алматы, Астану и регионы

Техника доступна в:
Полный спектр услуг:
Для Вашего удобства:
Характеристики и описание
Габариты, схема
Техническая документация
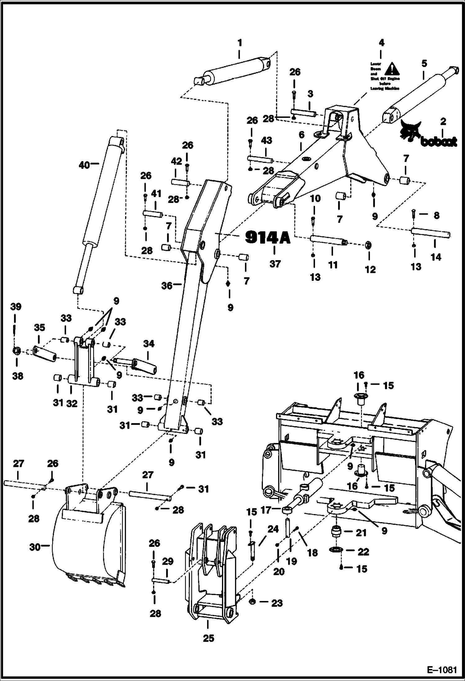
1 Артикул: 6508538, CYLINDER See Illustration BACKHOE/ B20552 dipperstick
2 Артикул: 6808545, DECAL Was 6557412 - B
3 Артикул: 6808546, DECAL Was 6557413 - B
4 Артикул: 6515867, PIN hinge
5 Артикул: 6505511, DECAL warning
6 Артикул: 6508537, CYLINDER See Illustration BACKHOE/ B20548 See Illustration BACKHOE/ B20547 boom
7 Артикул: 6542533, BOOM backhoe - W/Ref. 7 & 9
8 Артикул: 6508233, BUSHING
9 Артикул: 18C872, SCREW
10 Артикул: 10H35, FITTING, GREASE 10
11 Артикул: BOLT, BOLT NLA - Was 18C000864B - A
12 Артикул: 6515871, PIN hinge
13 Артикул: 66D24, NUT
14 Артикул: 82D8, NUT
15 Артикул: 6542171, PIN hinge
16 Артикул: 17C820, BOLT
17 Артикул: 6542117, PIVOT swing cylinder
18 Артикул: CYLINDER, CYLINDER See Illustration BACKHOE/ C1635 NLA - swing - WAS 6519574 - A
19 Артикул: 17C1056, BOLT
20 Артикул: 6542116, PIN pivot
21 Артикул: 81D10, NUT
22 Артикул: 6511242, BEARING
23 Артикул: 6542114, RETAINER bearing
24 Артикул: 6542113, NUT
25 Артикул: 6542120, PIN pivot
26 Артикул: 6542089, FRAME swing
27 Артикул: 18C648, BOLT
28 Артикул: 6515875, PIN hinge
29 Артикул: 82D6, NUT
30 Артикул: 6515873, PIN hinge
31 Артикул: BUCKET, BUCKET See Illustration BACKHOE/ C1366
32 Артикул: BUSHING, BUSHING NLA - Was 6508235 - A
33 Артикул: 6508549, LINK bucket actuating - W/Ref. 9, 31 & 33
34 Артикул: 6508234, BUSHING
35 Артикул: 6515837, LINK
36 Артикул: 6507916, LINK
37 Артикул: 6515835, DIPPERSTICK W/Ref. 7, 9, 31 & 33
38 Артикул: 6593415, DECAL
39 Артикул: 6D000016B, NUT castle
40 Артикул: 1F632, PIN
41 Артикул: 6508539, CYLINDER See Illustration BACKHOE/ B20550 See Illustration BACKHOE/ B20549 bucket
42 Артикул: 947697, PIN hinge
43 Артикул: 6515874, PIN hinge
44 Артикул: 6515866, PIN hinge

ЭКСКАВАТОР-ПОГРУЗЧИК (СТРЕЛА, РУКОЯТЬ СТРЕЛЫ ЧЕРПАКА И ПОВОРОТНАЯ ПЛАТФОРМА) (914A): Техника, которая работает на результат

ЭКСКАВАТОР-ПОГРУЗЧИК (СТРЕЛА, РУКОЯТЬ СТРЕЛЫ ЧЕРПАКА И ПОВОРОТНАЯ ПЛАТФОРМА) (914A) на bobcat экскаватор-погрузчик Bobcat ПОГРУЗЧИК 914

Габаритные размеры

Габаритные размеры и схема ЭКСКАВАТОР-ПОГРУЗЧИК (СТРЕЛА, РУКОЯТЬ СТРЕЛЫ ЧЕРПАКА И ПОВОРОТНАЯ ПЛАТФОРМА) (914A)

Нажмите на схему для увеличения

Документация

Документация временно недоступна.

Похожая техника в категории: 914A ЭКСКАВАТОР-ПОГРУЗЧИК (Bobcat)

Спецтехника ЭКСКАВАТОР-ПОГРУЗЧИК (СЕКЦИЯ ЛЕВОГО СТАБИЛИЗАТОРА И ТОРЦЕВАЯ ПЛАСТИНА) (914)

ЭКСКАВАТОР-ПОГРУЗЧИК (СЕКЦИЯ ЛЕВОГО СТАБИЛИЗАТОРА И ТОРЦЕВАЯ ПЛАСТИНА) (914)

1Артикул: 947637...
2Артикул: 947632...
3Артикул: 947743...
Подробнее >
Спецтехника ЭКСКАВАТОР-ПОГРУЗЧИК (СХЕМА ГИДРАВЛИЧЕСКОЙ СИСТЕМЫ СТРЕЛЫ) (914A)

ЭКСКАВАТОР-ПОГРУЗЧИК (СХЕМА ГИДРАВЛИЧЕСКОЙ СИСТЕМЫ СТРЕЛЫ) (914A)

1Артикул: 79K12,...
2Артикул: 15KB10...
3Артикул: 654223...
Подробнее >
Спецтехника ЭКСКАВАТОР-ПОГРУЗЧИК (СТРЕЛА, РУКОЯТЬ СТРЕЛЫ ЧЕРПАКА И ПОВОРОТНАЯ ПЛАТФОРМА) (914 - СТАРАЯ ВЕРСИЯ)

ЭКСКАВАТОР-ПОГРУЗЧИК (СТРЕЛА, РУКОЯТЬ СТРЕЛЫ ЧЕРПАКА И ПОВОРОТНАЯ ПЛАТФОРМА) (914 - СТАРАЯ ВЕРСИЯ)

1Артикул: CYLIND...
2Артикул: CYLIND...
3Артикул: 651586...
Подробнее >
Спецтехника ЭКСКАВАТОР-ПОГРУЗЧИК (ЦИЛИНДР СТРЕЛЫ)

ЭКСКАВАТОР-ПОГРУЗЧИК (ЦИЛИНДР СТРЕЛЫ)

1Артикул: 650853...
2Артикул: 10H25,...
3Артикул: 650930...
Подробнее >
Спецтехника ЭКСКАВАТОР-ПОГРУЗЧИК (ЦИЛИНДР РУКОЯТИ СТРЕЛЫ ЧЕРПАКА)

ЭКСКАВАТОР-ПОГРУЗЧИК (ЦИЛИНДР РУКОЯТИ СТРЕЛЫ ЧЕРПАКА)

1Артикул: 650853...
2Артикул: 10H25,...
3Артикул: 650930...
Подробнее >
Спецтехника ЭКСКАВАТОР-ПОГРУЗЧИК (СЕКЦИЯ РАСПРЕДЕЛИТЕЛЯ - ПОВОРОТ) (914A)

ЭКСКАВАТОР-ПОГРУЗЧИК (СЕКЦИЯ РАСПРЕДЕЛИТЕЛЯ - ПОВОРОТ) (914A)

1Артикул: SECTIO...
2Артикул: 947744...
3Артикул: SCREW,...
Подробнее >
Спецтехника ЭКСКАВАТОР-ПОГРУЗЧИК (СЕКЦИЯ РАСПРЕДЕЛИТЕЛЯ - СТАБИЛИЗАТОР) (914A)

ЭКСКАВАТОР-ПОГРУЗЧИК (СЕКЦИЯ РАСПРЕДЕЛИТЕЛЯ - СТАБИЛИЗАТОР) (914A)

1Артикул: 651960...
2Артикул: 947744...
3Артикул: SCREW,...
Подробнее >
Спецтехника ЭКСКАВАТОР-ПОГРУЗЧИК (ЦИЛИНДР КОВША) (914 - СТАРАЯ ВЕРСИЯ)

ЭКСКАВАТОР-ПОГРУЗЧИК (ЦИЛИНДР КОВША) (914 - СТАРАЯ ВЕРСИЯ)

1Артикул: CYLIND...
2Артикул: CASE, ...
3Артикул: 10H25,...
Подробнее >
Спецтехника ЭКСКАВАТОР-ПОГРУЗЧИК (СЕКЦИЯ РУКОЯТИ СТРЕЛЫ ЧЕРПАКА) (914)

ЭКСКАВАТОР-ПОГРУЗЧИК (СЕКЦИЯ РУКОЯТИ СТРЕЛЫ ЧЕРПАКА) (914)

1Артикул: 947633...
2Артикул: 947743...
3Артикул: 4E6, W...
Подробнее >
Спецтехника ЭКСКАВАТОР-ПОГРУЗЧИК (БЫСТРОРАЗЪЕМНОЕ СОЕДИНЕНИЕ) (914) (914A)

ЭКСКАВАТОР-ПОГРУЗЧИК (БЫСТРОРАЗЪЕМНОЕ СОЕДИНЕНИЕ) (914) (914A)

1Артикул: KIT, K...
2Артикул: 7D10, ...
3Артикул: 25E25,...
Подробнее >
Спецтехника ЭКСКАВАТОР-ПОГРУЗЧИК (РАМА ШАССИ) (914 - СТАРАЯ ВЕРСИЯ)

ЭКСКАВАТОР-ПОГРУЗЧИК (РАМА ШАССИ) (914 - СТАРАЯ ВЕРСИЯ)

1Артикул: SEAT, ...
2Артикул: 651520...
3Артикул: 651520...
Подробнее >
Спецтехника ЭКСКАВАТОР-ПОГРУЗЧИК (ЦИЛИНДР РУКОЯТИ СТРЕЛЫ ЧЕРПАКА) (914 - СТАРАЯ ВЕРСИЯ)

ЭКСКАВАТОР-ПОГРУЗЧИК (ЦИЛИНДР РУКОЯТИ СТРЕЛЫ ЧЕРПАКА) (914 - СТАРАЯ ВЕРСИЯ)

1Артикул: CYLIND...
2Артикул: CASE, ...
3Артикул: 10H25,...
Подробнее >