+7 (701) 588 50 05 Телефон для связи
RU

WhatsApp

Позвонить

923S ЭКСКАВАТОР-ПОГРУЗЧИК в Алматы

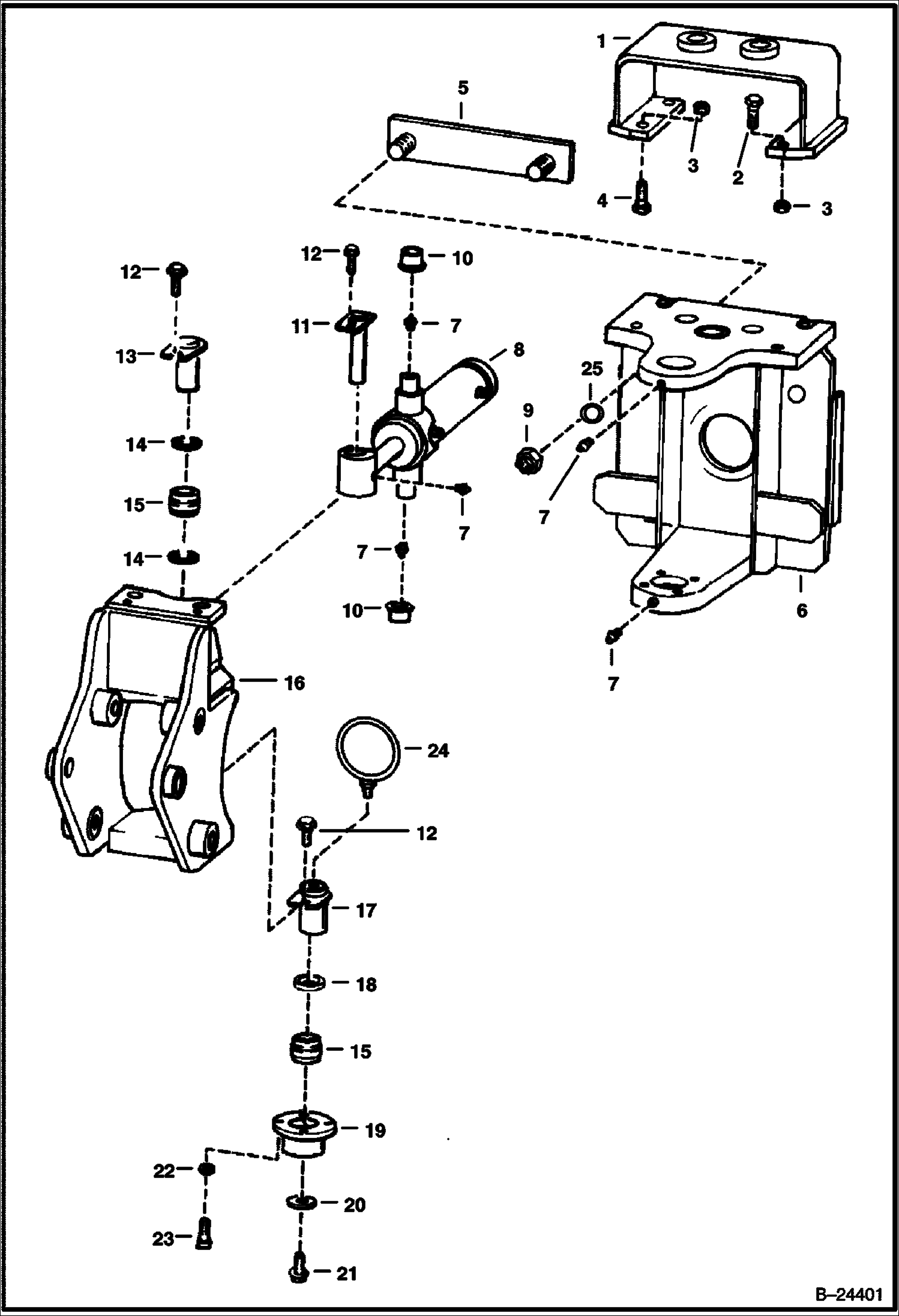
КОМПЛЕКТ КРОНШТЕЙНА - 753 923S

КОМПЛЕКТ КРОНШТЕЙНА - 753 923S

1Артикул: KIT, KIT See Illustration MAIN FRAME/ E1923 SALES - W/Ref. 2-6, SALES 6534612
2Артикул: 6531694, MOUNT L.H.
3Артикул: 6531692, MOUNT R.H.
Подробнее >
СХЕМА ГИДРАВЛИЧЕСКОЙ СИСТЕМЫ - СТРЕЛА 923S И 923SA

СХЕМА ГИДРАВЛИЧЕСКОЙ СИСТЕМЫ - СТРЕЛА 923S И 923SA

1Артикул: 79K8, O RING 10
2Артикул: 15K6, ADAPTER W/Ref. 1
3Артикул: VALVE, VALVE See Illustration VALVE CONTROL/ B24318D
Подробнее >
КОВШИ ЭКСКАВАТОРА-ПОГРУЗЧИКА 923S И 923SA ЭКСКАВАТОР-ПОГРУЗЧИК

КОВШИ ЭКСКАВАТОРА-ПОГРУЗЧИКА 923S И 923SA ЭКСКАВАТОР-ПОГРУЗЧИК

1Артикул: BUCKET, BUCKET SALES - Trenching
2Артикул: 6593185, EDGE, CUTTING WELD-ON SIDE L.H.
3Артикул: 6593184, EDGE, CUTTING WELD-ON SIDE R.H.
Подробнее >
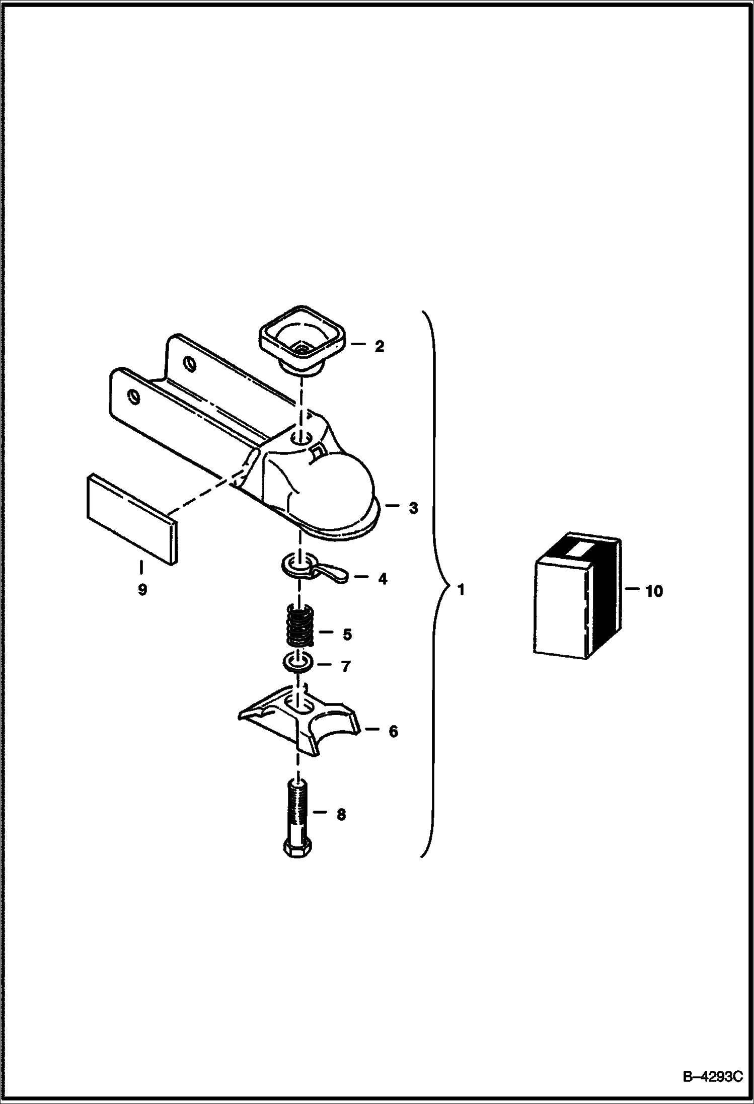
УСТРОЙСТВА УПРАВЛЕНИЯ 923S И 923SA

УСТРОЙСТВА УПРАВЛЕНИЯ 923S И 923SA

1Артикул: 6532607, LOCK
2Артикул: 6610077, SPRING
3Артикул: 7D6, NUT
Подробнее >
ЦИЛИНДР КОВША И РУКОЯТЬ СТРЕЛЫ ЧЕРПАКА 923S И 923SA

ЦИЛИНДР КОВША И РУКОЯТЬ СТРЕЛЫ ЧЕРПАКА 923S И 923SA

1Артикул: 6591927, CYLINDER W/Ref. 2-12
2Артикул: 6592022, CASE
3Артикул: 6803253, NUT Was 86D000018B - A
Подробнее >
САЛАЗКИ - ПОВОРОТНАЯ ПЛАТФОРМА 923S И 923SA

САЛАЗКИ - ПОВОРОТНАЯ ПЛАТФОРМА 923S И 923SA

1Артикул: 6531897, BRACKET
2Артикул: 17C1040, BOLT
3Артикул: 85D10, NUT, 5
Подробнее >
ЦИЛИНДР СТРЕЛЫ 923S И 923SA

ЦИЛИНДР СТРЕЛЫ 923S И 923SA

1Артикул: 6592180, CYLINDER W/Ref. 2-13
2Артикул: 6592129, CASE
3Артикул: 6810539, NUT Was 86D000018B - A
Подробнее >
АВТОСЦЕПКА В СБОРЕ 923S И 923SA

АВТОСЦЕПКА В СБОРЕ 923S И 923SA

1Артикул: 6562600, COUPLER See Illustration MAIN FRAME/ E1923 W/Ref. 2-8
2Артикул: WHEEL, WHEEL NSS
3Артикул: HOUSING, HOUSING NSS
Подробнее >
КОМПЛЕКТ ВСПОМОГАТЕЛЬНОЙ ГИДРАВЛИКИ 923S

КОМПЛЕКТ ВСПОМОГАТЕЛЬНОЙ ГИДРАВЛИКИ 923S

1Артикул: KIT, KIT SALES - Auxiliary - W/Ref. 2 - 53 - Sales 6712078
2Артикул: 791979, SPACER
3Артикул: 6646680, RELIEF VALVE
Подробнее >
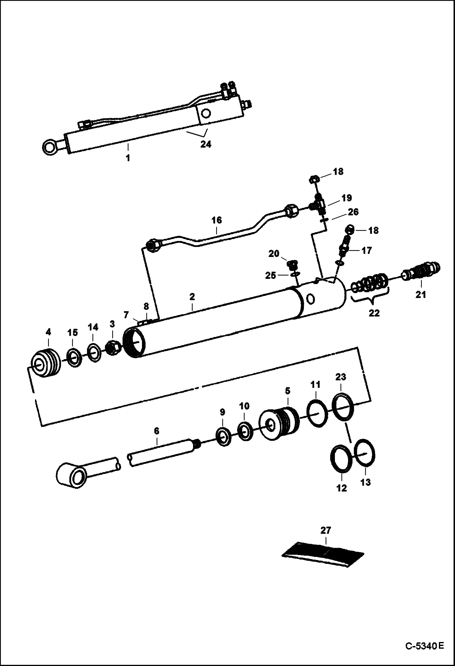
ЦИЛИНДР ПОВОРОТА 923S И 923SA

ЦИЛИНДР ПОВОРОТА 923S И 923SA

1Артикул: 6538576, CYLINDER W/Ref. 2-13
2Артикул: 6538585, ROD
3Артикул: 6665208, SEAL Wiper - Was NSS - D
Подробнее >
СТАБИЛИЗАТОР ЦИЛИНДРА С УРАВНОВЕШИВАЮЩИМ КЛАПАНОМ 923S И 923SA

СТАБИЛИЗАТОР ЦИЛИНДРА С УРАВНОВЕШИВАЮЩИМ КЛАПАНОМ 923S И 923SA

1Артикул: 6589845, CYLINDER W/Ref. 2-19, 21
2Артикул: 6595002, TUBE
3Артикул: 92D12, NUT
Подробнее >
РАМА ШАССИ 923S И 923SA

РАМА ШАССИ 923S И 923SA

1Артикул: 6589975, MAIN FRAME 923S - Was 6531972 - A
2Артикул: MAIN, MAIN FRAME NLA - 923SA - Was 6589976 - A
3Артикул: 6531973, CAP
Подробнее >
ЦИЛИНДР ПОВОРОТА - TEXAS ГИДРАВЛИКА 923S И 923SA

ЦИЛИНДР ПОВОРОТА - TEXAS ГИДРАВЛИКА 923S И 923SA

1Артикул: CYLINDER, CYLINDER See Illustration CYLINDER SWING/ B24403 NLA - W/Ref. 2-13 - Order 6538576 - Was 6532237 - A
2Артикул: 6532317, ROD
3Артикул: SEAL, SEAL NSS - Order Ref. 14
Подробнее >
ГИДРОСИСТЕМА - РАМА ШАССИ 923S И 923SA

ГИДРОСИСТЕМА - РАМА ШАССИ 923S И 923SA

1Артикул: 6519195, ELBOW W/Ref. 2
2Артикул: 79K10, O RING 10
3Артикул: 6532649, TUBE
Подробнее >
УПРАВЛЕНИЕ КЛАПАНОМ 923S И 923SA

УПРАВЛЕНИЕ КЛАПАНОМ 923S И 923SA

1Артикул: VALVE, VALVE See Illustration VALVE CONTROL/ B24318D Ref. 2-25 - NLA - W/Ref. 2-19, 21-25, 27-29 on this Illustration - Was 6655019 - A
2Артикул: 62D6, NUT 5
3Артикул: 61D5, NUT
Подробнее >
КОМПЛЕКТ КРОНШТЕЙНА - 543 923S И 923SA

КОМПЛЕКТ КРОНШТЕЙНА - 543 923S И 923SA

1Артикул: KIT, KIT See Illustration MAIN FRAME/ E1923 SALES - W/Ref. 2-6, SALES 6595033
2Артикул: 6595079, MOUNT L.H.
3Артикул: 6595081, MOUNT R.H.
Подробнее >
СТАБИЛИЗАТОР ЦИЛИНДРА 923S И 923SA

СТАБИЛИЗАТОР ЦИЛИНДРА 923S И 923SA

1Артикул: 6532229, CYLINDER W/Ref. 2-15
2Артикул: 6532312, CASE
3Артикул: 92D12, NUT Was 86D000012B - A
Подробнее >
СТРЕЛА И РУКОЯТЬ СТРЕЛЫ ЧЕРПАКА 923S И 923SA ЭКСКАВАТОР-ПОГРУЗЧИК

СТРЕЛА И РУКОЯТЬ СТРЕЛЫ ЧЕРПАКА 923S И 923SA ЭКСКАВАТОР-ПОГРУЗЧИК

1Артикул: 6531366, RING Retainer
2Артикул: 6531365, WASHER
3Артикул: 6561846, PIN
Подробнее >