АКСЕСCУАРЫ И ОПЦИИ в Алматы
ПОБЛЕСКОВЫЙ МАЯЧОК
1Артикул: 6719857, KIT See Illustration ACCESSORIES HARNESS/ PE1557 - strobe light - if loader is not equipped W/deluxe cab option Also Order 6727468 harness
2Артикул: 6718872, HARNESS
3Артикул: 6665317, SWITCH horizontal - not in kit
РЕМЕНЬ БЕЗОПАСНОСТИ (3-- ШИРОКИЙ)
1Артикул: 6703640, KIT W/Ref. 2-5 & 7-9
2Артикул: 6703703, GUIDE
3Артикул: 6630207, RIVET 5 Was 6512797 - A
ЗАДНИЙ ВСПОМОГАТЕЛЬНЫЙ КЛАПАН
1Артикул: 6665572, VALVE diverter
2Артикул: 6676152, PLUG W/Ref. 9 - Was 6653490 - A
3Артикул: BODY, BODY NSS
ОЧИСТНОЕ УСТРОЙСТВО
1Артикул: 6673826, MUFFLER, PURIFIER 2 hole mounting - replaces exhaust tube - uses existing hardware & gasket
НАКЛЕЙКИ НАРУЖНИЕ
1Артикул: DECAL,, DECAL, WARNING NLA - high pressure grease - Order Ref. 2 - Was 6804114 - A
2Артикул: 7168039, DECAL, WARNING high pressure grease
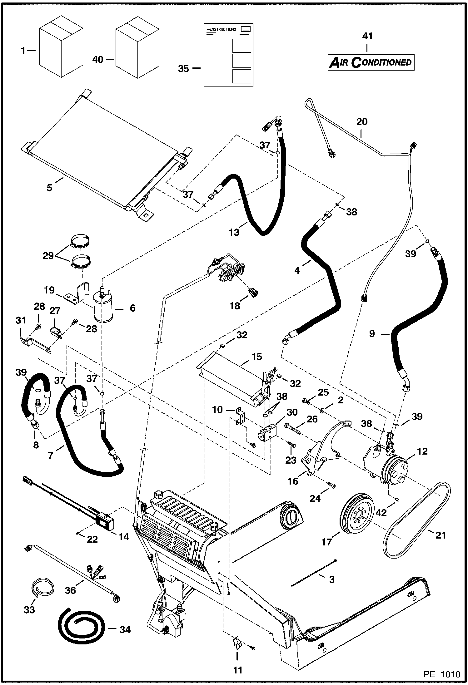
ОБОГРЕВАТЕЛЬ И КОНДИЦИОНЕР (КОМЛЕКТ КОНДИЦИОНЕРА)
1Артикул: 6726490, KIT Ref. 2 - 35
2Артикул: 6557831, WASHER
3Артикул: 6624289, STRAP, TIE
СТЕКЛООЧИСТИТЕЛЬ ЗАДНЕГО СТЕКЛА
1Артикул: 6726655, KIT rear wiper
2Артикул: HOSE, HOSE NLA - 96-- (2438,4 mm) long - Order Ref. 18
3Артикул: 6719317, WINDOW
ФУНКЦИЯ ШУМОПОГЛОЩЕНИЯ (МЕСТНЫЙ) (85 ДБ)
1Артикул: 6562619, BUSHING throttle
2Артикул: 6562619, BUSHING throttle - high flow
3Артикул: 6579399, DECAL noise warning - 83 db
КОМПЛЕКТ МЕХАНИЗМОВ ПОДЪЕМА
1Артикул: 7142001, KIT
2Артикул: 6533898, DECAL
3Артикул: 6567838, PIN
КОМПЛЕКТ КЛАКСОНОВ
1Артикул: HORN, HORN KIT NLA - Ref. 2-16 - Requires multi-switch handle - Was 6719043 - A
2Артикул: 6727995, KIT, HORN Ref. 2-16
3Артикул: 17C410, BOLT 10
КОРПУС КАБИНЫ (ЧЕХОЛ)
1Артикул: 6675544, CANVAS CAB W/Ref. 2-4 - fits over cab
2Артикул: 6675590, DOOR vinyl
3Артикул: 6675591, HINGE KIT
РЕМЕНЬ БЕЗОПАСНОСТИ (3 ИЗМЕНЯЕМЫХ ТОЧКИ КРЕПЛЕНИЯ)
1Артикул: 6732219, KIT three point retractable seat belt - Use W/Sears brand suspension seats W/LH recliner lever - Was 6725168 - A
2Артикул: 6674407, SHOULDER BELT
3Артикул: 6679308, SEAT BELT Was 6674408 - A
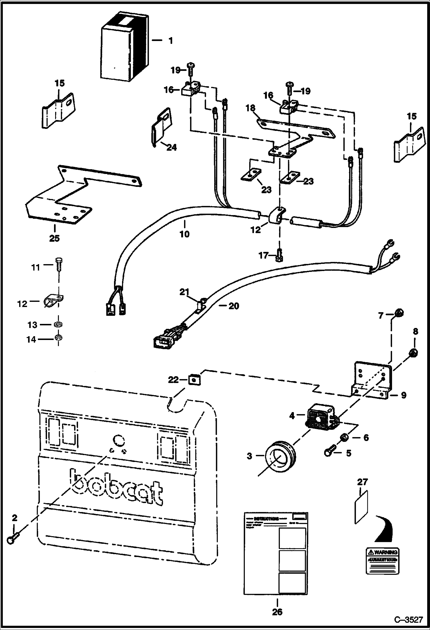
КОМПЛЕКТ УСТРОЙСТВ ОСВЕЩЕНИЯ
1Артикул: KIT, KIT NLA - Order components
2Артикул: 6670284, LIGHT ASSY rear
3Артикул: 6649481, LIGHT, WEDGE BASE
КОМПЛЕКТ СИГНАЛА ЗАДНЕГО ХОДА
1Артикул: 6718822, KIT back-up alarm - Ref. 2-24
2Артикул: 10C512, BOLT Was 37C000512B - B
3Артикул: 6577545, GROMMET
ПИТАНИЕ BOB-TACH (КЛАПАН)
1Артикул: 7161786, VALVE, POWER BOB-TACH valve has (2) drain ports labeled DR - use which ever port best fits plumbing application
2Артикул: 6684743, SOLENOID W/male connector
3Артикул: 6684744, SOLENOID W/female connector
ОГНЕТУШИТЕЛЬ
1Артикул: KIT,, KIT, EXTINGUISHER FIRE NLA - Ref. 5-11 - Was 6725898 - A
2Артикул: 6725898, KIT, EXTINGUISHER FIRE Ref. 2-7 & 11
3Артикул: 7224664, EXTINGUISHER, FIRE W/Ref. 3
ДВЕРЦА КАБИНЫ (СПЕЦИАЛЬНЫЕ ПРИЛОЖЕНИЯ)
1Артикул: 6725941, KIT door - Ref. 2-25 & 41-64 - wiper is not included because it may scratch special applications window
2Артикул: 6732351, WINDOW 0.5-- thick polycarbonate - W/top notch - Was 6725935 - A
3Артикул: 6725938, CLAMP
ГУСЕНИЦЫ РЕЗИНОВЫЕ
1Артикул: TRACK,, TRACK, RUBBER NLA - 12-- wide - Bridgestone - full pitch - Order 6680149 track - Was 6672583
2Артикул: 6680149, TRACK, RBR(320X86X52) 12-- C-PTRN BOBCAT factory option - Was 6677498 - A
3Артикул: TRACK,, TRACK, RUBBER NLA - 18-- wide - Bridgestone - full pitch - Order 6680150 track - Was 6674138
ОКНА КАБИНЫ (ВЕРХНЕЕ, ЗАДНЕЕ И БОКОВОЕ)
1Артикул: 6718805, KIT, WINDOW REAR AND TOP Ref. 8-10, 14, 33 & 41 - Was SALES - A
2Артикул: 7131580, KIT, WINDOW SIDE Ref. 2, 3, 5-7, 11-13, 15-32, 40 & 42 - A
3Артикул: 6717870, TRACK, LEFT LH side
КОМПЛЕКТ СВЕТОДИОДНЫХ ФАР ПОГРУЗЧИКА
1Артикул: 7275379, KIT, LIGHT LED Ref. 2-8
2Артикул: 7275528, RAIL, LIGHT MOUNTING LH
3Артикул: 7275529, RAIL, LIGHT MOUNTING RH
ДВЕРЦА КАБИНЫ
1Артикул: 6718808, KIT See Illustration DELUXE CAB/ PE1673 - door - Ref. 2-19, 34-66 & 68-81 - For loaders W/standard cab, Also Order Deluxe Cab Kit - Was 6718807 - B,D
2Артикул: DOOR, DOOR See BTI369 - NLA - Uses 3 bolt mount handle - .5-- longer than NLA 6726435 door & 7109665 door - Was 6717590 - A
3Артикул: DOOR, DOOR See BTI369 - NLA - Uses 3 bolt mount handle - .5-- shorter than NLA 6717590 door - Was 6726435 - A
КОМПЛЕКТ АМОРТИЗАЦИИ РУЛЕВОГО МЕХАНИЗМА
1Артикул: 6737490, KIT dual dampener - Ref. 2-8 & 14 - Also order (2) each of 7110573 bellcrank & 10H35 grease zerk
2Артикул: 6737490, KIT dual dampener - Ref. 2-8 & 14
3Артикул: GAS, GAS SPRING NLA - Japan Option - Order Ref. 13 - Was 6649551 - A
ОБОГРЕВАТЕЛЬ И КОНДИЦИОНЕР (НАГРЕВАТЕЛЬ В СБОРЕ)
1Артикул: 6675497, BLOWER, HEATER AND A/C Ref. 2-8
2Артикул: 6662246, CONNECTOR 6 pin - Was 6728567 - B,D
3Артикул: 6662252, LOCK 6 pin
СИГНАЛ ЗАДНЕГО ХОДА
1Артикул: 6725504, KIT back-up alarm - Ref. 2-26
2Артикул: 37C512, BOLT
3Артикул: 6577545, GROMMET
КРУПНОГАБАРИТНЫЕ ПРЕДМЕТЫ (СМОТРИТЕ ПРИМЕЧАНИЕ)
1Артикул: 6902228, PAINT, ORANGE SPRAY CAN 6 original shade
2Артикул: 7305844, PAINT ORANGE SPRAY CAN 6 updated shade
3Артикул: 7251690, PAINT, ORANGE SPRAY CAN 6 original shade - EMEA
КОМПЛЕКТ СЕМИШТЫРЕВОГО СОЕДИНИТЕЛЯ
1Артикул: 6727176, KIT Ref. 2-4 & 7 - Order sockets as needed
2Артикул: 6674802, CONNECTOR 7-pin does not include sockets
3Артикул: 6677136, SOCKET 12 ga - not in kit
ЗАМОК ЗАДНЕЙ ДВЕРИ
1Артикул: 6732001, KIT lock - Ref. 2-6 - Was 6714973 - A
2Артикул: 6670726, CYLINDER, LOCK
3Артикул: 6672345, KEY
КОЖУХ УПЛОТНЕНИЯ
1Артикул: 6732719, KIT seal enclosure
2Артикул: 6674895, RETAINER
3Артикул: 6731108, SEAL retainer
КОМПЛЕКТ СВЕТЛЫХ НАКЛЕЕК
1Артикул: 7140768, KIT white decal - Ref. 2-4
2Артикул: 7136678, DECAL top side
3Артикул: 7136679, DECAL middle top
КАБИНА ТИПА DELUXE
1Артикул: 6718804, KIT Deluxe cab
2Артикул: 6729233, KIT deluxe cab
3Артикул: 6731478, TAG EXIT Was 6559515 - A
ОКНА КАБИНЫ (КОМПЛЕКТ РЕШЕТОК НА ОКНА)
1Артикул: 7122462, KIT, RIB WINDOW Ref. 2-6 - can NOT Use W/single point lift kits
2Артикул: 7153099, BRACE, CAB Was 7121556 - A
3Артикул: 7122487, 2 SEAL, WIPER
ДВЕРЦА КАБИНЫ (ПОЛИКАРБОНАТОВЫЕ ОКНА)
1Артикул: KIT, KIT See Illustration CAB DOOR/ PE2666 - NLA - **IMPORTANT** This Lexan window kit has been discontinued. Order KIT 6725941 SPECIAL APPLICATIONS if safety glass application is needed.
2Артикул: WINDOW, WINDOW See Illustration CAB DOOR/ PE2666 - NLA - Order KIT 6725941 SPECIAL APPLICATIONS if safety glass application is needed - it contains 6732351 WINDOW - .5-- thick polycarbonate safety glass.
3Артикул: SEAL, SEAL NLA
ДВЕРЦА КАБИНЫ (КОМПЛЕКТ ДАТЧИКОВ)
1Артикул: 6732451, KIT door switch - Ref. 2-7 & 9-15
2Артикул: 6731212, SENSOR door assy.
3Артикул: 6677193, RIVET plastic
ОБОГРЕВАТЕЛЬ И КОНДИЦИОНЕР (ИЗОЛЯЦИЯ)
1Артикул: 6688401, INSULATION Was 6675607 - A
2Артикул: 6675608, INSULATION
3Артикул: 6675609, INSULATION
НАКЛЕЙКИ
1Артикул: 6901378, KIT See Illustration DECALS/ B18133 - decal - Ref. 2-16 on this page and 2-18 on Ill B18133
2Артикул: 6725187AR, KIT translation - SEE NOTE
3Артикул: 6725187BR, KIT translation - SEE NOTE
МАЯЧОК
1Артикул: 6719854, KIT, BEACON LIGHT rotating beacon
2Артикул: 6718872, HARNESS
3Артикул: 6665317, SWITCH horizontal - not in kit
РЕМЕНЬ БЕЗОПАСНОСТИ (3-- ШИРОКИЙ ВЫДВИЖНОЙ)
1Артикул: 6675562, SEAT BELT 3-- wide retractable - Use W/Sears brand suspension seats W/LH recliner lever
2Артикул: 6901011, INSTRUCTIONS
ДВЕРЦА КАБИНЫ (ОКНО И СТЕКЛООЧИСТИТЕЛЬ)
1Артикул: 7188371, ARM, WIPER
2Артикул: 7188372, BLADE, WIPER WINDOW
3Артикул: 6679476, MOTOR, WIPER W/threaded shaft end & built in fuse
ПИТАНИЕ BOB-TACH (ЦИЛИНДР)
1Артикул: CYLINDER, CYLINDER NLA - Ref. 2-16 - Order 6810611 cylinder & (2) 10H35 grease zerks - Was 6810350 - A
2Артикул: 6810611, CYLINDER, POWER BOB-TACH Ref. 2-16
3Артикул: 6810562, TUBE, CASE CYL POWER BOB-TACH Was 6810349 - A
АМОРТИЗАТОР
1Артикул: 6732928, KIT
2Артикул: 6567743, PIN
3Артикул: 6631418, RING, RETAINING