+7 (701) 588 50 05 Телефон для связи
RU

WhatsApp

Позвонить

G070 TRANSMISSION в Алматы

G070-90 DIFFERENTIAL CARRIER - TRANSMISSION

G070-90 DIFFERENTIAL CARRIER - TRANSMISSION

1Артикул: 110931-01035, HOUSING,DIFFERENTIAL
2Артикул: K9000262, WASHER;THRUST
3Артикул: K9000261, WASHER;THRUST
Подробнее >
G070-64 POWER TAKE - OFF

G070-64 POWER TAKE - OFF

1Артикул: K9000038, PLUG
2Артикул: 110931-01029, HOUSING;REAR
3Артикул: 130712-01271, SHAFT
Подробнее >
G070-8 TRANSMISSION

G070-8 TRANSMISSION

1Артикул: 130902-02210, TRANSMISSION
2Артикул: 401107-01436, . SEAL KIT;TRANSMISSION
3Артикул: 2.180-01093, RING,O
Подробнее >
СЦЕПЛЕНИЕ KV

СЦЕПЛЕНИЕ KV

1Артикул: 130712-01614, SHAFT,INPUT
2Артикул: -, BUSHING
3Артикул: 131002-00552, BUSHING
Подробнее >
G070-94 DIPSTICK [7X0592~]

G070-94 DIPSTICK [7X0592~]

1Артикул: MX801017, HOUSING,CONTACT
2Артикул: MX801091, HOUSING,CONTACT
3Артикул: MX801020, SCREW
Подробнее >
ВТОРИЧНЫЙ ВАЛ

ВТОРИЧНЫЙ ВАЛ

1Артикул: 401002-00941, RING,O
2Артикул: 120808-00637, WASHER
3Артикул: 120705-01005, SCREW,HEX
Подробнее >
СЦЕПЛЕНИЕ K1

СЦЕПЛЕНИЕ K1

1Артикул: 130712-01260, SHAFT
2Артикул: 1.115-00302, RING;PISTON
3Артикул: -, COUPLING ASSY
Подробнее >
G070-26 COVER

G070-26 COVER

1Артикул: 250201-02704, PLATE,COVER
2Артикул: 120501-02657, PIN
3Артикул: 120705-00999, SCREW
Подробнее >
G070-86 DRIVE SHAFT

G070-86 DRIVE SHAFT

1Артикул: 140107-00286, BEARING,TAPER ROLLER
2Артикул: K9000191, WASHER A=1.3
3Артикул: K9000190, WASHER A=1.2
Подробнее >
АВАРИЙНЫЙ НАСОС РУЛЕВОГО УПРАВЛЕНИЯ

АВАРИЙНЫЙ НАСОС РУЛЕВОГО УПРАВЛЕНИЯ

1Артикул: 130418-00501, GEAR
2Артикул: 2.115-00499, RING;RETAINING
3Артикул: 2.115-00514, RING;SNAP
Подробнее >
СИСТЕМА ПЕРЕКЛЮЧЕНИЯ ПЕРЕДАЧ(1)

СИСТЕМА ПЕРЕКЛЮЧЕНИЯ ПЕРЕДАЧ(1)

1Артикул: 400602-00516, GASKET
2Артикул: 120112-01154, BOLT
3Артикул: 310401-01314, CABLE ASSY;ERGOPOWER
Подробнее >
МАСЛЯНЫЙ НАСОС

МАСЛЯНЫЙ НАСОС

1Артикул: 430215-00813, FLANGE,OIL FEED
2Артикул: 130712-01254, SHAFT;STATOR
3Артикул: 420406-01194, TUBE,OIL
Подробнее >
СИСТЕМА ПЕРЕКЛЮЧЕНИЯ ПЕРЕДАЧ(2)

СИСТЕМА ПЕРЕКЛЮЧЕНИЯ ПЕРЕДАЧ(2)

1Артикул: 130418-00659, GEAR;SHIFT,SYSTEM
2Артикул: 250201-02415, PLATE;DUCT
3Артикул: 430221-00802, PLUG,SCREW
Подробнее >
G070-34 GEARBOX HOUSING - REAR

G070-34 GEARBOX HOUSING - REAR

1Артикул: 110931-01023, HOUSING ASSY;REAR
2Артикул: 110931-01025, . HOUSING
3Артикул: 420406-01197, . TUBE
Подробнее >
G070-50 COUPLING K5

G070-50 COUPLING K5

1Артикул: 130712-01265, SHAFT
2Артикул: 430210-00398, COUPLING ASSY
3Артикул: 100502-00267, . CARRIER,DISK
Подробнее >
ПЛАНЕТАРНАЯ ПЕРЕДАЧА - ВЫЛЕТ

ПЛАНЕТАРНАЯ ПЕРЕДАЧА - ВЫЛЕТ

1Артикул: 111602-00091, SPRING,COMPRESSION
2Артикул: 401002-01118, RING,O
3Артикул: 120704-00085, SCREW,CAP
Подробнее >
СЦЕПЛЕНИЕ KR

СЦЕПЛЕНИЕ KR

1Артикул: 130712-01261, SHAFT
2Артикул: 1.115-00302, RING;PISTON
3Артикул: -, COUPLING ASSY
Подробнее >
КОРПУС КОРОБКИ ПЕРЕДАЧ

КОРПУС КОРОБКИ ПЕРЕДАЧ

1Артикул: 110931-01022, HOUSING ASSY;FRONT
2Артикул: 110931-01023, HOUSING ASSY;REAR
3Артикул: 120501-02657, PIN
Подробнее >
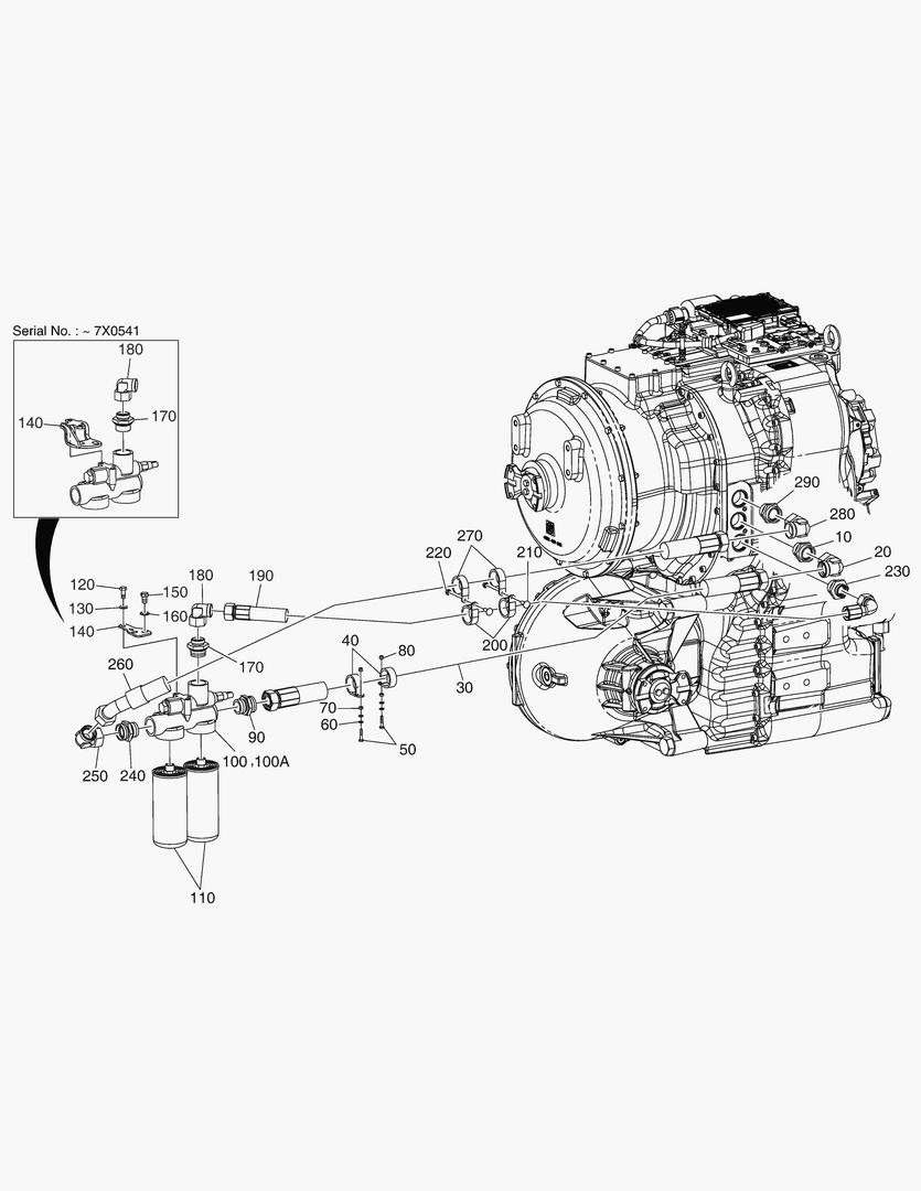
G070-10 REMOTE FILTER

G070-10 REMOTE FILTER

1Артикул: MX055845, CONNECTOR
2Артикул: MX263816, CONNECTOR
3Артикул: MX529276, HOSE
Подробнее >
G070-28 DRIVE SHAFT

G070-28 DRIVE SHAFT

1Артикул: 130712-01255, SHAFT,INPUT
2Артикул: 401003-00578, RING
3Артикул: 1.115-00097, RING,SNAP
Подробнее >
G070-60 DIFFERENTIAL CARRIER - TRANSMISSION

G070-60 DIFFERENTIAL CARRIER - TRANSMISSION

1Артикул: 401003-00585, RING
2Артикул: 130422-00076, GEAR,RING
3Артикул: 111104-00463, RING,SNAP
Подробнее >
G070-52 PLANETARY DRIVE

G070-52 PLANETARY DRIVE

1Артикул: 110508-16058, COVER
2Артикул: 130602-01140, PISTON
3Артикул: 401002-01136, RING,O
Подробнее >
СИСТЕМА ПЕРЕКЛЮЧЕНИЯ ПЕРЕДАЧ

СИСТЕМА ПЕРЕКЛЮЧЕНИЯ ПЕРЕДАЧ

1Артикул: 230109-00153, SHIFTER ASSY;GEAR
2Артикул: 100201-01742, . BLOCK,VALVE
3Артикул: 111601-00564, . SPRING;COMPR.
Подробнее >
ВТОРИЧНЫЙ ВАЛ

ВТОРИЧНЫЙ ВАЛ

1Артикул: 130712-01283, SHAFT,OUTPUT
2Артикул: 130712-01284, SHAFT,OUTPUT
3Артикул: K9000171, RING;RETAINING
Подробнее >
АВАРИЙНЫЙ НАСОС РУЛЕВОГО УПРАВЛЕНИЯ

АВАРИЙНЫЙ НАСОС РУЛЕВОГО УПРАВЛЕНИЯ

1Артикул: 400917-00022, PUMP,STEERING;EMERGENCY
2Артикул: 401002-00942, . RING,O
3Артикул: 120112-01155, BOLT
Подробнее >
G070-22 VALVE HOUSING

G070-22 VALVE HOUSING

1Артикул: 110931-01020, HOUSING ASSY,VALVE
2Артикул: 110931-01021, . HOUSING,VALVE
3Артикул: 130602-01128, . PISTON
Подробнее >
G070-12 COOLANT CIRCUIT

G070-12 COOLANT CIRCUIT

1Артикул: MX527913, CONNECTER
2Артикул: MX527914, CONNECTER
3Артикул: MX529277, HOSE
Подробнее >
УКАЗАТЕЛЬ УРОВНЯ МАСЛА

УКАЗАТЕЛЬ УРОВНЯ МАСЛА

1Артикул: 1.180-00011, GASKET
2Артикул: 1.412-00031, PLATE;COVER
3Артикул: 120705-00770, SCREW,HEX
Подробнее >
СЦЕПЛЕНИЕ K3

СЦЕПЛЕНИЕ K3

1Артикул: 130712-01261, SHAFT
2Артикул: 1.115-00302, RING;PISTON
3Артикул: -, COUPLING ASSY
Подробнее >
СЦЕПЛЕНИЕ K2

СЦЕПЛЕНИЕ K2

1Артикул: 130712-01260, SHAFT
2Артикул: 1.115-00302, RING;PISTON
3Артикул: -, COUPLING ASSY
Подробнее >
АВАРИЙНЫЙ НАСОС РУЛЕВОГО УПРАВЛЕНИЯ

АВАРИЙНЫЙ НАСОС РУЛЕВОГО УПРАВЛЕНИЯ

1Артикул: 400917-00022, PUMP,STEERING;EMERGENCY
2Артикул: -, RING,RETAINING
3Артикул: -, BEARING,BALL
Подробнее >
G070-78 SENSOR

G070-78 SENSOR

1Артикул: 301308-00244, SENSOR
2Артикул: 110508-13551, COVER
3Артикул: 400602-00695, GASKET
Подробнее >
G070-32 GEARBOX HOUSING - FRONT

G070-32 GEARBOX HOUSING - FRONT

1Артикул: 110931-01022, HOUSING ASSY;FRONT
2Артикул: 110931-01024, . HOUSING
3Артикул: 430221-00801, . PLUG,SCREW
Подробнее >
СЦЕПЛЕНИЕ K4

СЦЕПЛЕНИЕ K4

1Артикул: 130712-01261, SHAFT
2Артикул: 1.115-00302, RING;PISTON
3Артикул: -, COUPLING ASSY
Подробнее >
УСТРОЙСТВО УПРАВЛЕНИЯ В СБОРЕ

УСТРОЙСТВО УПРАВЛЕНИЯ В СБОРЕ

1Артикул: 300611-00407, CONTROLLER W/O SOFTWEAR
2Артикул: MX532209, CONTROLLER WITH SOFTWEAR
3Артикул: 1.120-00087, SCREW M6X25
Подробнее >
ПЛАНЕТАРНАЯ ПЕРЕДАЧА - ВЫЛЕТ

ПЛАНЕТАРНАЯ ПЕРЕДАЧА - ВЫЛЕТ

1Артикул: 130413-00038, GEAR,PLANETARY
2Артикул: 130425-00038, . GEAR,SUN
3Артикул: 401003-00581, . RING,PRESSURE
Подробнее >
G070-58 DIFFERENTIAL

G070-58 DIFFERENTIAL

1Артикул: 100502-00244, CARRIER;PLANET
2Артикул: 130413-00040, GEAR,PLANETARY
3Артикул: 110909-00033, CAGE,NEEDLE
Подробнее >
СОЕДИНЕНИЕ ДВИГАТЕЛЯ

СОЕДИНЕНИЕ ДВИГАТЕЛЯ

1Артикул: 130901-00048, CONVERTER,TORQUE
2Артикул: 430215-00812, FLANGE
3Артикул: 1.461-00011, SHEET;SCREEN
Подробнее >
G070-84 DIFFERENTIAL HOUSING

G070-84 DIFFERENTIAL HOUSING

1Артикул: 130411-00031, DIFFERENTIAL ASSY
2Артикул: 110931-01033, HOUSING,DIFFERENTIAL
3Артикул: 401002-00667, RING,O
Подробнее >