+7 (701) 588 50 05 Телефон для связи
RU

WhatsApp

Позвонить

ГИДРАВЛИЧЕСКАЯ СИСТЕМА в Алматы

ПЕДАЛИ УПРАВЛЕНИЯ (СЕРИЙНЫЙ НОМЕР 13001 - 14999)

ПЕДАЛИ УПРАВЛЕНИЯ (СЕРИЙНЫЙ НОМЕР 13001 - 14999)

1Артикул: 6563159, LINKAGE
2Артикул: 6557831, WASHER
3Артикул: 7115219, PEDAL Was 6558451 - B
Подробнее >
РЕГУЛИРУЮЩИЙ КЛАПАН (СЕРИЙНЫЙ НОМЕР 14999 И НИЖЕ)

РЕГУЛИРУЮЩИЙ КЛАПАН (СЕРИЙНЫЙ НОМЕР 14999 И НИЖЕ)

1Артикул: VALVE, VALVE NLA - control - Was 6562238 - A
2Артикул: O-RING, O-RING NSS
3Артикул: O-RING, O-RING NSS
Подробнее >
СХЕМА ГИДРАВЛИЧЕСКОЙ СИСТЕМЫ (СЕРИЙНЫЙ НОМЕР 502621515 И ВЫШЕ)

СХЕМА ГИДРАВЛИЧЕСКОЙ СИСТЕМЫ (СЕРИЙНЫЙ НОМЕР 502621515 И ВЫШЕ)

1Артикул: 6543063, HOSE
2Артикул: CYLINDER, CYLINDER See Illustration LIFT CYLINDER/ B18253 See Illustration LIFT CYLINDER/ B18249 LIFT
3Артикул: 11H25, FITTING10
Подробнее >
СХЕМА ГИДРАВЛИЧЕСКОЙ СИСТЕМЫ (СЕРИЙНЫЙ НОМЕР 15001 ЧЕРЕЗ 21514)

СХЕМА ГИДРАВЛИЧЕСКОЙ СИСТЕМЫ (СЕРИЙНЫЙ НОМЕР 15001 ЧЕРЕЗ 21514)

1Артикул: 6543063, HOSE
2Артикул: CYLINDER, CYLINDER See Illustration LIFT CYLINDER/ B18253 See Illustration LIFT CYLINDER/ B18249 LIFT
3Артикул: 11H15, GREASE FITTING
Подробнее >
ГИДРОЦИЛИНДР ПОДЪЕМА (С НАВАРЕННОЙ ТРУБКОЙ)

ГИДРОЦИЛИНДР ПОДЪЕМА (С НАВАРЕННОЙ ТРУБКОЙ)

1Артикул: CYLINDER, CYLINDER See Illustration LIFT CYLINDER/ B18253 NLA - lift - Ref. 2-13 - Order 6529692 CYL.
2Артикул: CASE, CASE NLA - Order 6529695 Case & 6529690 Tube
3Артикул: 92D12, NUT Was 86D000012B - A
Подробнее >
КЛАПАН РЕГУЛИРОВКИ ПОЛОЖЕНИЯ КОВША (СЕРИЙНЫЙ НОМЕР 502626662 И НИЖЕ)

КЛАПАН РЕГУЛИРОВКИ ПОЛОЖЕНИЯ КОВША (СЕРИЙНЫЙ НОМЕР 502626662 И НИЖЕ)

1Артикул: VALVE, VALVE NLA - Was 6630065 - A
2Артикул: 6630333, RELIEF VALVE
3Артикул: O-RING, O-RING NSS
Подробнее >
СЕКЦИЯ УПРАВЛЕНИЯ НАКЛОНОМ КОВША

СЕКЦИЯ УПРАВЛЕНИЯ НАКЛОНОМ КОВША

1Артикул: 6598514, SECTION tilt
2Артикул: 6631988, SCREW
3Артикул: 6513918, CAP
Подробнее >
РЕГУЛИРУЮЩИЙ КЛАПАН (BOBCAT)

РЕГУЛИРУЮЩИЙ КЛАПАН (BOBCAT)

1Артикул: VALVE, VALVE NLA - Order components - Ref. 2-48 - See instruction that comes with valve - Was 6539333 - A
2Артикул: 6592740, SHORT BLOCK Ref. 2-10 & 37 - See Note
3Артикул: 6588165, SCREW
Подробнее >
ПЕДАЛИ УПРАВЛЕНИЯ (15001 И ВЫШЕ)

ПЕДАЛИ УПРАВЛЕНИЯ (15001 И ВЫШЕ)

1Артикул: 85D6, NUT, 5
2Артикул: 6563914, WASHER
3Артикул: 7115219, PEDAL Was 6726680 - A
Подробнее >
ГИДРОЦИЛИНДР ПОДЪЕМА (С СМЕННЫМ ПАТРУБКОМ)

ГИДРОЦИЛИНДР ПОДЪЕМА (С СМЕННЫМ ПАТРУБКОМ)

1Артикул: 6529692, CYLINDER lift - Ref. 2-14 - Was 6592991 - A
2Артикул: 6529695, CASE Also Order 6529690 Tube
3Артикул: 92D12, NUT Was 86D000012B - B
Подробнее >
ВСПОМОГАТЕЛЬНАЯ СЕКЦИЯ

ВСПОМОГАТЕЛЬНАЯ СЕКЦИЯ

1Артикул: SECTION, SECTION NSS - aux. - Was 6513879 - A
2Артикул: 6631988, SCREW
3Артикул: 6513902, CAP detent
Подробнее >
ВПУСКНАЯ СЕКЦИЯ

ВПУСКНАЯ СЕКЦИЯ

1Артикул: SECTION, SECTION NLA - inlet - Was 6513852 - A
2Артикул: VALVE, VALVE NLA - relief - Was 6513849 - A
3Артикул: O-RING, O-RING NSS
Подробнее >
СЕКЦИЯ ПОДЪЕМА

СЕКЦИЯ ПОДЪЕМА

1Артикул: SECTION, SECTION NLA - lift - Without Ref. 11 & 14 - Was 6598515 - A
2Артикул: 6631988, SCREW
3Артикул: 6513902, CAP
Подробнее >
ВСПОМОГАТЕЛЬНЫЕ ГИДРАВЛИЧЕСКИЕ МЕХАНИЗМЫ (СЕРИЙНЫЙ НОМЕР 14999 И НИЖЕ)

ВСПОМОГАТЕЛЬНЫЕ ГИДРАВЛИЧЕСКИЕ МЕХАНИЗМЫ (СЕРИЙНЫЙ НОМЕР 14999 И НИЖЕ)

1Артикул: 6560402, HOSE
2Артикул: 6559442, TUBE
3Артикул: 77F7, ELBOW
Подробнее >
ВСПОМОГАТЕЛЬНЫЕ ГИДРАВЛИЧЕСКИЕ МЕХАНИЗМЫ (СЕРИЙНЫЙ НОМЕР 15001 И ВЫШЕ)

ВСПОМОГАТЕЛЬНЫЕ ГИДРАВЛИЧЕСКИЕ МЕХАНИЗМЫ (СЕРИЙНЫЙ НОМЕР 15001 И ВЫШЕ)

1Артикул: 6560402, HOSE
2Артикул: 6559442, TUBE
3Артикул: 77F7, ELBOW
Подробнее >
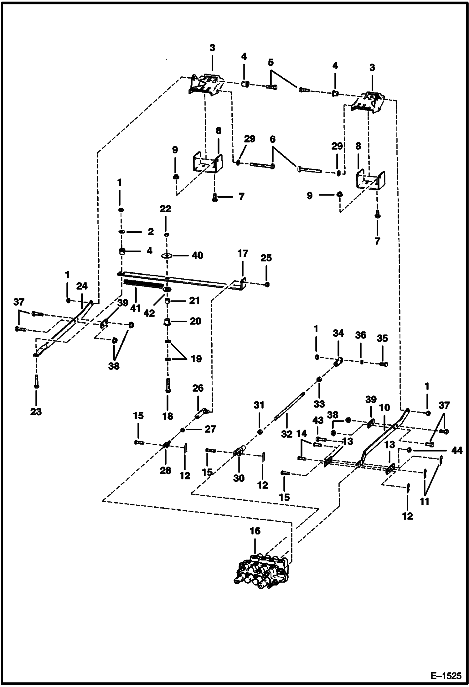
СХЕМА ГИДРАВЛИЧЕСКОЙ СИСТЕМЫ (СЕРИЙНЫЙ НОМЕР 14999 И НИЖЕ)

СХЕМА ГИДРАВЛИЧЕСКОЙ СИСТЕМЫ (СЕРИЙНЫЙ НОМЕР 14999 И НИЖЕ)

1Артикул: CYLINDER, CYLINDER See Illustration LIFT CYLINDER/ B18253 See Illustration LIFT CYLINDER/ B18249 LIFT
2Артикул: 6560402, HOSE
3Артикул: 659892, HOSE ASSY
Подробнее >
ЦИЛИНДР НАКЛОНА

ЦИЛИНДР НАКЛОНА

1Артикул: 6539808, CYLINDER, TILT tilt - Ref. 2-18 & 20 - Was 6592584 - A
2Артикул: 6592593, CASE
3Артикул: 6810539, NUT Was 6804592 - A
Подробнее >