+7 (701) 588 50 05 Телефон для связи
RU

WhatsApp

Позвонить

ГИДРАВЛИЧЕСКАЯ СИСТЕМА в Алматы

БЛОК КОЛЛЕКТОРА

БЛОК КОЛЛЕКТОРА

1Артикул: 7210051, BLOCK, HYD MANIFOLD Ref. 2-10 - Was 7163249 - A
2Артикул: 7022395, SCREW
3Артикул: 7022396, SCREW
Подробнее >
СХЕМА ГИДРАВЛИЧЕСКОЙ СИСТЕМЫ (НАСОС ПРИВОДА ВЕНТИЛЯТОРА)

СХЕМА ГИДРАВЛИЧЕСКОЙ СИСТЕМЫ (НАСОС ПРИВОДА ВЕНТИЛЯТОРА)

1Артикул: 7225629, PUMP, FAN See Illustration FAN PUMP/ EM9969
2Артикул: 7231389, TUBELINE, HYD
3Артикул: 16KB0808, FITTING, HYD CONNECTOR
Подробнее >
РЕГУЛИРУЮЩИЙ КЛАПАН (СЕКЦИЯ ПОДЪЕМА)

РЕГУЛИРУЮЩИЙ КЛАПАН (СЕКЦИЯ ПОДЪЕМА)

1Артикул: 7023741, SECTION, VALVE Ref. 2-23
2Артикул: 7022375, SECTION, VALVE W/Ref. 24
3Артикул: 7023730, SPOOL
Подробнее >
РЕГУЛИРУЮЩИЙ КЛАПАН (ТЕЛЕСКОПИЧЕСКАЯ СЕКЦИЯ)

РЕГУЛИРУЮЩИЙ КЛАПАН (ТЕЛЕСКОПИЧЕСКАЯ СЕКЦИЯ)

1Артикул: 7023743, SECTION, VALVE Ref. 2-23
2Артикул: 7022375, SECTION, VALVE W/Ref. 24
3Артикул: 7023732, SPOOL
Подробнее >
ЦИЛИНДР ПОДЪЕМА

ЦИЛИНДР ПОДЪЕМА

1Артикул: 7163242, CYLINDER, LIFT Ref. 2-17
2Артикул: 7022404, KIT, ROD W/Ref. 6
3Артикул: 7022405, KIT, CASING W/Ref. 4
Подробнее >
ЭЛЕКТРОДВИГАТЕЛЬ ВЕНТИЛЯТОРА

ЭЛЕКТРОДВИГАТЕЛЬ ВЕНТИЛЯТОРА

1Артикул: 7231892, MOTOR, FAN Ref. 2-25
2Артикул: PLATE, PLATE NLA - Order Ref. 1
3Артикул: HOUSING, HOUSING NLA - Order Ref. 1
Подробнее >
ПОРШНЕВОЙ НАСОС

ПОРШНЕВОЙ НАСОС

1Артикул: 7196191, PUMP, PISTON Ref. 2-56
2Артикул: 7023931, COMPENSATOR, PRIMARY FLOW
3Артикул: 7023932, COMPENSATOR, SECONDARY FLOW
Подробнее >
РЕГУЛИРУЮЩИЙ КЛАПАН (СЕКЦИЯ ПАТРУБКА)

РЕГУЛИРУЮЩИЙ КЛАПАН (СЕКЦИЯ ПАТРУБКА)

1Артикул: 7022394, KIT, OUTLET SECTION Ref. 2-10
2Артикул: 7022386, COVER, OUTLET W/Ref. 11
3Артикул: 7022387, REGULATOR, FLOW
Подробнее >
СХЕМА ГИДРАВЛИЧЕСКОЙ СИСТЕМЫ (ТОРМОЗНОЙ КЛАПАН) (B35G11001 И ВЫШЕ)

СХЕМА ГИДРАВЛИЧЕСКОЙ СИСТЕМЫ (ТОРМОЗНОЙ КЛАПАН) (B35G11001 И ВЫШЕ)

1Артикул: 7188802, PEDAL, BRAKE See Illustration SERVICE BRAKE VALVE/ EM9045
2Артикул: 7195683, PLATE
3Артикул: 15KB0606, FITTING, HYD CONNECTOR
Подробнее >
СХЕМА ГИДРАВЛИЧЕСКОЙ СИСТЕМЫ (КОЛЛЕКТОР)

СХЕМА ГИДРАВЛИЧЕСКОЙ СИСТЕМЫ (КОЛЛЕКТОР)

1Артикул: 6624289, STRAP, TIE
2Артикул: 43DM8, NUT
3Артикул: 7213296, HOSE, HYD Was 7159979 - A
Подробнее >
СХЕМА ГИДРАВЛИЧЕСКОЙ СИСТЕМЫ (РЕГУЛИРУЮЩИЙ КЛАПАН)

СХЕМА ГИДРАВЛИЧЕСКОЙ СИСТЕМЫ (РЕГУЛИРУЮЩИЙ КЛАПАН)

1Артикул: 7163244, VALVE, CONTROL See Illustration CONTROL VALVE/ EM9119
2Артикул: 7169182, FITTING, HYD
3Артикул: 79K10, O RING 10
Подробнее >
КЛАПАН РАБОЧЕГО ТОРМОЗА

КЛАПАН РАБОЧЕГО ТОРМОЗА

1Артикул: 7162956, PEDAL, BRAKE Ref. 2-8
2Артикул: 7188802, PEDAL, BRAKE Ref. 2-8
3Артикул: 7022655, PEDAL, INCHING W/Ref. 3-6
Подробнее >
СХЕМА ГИДРАВЛИЧЕСКОЙ СИСТЕМЫ (СТРЕЛА С ВСПОМОГАТЕЛЬНЫМ УСТРОЙСТВОМ)

СХЕМА ГИДРАВЛИЧЕСКОЙ СИСТЕМЫ (СТРЕЛА С ВСПОМОГАТЕЛЬНЫМ УСТРОЙСТВОМ)

1Артикул: BLOCK,, BLOCK, COUPLER ASSY See Illustration COUPLER BLOCK/ EM9036 See BTI435th - 7246784 or 7141939 - A
2Артикул: 7166682, CLAMP, PIPE
3Артикул: 7166732, CLAMP, PIPE
Подробнее >
НАСОС ПРИВОДА ВЕНТИЛЯТОРА

НАСОС ПРИВОДА ВЕНТИЛЯТОРА

1Артикул: 7225629, PUMP, FAN Ref. 2-27
2Артикул: COVER,, COVER, REAR END NLA - Order Ref. 1
3Артикул: COVER,, COVER, FRONT NLA - Order Ref. 1
Подробнее >
СХЕМА ГИДРАВЛИЧЕСКОЙ СИСТЕМЫ (ГИДРАВЛИЧЕСКИЙ АККУМУЛЯТОР)

СХЕМА ГИДРАВЛИЧЕСКОЙ СИСТЕМЫ (ГИДРАВЛИЧЕСКИЙ АККУМУЛЯТОР)

1Артикул: 7192656, FITTING, HYD
2Артикул: 7202525, ACCUMULATOR, HYD
3Артикул: 7202834, CLAMP
Подробнее >
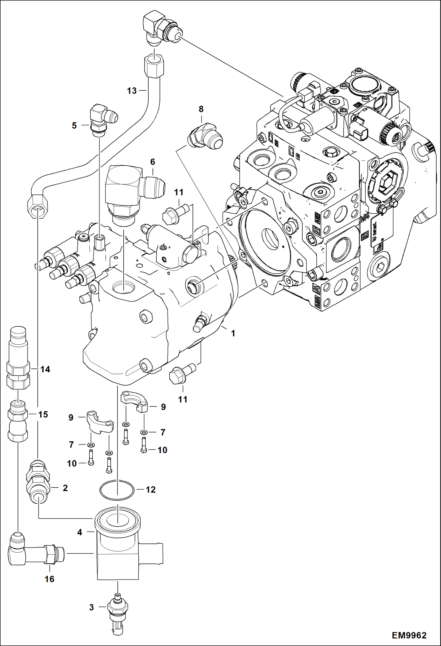
ГИДРОПРИВОДНОЙ НАСОС

ГИДРОПРИВОДНОЙ НАСОС

1Артикул: 7196191, PUMP, PISTON See Illustration PISTON PUMP/ EM9967
2Артикул: 7170303, FITTING, HYD
3Артикул: 7203398, SENSOR, INLET PRESSURE
Подробнее >
СХЕМА ГИДРАВЛИЧЕСКОЙ СИСТЕМЫ (СТРЕЛА И ЦИЛИНДРЫ) (СЕРИЙНЫЙ НОМЕР B35F11001 - B35F11084, B35G11001 - B35G11128)

СХЕМА ГИДРАВЛИЧЕСКОЙ СИСТЕМЫ (СТРЕЛА И ЦИЛИНДРЫ) (СЕРИЙНЫЙ НОМЕР B35F11001 - B35F11084, B35G11001 - B35G11128)

1Артикул: 6624289, STRAP, TIE
2Артикул: 7156110, HOSE, HYD
3Артикул: 7156121, HOSE, HYD
Подробнее >
РЕГУЛИРУЮЩИЙ КЛАПАН

РЕГУЛИРУЮЩИЙ КЛАПАН

1Артикул: 7163244, VALVE, CONTROL Ref. 2-10
2Артикул: 7025106, SECTION, VALVE See Illustration CONTROL VALVE/ EM9125 - Was 7024010 - A
3Артикул: 7023741, SECTION, VALVE See Illustration CONTROL VALVE/ EM9120
Подробнее >
РЕГУЛИРУЮЩИЙ КЛАПАН (ВПУСКНАЯ СЕКЦИЯ)

РЕГУЛИРУЮЩИЙ КЛАПАН (ВПУСКНАЯ СЕКЦИЯ)

1Артикул: 7025106, SECTION, VALVE Ref. 2-18 - Was 7024010 - A
2Артикул: 7022368, COIL
3Артикул: 7023734, RING, SCREWED
Подробнее >
СХЕМА ГИДРАВЛИЧЕСКОЙ СИСТЕМЫ (РУЛЕВОЕ УПРАВЛЕНИЕ)

СХЕМА ГИДРАВЛИЧЕСКОЙ СИСТЕМЫ (РУЛЕВОЕ УПРАВЛЕНИЕ)

1Артикул: 7159962, HOSE, HYD
2Артикул: 7159963, HOSE, HYD
3Артикул: 7159964, HOSE, HYD
Подробнее >
ЦИЛИНДР С АВТОМАТИЧЕСКИМ ВЫРАВНИВАНИЕМ

ЦИЛИНДР С АВТОМАТИЧЕСКИМ ВЫРАВНИВАНИЕМ

1Артикул: 7229365, CYLINDER, SELF LEVEL Ref. 2-17 - Was 7163245 - A
2Артикул: 7022208, PISTON
3Артикул: 7022209, HEAD, CYLINDER
Подробнее >
СХЕМА ГИДРАВЛИЧЕСКОЙ СИСТЕМЫ (ЭЛЕКТРОДВИГАТЕЛЬ ВЕНТИЛЯТОРА)

СХЕМА ГИДРАВЛИЧЕСКОЙ СИСТЕМЫ (ЭЛЕКТРОДВИГАТЕЛЬ ВЕНТИЛЯТОРА)

1Артикул: 43DM8, NUT See Illustration FAN PUMP/ EM9969
2Артикул: 6624289, STRAP, TIE
3Артикул: 7213344, HOSE, HYD Was 7159983 - A
Подробнее >
СХЕМА ГИДРАВЛИЧЕСКОЙ СИСТЕМЫ (СТРЕЛА И ЦИЛИНДРЫ) (СЕРИЙНЫЙ НОМЕР B35F11085 И ВЫШЕ, B35G11129 И ВЫШЕ)

СХЕМА ГИДРАВЛИЧЕСКОЙ СИСТЕМЫ (СТРЕЛА И ЦИЛИНДРЫ) (СЕРИЙНЫЙ НОМЕР B35F11085 И ВЫШЕ, B35G11129 И ВЫШЕ)

1Артикул: 6624289, STRAP, TIE
2Артикул: 7156110, HOSE, HYD
3Артикул: 7156121, HOSE, HYD
Подробнее >
СХЕМА ГИДРАВЛИЧЕСКОЙ СИСТЕМЫ (СТОЯНОЧНЫЙ ТОРМОЗ) (БЕЗ АККУМУЛЯТОРА)

СХЕМА ГИДРАВЛИЧЕСКОЙ СИСТЕМЫ (СТОЯНОЧНЫЙ ТОРМОЗ) (БЕЗ АККУМУЛЯТОРА)

1Артикул: 7187321, BRACKET
2Артикул: 29CM620, SCREW
3Артикул: 7201155, DECAL
Подробнее >
КОРПУС АВТОСЦЕПКИ

КОРПУС АВТОСЦЕПКИ

1Артикул: BLOCK,, BLOCK, COUPLER ASSY See BTI435th - W/Ref. 3-7 - 7246784 or 7141939 - A
2Артикул: 7214788, PLUG not included in Ref. 1 assy - Was 6697942 - A
3Артикул: COUPLER,, COUPLER, FF MALE See BTI435th - 7246799 or 6679837
Подробнее >
ЦИЛИНДР НАКЛОНА

ЦИЛИНДР НАКЛОНА

1Артикул: CYLINDER,, CYLINDER, TILT NLA - Ref. 2-18 - Order 7271200 cylinder - Was 7163243 - A
2Артикул: 7271200, CYLINDER, TILT Ref. 2-18
3Артикул: 7022413, KIT, ROD Use W/Ref. 1 (NLA / 7163243 cylinder)
Подробнее >
ГИДРАВЛИЧЕСКИЙ БАК

ГИДРАВЛИЧЕСКИЙ БАК

1Артикул: 7120881, SCREEN, FILLER Was 7003487 - B,D
2Артикул: 6624289, STRAP, TIE
3Артикул: 7216007, FITTING Was 6680951 - A
Подробнее >
СХЕМА ГИДРАВЛИЧЕСКОЙ СИСТЕМЫ (ТОРМОЗНОЙ КЛАПАН) (B35F11001 И ВЫШЕ)

СХЕМА ГИДРАВЛИЧЕСКОЙ СИСТЕМЫ (ТОРМОЗНОЙ КЛАПАН) (B35F11001 И ВЫШЕ)

1Артикул: 7162956, PEDAL, BRAKE See Illustration SERVICE BRAKE VALVE/ EM9045
2Артикул: 7195683, PLATE
3Артикул: 15KB0606, FITTING, HYD CONNECTOR
Подробнее >
ВЫДВИЖНОЙ ЦИЛИНДР (7152451)

ВЫДВИЖНОЙ ЦИЛИНДР (7152451)

1Артикул: 7152451, CYLINDER, EXTENSION Ref. 2-17
2Артикул: 7022663, CASING
3Артикул: 7022364, ROD, CYLINDER
Подробнее >
СТОЯНОЧНЫЙ ТОРМОЗ

СТОЯНОЧНЫЙ ТОРМОЗ

1Артикул: 7201827, VALVE, PARKING BRAKE ASSY Ref. 2-16 - Was 7163336 - A
2Артикул: 7022630, FITTING, ELBOW
3Артикул: 7022631, FITTING
Подробнее >
РЕГУЛИРУЮЩИЙ КЛАПАН (ВСПОМОГАТЕЛЬНАЯ СЕКЦИЯ)

РЕГУЛИРУЮЩИЙ КЛАПАН (ВСПОМОГАТЕЛЬНАЯ СЕКЦИЯ)

1Артикул: 7023744, SECTION, VALVE Ref. 2-23
2Артикул: 7023728, SECTION, VALVE W/Ref. 24
3Артикул: 7023729, SPOOL
Подробнее >
ВЫДВИЖНОЙ ЦИЛИНДР (7270988)

ВЫДВИЖНОЙ ЦИЛИНДР (7270988)

1Артикул: 7270988, CYLINDER, HYD Ref. 2-17
2Артикул: 7301092, TUBE, CASE CYL
3Артикул: 7022364, ROD, CYLINDER
Подробнее >
РЕГУЛИРУЮЩИЙ КЛАПАН (СЕКЦИЯ НАКЛОНА)

РЕГУЛИРУЮЩИЙ КЛАПАН (СЕКЦИЯ НАКЛОНА)

1Артикул: 7023742, SECTION, VALVE Ref. 2-23
2Артикул: 7022375, SECTION, VALVE W/Ref. 24
3Артикул: 7023731, SPOOL
Подробнее >