+7 (701) 588 50 05 Телефон для связи
RU

WhatsApp

Позвонить

ГИДРАВЛИЧЕСКАЯ СИСТЕМА в Алматы

СХЕМА ГИДРАВЛИЧЕСКОЙ СИСТЕМЫ (РУКОЯТЬ ЧЕРПАКА И СТРЕЛА) (ISO КОНФИГУРАЦИЯ УПРАВЛЕНИЯ)

СХЕМА ГИДРАВЛИЧЕСКОЙ СИСТЕМЫ (РУКОЯТЬ ЧЕРПАКА И СТРЕЛА) (ISO КОНФИГУРАЦИЯ УПРАВЛЕНИЯ)

1Артикул: 17K5, ELBOW W/Ref. 2
2Артикул: 79K6, O RING 10
3Артикул: 6536861, TUBE boom top
Подробнее >
СХЕМА ГИДРАВЛИЧЕСКОЙ СИСТЕМЫ (ИЗ КЛАПАНА В ВСПОМОГАТЕЛЬНОЕ ОБОРУДОВАНИЕ) (СТАНДАРТНАЯ СХЕМА УПРАВЛЕНИЯ)

СХЕМА ГИДРАВЛИЧЕСКОЙ СИСТЕМЫ (ИЗ КЛАПАНА В ВСПОМОГАТЕЛЬНОЕ ОБОРУДОВАНИЕ) (СТАНДАРТНАЯ СХЕМА УПРАВЛЕНИЯ)

1Артикул: 743108, FITTING W/Ref. 2
2Артикул: 79K8, O RING 10
3Артикул: 15KB1012, FITTING, HYD CONNECTOR W/Ref. 4 - Was 755055B - A
Подробнее >
ЦИЛИНДР ПОВОРОТА

ЦИЛИНДР ПОВОРОТА

1Артикул: CYLINDER, CYLINDER NLA - Was 6534460 Ref. 2-14 - A
2Артикул: 6534463, ROD
3Артикул: 6586721, HEAD Was 6534429 - B
Подробнее >
ПОВОРОТНОЕ СОЕДИНЕНИЕ (СО СТОПОРОМ ШАРНИРНОГО ПАЛЬЦА)

ПОВОРОТНОЕ СОЕДИНЕНИЕ (СО СТОПОРОМ ШАРНИРНОГО ПАЛЬЦА)

1Артикул: SWIVEL, SWIVEL JOINT See BTIE-032 NLA - Ref. 2-14 - W/Press in pin - Order 665895 /6 and 6538801 - -See Service Letter dated Sept. 1991 - Was 6533937 - A
2Артикул: SWIVEL, SWIVEL JOINT See BTIE-032 NLA - Ref. 2-4 & 7-18 - W/Welded on Pin - Was 6658956 - A
3Артикул: BODY, BODY See BTIE-032 NLA - Was 6533946 - A
Подробнее >
ХОДОВОЙ ГИДРОМОТОР (БЕЗ ТОРМОЗОВ) (СЕРИЙНЫЙ НОМЕР 508212001 - 508212285)

ХОДОВОЙ ГИДРОМОТОР (БЕЗ ТОРМОЗОВ) (СЕРИЙНЫЙ НОМЕР 508212001 - 508212285)

1Артикул: MOTOR, MOTOR See BTIE-080 Ref. 2-24 - Was 6655458 - A
2Артикул: SNAP, SNAP RING NLA - Was 6656453 NLA - Was 6656453 - A
3Артикул: COVER, COVER NLA - Was 6656454 - A
Подробнее >
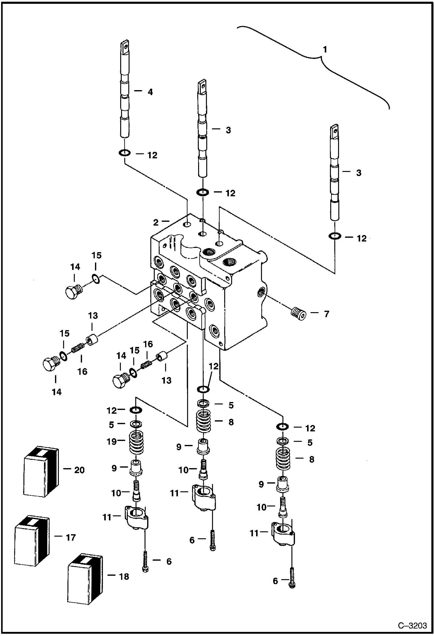
СЕКЦИЯ РАСПРЕДЕЛИТЕЛЯ

СЕКЦИЯ РАСПРЕДЕЛИТЕЛЯ

1Артикул: 6656290, VALVE W/Ref. 2-16
2Артикул: HOUSING, HOUSING NSS - Order Ref. 1
3Артикул: SPOOL, SPOOL NSS - Order Ref. 1 - Boom -ISO or Arm - standard & bucket
Подробнее >
ШЕСТЕРЕННЫЙ НАСОС (WEBSTER)

ШЕСТЕРЕННЫЙ НАСОС (WEBSTER)

1Артикул: GEAR, GEAR PUMP See BTIE-025 - NLA - W/Ref. 2-16 - Was 6661566 - A
2Артикул: 6657228, PLATE W/Ref. 6
3Артикул: 6657229, COVER W/Ref. 6
Подробнее >
ЦИЛИНДР КОВША

ЦИЛИНДР КОВША

1Артикул: CYLINDER, CYLINDER NLA - Ref. 2-15 - order Cyl. Assy. 6588658 - Was 6586439 - A
2Артикул: 6586448, ROD
3Артикул: 6537865, HEAD
Подробнее >
СХЕМА ГИДРАВЛИЧЕСКОЙ СИСТЕМЫ (ИЗ БАКА В НАСОС В КЛАПАН) (СТАНДАРТНАЯ СХЕМА УПРАВЛЕНИЯ)

СХЕМА ГИДРАВЛИЧЕСКОЙ СИСТЕМЫ (ИЗ БАКА В НАСОС В КЛАПАН) (СТАНДАРТНАЯ СХЕМА УПРАВЛЕНИЯ)

1Артикул: 6654897, FILTER ASSY assy. - W/Ref. 2
2Артикул: 6653336, ELEMENT
3Артикул: 87F5, FITTING
Подробнее >
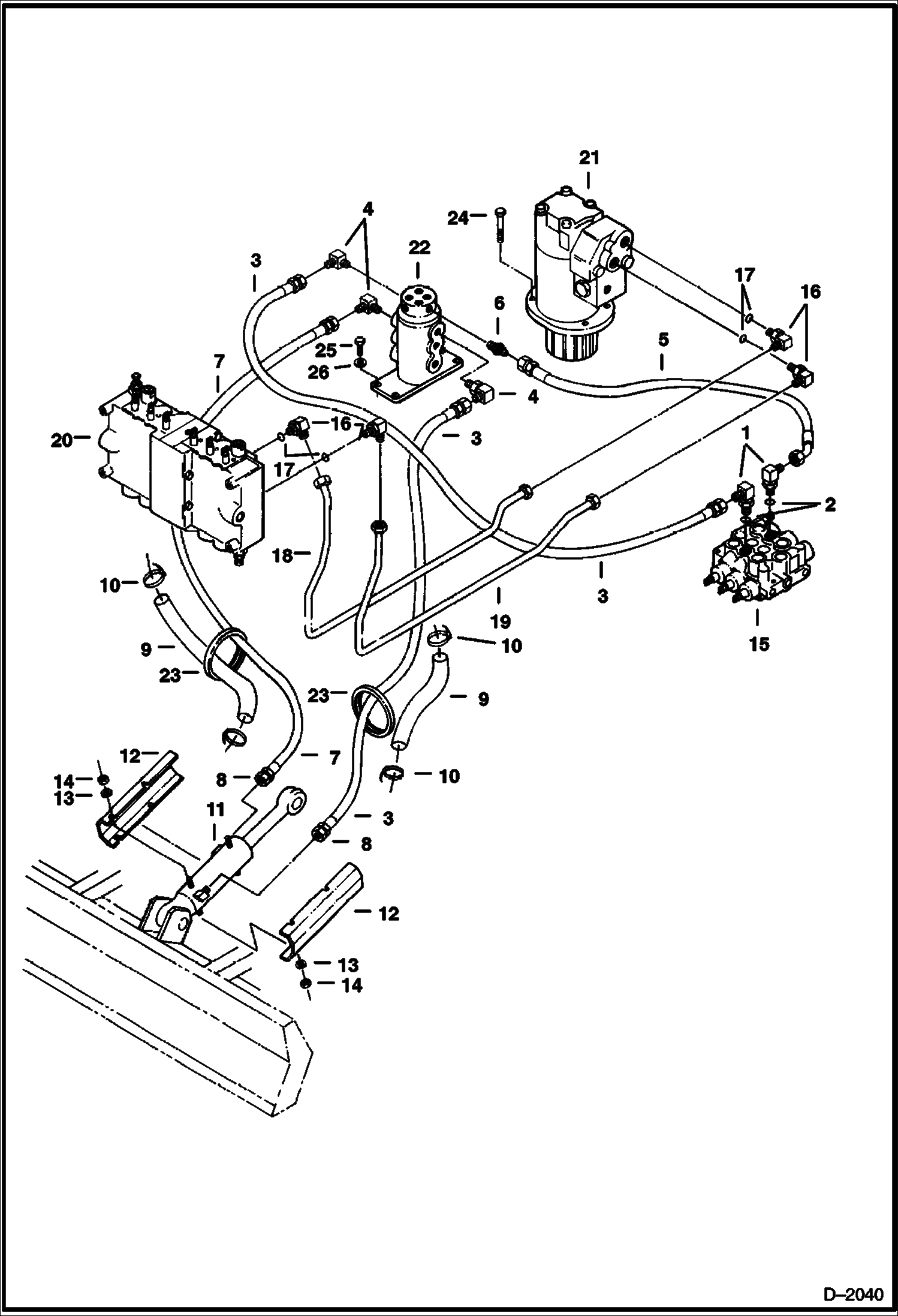
СХЕМА ГИДРАВЛИЧЕСКОЙ СИСТЕМЫ (КОВШ И ПОВОРОТ СТРЕЛЫ)

СХЕМА ГИДРАВЛИЧЕСКОЙ СИСТЕМЫ (КОВШ И ПОВОРОТ СТРЕЛЫ)

1Артикул: MOTOR, MOTOR See Illustration TRAVEL MOTOR/ B13253 NLA - travel - Was 6655458 - A
2Артикул: 17K5, ELBOW W/Ref. 2
3Артикул: 79K6, O RING 10
Подробнее >
ПОВОРОТНОЕ СОЕДИНЕНИЕ (С ПРИВАРЕННЫМ ОГРАНИЧИТЕЛЕМ ПОВОРОТА)

ПОВОРОТНОЕ СОЕДИНЕНИЕ (С ПРИВАРЕННЫМ ОГРАНИЧИТЕЛЕМ ПОВОРОТА)

1Артикул: 6803396, SWIVEL JOINT See BTIE-029 W/Ref. 2-11 - Was 6800517 - A
2Артикул: 6664900, HOUSING
3Артикул: O-RING, O-RING NLA - See Ref. 12
Подробнее >
ШЕСТЕРЕННЫЙ НАСОС (BARNES)

ШЕСТЕРЕННЫЙ НАСОС (BARNES)

1Артикул: PUMP, PUMP See BTIE-025 - NLA - W/Ref. 2-24 - Was 6664309 - A
2Артикул: 6662925, SNAP RING
3Артикул: 6662926, SEAL incl. W/Ref. 28
Подробнее >
РЕГУЛИРУЮЩИЙ КЛАПАН В СБОРЕ (6 КАТУШКА)

РЕГУЛИРУЮЩИЙ КЛАПАН В СБОРЕ (6 КАТУШКА)

1Артикул: VALVE, VALVE NLA - assy - W/Ref. 2-22 - Was 6655456 - A
2Артикул: 6656289, VALVE See Illustration CONTROL VALVE/ D2042
3Артикул: 6656290, VALVE See Illustration VALVE SECTION/ C3200
Подробнее >
КЛАПАН ФИКСАЦИИ

КЛАПАН ФИКСАЦИИ

1Артикул: 6655457, VALVE assy. - W/Ref. 2-9
2Артикул: HOUSING, HOUSING NSS
3Артикул: SPOOL, SPOOL NSS
Подробнее >
СХЕМА ГИДРАВЛИЧЕСКОЙ СИСТЕМЫ (РУКОЯТЬ ЧЕРПАКА И СТРЕЛА) (СТАНДАРТНАЯ СХЕМА УПРАВЛЕНИЯ)

СХЕМА ГИДРАВЛИЧЕСКОЙ СИСТЕМЫ (РУКОЯТЬ ЧЕРПАКА И СТРЕЛА) (СТАНДАРТНАЯ СХЕМА УПРАВЛЕНИЯ)

1Артикул: 17K5, ELBOW W/Ref. 2
2Артикул: 79K6, O RING 10
3Артикул: 6536861, TUBE boom top
Подробнее >
УРАВНИТЕЛЬНЫЙ ПРЕДОХРАНИТЕЛЬНЫЙ КЛАПАН

УРАВНИТЕЛЬНЫЙ ПРЕДОХРАНИТЕЛЬНЫЙ КЛАПАН

1Артикул: 6656374, VALVE assy. - W/Ref. 2-11 - Was 6656371 - A
2Артикул: HOUSING, HOUSING NSS
3Артикул: 994793, POPPET
Подробнее >
ХОДОВОЙ ГИДРОМОТОР (С ТОРМОЗОМ) (СЕРИЙНЫЙ НОМЕР 508212286 - 508212929)

ХОДОВОЙ ГИДРОМОТОР (С ТОРМОЗОМ) (СЕРИЙНЫЙ НОМЕР 508212286 - 508212929)

1Артикул: TRAVEL, TRAVEL MOTOR See BTIE-080 W/Ref. 2-33 - Was 6658535 - A
2Артикул: SNAP, SNAP RING NLA - Was 6656453 NLA - Was 6656453 - A
3Артикул: COVER, COVER NLA - Was 6656454 - A
Подробнее >
РЕГУЛИРУЮЩИЙ КЛАПАН (3-КАТУШКА) (MELROE) (ЗАВОДСКОЙ КЛАПАН)

РЕГУЛИРУЮЩИЙ КЛАПАН (3-КАТУШКА) (MELROE) (ЗАВОДСКОЙ КЛАПАН)

1Артикул: See, See Illustration CONTROL VALVE/ B17649 NLA - ASSY.-Ref. 2-31-VALVE 6588779 - WAS 6588779 - A
2Артикул: SPOOL, SPOOL NSS
3Артикул: 6538466, BUSHING Was 6534576 - A
Подробнее >
СХЕМА ГИДРАВЛИЧЕСКОЙ СИСТЕМЫ (КЛАПАН ХОДОВОЙ ГИДРОМОТОРА) (БЕЗ ТОРМОЗОВ) (СЕРИЙНЫЙ НОМЕР 508212001 - 508212285)

СХЕМА ГИДРАВЛИЧЕСКОЙ СИСТЕМЫ (КЛАПАН ХОДОВОЙ ГИДРОМОТОРА) (БЕЗ ТОРМОЗОВ) (СЕРИЙНЫЙ НОМЕР 508212001 - 508212285)

1Артикул: MOTOR, MOTOR See Illustration TRAVEL MOTOR/ B13253
2Артикул: 6655811, CONNECTOR W/Ref. 3
3Артикул: 79K4, O RING 10
Подробнее >
ГИДРОМОТОР ПОВОРОТА ПЛАТФОРМЫ (МОДЕЛЬ #144 - 1002 - 006)

ГИДРОМОТОР ПОВОРОТА ПЛАТФОРМЫ (МОДЕЛЬ #144 - 1002 - 006)

1Артикул: SWING, SWING MOTOR NLA - assy. - W/Ref. 2-33 - Order 6669539
2Артикул: SHAFT, SHAFT See BTIE-013 NLA - assy. - W/Ref. 3-13 - Was 6659995 - A
3Артикул: SNAP, SNAP RING NLA - Order Ref. 2 - Was 6656359 - A
Подробнее >
ЦИЛИНДР РУКОЯТИ

ЦИЛИНДР РУКОЯТИ

1Артикул: 6586722, CYLINDER Ref. 2-15 - Was 6535709 - A
2Артикул: 6535712, ROD
3Артикул: 6586721, HEAD Was 6534429 - A
Подробнее >
СХЕМА ГИДРАВЛИЧЕСКОЙ СИСТЕМЫ (ИЗ КЛАПАНА В ВСПОМОГАТЕЛЬНОЕ ОБОРУДОВАНИЕ) (ISO КОНФИГУРАЦИЯ УПРАВЛЕНИЯ)

СХЕМА ГИДРАВЛИЧЕСКОЙ СИСТЕМЫ (ИЗ КЛАПАНА В ВСПОМОГАТЕЛЬНОЕ ОБОРУДОВАНИЕ) (ISO КОНФИГУРАЦИЯ УПРАВЛЕНИЯ)

1Артикул: 743108, FITTING W/Ref. 2
2Артикул: 79K8, O RING 10
3Артикул: 15KB1012, FITTING, HYD CONNECTOR W/Ref. 4 - Was 755055B - A
Подробнее >
СХЕМА ГИДРАВЛИЧЕСКОЙ СИСТЕМЫ (КЛАПАН ХОДОВОЙ ГИДРОМОТОРА) (СЕРИЙНЫЙ НОМЕР 508212930 И ВЫШЕ)

СХЕМА ГИДРАВЛИЧЕСКОЙ СИСТЕМЫ (КЛАПАН ХОДОВОЙ ГИДРОМОТОРА) (СЕРИЙНЫЙ НОМЕР 508212930 И ВЫШЕ)

1Артикул: MOTOR, MOTOR See Illustration TRAVEL MOTOR/ D1922 See BTIE-049 NLA - travel - Was 6651892 - A
2Артикул: 6654895, ADAPTER W/Ref. 3
3Артикул: 79K4, O RING 10
Подробнее >
ЦИЛИНДР СТРЕЛЫ

ЦИЛИНДР СТРЕЛЫ

1Артикул: 6586723, CYLINDER Ref. 2-15 - Was 6535779 - A
2Артикул: 6535782, ROD
3Артикул: 6586721, HEAD Was 6534429 - A
Подробнее >
СХЕМА ГИДРАВЛИЧЕСКОЙ СИСТЕМЫ (КЛАПАН ХОДОВОЙ ГИДРОМОТОРА) (С ТОРМОЗОМ) (СЕРИЙНЫЙ НОМЕР 508212286 - 508212929)

СХЕМА ГИДРАВЛИЧЕСКОЙ СИСТЕМЫ (КЛАПАН ХОДОВОЙ ГИДРОМОТОРА) (С ТОРМОЗОМ) (СЕРИЙНЫЙ НОМЕР 508212286 - 508212929)

1Артикул: TRAVEL, TRAVEL MOTOR See Illustration TRAVEL MOTOR/ C3242 travel - Was 6658535 - A
2Артикул: 6655811, CONNECTOR W/Ref. 3
3Артикул: 79K4, O RING 10
Подробнее >
РЕГУЛИРУЮЩИЙ КЛАПАН (3-КАТУШКА) (MELROE) (ЗАПАСНОЙ КЛАПАН)

РЕГУЛИРУЮЩИЙ КЛАПАН (3-КАТУШКА) (MELROE) (ЗАПАСНОЙ КЛАПАН)

1Артикул: VALVE, VALVE assy - Ref. 2-31 - Was 6588779 - A
2Артикул: VALVE,, VALVE, CONTROL SERVICE NLA - Order Ref. 2-31 & 38-41 - Was 7229298 - A
3Артикул: SPOOL, SPOOL NSS
Подробнее >
ХОДОВОЙ ГИДРОМОТОР (СЕРИЙНЫЙ НОМЕР 508212930 И ВЫШЕ)

ХОДОВОЙ ГИДРОМОТОР (СЕРИЙНЫЙ НОМЕР 508212930 И ВЫШЕ)

1Артикул: VALVE, VALVE ASSY. NSS - Ref. 2-15
2Артикул: BODY, BODY NSS
3Артикул: 6653021, PLUG
Подробнее >
ГИДРОМОТОР ПОВОРОТА ПЛАТФОРМЫ (МОДЕЛЬ # 144 - 1003 - 006)

ГИДРОМОТОР ПОВОРОТА ПЛАТФОРМЫ (МОДЕЛЬ # 144 - 1003 - 006)

1Артикул: 6669539, SWING MOTOR Assy. - W/Ref. 2-35 & 37 - Was 6659533 - A
2Артикул: 6671069, SHAFT Assy. - W/Ref. 3-13, 32 & 37 - Was 6659995 - A
3Артикул: 6656359, SNAP RING
Подробнее >
ГИДРАВЛИЧЕСКИЙ БАК

ГИДРАВЛИЧЕСКИЙ БАК

1Артикул: 6586370, TANK Was 6538994 - A
2Артикул: CAP, CAP NLA - locking - W/Ref. 3 - code GC020 - order 6662030 - Was 6659249 - A
3Артикул: 6662030, CAP locking - order key separately code PK 510
Подробнее >
ХОДОВОЙ ГИДРОМОТОР (СЕРИЙНЫЙ НОМЕР 508212001 - 508212929)

ХОДОВОЙ ГИДРОМОТОР (СЕРИЙНЫЙ НОМЕР 508212001 - 508212929)

1Артикул: MOTOR, MOTOR W/Ref. 2-18 - Was 6656474 - A
2Артикул: 6657249, HOUSING W/Ref. 3 & 4
3Артикул: BUSHING, BUSHING NSS
Подробнее >
ЦИЛИНДР ОТВАЛА

ЦИЛИНДР ОТВАЛА

1Артикул: 6804682, CYLINDER Ref. 2-16 - Was 6587000 - A
2Артикул: 6804685, ROD Was 6587003 - A
3Артикул: 6586721, HEAD
Подробнее >
ШЕСТЕРЕННЫЙ НАСОС (ВСПОМОГАТЕЛЬНЫЙ)(EATON)

ШЕСТЕРЕННЫЙ НАСОС (ВСПОМОГАТЕЛЬНЫЙ)(EATON)

1Артикул: PUMP,, PUMP, GEAR TRIPLE See BTIE-025 - Was 7024871 - A
2Артикул: 7030250, KIT, SEAL
Подробнее >
СХЕМА ГИДРАВЛИЧЕСКОЙ СИСТЕМЫ (ОТВАЛ И ПОВОРОТ)

СХЕМА ГИДРАВЛИЧЕСКОЙ СИСТЕМЫ (ОТВАЛ И ПОВОРОТ)

1Артикул: 1300913, ELBOW W/Ref. 2
2Артикул: 79K10, O RING 10
3Артикул: 6597885, HOSE incl. hose cover Ref. 9 - Was 6589724 - A
Подробнее >