+7 (701) 588 50 05 Телефон для связи
RU

WhatsApp

Позвонить

ГИДРАВЛИЧЕСКАЯ СИСТЕМА в Алматы

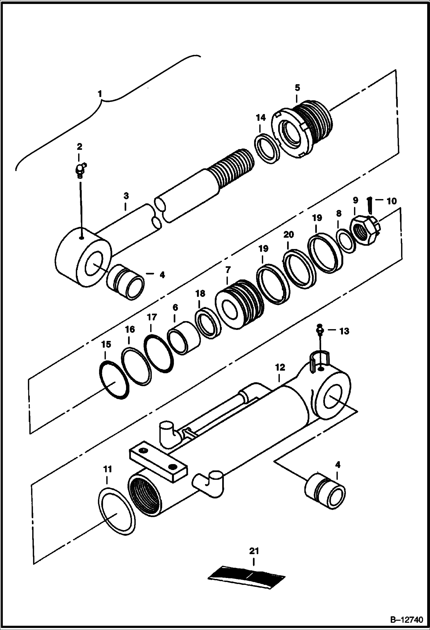
ЦИЛИНДР КОВША (ИСХОДНОЕ ОБОРУДОВАНИЕ)

ЦИЛИНДР КОВША (ИСХОДНОЕ ОБОРУДОВАНИЕ)

1Артикул: CYLINDER, CYLINDER See BTIE-003 NLA - Ref. 2-20 - Was 6651895 - A
2Артикул: 6652990, GREASE ZERK
3Артикул: ROD, ROD NLA - W/Ref. 4 - Was 6653005 - A
Подробнее >
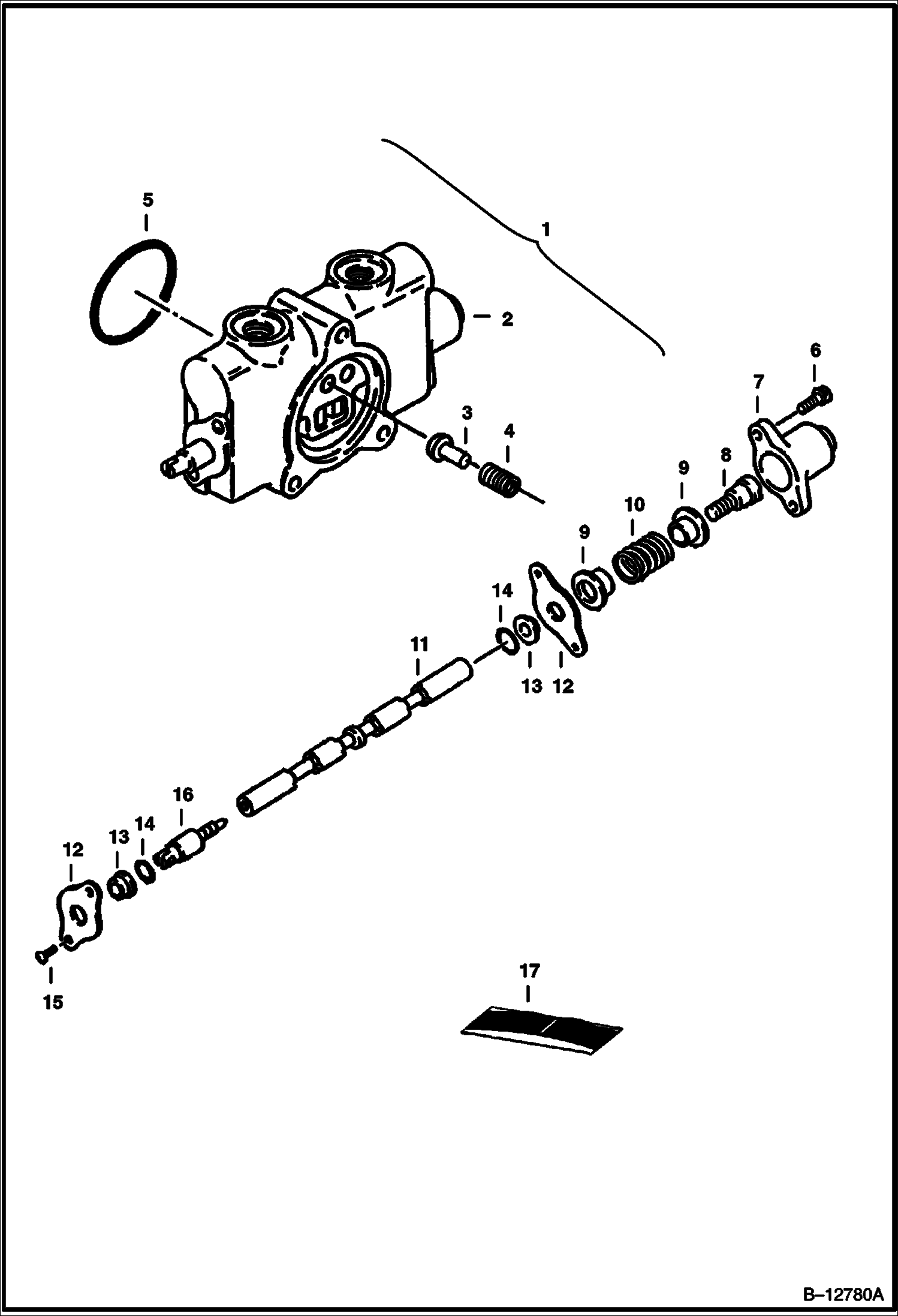
ШЕСТЕРЕННЫЙ НАСОС (МОДЕЛЬ #144 - 1002 - 006)

ШЕСТЕРЕННЫЙ НАСОС (МОДЕЛЬ #144 - 1002 - 006)

1Артикул: PUMP, PUMP See BTIE-033 NLA - Assy. - Ref. 2-26 - Was 6651890 - A
2Артикул: 6655560, VALVE Assy. - Auxiliary - Ref. 2-15 - Was 6653086 - A
3Артикул: BODY, BODY NSS
Подробнее >
СЕКЦИЯ РАСПРЕДЕЛИТЕЛЯ (ЛЕВОСТОРОННИЙ ХОД)

СЕКЦИЯ РАСПРЕДЕЛИТЕЛЯ (ЛЕВОСТОРОННИЙ ХОД)

1Артикул: 6653092, VALVE Assy. - Ref. 3-14
2Артикул: HOUSING, HOUSING NSS
3Артикул: 6653085, HEAD
Подробнее >
ШЕСТЕРЕННЫЙ НАСОС (SEE BTI E-033)

ШЕСТЕРЕННЫЙ НАСОС (SEE BTI E-033)

1Артикул: PUMP, PUMP See BTIE-033 NLA - assy - W/Ref. 2-20 - Was 6665601 - A
2Артикул: 6662925, SNAP RING
3Артикул: 6662926, SEAL W/Ref. 23
Подробнее >
ЦИЛИНДР СТРЕЛЫ (ИСХОДНОЕ ОБОРУДОВАНИЕ)

ЦИЛИНДР СТРЕЛЫ (ИСХОДНОЕ ОБОРУДОВАНИЕ)

1Артикул: CYLINDER, CYLINDER See BTIE-003 NLA - Ref. 2-22 - Was 6651893 - A
2Артикул: 6652991, GREASE ZERK
3Артикул: ROD, ROD NLA - W/Ref. 4 - Was 6652972 - A
Подробнее >
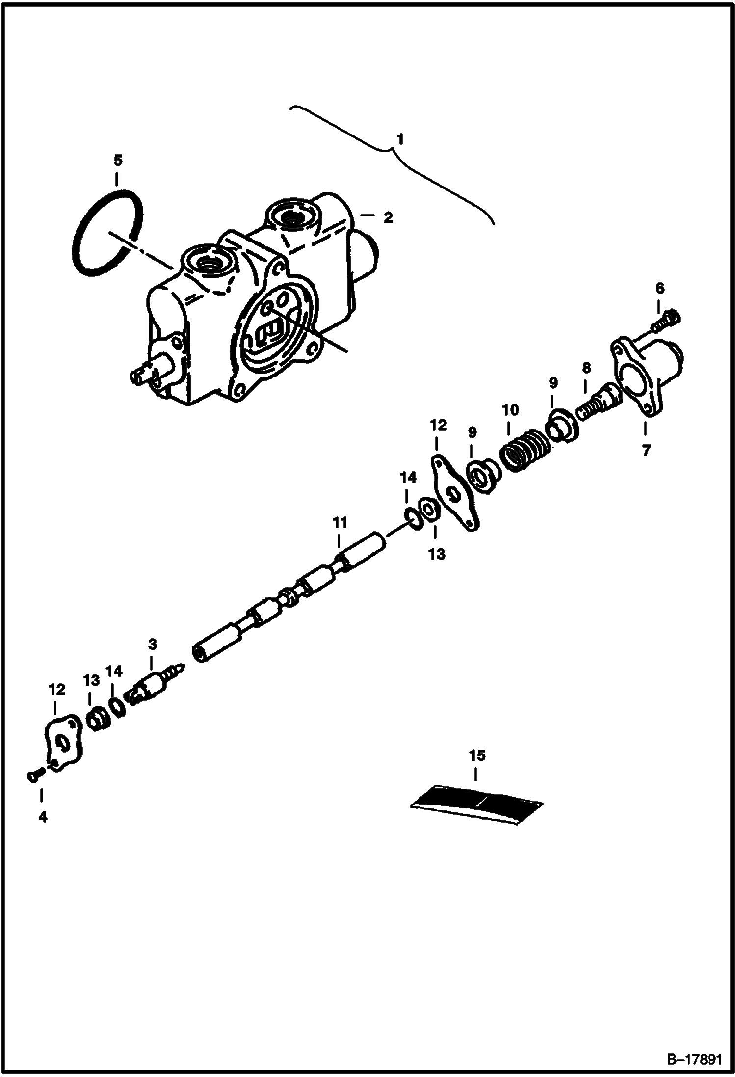
РЕГУЛИРУЮЩИЙ КЛАПАН (9-КАТУШКА) (СЕРИЙНЫЙ НОМЕР 508211437 И ВЫШЕ)

РЕГУЛИРУЮЩИЙ КЛАПАН (9-КАТУШКА) (СЕРИЙНЫЙ НОМЕР 508211437 И ВЫШЕ)

1Артикул: 6655393, VALVE Assy. - Ref. 2-18
2Артикул: 6653098, SECTION Inlet
3Артикул: 6653097, VALVE See Illustration VALVE SECTION/ B17891 R.H. travel
Подробнее >
ГИДРОМОТОР ПОВОРОТА ПЛАТФОРМЫ (МОДЕЛЬ #144-1003-006)

ГИДРОМОТОР ПОВОРОТА ПЛАТФОРМЫ (МОДЕЛЬ #144-1003-006)

1Артикул: 6669539, SWING MOTOR Assy. - W/Ref. 2-37 - Was 6659533 - A
2Артикул: 6659995, SHAFT Assy. - W/Ref. 3-13, 32 & 37
3Артикул: 6656359, SNAP RING
Подробнее >
ХОДОВОЙ ГИДРОМОТОР

ХОДОВОЙ ГИДРОМОТОР

1Артикул: VALVE, VALVE ASSY NSS - Ref. 2-15
2Артикул: BODY, BODY NSS
3Артикул: 6653021, PLUG
Подробнее >
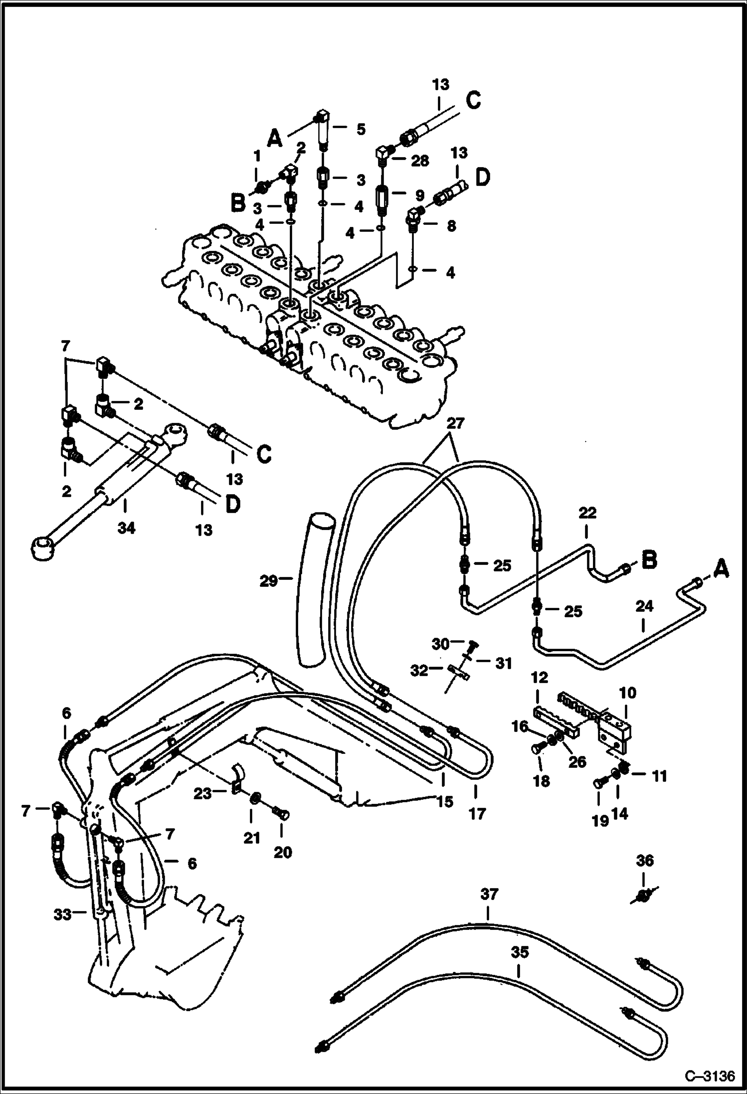
СХЕМА ГИДРАВЛИЧЕСКОЙ СИСТЕМЫ (ИЗ КЛАПАНА В КОВШ В ЦИЛИНДР ПОВОРОТА) (БЕЗ ГИДРОЗАМОКА ЦИЛИНДРА ПОВОРОТА)

СХЕМА ГИДРАВЛИЧЕСКОЙ СИСТЕМЫ (ИЗ КЛАПАНА В КОВШ В ЦИЛИНДР ПОВОРОТА) (БЕЗ ГИДРОЗАМОКА ЦИЛИНДРА ПОВОРОТА)

1Артикул: 6535061, ADAPTER NLA - Was 6535061 - A
2Артикул: 6535062, ELBOW
3Артикул: 6535063, ADAPTER NLA - W/Ref. 4 - Was 6535063 - A
Подробнее >
СХЕМА ГИДРАВЛИЧЕСКОЙ СИСТЕМЫ (КЛАПАН ХОДОВОЙ ГИДРОМОТОРА)

СХЕМА ГИДРАВЛИЧЕСКОЙ СИСТЕМЫ (КЛАПАН ХОДОВОЙ ГИДРОМОТОРА)

1Артикул: MOTOR, MOTOR See Illustration TRAVEL MOTOR/ D1922 See BTIE-049 NLA - travel - Was 6651892 - A
2Артикул: ADAPTER, ADAPTER NLA - W/Ref. 3 - Was 6535101
3Артикул: 79K4, O RING 10 Was 6535102 - A
Подробнее >
СХЕМА ГИДРАВЛИЧЕСКОЙ СИСТЕМЫ (ИЗ КЛАПАНА В ВСПОМОГАТЕЛЬНОЕ ОБОРУДОВАНИЕ)

СХЕМА ГИДРАВЛИЧЕСКОЙ СИСТЕМЫ (ИЗ КЛАПАНА В ВСПОМОГАТЕЛЬНОЕ ОБОРУДОВАНИЕ)

1Артикул: 6534769, PLUG NLA - W/Ref. 17 - Was 6534769 - A
2Артикул: 6803396, SWIVEL JOINT See Illustration SWIVEL JOINT/ B14077 Was 6800517 - A
3Артикул: 6534736, TUBE
Подробнее >
ЦИЛИНДР ПОВОРОТА (ИСХОДНОЕ ОБОРУДОВАНИЕ)

ЦИЛИНДР ПОВОРОТА (ИСХОДНОЕ ОБОРУДОВАНИЕ)

1Артикул: CYLINDER, CYLINDER See BTIE-003 NLA - Ref. 2-19 - Was 6651896 - A
2Артикул: 6652990, GREASE ZERK
3Артикул: ROD, ROD NLA - W/Ref. 4 - Was 6653003 - A
Подробнее >
ЦИЛИНДР КОВША

ЦИЛИНДР КОВША

1Артикул: CYLINDER, CYLINDER NLA - Ref. 2-15 - Order Cyl. Assy. 6588658 - Was 6586439 - A
2Артикул: 6586448, ROD
3Артикул: 6537865, HEAD
Подробнее >
ЦИЛИНДР ПОВОРОТА (BOBCAT)

ЦИЛИНДР ПОВОРОТА (BOBCAT)

1Артикул: CYLINDER, CYLINDER See BTIE-003 NLA - Was 6534460 Ref. 2-14 - A
2Артикул: 6534463, ROD
3Артикул: 6586721, HEAD Was 6534429 - A
Подробнее >
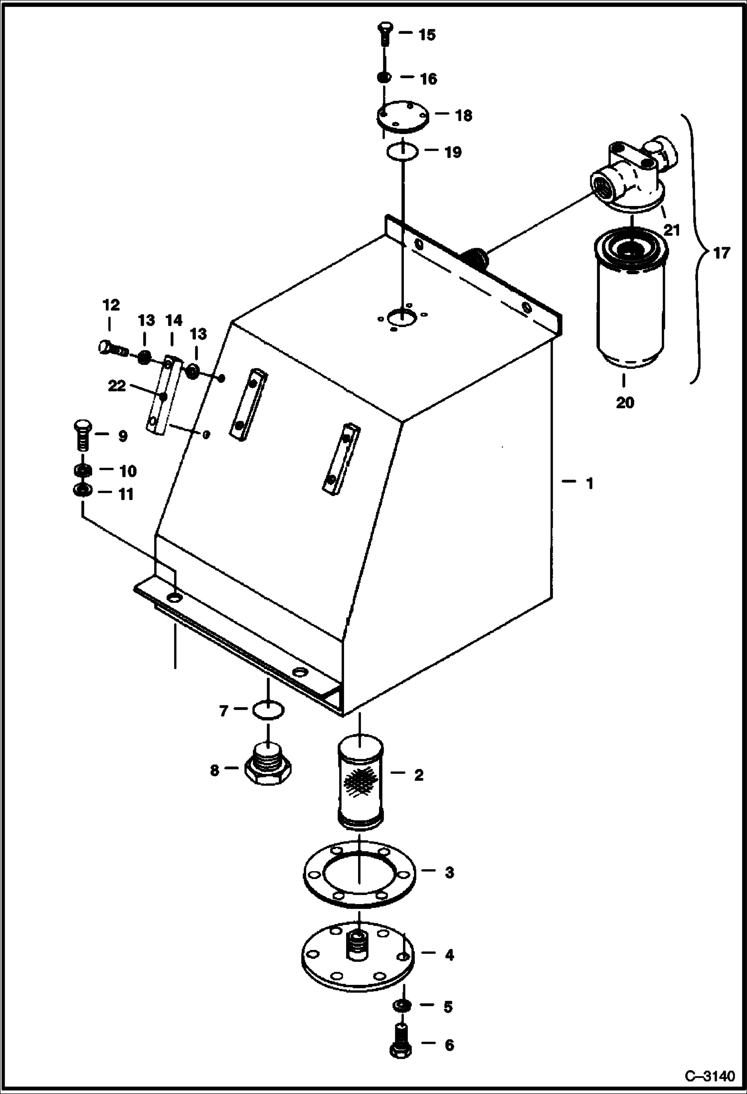
СХЕМА ГИДРАВЛИЧЕСКОЙ СИСТЕМЫ , БАК И ФИЛЬТР (ОТ КЛАПАНА К БАКУ) (СЕРИЙНЫЙ НОМЕР 508211309 И ВЫШЕ)

СХЕМА ГИДРАВЛИЧЕСКОЙ СИСТЕМЫ , БАК И ФИЛЬТР (ОТ КЛАПАНА К БАКУ) (СЕРИЙНЫЙ НОМЕР 508211309 И ВЫШЕ)

1Артикул: 6533941, TANK
2Артикул: 7120881, SCREEN, FILLER W/brass wear collar - Was 6569219 - A
3Артикул: CAP, CAP NLA - locking - W/Ref. 4 - Code GC020 - Order 6662030 - Was 6654373 - A
Подробнее >
СХЕМА ГИДРАВЛИЧЕСКОЙ СИСТЕМЫ (ИЗ КЛАПАНА В КОВШ В ЦИЛИНДР ПОВОРОТА) (С ГИДРОЗАМОКОМ ЦИЛИНДРА ПОВОРОТА)

СХЕМА ГИДРАВЛИЧЕСКОЙ СИСТЕМЫ (ИЗ КЛАПАНА В КОВШ В ЦИЛИНДР ПОВОРОТА) (С ГИДРОЗАМОКОМ ЦИЛИНДРА ПОВОРОТА)

1Артикул: 6535061, ADAPTER NLA - Was 6535061 - A
2Артикул: 6535062, ELBOW
3Артикул: 6535063, ADAPTER NLA - W/Ref. 4 - Was 6535063 - A
Подробнее >
СЕКЦИЯ РАСПРЕДЕЛИТЕЛЯ (ВСПОМОГАТЕЛЬНОЕ ОБОРУДОВАНИЕ, ПОВОРОТНЫЙ МЕХАНИЗМ И РУКОЯТЬ)

СЕКЦИЯ РАСПРЕДЕЛИТЕЛЯ (ВСПОМОГАТЕЛЬНОЕ ОБОРУДОВАНИЕ, ПОВОРОТНЫЙ МЕХАНИЗМ И РУКОЯТЬ)

1Артикул: VALVE, VALVE NLA - Assy., Auxiliary - Ref. 2-15 - Was 6653091 - A
2Артикул: 6655559, VALVE Assy., Auxiliary - Ref. 2-15
3Артикул: 6653090, VALVE Assy., Swivel - Ref. 2-15
Подробнее >
ЦИЛИНДР СТРЕЛЫ (BOBCAT)

ЦИЛИНДР СТРЕЛЫ (BOBCAT)

1Артикул: 6586723, CYLINDER See BTIE-003 Ref. 2-15 - Was 6535779 - A
2Артикул: 6535782, ROD
3Артикул: 6586721, HEAD Was 6534429 - A
Подробнее >
ЦИЛИНДР ОТВАЛА (ИСХОДНОЕ ОБОРУДОВАНИЕ)

ЦИЛИНДР ОТВАЛА (ИСХОДНОЕ ОБОРУДОВАНИЕ)

1Артикул: CYLINDER, CYLINDER See BTIE-003 NLA - Ref. 2-20 - Was 6651897 - A
2Артикул: 6652991, GREASE ZERK
3Артикул: ROD, ROD NLA - W/Ref. 4 - Was 6653007 - A
Подробнее >
ЦИЛИНДР РУКОЯТИ (BOBCAT)

ЦИЛИНДР РУКОЯТИ (BOBCAT)

1Артикул: 6586722, CYLINDER See BTIE-003 Ref. 2-15 - Was 6535709 - A
2Артикул: 6535712, ROD
3Артикул: 6586721, HEAD Was 6534429 - A
Подробнее >
СЕКЦИЯ РАСПРЕДЕЛИТЕЛЯ (ПРАВОСТОРОННИЙ ХОД)

СЕКЦИЯ РАСПРЕДЕЛИТЕЛЯ (ПРАВОСТОРОННИЙ ХОД)

1Артикул: 6653097, VALVE Assy. - Ref. 3-14
2Артикул: HOUSING, HOUSING NSS
3Артикул: 6653085, HEAD
Подробнее >
ФИТТИНГИ ПОВОРОТНОГО СОЕДИНЕНИЯ (ДЛЯ ПОВОРТНОГО СОЕДИНЕНИЯ 6664409 ТОЛЬКО)

ФИТТИНГИ ПОВОРОТНОГО СОЕДИНЕНИЯ (ДЛЯ ПОВОРТНОГО СОЕДИНЕНИЯ 6664409 ТОЛЬКО)

1Артикул: SWIVEL, SWIVEL JOINT
2Артикул: ELBOW, ELBOW NLA - W/Ref. 4 - Was 6665110 - A
3Артикул: 6665111, CONNECTOR W/Ref. 4
Подробнее >
СЕКЦИЯ РАСПРЕДЕЛИТЕЛЯ (ВСПОМОГАТЕЛЬНОЕ ОБОРУДОВАНИЕ, СТРЕЛА, КОВШ, ПОВОРОТ СТРЕЛЫ, И ОТВАЛ)

СЕКЦИЯ РАСПРЕДЕЛИТЕЛЯ (ВСПОМОГАТЕЛЬНОЕ ОБОРУДОВАНИЕ, СТРЕЛА, КОВШ, ПОВОРОТ СТРЕЛЫ, И ОТВАЛ)

1Артикул: 6655560, VALVE Assy - Aux. - Ref. 2-15 - Was 6653086 - A
2Артикул: 6653096, VALVE Assy., Blade - Ref. 2-15
3Артикул: 6653095, VALVE Assy., Boom - Ref. 2-15
Подробнее >
СХЕМА ГИДРАВЛИЧЕСКОЙ СИСТЕМЫ (ИЗ КЛАПАНА В НАСОС)

СХЕМА ГИДРАВЛИЧЕСКОЙ СИСТЕМЫ (ИЗ КЛАПАНА В НАСОС)

1Артикул: PUMP, PUMP See Illustration GEAR PUMP/ B14233 See Illustration GEAR PUMP/ B12778 See BTIE-033 NLA - Was 6651890 - A
2Артикул: 79K10, O RING 10 Was 6535113 - A
3Артикул: 15EM100, WASHER
Подробнее >
СЕКЦИЯ РАСПРЕДЕЛИТЕЛЯ (ОТВАЛ) (СЕРИЙНЫЙ НОМЕР 508211437 И ВЫШЕ)

СЕКЦИЯ РАСПРЕДЕЛИТЕЛЯ (ОТВАЛ) (СЕРИЙНЫЙ НОМЕР 508211437 И ВЫШЕ)

1Артикул: 6655560, VALVE Assy. - Ref. 2-16 - Was 6653086 - A
2Артикул: HOUSING, HOUSING NSS
3Артикул: 6653079, CHECK VALVE
Подробнее >
СХЕМА ГИДРАВЛИЧЕСКОЙ СИСТЕМЫ (ОТ КЛАПАНА В ЦИЛИНДР ОТВАЛА)

СХЕМА ГИДРАВЛИЧЕСКОЙ СИСТЕМЫ (ОТ КЛАПАНА В ЦИЛИНДР ОТВАЛА)

1Артикул: MOTOR, MOTOR See Illustration SWING MOTOR/ D2041A See Illustration SWING MOTOR/ B12743 See BTIE-007 NLA - swing - Was 6651901 - A
2Артикул: ELBOW, ELBOW NLA - Was 6535067 - A
3Артикул: HOSE, HOSE NLA - Was 6535065 - A
Подробнее >
СХЕМА ГИДРАВЛИЧЕСКОЙ СИСТЕМЫ (ИЗ КЛАПАНА В РУКОЯТЬ В ЦИЛИНДР СТРЕЛЫ)

СХЕМА ГИДРАВЛИЧЕСКОЙ СИСТЕМЫ (ИЗ КЛАПАНА В РУКОЯТЬ В ЦИЛИНДР СТРЕЛЫ)

1Артикул: 6535066, ELBOW 90 degrees
2Артикул: 6650108, HOSE COVER 1.25-- (31,75 mm) I.D. - bulk - sold per foot
3Артикул: HOSE, HOSE NLA - Was 6535084 - A
Подробнее >
ТОРМОЗНОЙ КЛАПАН

ТОРМОЗНОЙ КЛАПАН

1Артикул: 6656374, VALVE Assy. - W/Ref. 2-11 - Was 6656371 - A
2Артикул: HOUSING, HOUSING NSS
3Артикул: 994793, POPPET
Подробнее >
ПОВОРОТНОЕ СОЕДИНЕНИЕ (С ПРИВАРЕННЫМ ОГРАНИЧИТЕЛЕМ ПОВОРОТА)

ПОВОРОТНОЕ СОЕДИНЕНИЕ (С ПРИВАРЕННЫМ ОГРАНИЧИТЕЛЕМ ПОВОРОТА)

1Артикул: 6803396, SWIVEL JOINT See BTIE-029 W/Ref. 2-11 - Was 6800517 - A
2Артикул: 6664900, HOUSING
3Артикул: O-RING, O-RING NLA - See Ref. 12
Подробнее >
ПОВОРОТНОЕ СОЕДИНЕНИЕ (СО СТОПОРОМ ШАРНИРНОГО ПАЛЬЦА)

ПОВОРОТНОЕ СОЕДИНЕНИЕ (СО СТОПОРОМ ШАРНИРНОГО ПАЛЬЦА)

1Артикул: SWIVEL, SWIVEL JOINT NLA - Ref. 2-14 - W/Press in Pin - Order 6803396 & 6538801 - Was 6533937 - A
2Артикул: SWIVEL, SWIVEL JOINT See BTIE-029 NLA - Ref. 2-4 & 6-18 - W/Welded on Pin - Was 6658956 - A
3Артикул: BODY, BODY See BTIE-029 NLA - Was 6533946 - A
Подробнее >
ГИДРОМОТОР ПОВОРОТА ПЛАТФОРМЫ

ГИДРОМОТОР ПОВОРОТА ПЛАТФОРМЫ

1Артикул: SWING, SWING MOTOR See BTIE-007 NLA - Order 6669539 (1), 6657374 (3), 6657373 (3), 79K000006B (3) & 76K000113B (6) - Was 6651901 - A
2Артикул: RING, RING NLA - Backup - Order 6690987 - Was 6653287 - A
3Артикул: RING, RING NLA - Order 6690987 - Was 6653286 - A
Подробнее >
ЦИЛИНДР РУКОЯТИ (ИСХОДНОЕ ОБОРУДОВАНИЕ)

ЦИЛИНДР РУКОЯТИ (ИСХОДНОЕ ОБОРУДОВАНИЕ)

1Артикул: CYLINDER, CYLINDER See BTIE-003 NLA - Ref. 2-20 - Was 6651894 - A
2Артикул: 6652990, GREASE ZERK
3Артикул: ROD, ROD NLA - W/Ref. 4 - Was 6652994 - A
Подробнее >
ЦИЛИНДР ОТВАЛА (BOBCAT)

ЦИЛИНДР ОТВАЛА (BOBCAT)

1Артикул: 6587000, CYLINDER Ref. 2-16
2Артикул: 6587003, ROD
3Артикул: 6586721, HEAD Was 5486721 - D
Подробнее >
СХЕМА ГИДРАВЛИЧЕСКОЙ СИСТЕМЫ (ОТ КЛАПАНА К БАКУ) (СЕРИЙНЫЙ НОМЕР 508211001 - 508211308)

СХЕМА ГИДРАВЛИЧЕСКОЙ СИСТЕМЫ (ОТ КЛАПАНА К БАКУ) (СЕРИЙНЫЙ НОМЕР 508211001 - 508211308)

1Артикул: 79K8, O RING 10 Was 6535126 - A
2Артикул: ELBOW, ELBOW NLA - W/Ref. 1 - Was 6535127 - A
3Артикул: 6535066, ELBOW See Ill. B14154 for fitting if swivel joint has been changed to P/N 6664409
Подробнее >
РЕГУЛИРУЮЩИЙ КЛАПАН (10-КАТУШКА) (СЕРИЙНЫЙ НОМЕР 508211001 - 508211436)

РЕГУЛИРУЮЩИЙ КЛАПАН (10-КАТУШКА) (СЕРИЙНЫЙ НОМЕР 508211001 - 508211436)

1Артикул: VALVE, VALVE NLA - Assy. - Ref. 2-18 - Was 6651891 - A
2Артикул: 6653098, SECTION Inlet
3Артикул: 6653097, VALVE See Illustration VALVE SECTION/ B17891 R.H. travel
Подробнее >
ГИДРОМОТОР ПОВОРОТА ПЛАТФОРМЫ (МОДЕЛЬ #144-1001-006)

ГИДРОМОТОР ПОВОРОТА ПЛАТФОРМЫ (МОДЕЛЬ #144-1001-006)

1Артикул: SWING, SWING MOTOR NLA - Assy. - W/Ref. 2-35 - Order 6669539 - Was 6655791 - A
2Артикул: SHAFT, SHAFT See BTIE-013 NLA - Assy. - W/Ref. 3-13 - Order 6671069 - Was 6659995 - A
3Артикул: SNAP, SNAP RING NLA - Order Ref. 2 - Was 6656359 - A
Подробнее >
ГИДРАВЛИЧЕСКИЙ БАК И ФИЛЬТР (СЕРИЙНЫЙ НОМЕР 508211001 - 508211308)

ГИДРАВЛИЧЕСКИЙ БАК И ФИЛЬТР (СЕРИЙНЫЙ НОМЕР 508211001 - 508211308)

1Артикул: 6533807, TANK
2Артикул: 6653106, SCREEN NLA - Filter - Was 6653106 - A
3Артикул: 6534834, GASKET NLA - Was 6534834 - A
Подробнее >
ЦИЛИНДР КОВША (BOBCAT)

ЦИЛИНДР КОВША (BOBCAT)

1Артикул: 6588658, CYLINDER Ref. 2-7
2Артикул: 6588663, ROD
3Артикул: 6539236, HEAD
Подробнее >