+7 (701) 588 50 05 Телефон для связи
RU

WhatsApp

Позвонить

ГИДРОСТАТИЧЕСКАЯ СИСТЕМА в Алматы

ФИЛЬТР ГИДРОСТАТИЧЕСКОГО МАСЛА (БЕЗ B.O.S.S. (ОПЦИЯ))

ФИЛЬТР ГИДРОСТАТИЧЕСКОГО МАСЛА (БЕЗ B.O.S.S. (ОПЦИЯ))

1Артикул: 6661335, FILTER ASSY W/Ref. 2-5 - 50 PSI by-pass, switch & internal check valve
2Артикул: 6632053, SWITCH pressure - Normally open
3Артикул: 6599365, KIT Nut, washer & O-rings for switch
Подробнее >
ФИЛЬТР ГИДРОСТАТИЧЕСКОГО МАСЛА (В СОСТАВЕ ЛИНИИ)

ФИЛЬТР ГИДРОСТАТИЧЕСКОГО МАСЛА (В СОСТАВЕ ЛИНИИ)

1Артикул: 6661022, FILTER, OIL HYD IN-LINE Ref. 2-8
2Артикул: HOUSING, HOUSING NLA
3Артикул: SPRING, SPRING NLA
Подробнее >
ГИДРОСТАТИЧЕСКИЙ НАСОС

ГИДРОСТАТИЧЕСКИЙ НАСОС

1Артикул: PUMP,, PUMP, HYD TANDEM NLA - Model 4445060 - complete W/ 4-bolt flange gear pump - standard flow - must use 6576196 bracket & 6706096 bracket from original pump - Order 7001072 hyd tandem pump & 6673911 gear pump or 6673910REM hyd tandem pump & 6673911 gear pump - Was 6673910 - A
2Артикул: 7001072REM, PUMP, HYD Was 6673910REM
3Артикул: PUMP,, PUMP, HYD TANDEM NLA - Model 4445061 - complete W/ 4-bolt flange gear pump - high flow - must use 6576196 bracket & 6706096 bracket from original pump - Order 7001072 hyd tandem pump & 6673913 gear pump or 6673912REM hyd tandem pump & 6673913 gear pump - Was 6673912 - A
Подробнее >
ФИЛЬТР ГИДРОСТАТИЧЕСКОГО МАСЛА (С B.O.S.S. (ОПЦИЯ))

ФИЛЬТР ГИДРОСТАТИЧЕСКОГО МАСЛА (С B.O.S.S. (ОПЦИЯ))

1Артикул: 6661282, FILTER ASSY. W/Ref. 2-5 - 50 PSI by-pass, switch & internal check valve
2Артикул: 6660260, SWITCH pressure - Normally closed
3Артикул: 6599365, KIT Nut, washer & O-rings for switch
Подробнее >
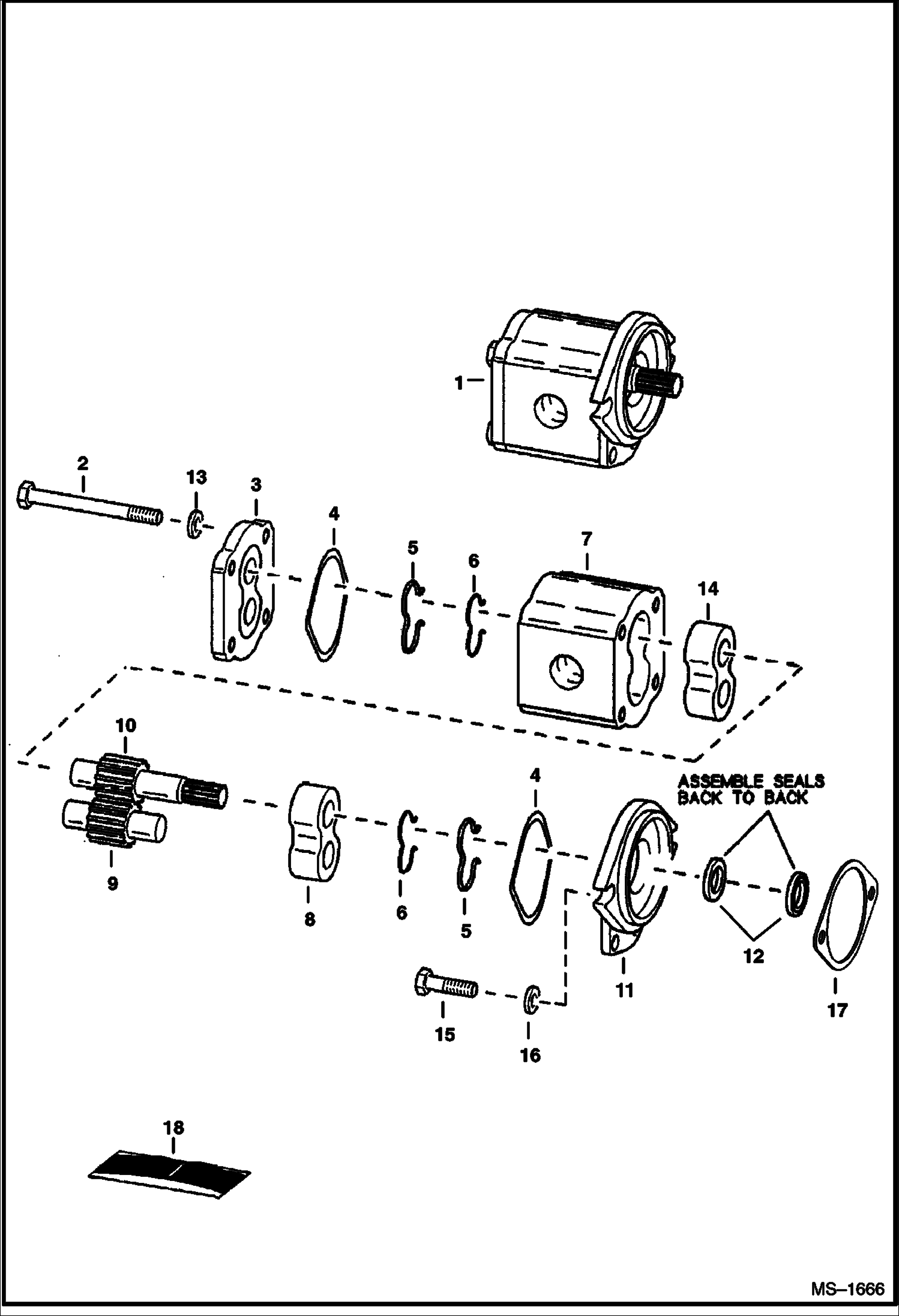
ШЕСТЕРЕННЫЙ НАСОС

ШЕСТЕРЕННЫЙ НАСОС

1Артикул: 6673911, PUMP B5501-37255 - 4-bolt flange - W/Ref. 2-14 - for Model 4445060 - Standard flow
2Артикул: 6673913, PUMP 4-bolt flange - W/Ref. 2-14 - for Model 4445061 - High Horsepower Option
3Артикул: BOLT, BOLT NSS
Подробнее >
ТОРМОЗНОЙ КЛАПАН

ТОРМОЗНОЙ КЛАПАН

1Артикул: FILTER, FILTER ASSY NLA - Ref. 2-6 - Was 6676495 - A
2Артикул: 6679103, VALVE, BRAKE Ref. 2-6
3Артикул: BLOCK, BLOCK NSS - Order Ref. 1
Подробнее >
ГИДРОСТАТИЧЕСКИЙ ДВИГАТЕЛЬ И ТОРМОЗ

ГИДРОСТАТИЧЕСКИЙ ДВИГАТЕЛЬ И ТОРМОЗ

1Артикул: MOTOR, MOTOR See BTI378 NLA - Model 80687532 - W/ twin distributor seals - Was 6680250 - A
2Артикул: 6690156REM, MOTOR, DRIVE HYD model R921810503R - Was 7109868REM - A
3Артикул: 6680019, PLUG
Подробнее >
УСТРОЙСТВА РУЧНОГО УПРАВЛЕНИЯ (M44 НАСОС)

УСТРОЙСТВА РУЧНОГО УПРАВЛЕНИЯ (M44 НАСОС)

1Артикул: 6702543, LEVER, STEERING
2Артикул: BELLCRANK, BELLCRANK NLA - .8725-- (22,2 mm) I.D. hole for Ref. 29 (6665701 bushing) - Use W/Ref. 8 (6673710 bearing) & Ref. 9 (6518200 grease zerk) - Order 7110571 bellcrank, Ref. 9 (10H35 grease zerk), Ref. 28 (619021 washer), Ref. 29 (6678067 bushing) & (2) of Ref. 8 (6703879 bushing) - Was 6716977 - A
3Артикул: BELLCRANK, BELLCRANK NLA - 1.0475-- (26,2 mm) I.D. hole for Ref. 29 (6678067 bushing) - Use W/Ref. 8 (6673710 bearing) & Ref. 9 (6518200 grease zerk) - Order 7110571 bellcrank, Ref. 9 (10H35 grease zerk) & (2) of Ref. 8 (6703879 bushing) - Was 7101048 - A
Подробнее >
СХЕМА ГИДРОСТАТИЧЕСКОЙ СИСТЕМЫ

СХЕМА ГИДРОСТАТИЧЕСКОЙ СИСТЕМЫ

1Артикул: 6667896, EXCHANGER, OIL COOLER
2Артикул: 11K8, ELBOW Was 11KN00008B - A
3Артикул: 6716436, HOSE
Подробнее >