ГИДРОСТАТИЧЕСКИЙ НАСОС — Продажа в Казахстане Цены от официального дилера с доставкой в Алматы, Астану и регионы
×
❮
❯
Характеристики и описание
Габариты, схема
Техническая документация
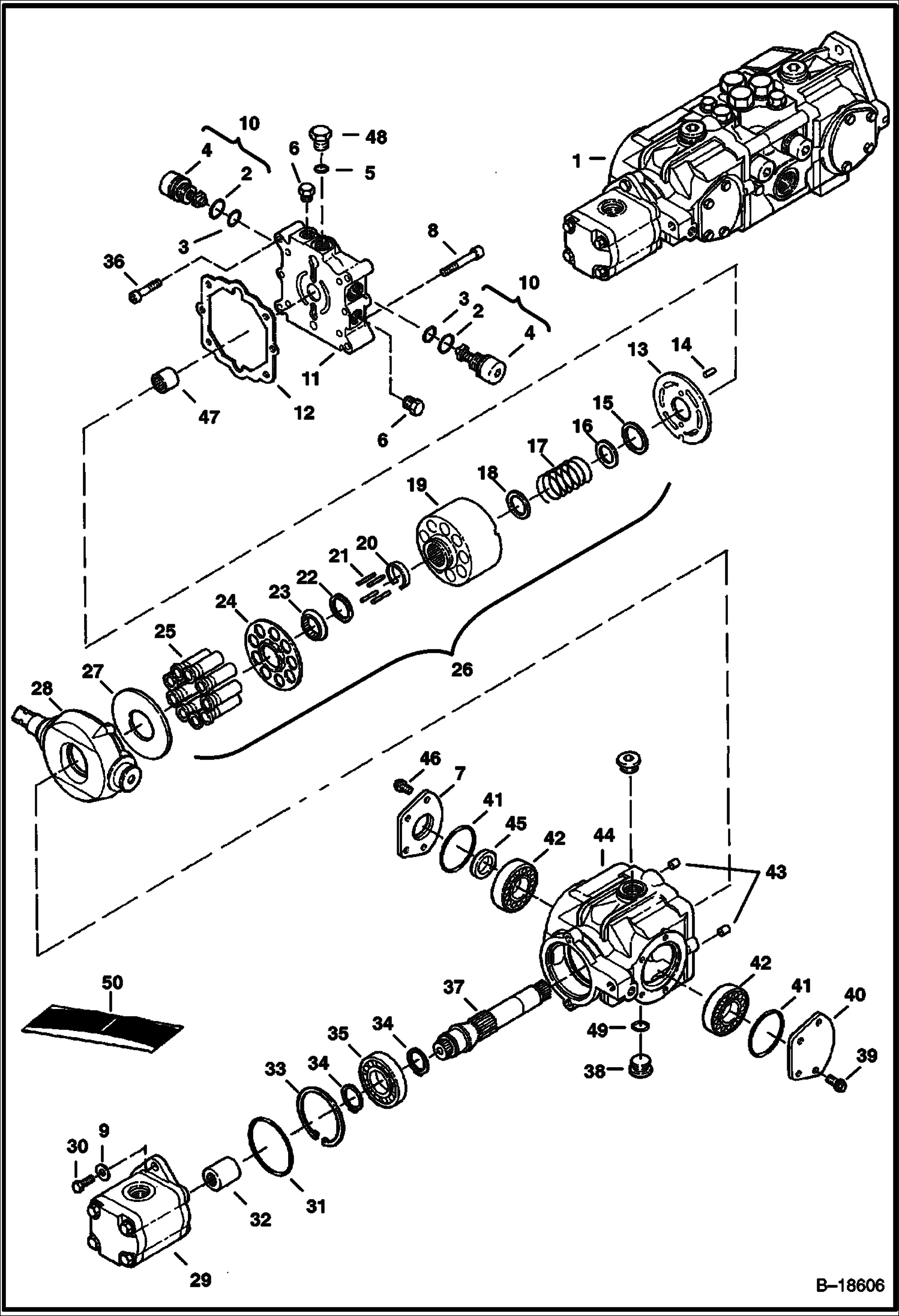
| 1 | Артикул: PUMP,, PUMP, HYD TANDEM NLA - Model 4445060 - complete W/ 4-bolt flange gear pump - standard flow - must use 6576196 bracket & 6706096 bracket from original pump - Order 7001072 hyd tandem pump & 6673911 gear pump or 6673910REM hyd tandem pump & 6673911 gear pump - Was 6673910 - A |
| 2 | Артикул: 7001072REM, PUMP, HYD Was 6673910REM |
| 3 | Артикул: PUMP,, PUMP, HYD TANDEM NLA - Model 4445061 - complete W/ 4-bolt flange gear pump - high flow - must use 6576196 bracket & 6706096 bracket from original pump - Order 7001072 hyd tandem pump & 6673913 gear pump or 6673912REM hyd tandem pump & 6673913 gear pump - Was 6673912 - A |
| 4 | Артикул: 7001072REM, PUMP, HYD Was 6673912REM |
| 5 | Артикул: 6657028, O-RING |
| 6 | Артикул: 79K8, O RING 10 |
| 7 | Артикул: PLUG, PLUG NLA - Order Ref. 10 |
| 8 | Артикул: 79K14, O RING 10 |
| 9 | Артикул: 6645086, PLUG |
| 10 | Артикул: 6657067, COVER W/Ref. 45 |
| 11 | Артикул: 6650637, BOLT |
| 12 | Артикул: 6518483, WASHER |
| 13 | Артикул: 6672535, RELIEF VALVE 4712 PSI (325 bar) |
| 14 | Артикул: 6669405, CAP, END |
| 15 | Артикул: 6650634, GASKET |
| 16 | Артикул: VALVE,, VALVE, PLATE See BTI361 - NLA - Was 6675339 - A |
| 17 | Артикул: 6650636, PIN |
| 18 | Артикул: RETAINER, RETAINER NLA - Order Ref. 26 |
| 19 | Артикул: WASHER, WASHER NLA - Order Ref. 26 |
| 20 | Артикул: SPRING, SPRING NLA - Order Ref. 26 |
| 21 | Артикул: WASHER, WASHER NLA - Order Ref. 26 |
| 22 | Артикул: BLOCK, BLOCK NLA - Order Ref. 26 |
| 23 | Артикул: 6650630, RETAINER |
| 24 | Артикул: 6650629, PIN |
| 25 | Артикул: 6666338, WASHER |
| 26 | Артикул: RETAINER, RETAINER NLA - Order Ref. 26 |
| 27 | Артикул: RETAINER, RETAINER NLA - Order Ref. 26 |
| 28 | Артикул: PISTON, PISTON ASSY NLA - Order Ref. 26 |
| 29 | Артикул: 6671512, GROUP, ROTARY Ref. 15 - 25 |
| 30 | Артикул: 6650627, PLATE |
| 31 | Артикул: 7284937, SWASHPLATE W/threaded shaft hole - Was 6685344 - A |
| 32 | Артикул: 6672829, GEAR PUMP See Illustration GEAR PUMP/ MS1666 for standard flow |
| 33 | Артикул: 6672830, GEAR PUMP See Illustration GEAR PUMP/ MS1666 for high flow option |
| 34 | Артикул: 17C620, BOLT |
| 35 | Артикул: 6645080, O-RING |
| 36 | Артикул: 6671509, COUPLER |
| 37 | Артикул: 669863, RING, SNAP |
| 38 | Артикул: 658128, RING, SNAP |
| 39 | Артикул: 654299, BEARING |
| 40 | Артикул: 6652018, BOLT |
| 41 | Артикул: 6669407, SHAFT |
| 42 | Артикул: 47K8, PLUG W/Ref. 49 |
| 43 | Артикул: 6650668, BOLT |
| 44 | Артикул: 6657068, COVER |
| 45 | Артикул: 6660814, O-RING |
| 46 | Артикул: 6669411, BEARING |
| 47 | Артикул: 6518460, PIN |
| 48 | Артикул: 6669403, HOUSING |
| 49 | Артикул: 6678226, SEAL, OIL Was 6673881 - A |
| 50 | Артикул: 1CM820, BOLT |
| 51 | Артикул: 6650635, BEARING |
| 52 | Артикул: 24K7, PLUG W/Ref. 5 |
| 53 | Артикул: 79K12, O RING 10 |
| 54 | Артикул: 7296604, KIT, SEAL See Illustration HYDROSTATIC PUMP/ B18603 - Ref. 7, 9, 13, 34, 35, 42, 43, 45 & 46 - Also includes Ref. 2, 3, 12 & 41 on this page - Was 6671516 - A |
ГИДРОСТАТИЧЕСКИЙ НАСОС: Техника, которая работает на результат
ГИДРОСТАТИЧЕСКИЙ НАСОС на Bobcat 800s Bobcat 864 516911001 И ВЫШЕГабаритные размеры
Нажмите на схему для увеличения
Документация
Документация временно недоступна.
Похожая техника в категории: ГИДРОСТАТИЧЕСКАЯ СИСТЕМА (Bobcat)
ФИЛЬТР ГИДРОСТАТИЧЕСКОГО МАСЛА (БЕЗ B.O.S.S. (ОПЦИЯ))
1Артикул: 666133...
2Артикул: 663205...
3Артикул: 659936...
Подробнее >
ФИЛЬТР ГИДРОСТАТИЧЕСКОГО МАСЛА (В СОСТАВЕ ЛИНИИ)
1Артикул: 666102...
2Артикул: HOUSIN...
3Артикул: SPRING...
Подробнее >
ФИЛЬТР ГИДРОСТАТИЧЕСКОГО МАСЛА (С B.O.S.S. (ОПЦИЯ))
1Артикул: 666128...
2Артикул: 666026...
3Артикул: 659936...
Подробнее >
ШЕСТЕРЕННЫЙ НАСОС
1Артикул: 667391...
2Артикул: 667391...
3Артикул: BOLT, ...
Подробнее >
ТОРМОЗНОЙ КЛАПАН
1Артикул: FILTER...
2Артикул: 667910...
3Артикул: BLOCK,...
Подробнее >
ГИДРОСТАТИЧЕСКИЙ ДВИГАТЕЛЬ И ТОРМОЗ
1Артикул: MOTOR,...
2Артикул: 669015...
3Артикул: 668001...
Подробнее >
УСТРОЙСТВА РУЧНОГО УПРАВЛЕНИЯ (M44 НАСОС)
1Артикул: 670254...
2Артикул: BELLCR...
3Артикул: BELLCR...
Подробнее >
СХЕМА ГИДРОСТАТИЧЕСКОЙ СИСТЕМЫ
1Артикул: 666789...
2Артикул: 11K8, ...
3Артикул: 671643...
Подробнее >