+7 (701) 588 50 05 Телефон для связи
RU

WhatsApp

Позвонить

ГИДРОСТАТИЧЕСКАЯ СИСТЕМА в Алматы

ГИДРОСТАТИЧЕСКИЙ ДВИГАТЕЛЬ (SUNDSTRAND - КОРПУС)

ГИДРОСТАТИЧЕСКИЙ ДВИГАТЕЛЬ (SUNDSTRAND - КОРПУС)

1Артикул: 6664553, SEAL Was 6661471 - A
2Артикул: 6664597, FLANGE Was 6661470 - A
3Артикул: BEARING, BEARING NSS - Order Ref. 31 - Was 6661468 - A
Подробнее >
ГИДРОСТАТИЧЕСКИЙ НАСОС (SUNDSTRAND)

ГИДРОСТАТИЧЕСКИЙ НАСОС (SUNDSTRAND)

1Артикул: PUMP, PUMP NLA - Includes 6660796 variable pump and 6660378 gear pump - Order 6671018REM - Was 6660416 - A
2Артикул: 6671018REM, PUMP, HYD, W/O GEAR PUMP Variable - Without gear pump - Was 6660796 - A
3Артикул: 6662171, KIT Rotating group - W/Ref. 3 - 15
Подробнее >
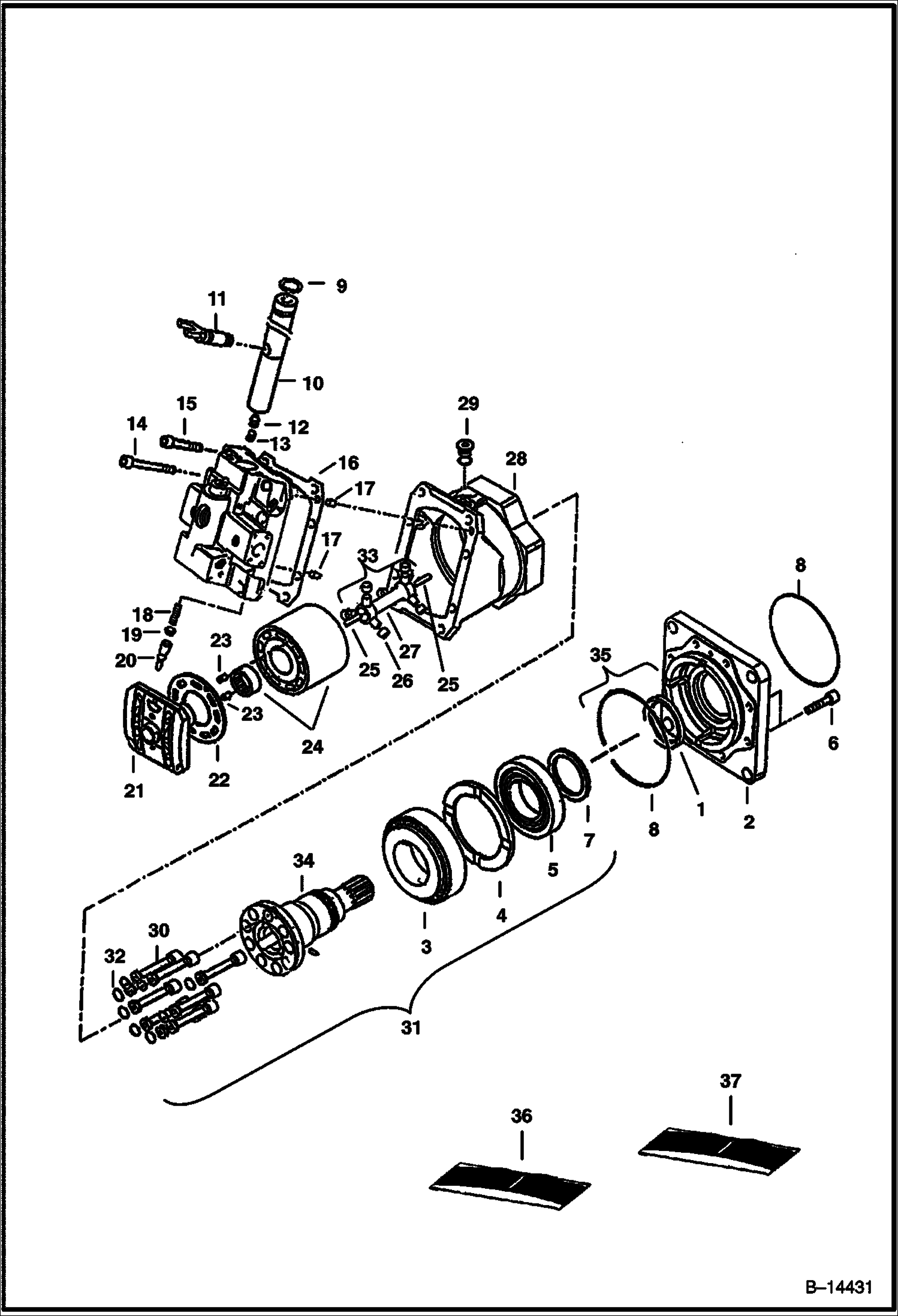
ГИДРОСТАТИЧЕСКИЙ ДВИГАТЕЛЬ (SUNDSTRAND - ТОРЦЕВАЯ ЗАГЛУШКА В СБОРЕ)

ГИДРОСТАТИЧЕСКИЙ ДВИГАТЕЛЬ (SUNDSTRAND - ТОРЦЕВАЯ ЗАГЛУШКА В СБОРЕ)

1Артикул: MOTOR, MOTOR NLA - W/Ref. 2-50 & Ref. 1-34 on Ill. B14431 - Was 6660767 - A
2Артикул: 6661484, PLUG W/Ref. 3
3Артикул: 6661485, O-RING
Подробнее >
ТОРМОЗ

ТОРМОЗ

1Артикул: 6661193, BRAKE ASSY. W/Ref. 2 - 20
2Артикул: 6661364, SNAP RING
3Артикул: DOWEL, DOWEL PIN NLA - Was6646677 - A
Подробнее >
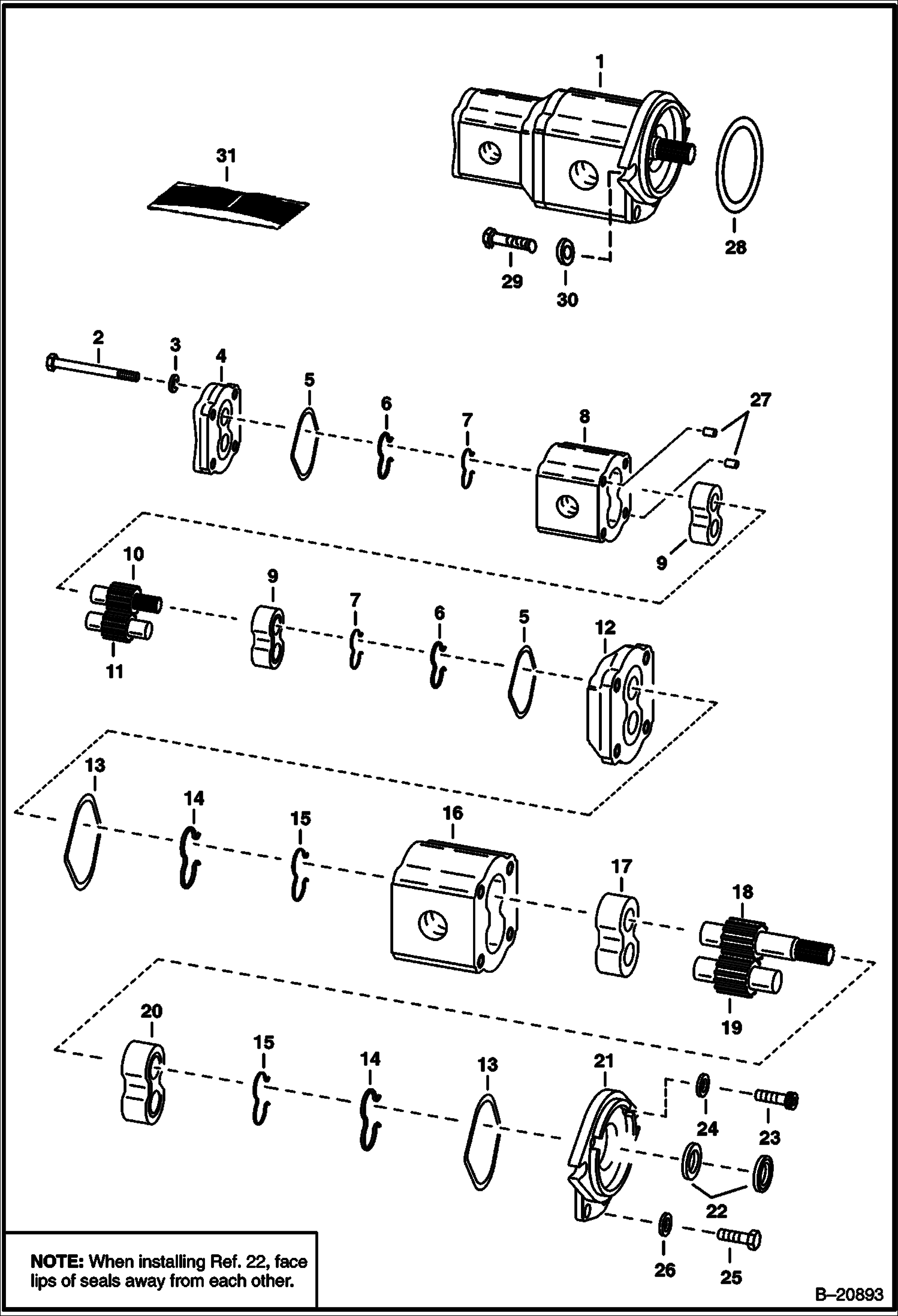
ШЕСТЕРЕННЫЙ НАСОС (ДВОЙНОЙ)

ШЕСТЕРЕННЫЙ НАСОС (ДВОЙНОЙ)

1Артикул: 6665552, PUMP double - Ref. 2 - 27 - Was 6660378 - A
2Артикул: BOLT, BOLT NSS
3Артикул: WASHER, WASHER NSS
Подробнее >
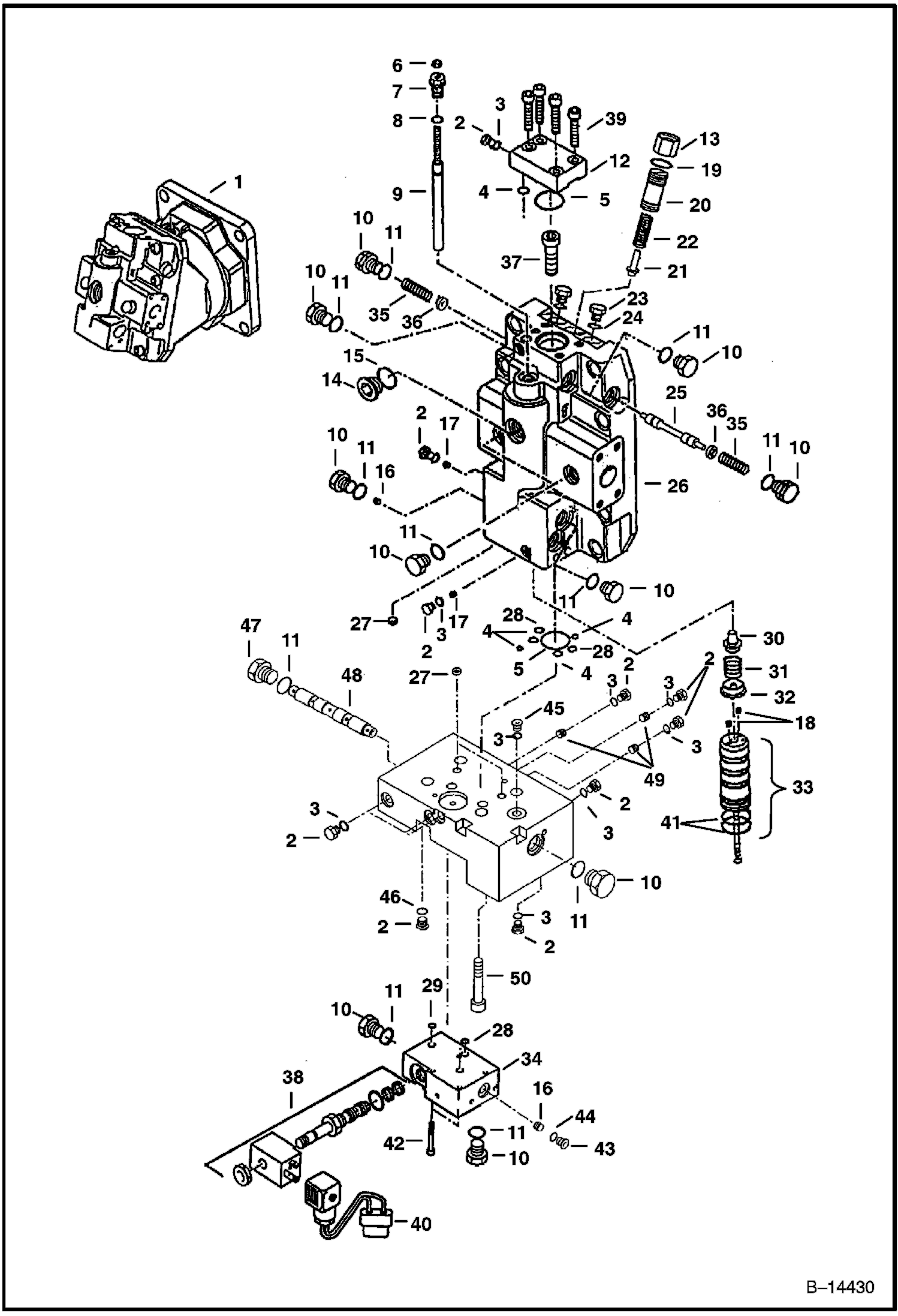
УСТРОЙСТВА УПРАВЛЕНИЯ ГИДРОСТАТИЧЕСКОГО ПРИВОДА

УСТРОЙСТВА УПРАВЛЕНИЯ ГИДРОСТАТИЧЕСКОГО ПРИВОДА

1Артикул: 83D5, NUT 5
2Артикул: 6588175, LEVER Was 6539537 - C
3Артикул: 17C610, BOLT
Подробнее >
ГИДРАВЛИЧЕСКИЙ БАК И ЭЛЕКТРОСХЕМЫ

ГИДРАВЛИЧЕСКИЙ БАК И ЭЛЕКТРОСХЕМЫ

1Артикул: 6585999, TANK
2Артикул: 6646577, ADAPTER
3Артикул: HOSE, HOSE NLA - 19-- (482 mm) long - Order Ref. 19
Подробнее >
ФИЛЬТР ГИДРОСТАТИЧЕСКОГО МАСЛА

ФИЛЬТР ГИДРОСТАТИЧЕСКОГО МАСЛА

1Артикул: 6646580, FILTER ASSY. W/Ref. 2-5
2Артикул: 6632053, SWITCH pressure
3Артикул: VALVE, VALVE NLA - by-pass - 50 PSI - Order Ref. 1
Подробнее >
СХЕМА ГИДРОСТАТИЧЕСКОЙ СИСТЕМЫ

СХЕМА ГИДРОСТАТИЧЕСКОЙ СИСТЕМЫ

1Артикул: 6657082, SWITCH Hyd, temp - 230 degrees F
2Артикул: 6587398, ADAPTER
3Артикул: PUMP, PUMP See Illustration HYDROSTATIC PUMP/ B13779
Подробнее >