+7 (701) 588 50 05 Телефон для связи
RU

WhatsApp

Позвонить

ГИДРОСТАТИЧЕСКАЯ СИСТЕМА в Алматы

ФИЛЬТР ГИДРОСТАТИЧЕСКОГО МАСЛА (СЕРИЙНЫЙ НОМЕР 5158 30001-34999, 5162 20001-21999)

ФИЛЬТР ГИДРОСТАТИЧЕСКОГО МАСЛА (СЕРИЙНЫЙ НОМЕР 5158 30001-34999, 5162 20001-21999)

1Артикул: 6661247, FILTER W/Ref. 2 - 5 (50 PSI by-pass & switch)
2Артикул: 6660260, SWITCH pressure - Normally closed
3Артикул: 6599365, KIT Nut, washer & o-rings for 6660260 switch
Подробнее >
ОРГАНЫ РУЧНОГО УПРАВЛЕНИЯ

ОРГАНЫ РУЧНОГО УПРАВЛЕНИЯ

1Артикул: 6702543, LEVER, STEERING
2Артикул: BELLCRANK, BELLCRANK NLA - W/ Notch for bushing tab - Order 7110571 Bellcrank, Ref. 9 (10H000035B Grease Zerk), Ref. 28 (619021B Washer) & Ref. 29 (6678067 Bushing) - Was 6703880 - A
3Артикул: BELLCRANK, BELLCRANK NLA - W/ Notch for bushing tab - Use W/Ref. 9 (6518200 Grease Zerk) - Order 7110571 Bellcrank & Ref. 9 (10H000035B Grease Zerk) - Was 7101047 - A
Подробнее >
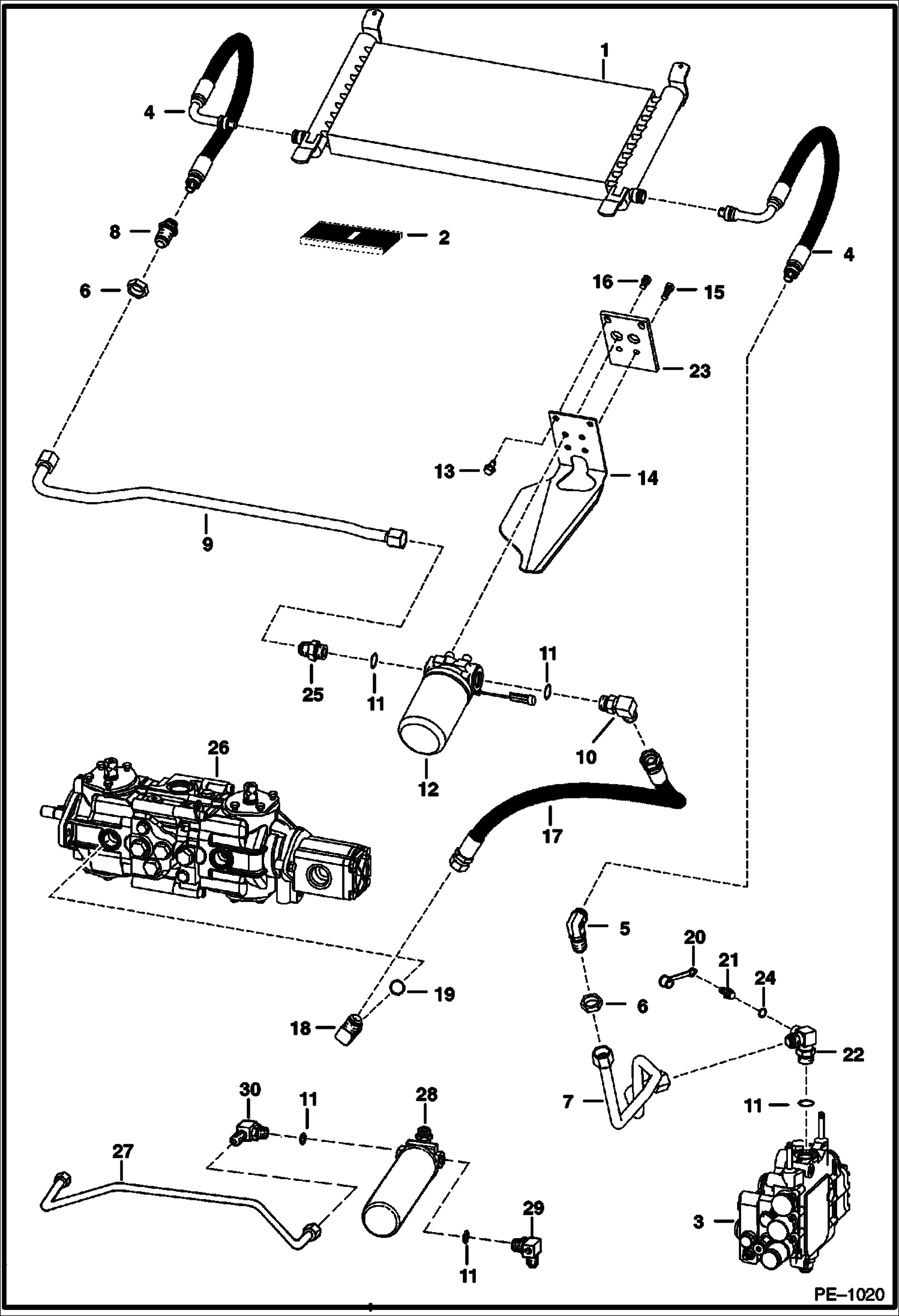
СХЕМА ГИДРОСТАТИЧЕСКОЙ СИСТЕМЫ (СЕРИЙНЫЙ НОМЕР 5158 30001-44249, 5162 20001-26049)

СХЕМА ГИДРОСТАТИЧЕСКОЙ СИСТЕМЫ (СЕРИЙНЫЙ НОМЕР 5158 30001-44249, 5162 20001-26049)

1Артикул: 6674150, EXCHANGER, OIL COOLER
2Артикул: 6674798, REPAIR KIT For Ref. 1, 5 or 8 - includes internal retaining ring (1), back-up ring (1) & O-ring (1)
3Артикул: VALVE, VALVE See Illustration HYDRAULIC CONTROL VALVE/ B17113 HYD. CONTROL
Подробнее >
ФИЛЬТР ГИДРОСТАТИЧЕСКОГО МАСЛА (СЕРИЙНЫЙ НОМЕР 5158 35000 И ВЫШЕ, 5162 22000 И ВЫШЕ)

ФИЛЬТР ГИДРОСТАТИЧЕСКОГО МАСЛА (СЕРИЙНЫЙ НОМЕР 5158 35000 И ВЫШЕ, 5162 22000 И ВЫШЕ)

1Артикул: 6676969, FILTER W/Ref. 2 - 5 (50 PSI by-pass & switch)
2Артикул: 6660260, SWITCH pressure - normally open
3Артикул: VALVE, VALVE NLA - by-pass (50 PSI - Order Ref. 1)
Подробнее >
СХЕМА ГИДРОСТАТИЧЕСКОЙ СИСТЕМЫ (СЕРИЙНЫЙ НОМЕР 5158 44250 И ВЫШЕ, 5162 26050 И ВЫШЕ)

СХЕМА ГИДРОСТАТИЧЕСКОЙ СИСТЕМЫ (СЕРИЙНЫЙ НОМЕР 5158 44250 И ВЫШЕ, 5162 26050 И ВЫШЕ)

1Артикул: 7108991, TANK W/vented breather cap & non vented fill cap - Was 6732278 - A
2Артикул: 6577459, DIPSTICK W/Ref. 28
3Артикул: 6728149, CAP , HYD NON VENTED breather
Подробнее >
ГИДРОСТАТИЧЕСКИЙ ДВИГАТЕЛЬ

ГИДРОСТАТИЧЕСКИЙ ДВИГАТЕЛЬ

1Артикул: 6682034, MOTOR Ref. 2-27
2Артикул: 6689697, HOUSING, MOTOR W/Ref. 3-7 - Was 6685063 - B,D
3Артикул: 6668079, PLUG, MOTOR W/Ref. 4
Подробнее >
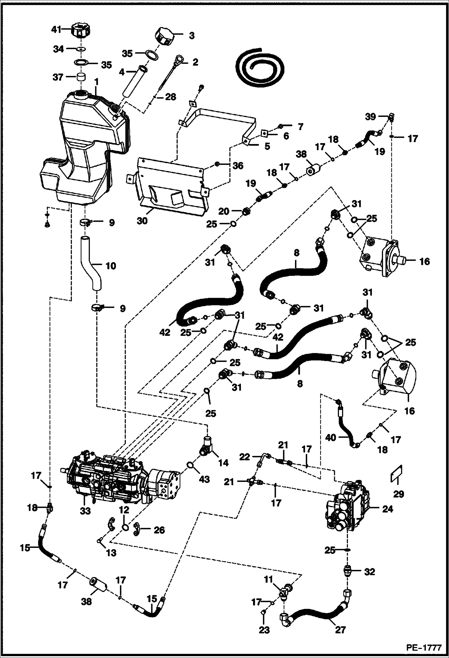
СХЕМА ГИДРОСТАТИЧЕСКОЙ СИСТЕМЫ (СЕРИЙНЫЙ НОМЕР 515830001-515844249, 516220001-516226049)

СХЕМА ГИДРОСТАТИЧЕСКОЙ СИСТЕМЫ (СЕРИЙНЫЙ НОМЕР 515830001-515844249, 516220001-516226049)

1Артикул: TANK, TANK See Illustration HYDROSTATIC CIRCUITRY/ PE1777 NLA - .93-- I.D. suction outlet - W/vented fill cap & breather cap - Order 6732278 tank,6728149 cap, 6701552 baffle, 6700631 gasket, 6703427 foam filter & 7104917 hose - Was 6718318 - D
2Артикул: 6577459, DIPSTICK W/Ref. 30
3Артикул: 6577785, CAP breather - Also Order Ref. 37 - Use W/Ref. 1 tank W/vented fill cap and breather cap - Was 6727475 - B,D
Подробнее >
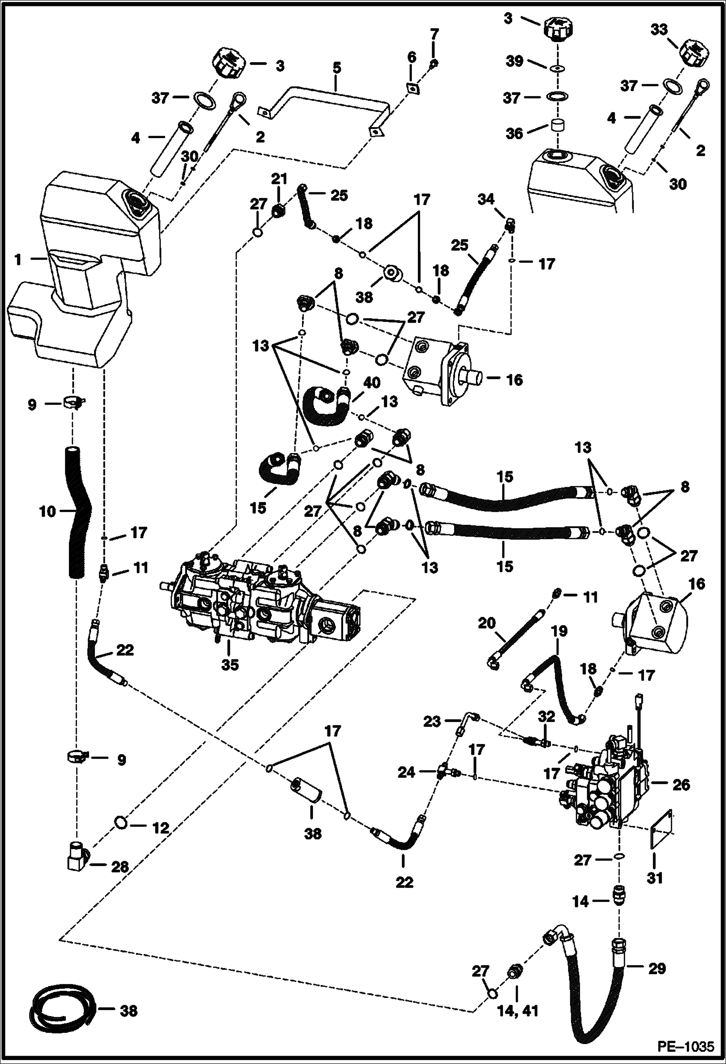
ГИДРОСТАТИЧЕСКИЙ НАСОС

ГИДРОСТАТИЧЕСКИЙ НАСОС

1Артикул: PUMP,, PUMP, HYD TANDEM NLA - Model 4445050 - W/aluminum gear pump - Order 6672051REM pump - must use 6576196 bracket & 6706096 bracket from original pump - Was 6672051 - A
2Артикул: 7001067REM, PUMP, HYD Was 6672051REM
3Артикул: PUMP, PUMP NLA - Model 4445132 - W/cast iron gear pump - Order 6686702 pump or 6686702REM pump - must use 6576196 bracket & 6706096 bracket from original pump - Was 6681635 - A
Подробнее >
СХЕМА ГИДРОСТАТИЧЕСКОЙ СИСТЕМЫ (СЕРИЙНЫЙ НОМЕР 5158 44250И ВЫШЕ, 5162 26050 И ВЫШЕ)

СХЕМА ГИДРОСТАТИЧЕСКОЙ СИСТЕМЫ (СЕРИЙНЫЙ НОМЕР 5158 44250И ВЫШЕ, 5162 26050 И ВЫШЕ)

1Артикул: 6674150, EXCHANGER, OIL COOLER
2Артикул: 6674798, REPAIR KIT For Ref. 1, 5 or 8 - includes internal retaining ring (1), back-up ring (1) & O-ring (1)
3Артикул: VALVE, VALVE See Illustration HYDRAULIC CONTROL VALVE/ B17116A HYD. CONTROL
Подробнее >
ШЕСТЕРЕННЫЙ НАСОС (СЕРИЙНЫЙ НОМЕР 5158 44250 И ВЫШЕ, 5162 26050 И ВЫШЕ)

ШЕСТЕРЕННЫЙ НАСОС (СЕРИЙНЫЙ НОМЕР 5158 44250 И ВЫШЕ, 5162 26050 И ВЫШЕ)

1Артикул: PUMP, PUMP See Illustration HYDROSTATIC PUMP/ D2377 NLA - CAST IRON - MODEL 163D-1286 - USE W/(NLA/6681635 PUMP) - Was 6681580 - A
2Артикул: PUMP, PUMP See Illustration HYDROSTATIC PUMP/ D2377 NLA - CAST IRON - MODEL 163D-1309 - USE W/(NLA/6681635 PUMP) & 6685032 PUMP - Was 6681602 - A
3Артикул: 6686703, PUMP, GEAR Model 163D-1483 - cast iron
Подробнее >
ФИЛЬТР ГИДРОСТАТИЧЕСКОГО МАСЛА (В СОСТАВЕ ЛИНИИ)

ФИЛЬТР ГИДРОСТАТИЧЕСКОГО МАСЛА (В СОСТАВЕ ЛИНИИ)

1Артикул: 6661022, FILTER, OIL HYD IN-LINE Ref. 2-8
2Артикул: HOUSING, HOUSING NLA
3Артикул: SPRING, SPRING NLA
Подробнее >
ШЕСТЕРЕННЫЙ НАСОС (СЕРИЙНЫЙ НОМЕР 5158 30001-44249, 5162 20001-26049)

ШЕСТЕРЕННЫЙ НАСОС (СЕРИЙНЫЙ НОМЕР 5158 30001-44249, 5162 20001-26049)

1Артикул: 6672513, PUMP See Illustration HYDROSTATIC PUMP/ D2376 ALUMINUM - MODEL B5501-36836 - USE W/6672051 PUMP
2Артикул: 6671042, SEAL KIT
Подробнее >