+7 (701) 588 50 05 Телефон для связи
RU

WhatsApp

Позвонить

Продажа: ГИДРОСТАТИЧЕСКАЯ СИСТЕМА в Алматы и Астане Цены официального дилера с доставкой по всему Казахстану

Официальный дилер Все запчасти в наличии Лизинг / Рассрочка Сервис и гарантия
Спецтехника ОРГАНЫ РУЧНОГО УПРАВЛЕНИЯ от Globus Machinery

ОРГАНЫ РУЧНОГО УПРАВЛЕНИЯ

1Артикул: 97D6, NUT...
2Артикул: THROTTLE,...
3Артикул: 35C616, B...
Подробнее >
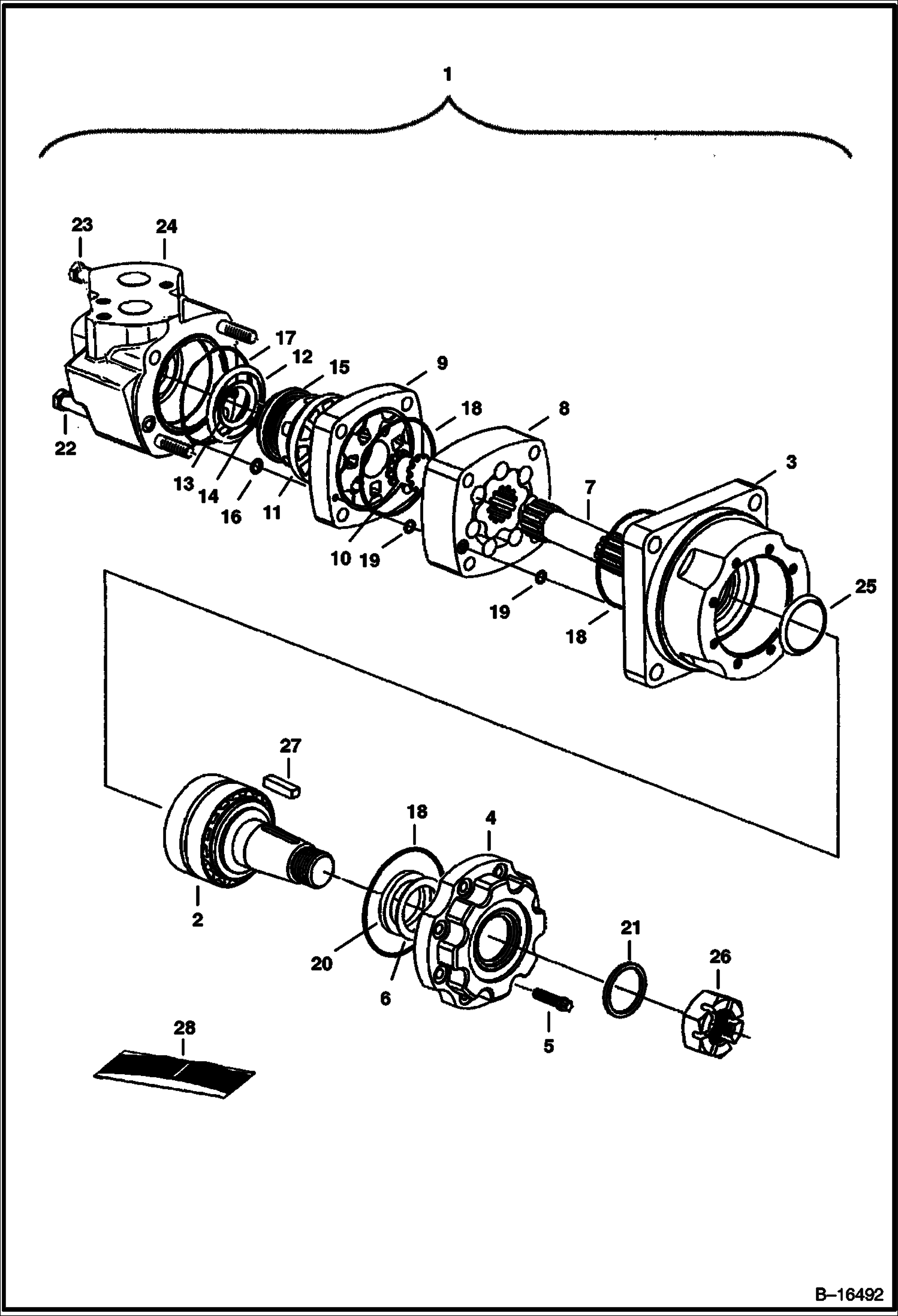
Спецтехника СХЕМА ГИДРОСТАТИЧЕСКОЙ СИСТЕМЫ от Globus Machinery

СХЕМА ГИДРОСТАТИЧЕСКОЙ СИСТЕМЫ

1Артикул: DRIVE, DR...
2Артикул: 6680245, ...
3Артикул: 6682151, ...
Подробнее >
Спецтехника ПРИВОДНОЙ ЭЛЕКТРОДВИГАТЕЛЬ (110-1197-006) от Globus Machinery

ПРИВОДНОЙ ЭЛЕКТРОДВИГАТЕЛЬ (110-1197-006)

1Артикул: 6680104, ...
2Артикул: 6669423, ...
3Артикул: 6680167, ...
Подробнее >