+7 (701) 588 50 05 Телефон для связи
RU

WhatsApp

Позвонить

ОРГАНЫ РУЧНОГО УПРАВЛЕНИЯ — Продажа в Казахстане Цены от официального дилера с доставкой в Алматы, Астану и регионы

Техника доступна в:
Полный спектр услуг:
Для Вашего удобства:
Характеристики и описание
Габариты, схема
Техническая документация
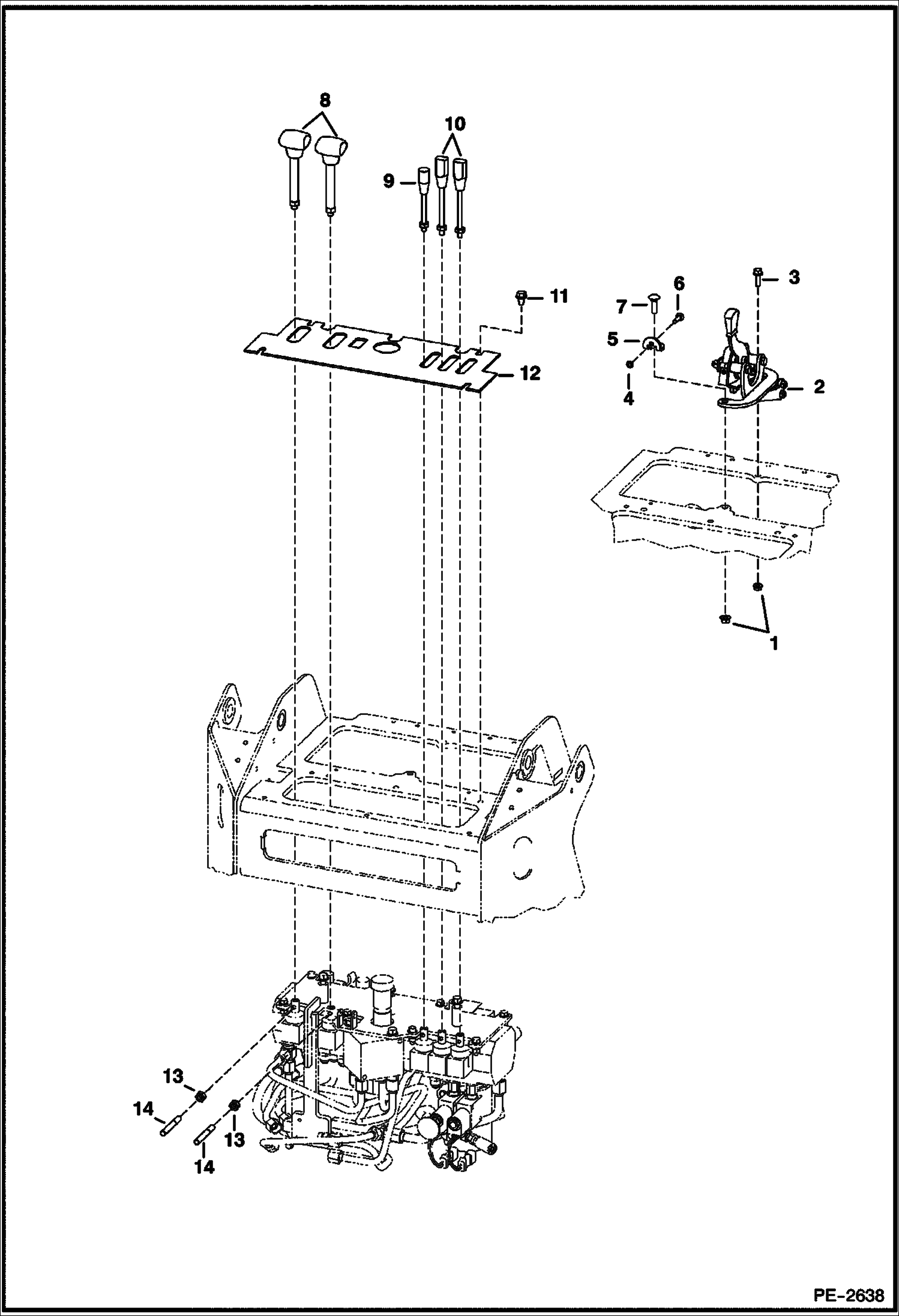
1 Артикул: 97D6, NUT 10
2 Артикул: THROTTLE, THROTTLE ASSY
3 Артикул: 35C616, BOLT 5
4 Артикул: 6675212, RETAINER bolt
5 Артикул: 6732067, BRACKET
6 Артикул: 37C416, BOLT
7 Артикул: 37C620, BOLT
8 Артикул: 6731321, HANDLE ASSY
9 Артикул: 6678896, LEVER
10 Артикул: 6678895, LEVER control - auxiliaries
11 Артикул: 84G3710, SCREW
12 Артикул: 6735094, COVER VALVE
13 Артикул: 4DM10, NUT
14 Артикул: 6731320, STOP LEVER

ОРГАНЫ РУЧНОГО УПРАВЛЕНИЯ: Техника, которая работает на результат

ОРГАНЫ РУЧНОГО УПРАВЛЕНИЯ на мини-трак Bobcat MT50 520611001 И ВЫШЕ, 522411001 И ВЫШЕ

Габаритные размеры

Габаритные размеры и схема ОРГАНЫ РУЧНОГО УПРАВЛЕНИЯ

Нажмите на схему для увеличения

Документация

Документация временно недоступна.

Похожая техника в категории: ГИДРОСТАТИЧЕСКАЯ СИСТЕМА (Bobcat)