+7 (701) 588 50 05 Телефон для связи
RU

WhatsApp

Позвонить

ГИДРОСТАТИЧЕСКАЯ СИСТЕМА в Алматы

ШЕСТЕРЕННЫЙ НАСОС

ШЕСТЕРЕННЫЙ НАСОС

1Артикул: GEAR, GEAR PUMP NLA - Was 6598854 - A
2Артикул: PLATE, PLATE Was 6598869 - A
3Артикул: SEAL, SEAL NSS
Подробнее >
ОРГАНЫ РУЧНОГО УПРАВЛЕНИЯ

ОРГАНЫ РУЧНОГО УПРАВЛЕНИЯ

1Артикул: 17C612, BOLT 5
2Артикул: 6558736, FLANGE
3Артикул: 6512027, BUSHING
Подробнее >
ГИДРОСТАТИЧЕСКИЙ НАСОС (ПЕРЕДНИЙ)

ГИДРОСТАТИЧЕСКИЙ НАСОС (ПЕРЕДНИЙ)

1Артикул: 6632064, PUMP new
2Артикул: PUMP,, PUMP, HYD FRONT NLA - Was 6632278REM - A
3Артикул: 661415, SNAP RING
Подробнее >
ГИДРОСТАТИЧЕСКИЙ ДВИГАТЕЛЬ (ПАЗОВЫЙ ВАЛ)

ГИДРОСТАТИЧЕСКИЙ ДВИГАТЕЛЬ (ПАЗОВЫЙ ВАЛ)

1Артикул: 6630037, MOTOR, DRIVE HYD New
2Артикул: 6630507REM, MOTOR, REMAN HYD Remanufactured - Was 6630507 - A
3Артикул: 6513506, DRIVE
Подробнее >
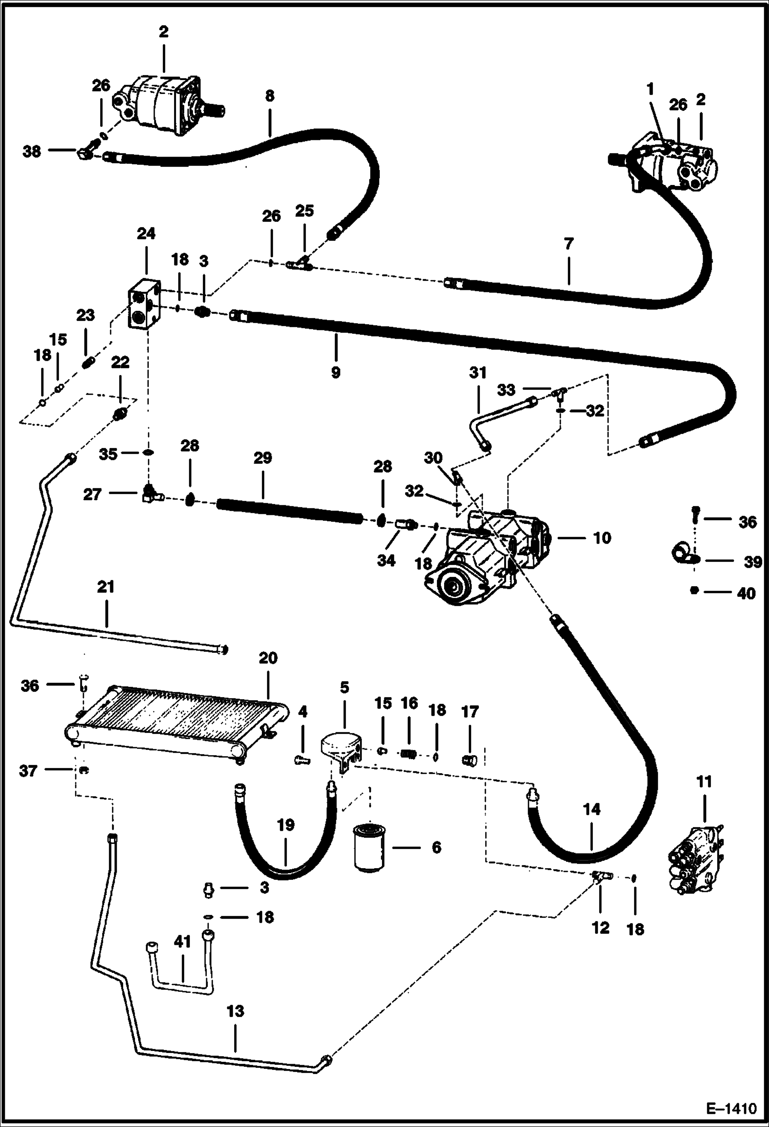
СХЕМА ГИДРОСТАТИЧЕСКОЙ СИСТЕМЫ

СХЕМА ГИДРОСТАТИЧЕСКОЙ СИСТЕМЫ

1Артикул: 15K5, FITTING Order W/Ref. 26
2Артикул: MOTOR, MOTOR See Illustration HYDROSTATIC MOTOR/ D1678
3Артикул: 15K7, FITTING Order W/Ref. 18
Подробнее >
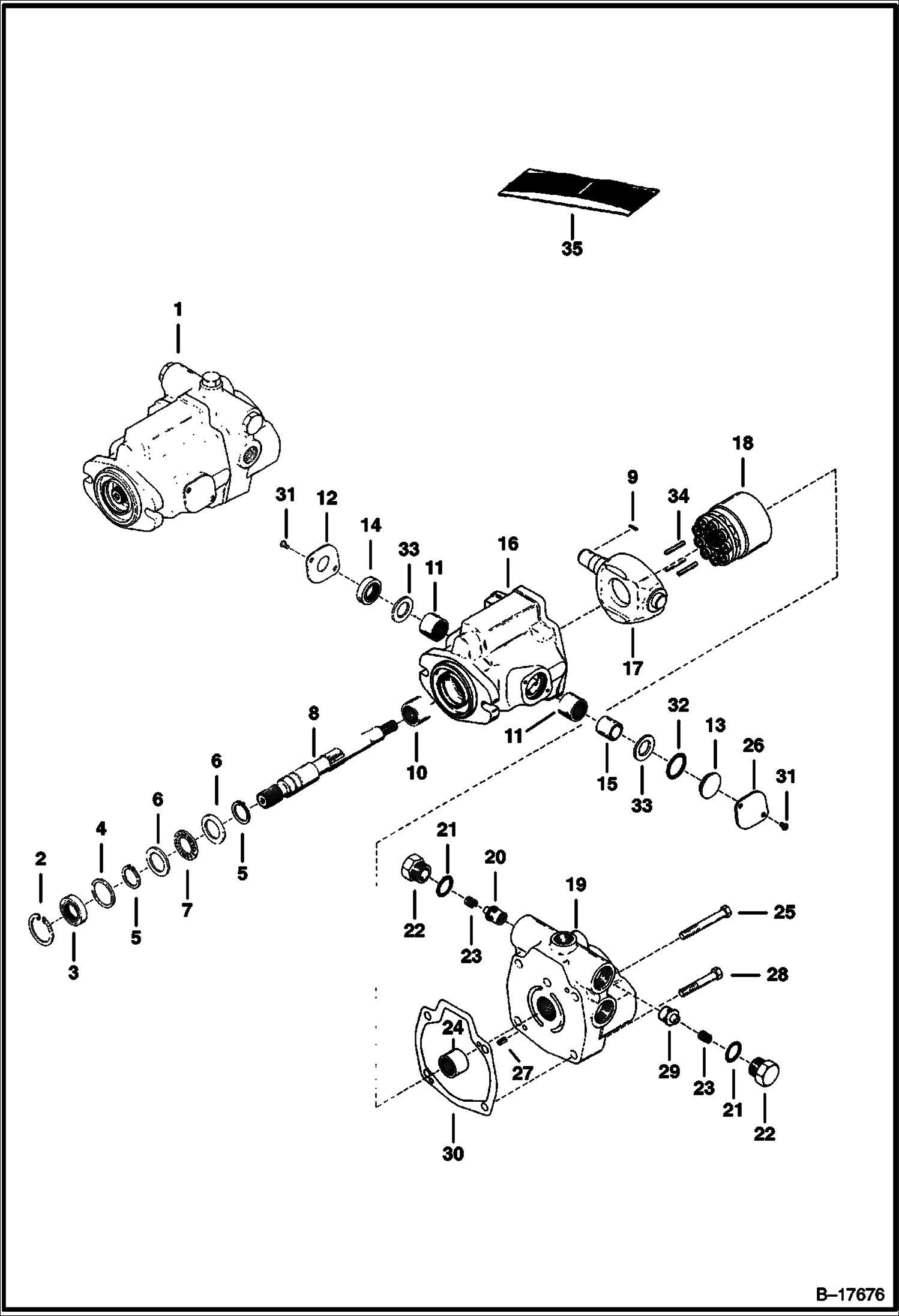
ГИДРОСТАТИЧЕСКИЙ НАСОС

ГИДРОСТАТИЧЕСКИЙ НАСОС

1Артикул: PUMP, PUMP NLA - new - Was 6631965 - A
2Артикул: PUMP,, PUMP, HYD COMPLETE NLA - Was 6632276REM - A
3Артикул: GEAR, GEAR PUMP See Illustration GEAR PUMP/ C2733 NLA - Was 6598854 - A
Подробнее >
ГИДРОСТАТИЧЕСКИЙ НАСОС (ЗАДНИЙ)

ГИДРОСТАТИЧЕСКИЙ НАСОС (ЗАДНИЙ)

1Артикул: 6632065, PUMP new
2Артикул: PUMP,, PUMP, HYD REAR NLA - 70145-RAL - Was 6632277REM - A
3Артикул: 661415, SNAP RING
Подробнее >