ГИДРОСТАТИЧЕСКИЙ НАСОС (ЗАДНИЙ) — Продажа в Казахстане Цены от официального дилера с доставкой в Алматы, Астану и регионы
×
❮
❯
Характеристики и описание
Габариты, схема
Техническая документация
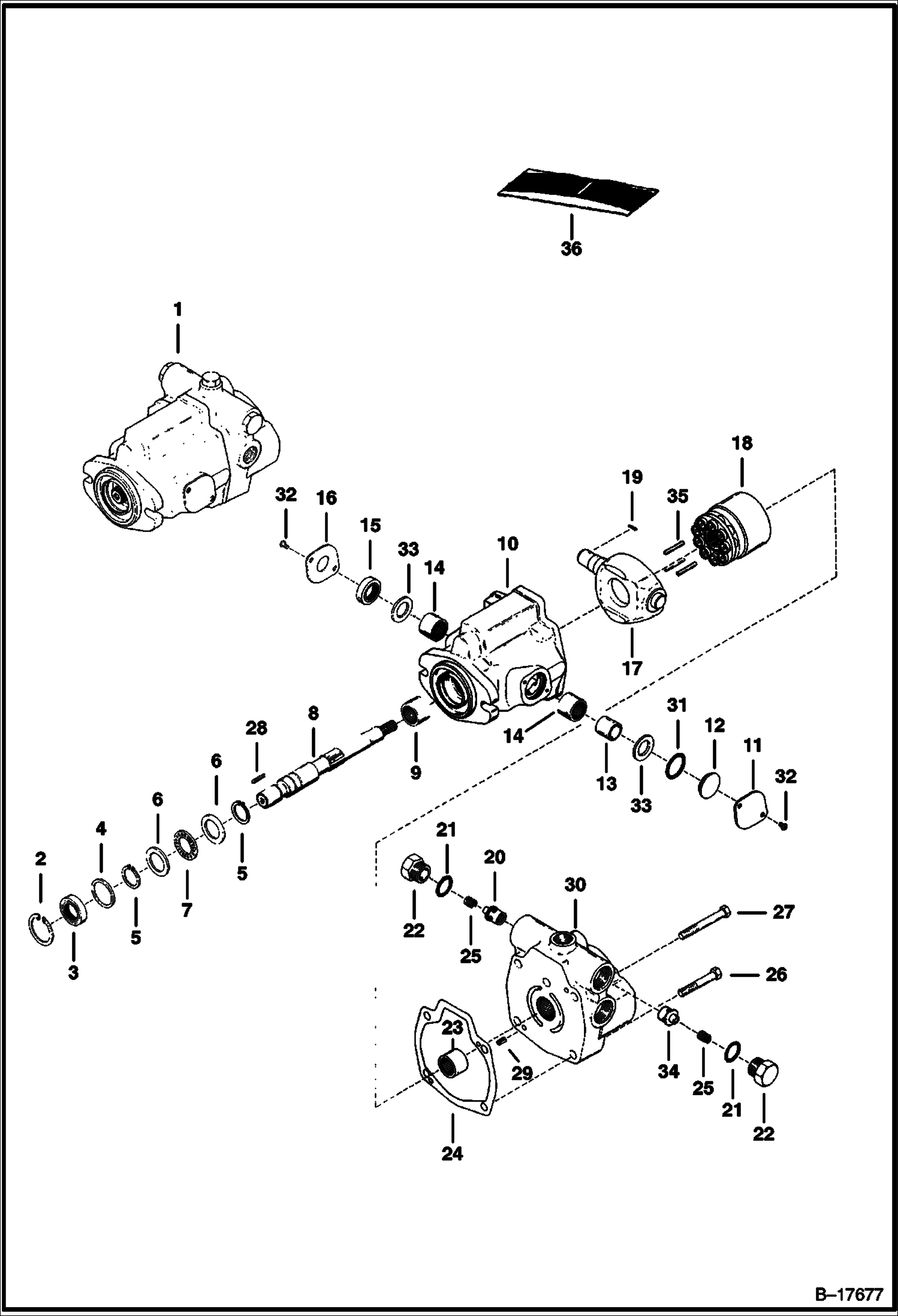
| 1 | Артикул: 6632065, PUMP new |
| 2 | Артикул: PUMP,, PUMP, HYD REAR NLA - 70145-RAL - Was 6632277REM - A |
| 3 | Артикул: 661415, SNAP RING |
| 4 | Артикул: SEAL, SEAL NSS |
| 5 | Артикул: 6598875, WASHER |
| 6 | Артикул: 710776, SNAP RING |
| 7 | Артикул: 6598878, RACE |
| 8 | Артикул: 3292657, BEARING thrust |
| 9 | Артикул: 6598894, SHAFT drive |
| 10 | Артикул: 851239, BEARING W/Ref. 9 |
| 11 | Артикул: HOUSING, HOUSING NLA - W/Ref. 9 - Was 6598884 - A |
| 12 | Артикул: 6598887, COVER |
| 13 | Артикул: 6648789, COVER Was 6598888 - A |
| 14 | Артикул: 6598883, RACE |
| 15 | Артикул: 654387, BEARING |
| 16 | Артикул: SEAL, SEAL NSS |
| 17 | Артикул: 6598886, COVER |
| 18 | Артикул: 6598892, YOKE |
| 19 | Артикул: 6598893, GROUP rotating |
| 20 | Артикул: 6630170, KEY |
| 21 | Артикул: 6632063, RELIEF VALVE |
| 22 | Артикул: O-RING, O-RING NSS |
| 23 | Артикул: 6513479, PLUG W/Ref. 21 & 25 |
| 24 | Артикул: 654386, BEARING |
| 25 | Артикул: GASKET, GASKET NSS |
| 26 | Артикул: SPRING, SPRING NSS - Order 6513479 Plug |
| 27 | Артикул: 17C532, BOLT 5 |
| 28 | Артикул: 17C540, BOLT |
| 29 | Артикул: 6598880, KEY |
| 30 | Артикул: 214028, PIN |
| 31 | Артикул: PLATE, PLATE NLA - Order W/Ref. 23 - Was 6598889 - A |
| 32 | Артикул: O-RING, O-RING NSS |
| 33 | Артикул: 6598881, SCREW |
| 34 | Артикул: 6598876, WASHER |
| 35 | Артикул: SEAT, SEAT NLA - Order 6513998 Plug, 6514010 Spring & 6630243 Poppet - Was 6632066 - A |
| 36 | Артикул: 6654126, PIN |
| 37 | Артикул: 6598896, KIT, SEAL Ref. 2, 3, 5, 15, 21, 24 & 31 |
ГИДРОСТАТИЧЕСКИЙ НАСОС (ЗАДНИЙ): Техника, которая работает на результат
ГИДРОСТАТИЧЕСКИЙ НАСОС (ЗАДНИЙ) на Bobcat 500s Bobcat 542 506911251 И ВЫШЕ, 508512001 И ВЫШЕГабаритные размеры
Нажмите на схему для увеличения
Документация
Документация временно недоступна.
Похожая техника в категории: ГИДРОСТАТИЧЕСКАЯ СИСТЕМА (Bobcat)
ШЕСТЕРЕННЫЙ НАСОС
1Артикул: GEAR, ...
2Артикул: PLATE,...
3Артикул: SEAL, ...
Подробнее >
ОРГАНЫ РУЧНОГО УПРАВЛЕНИЯ
1Артикул: 17C612...
2Артикул: 655873...
3Артикул: 651202...
Подробнее >
ГИДРОСТАТИЧЕСКИЙ НАСОС (ПЕРЕДНИЙ)
1Артикул: 663206...
2Артикул: PUMP,,...
3Артикул: 661415...
Подробнее >
ГИДРОСТАТИЧЕСКИЙ ДВИГАТЕЛЬ (ПАЗОВЫЙ ВАЛ)
1Артикул: 663003...
2Артикул: 663050...
3Артикул: 651350...
Подробнее >
СХЕМА ГИДРОСТАТИЧЕСКОЙ СИСТЕМЫ
1Артикул: 15K5, ...
2Артикул: MOTOR,...
3Артикул: 15K7, ...
Подробнее >
ГИДРОСТАТИЧЕСКИЙ НАСОС
1Артикул: PUMP, ...
2Артикул: PUMP,,...
3Артикул: GEAR, ...
Подробнее >