+7 (701) 588 50 05 Телефон для связи
RU

WhatsApp

Позвонить

РАБОЧЕЕ ОБОРУДОВАНИЕ в Алматы

СТРЕЛА

СТРЕЛА

1Артикул: 6533856, SHIM
2Артикул: 6589699, WASHER
3Артикул: 6818387, BOOM W/A W/A
Подробнее >
РУКОЯТЬ (СТАНДАРТ)

РУКОЯТЬ (СТАНДАРТ)

1Артикул: 6533856, SHIM
2Артикул: 6539737, PIN, PIVOT 7.25-- (183 mm) long
3Артикул: 6560382, PIN, LOCK
Подробнее >
ПОВОРОТНЫЙ КРОНШТЕЙН

ПОВОРОТНЫЙ КРОНШТЕЙН

1Артикул: 6503451, SPACER
2Артикул: 6576033, WASHER
3Артикул: 6589699, WASHER
Подробнее >
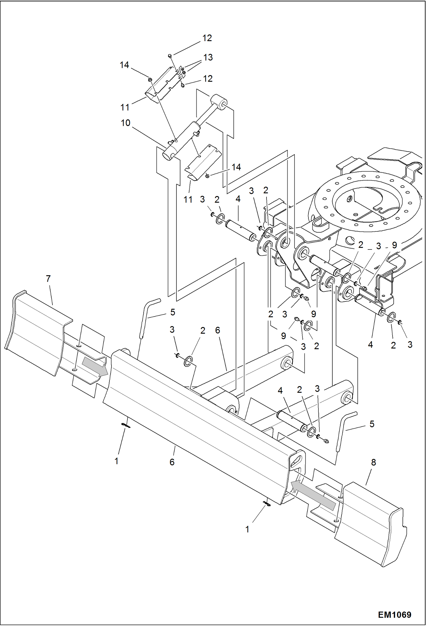
ОТВАЛ

ОТВАЛ

1Артикул: 1306637, CLIP
2Артикул: 6589699, WASHER
3Артикул: 22J19, SNAP RING
Подробнее >