+7 (701) 588 50 05 Телефон для связи
RU

WhatsApp

Позвонить

РАМА в Алматы

BOB-TACH

BOB-TACH

1Артикул: 6577986, BOB-TACH See Illustration DECALS/ B20386 Ref. 2-22 - WAS SALES - ALSO ORDER 6561383 DECAL
2Артикул: 17C644, BOLT See Ref. 10 and 11
3Артикул: 17C660, BOLT See Ref. 10 & 11 - 3.75 in. (95,3 mm) long - in kit
Подробнее >
СИДЕНЬЕ (MILSCO)

СИДЕНЬЕ (MILSCO)

1Артикул: SEAT, SEAT See Illustration SEAT/ B14720 NLA - Order 6669135 Seat - Was 6665401 - A
2Артикул: 6630468, CUSHION seat
3Артикул: 6630465, CUSHION back
Подробнее >
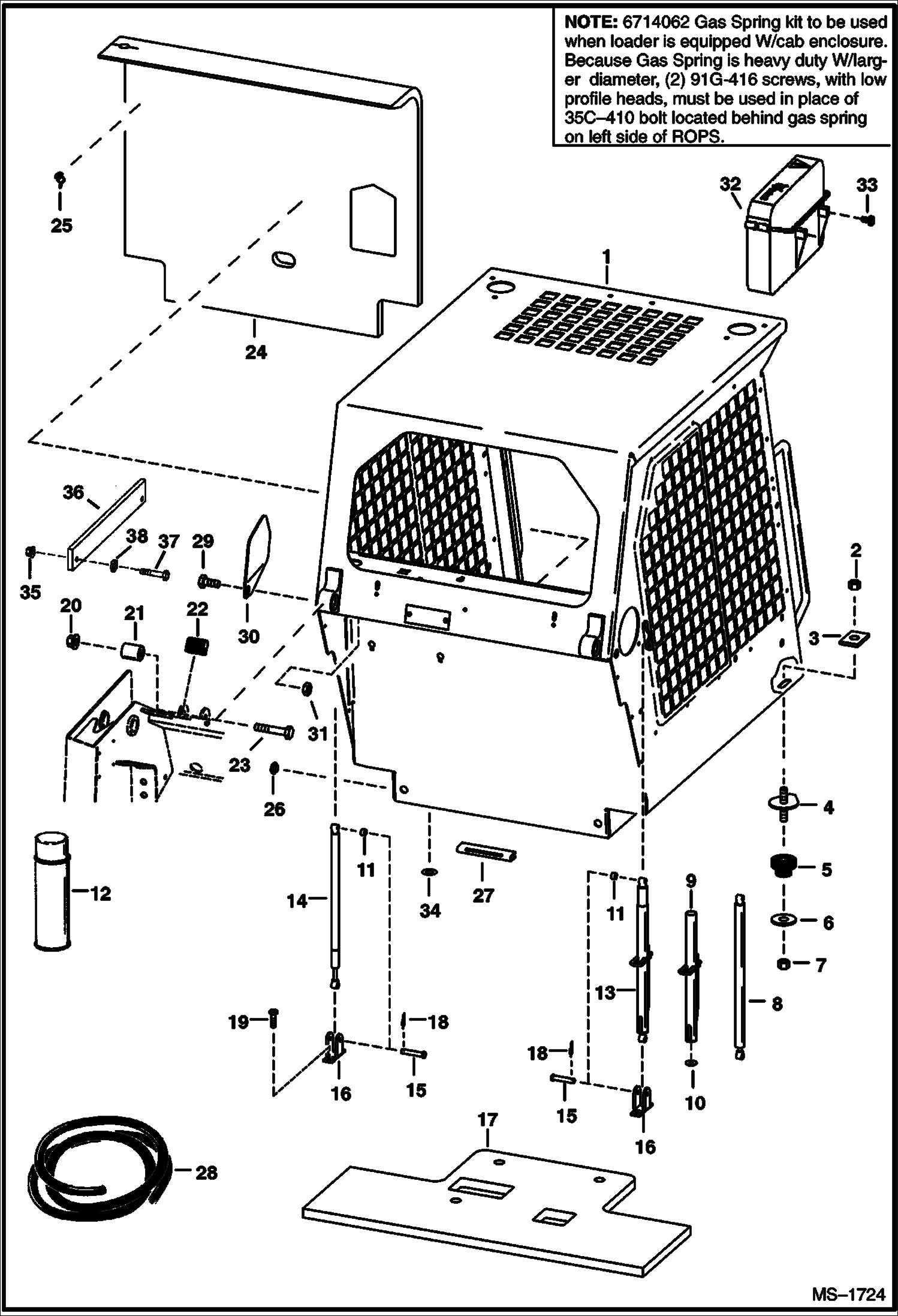
КАБИНА ОПЕРАТОРА

КАБИНА ОПЕРАТОРА

1Артикул: 6701957, OPERATOR CAB Does NOT include cab decals
2Артикул: 59D8, NUT 5
3Артикул: 6553709, WASHER
Подробнее >
ПАНЕЛИ

ПАНЕЛИ

1Артикул: 6718487, PANEL Was 6710647 - A
2Артикул: 6701345, PANEL
3Артикул: 6707475, PANEL See Illustration HAND CONTROLS/ B20407
Подробнее >
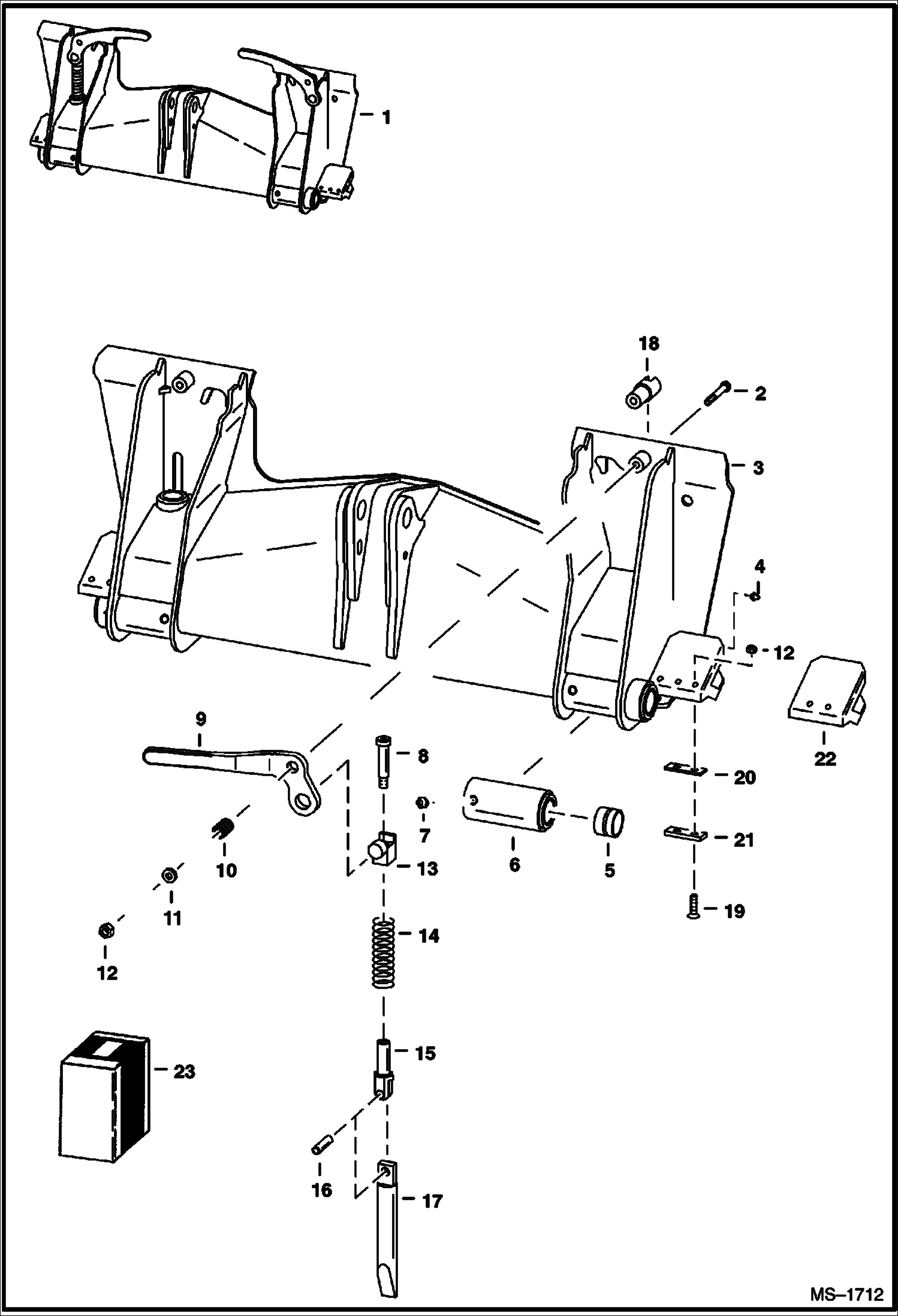
ПОДЪЕМНАЯ РУКОЯТЬ И BOB-TACH

ПОДЪЕМНАЯ РУКОЯТЬ И BOB-TACH

1Артикул: 17C640, BOLT
2Артикул: 6702935, PIN, PIVOT
3Артикул: 6705719, LIFT ARM
Подробнее >
ЗАДНЯЯ ДВЕРЬ

ЗАДНЯЯ ДВЕРЬ

1Артикул: 6703868, HOOD steel
2Артикул: 6704682, COVER
3Артикул: 6704683, COVER
Подробнее >
ТОПЛИВНАЯ СИСТЕМА

ТОПЛИВНАЯ СИСТЕМА

1Артикул: 6708527, TANK, FUEL Was 6579125 - A
2Артикул: 7120881, SCREEN, FILLER Was 6569219 - A
3Артикул: 42H32, HS CLAMP5 Was 42H000024B - B
Подробнее >
СИДЕНИЕ И ОПОРА СИДЕНЬЯ

СИДЕНИЕ И ОПОРА СИДЕНЬЯ

1Артикул: SEAT, SEAT See Illustration SEAT/ B7185
2Артикул: SEAT, SEAT BELT NLA - Order Ref. 55 - Was 6564774 - A
3Артикул: SEAT, SEAT BELT NLA - Order Ref. 2 (6675074 Seat Belt) and (2) of Ref. 3 (6275373 Spring Plate) - Was 6667875 - A
Подробнее >
СИДЕНИЕ (МИЧИГАН)

СИДЕНИЕ (МИЧИГАН)

1Артикул: SEAT, SEAT NLA - W/ Ref. 2-5 and 8 - Order 6669135 SEAT - A
2Артикул: 6669135, SEAT, OPERATOR VINYL See Illustration SEAT COVERS/ NA10386 W/Ref. 2-7
3Артикул: 6670160, CUSHION W/edging, clip & (2) grommets
Подробнее >