ТОПЛИВНАЯ СИСТЕМА — Продажа в Казахстане Цены от официального дилера с доставкой в Алматы, Астану и регионы
×
❮
❯
Характеристики и описание
Габариты, схема
Техническая документация
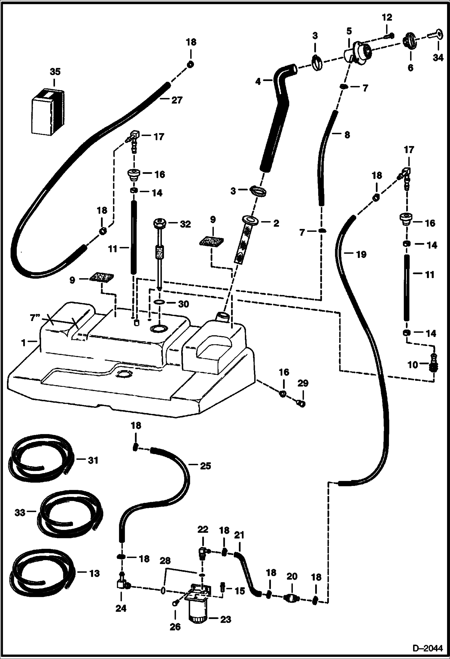
| 1 | Артикул: 6708527, TANK, FUEL Was 6579125 - A |
| 2 | Артикул: 7120881, SCREEN, FILLER Was 6569219 - A |
| 3 | Артикул: 42H32, HS CLAMP5 Was 42H000024B - B |
| 4 | Артикул: 6579274, HOSE |
| 5 | Артикул: 6701449, FILLER TUBE |
| 6 | Артикул: 6661114, CAP, DIESEL 1 PSI green fuel fill - W/Ref. 34 |
| 7 | Артикул: CAP, CAP NLA - locking -Code GC020 - W/Ref. 34 |
| 8 | Артикул: 6661696, CAP, FUEL LOCKING locking - W/Ref. 34 - Code PK510 |
| 9 | Артикул: 42H10, HOSECLAM5 |
| 10 | Артикул: HOSE, HOSE NLA - 31-- (787,4 mm) long - Order Ref. 13 |
| 11 | Артикул: 6578278, PAD self adhesive one side |
| 12 | Артикул: 6650239, SCREEN, FUEL PICKUP |
| 13 | Артикул: 6569752, HOSE BULK/FT 13-- (330,2 mm) - Was 6579554 - A |
| 14 | Артикул: 6706517, SCREW Was 6579119 - A |
| 15 | Артикул: 6578172, HOSE sold per foot |
| 16 | Артикул: 6661213, RING, COMPRESSION |
| 17 | Артикул: 6658180, PLUG, BLEED |
| 18 | Артикул: 6553411, BUSHING 0.38-- ID |
| 19 | Артикул: 6598908, ELBOW |
| 20 | Артикул: 42HS04, CLAMP, HOSE Was 6515575 - A |
| 21 | Артикул: HOSE, HOSE NLA - 30-- (762 mm) long - Order Ref. 33 |
| 22 | Артикул: 6657734, PUMP, PRIMER HAND barbed fittings for 6,35 mm (.25--) ID hose - barbed fittings for 6,35 mm (.25--) ID hose |
| 23 | Артикул: HOSE, HOSE NLA - 13.5-- (342,9 mm) long - Order Ref. 33 |
| 24 | Артикул: 6657042, ELBOW |
| 25 | Артикул: 6667353, FILTER ASSY W/Ref. 15 - Was 6657020 - A |
| 26 | Артикул: 6667352, FILTER, FUEL W/SEPARATOR 12 Was 6647773 - A |
| 27 | Артикул: 72F1, FITTING |
| 28 | Артикул: ELBOW, ELBOW NLA - W/ Ref. 28 - Flat Boss Face - Was 6657083 - A |
| 29 | Артикул: 6715183, ELBOW W/ Ref. 28 - Check Boss Face to Determint Current replacement O-Ring |
| 30 | Артикул: HOSE, HOSE NLA - 16-- (406,4 mm) long - Order Ref. 31 |
| 31 | Артикул: 84G3110, SCREW |
| 32 | Артикул: HOSE, HOSE NLA - 51-- (1295,4 mm) long - Order Ref. 33 |
| 33 | Артикул: 79K5, O RING 10 Flat Boss Face |
| 34 | Артикул: 99K5, O-RING Tapered Boss Face |
| 35 | Артикул: 6599645, PLUG, STEEL |
| 36 | Артикул: 79K14, O RING 10 Was 25K040102B - B |
| 37 | Артикул: 6717579, GASKET Rubber |
| 38 | Артикул: 6577822, HOSE sold per foot |
| 39 | Артикул: SENSOR, SENSOR See Illustration ENGINE ELECTRICAL CIRCUITRY/ E2266 See Illustration ENGINE ELECTRICAL CIRCUITRY/ E2263 fuel - W/Ref. 30 |
| 40 | Артикул: 6577821, HOSE sold per foot |
| 41 | Артикул: 6654374, KEY Code GC020 |
| 42 | Артикул: 6587458, KEY Code PK510 |
| 43 | Артикул: 7297009, KIT FUEL SCREEN PICKUP TUBE W/Ref. 10, 11, 14, 16 |
ТОПЛИВНАЯ СИСТЕМА: Техника, которая работает на результат
ТОПЛИВНАЯ СИСТЕМА на Bobcat 800s Bobcat 853 508418001 И ВЫШЕ, 509718001 И ВЫШЕ, 512816001 И ВЫШЕГабаритные размеры
Нажмите на схему для увеличения
Документация
Документация временно недоступна.
Похожая техника в категории: РАМА (Bobcat)
BOB-TACH
1Артикул: 657798...
2Артикул: 17C644...
3Артикул: 17C660...
Подробнее >
СИДЕНЬЕ (MILSCO)
1Артикул: SEAT, ...
2Артикул: 663046...
3Артикул: 663046...
Подробнее >
КАБИНА ОПЕРАТОРА
1Артикул: 670195...
2Артикул: 59D8, ...
3Артикул: 655370...
Подробнее >
ПАНЕЛИ
1Артикул: 671848...
2Артикул: 670134...
3Артикул: 670747...
Подробнее >
ПОДЪЕМНАЯ РУКОЯТЬ И BOB-TACH
1Артикул: 17C640...
2Артикул: 670293...
3Артикул: 670571...
Подробнее >
ЗАДНЯЯ ДВЕРЬ
1Артикул: 670386...
2Артикул: 670468...
3Артикул: 670468...
Подробнее >
СИДЕНИЕ И ОПОРА СИДЕНЬЯ
1Артикул: SEAT, ...
2Артикул: SEAT, ...
3Артикул: SEAT, ...
Подробнее >
СИДЕНИЕ (МИЧИГАН)
1Артикул: SEAT, ...
2Артикул: 666913...
3Артикул: 667016...
Подробнее >