+7 (701) 588 50 05 Телефон для связи
RU

WhatsApp

Позвонить

РАМА в Алматы

ОБОГРЕВАТЕЛЬ В СБОРЕ

ОБОГРЕВАТЕЛЬ В СБОРЕ

1Артикул: 6671028, HEATER ASSY W/Ref. 2-36
2Артикул: 6654191, VALVE Water Shutoff
3Артикул: 6672978, CORE Heater
Подробнее >
КАБИНА ОПЕРАТОРА

КАБИНА ОПЕРАТОРА

1Артикул: CAB, CAB ASSY. See Illustration OPERATOR CAB/ E2378 - NLA - Order components - Was Sales - A
2Артикул: 6802950, CAB W/A
3Артикул: 7149395, HINGE door - weld-on - Was 6807255 - A
Подробнее >
СИДЕНЬЕ (ПОДВЕСКА)

СИДЕНЬЕ (ПОДВЕСКА)

1Артикул: SEAT, SEAT NLA - complete - cloth covered - W/Ref. 2-66 - order 6685657, redrill mounting holes as required - Was 6672519 - A
2Артикул: SEAT, SEAT NLA - complete - vinyl covered - W/Ref. 2-66 - Order 6685657 & redrill mounting holes as required - Was 6672520 - A
3Артикул: 6664180, CUSHION Bottom - vinyl
Подробнее >
СИДЕНИЕ

СИДЕНИЕ

1Артикул: SEAT, SEAT ASSY See Illustration SEAT/ B17486 - NLA - complete - cloth covered - Ref. 2-32 - Order 6672519 - WAS 6658850 - A
2Артикул: SEAT, SEAT See Illustration SEAT/ B17486 - NLA - complete - vinyl covered - W/Ref. 2-32 - order 6672520 - Was 6660414 - A
3Артикул: 6659426, TRACK W/Adjuster
Подробнее >
КАБИНА ОПЕРАТОРА (ДВЕРЦА)

КАБИНА ОПЕРАТОРА (ДВЕРЦА)

1Артикул: DOOR, DOOR ASSY NLA - Ref. 2 - 14 - Order 6807882 & 6709527 Key - Was 6805226 - A
2Артикул: DOOR, DOOR ASSY NLA - Ref. 2-14 - Order Components - Was 6807782 - A
3Артикул: 6805474, HINGE Weld-On
Подробнее >
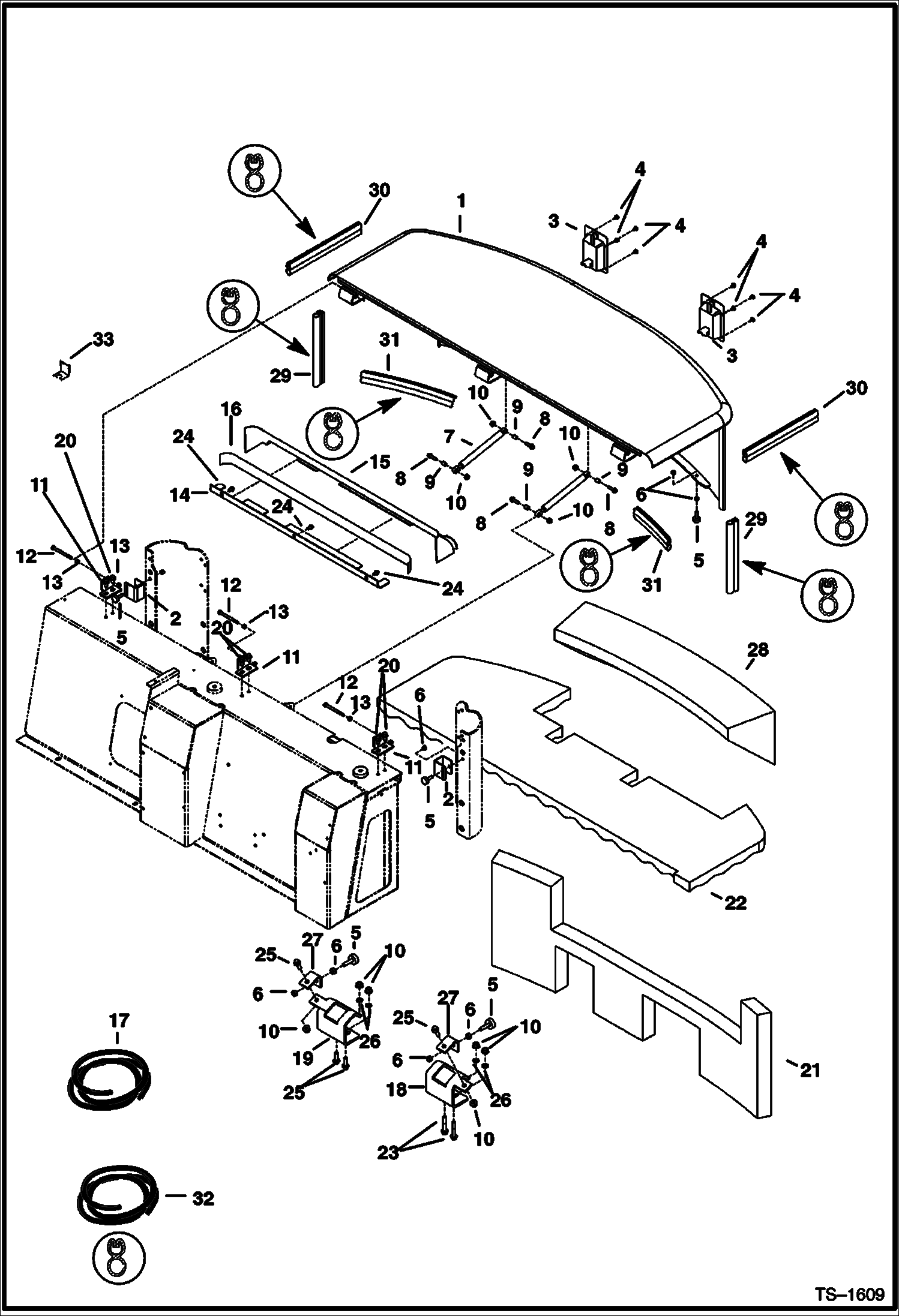
КРЫША НАД СИДЕНЬЕМ ВОДИТЕЛЯ И КРОНШТЕЙН

КРЫША НАД СИДЕНЬЕМ ВОДИТЕЛЯ И КРОНШТЕЙН

1Артикул: CANOPY, CANOPY NLA - Includes Ref. 6, 8, 9, 10 & 17 - Order 6800748 - Was SALES - A
2Артикул: 6800748, CANOPY weldment only
3Артикул: 7CM1240, SCREW
Подробнее >
МОНТАЖ КАБИНЫ

МОНТАЖ КАБИНЫ

1Артикул: CAB, CAB ASSY See Illustration OPERATOR CAB/ E2378 - NLA - Order components - Was SALES - A
2Артикул: 6802950, CAB W/A
3Артикул: 6808506, WASHER Was SALES - A
Подробнее >
ПРАВАЯ БОКОВЫЕ ПАНЕЛИ

ПРАВАЯ БОКОВЫЕ ПАНЕЛИ

1Артикул: 6536802, WASHER
2Артикул: 6804290, COVER R.H. - Was 6628679 - A
3Артикул: 6800383, COVER
Подробнее >
КАБИНА ОПЕРАТОРА (ЛОБОВОЕ СТЕКЛО)

КАБИНА ОПЕРАТОРА (ЛОБОВОЕ СТЕКЛО)

1Артикул: 6800880, WINDOW ASSY. Ref. 1-6, 10-17, 19-23, 25, 27-29 & 35
2Артикул: 6800876, FRAME
3Артикул: 6801502, LATCH RH
Подробнее >
КАБИНА ВОДИТЕЛЯ (ПРАВОСТОРОННЕЕ ОКНО)

КАБИНА ВОДИТЕЛЯ (ПРАВОСТОРОННЕЕ ОКНО)

1Артикул: 6667616, WINDOW ASSY RH - W/Ref. 2-24
2Артикул: 6667593, LATCH
3Артикул: 6667594, LATCH
Подробнее >
КАБИНА ВОДИТЕЛЯ (ДВЕРЬ) (СЕРИЙНЫЙ НОМЕР 515412428 И НИЖЕ И 230611141 И НИЖЕ)

КАБИНА ВОДИТЕЛЯ (ДВЕРЬ) (СЕРИЙНЫЙ НОМЕР 515412428 И НИЖЕ И 230611141 И НИЖЕ)

1Артикул: DOOR, DOOR ASSY. See Illustration OPERATOR CAB/ PE1005 See BTIE-061 - NLA - W/Ref. 2-21 - Was 6628863 - A
2Артикул: DOOR, DOOR See Illustration OPERATOR CAB/ PE1005 See BTIE-061 - NLA - Weldment - Was 6628864 - A
3Артикул: 6661631, LATCH Outside
Подробнее >
ЛЕВЫЕ БОКОВЫЕ ПАНЕЛИ И ЗАЩИТНЫЕ ЩИТЫ

ЛЕВЫЕ БОКОВЫЕ ПАНЕЛИ И ЗАЩИТНЫЕ ЩИТЫ

1Артикул: 6628678, COVER L.H.
2Артикул: 6802831, INSULATION
3Артикул: 6674389, LOCK ASSY Was 6661695 - A
Подробнее >
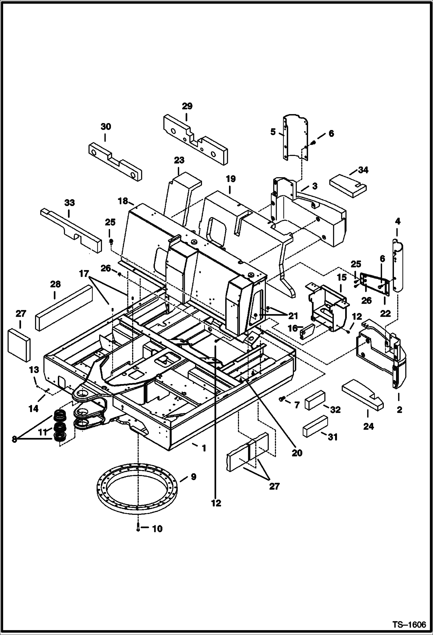
КОРПУС КУЗОВА И ПРОТИВОВСЕСЫ

КОРПУС КУЗОВА И ПРОТИВОВСЕСЫ

1Артикул: 6800658, UPPERSTRUCTURE Frame
2Артикул: 6588425, COUNTERWEIGHT NLA - left hand - Was 6588425
3Артикул: 6588426, COUNTERWEIGHT Right Hand
Подробнее >
КРЫШКА ДВИГАТЕЛЯ И ИЗОЛЯЦИЯ

КРЫШКА ДВИГАТЕЛЯ И ИЗОЛЯЦИЯ

1Артикул: 6628680, COVER Engine
2Артикул: 6628686, BRACKET
3Артикул: 6674239, LATCH, COVER ENG Was 6664447 - A
Подробнее >