+7 (701) 588 50 05 Телефон для связи
RU

WhatsApp

Позвонить

ЛЕВЫЕ БОКОВЫЕ ПАНЕЛИ И ЗАЩИТНЫЕ ЩИТЫ — Продажа в Казахстане Цены от официального дилера с доставкой в Алматы, Астану и регионы

Техника доступна в:
Полный спектр услуг:
Для Вашего удобства:
Характеристики и описание
Габариты, схема
Техническая документация
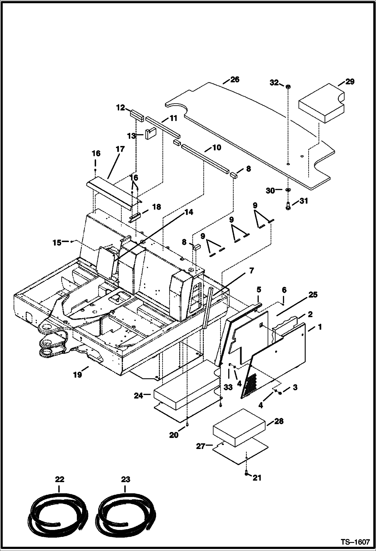
1 Артикул: 6628678, COVER L.H.
2 Артикул: 6802831, INSULATION
3 Артикул: 6674389, LOCK ASSY Was 6661695 - A
4 Артикул: 6587458, KEY
5 Артикул: 6536802, WASHER
6 Артикул: 6628677, ANGLE
7 Артикул: 26GM10020, BOLT
8 Артикул: FOAM, FOAM NLA - 20-- (500mm) - Order Ref. 22
9 Артикул: FOAM, FOAM NLA - 3-- (76mm) - Order Ref. 22
10 Артикул: FOAM, FOAM NLA - 3-- (76mm) - Order Ref. 23
11 Артикул: FOAM, FOAM NLA - 28-- (710mm) - Order Ref. 22
12 Артикул: FOAM, FOAM NLA - 20-- (500mm) - Order Ref. 22
13 Артикул: FOAM, FOAM NLA - 7-- (178--mm) - Order Ref. 22
14 Артикул: 6589121, INSULATION
15 Артикул: 6628692, INSULATION
16 Артикул: 6800150, COVER Access
17 Артикул: 26GM8016, SCREW
18 Артикул: 6800911, COVER
19 Артикул: 6800258, BRACKET
20 Артикул: 6801720, BELLY PAN Engine
21 Артикул: 6801721, BELLY PAN Pump - Was 6802721 - A
22 Артикул: 26GM10030, BOLT
23 Артикул: 6554274, INSULATION bulk - sold per foot - Was 6554274 - A
24 Артикул: SEAL, SEAL NLA - bulk - sold per foot - Was 6632217 - B
25 Артикул: 6804030, FOAM
26 Артикул: 6805014, INSULATION
27 Артикул: 6805663, COUNTERWEIGHT 341 only
28 Артикул: 6805667, BELLY PAN 341 only
29 Артикул: 6805702, INSULATION 341 only
30 Артикул: 6805701, INSULATION 341 only
31 Артикул: 28E16, WASHER 341 only
32 Артикул: 17C1652, BOLT 341 only
33 Артикул: 61D16, LCKNUT 341 only
34 Артикул: 6675843, NUT

ЛЕВЫЕ БОКОВЫЕ ПАНЕЛИ И ЗАЩИТНЫЕ ЩИТЫ: Техника, которая работает на результат

ЛЕВЫЕ БОКОВЫЕ ПАНЕЛИ И ЗАЩИТНЫЕ ЩИТЫ на мини-экскаватор Bobcat 337 230611001 И ВЫШЕ, 515411001 И ВЫШЕ

Габаритные размеры

Габаритные размеры и схема ЛЕВЫЕ БОКОВЫЕ ПАНЕЛИ И ЗАЩИТНЫЕ ЩИТЫ

Нажмите на схему для увеличения

Документация

Документация временно недоступна.

Похожая техника в категории: РАМА (Bobcat)

Спецтехника ОБОГРЕВАТЕЛЬ В СБОРЕ

ОБОГРЕВАТЕЛЬ В СБОРЕ

1Артикул: 667102...
2Артикул: 665419...
3Артикул: 667297...
Подробнее >
Спецтехника КАБИНА ОПЕРАТОРА

КАБИНА ОПЕРАТОРА

1Артикул: CAB, C...
2Артикул: 680295...
3Артикул: 714939...
Подробнее >
Спецтехника СИДЕНЬЕ (ПОДВЕСКА)

СИДЕНЬЕ (ПОДВЕСКА)

1Артикул: SEAT, ...
2Артикул: SEAT, ...
3Артикул: 666418...
Подробнее >
Спецтехника СИДЕНИЕ

СИДЕНИЕ

1Артикул: SEAT, ...
2Артикул: SEAT, ...
3Артикул: 665942...
Подробнее >
Спецтехника КАБИНА ОПЕРАТОРА (ДВЕРЦА)

КАБИНА ОПЕРАТОРА (ДВЕРЦА)

1Артикул: DOOR, ...
2Артикул: DOOR, ...
3Артикул: 680547...
Подробнее >
Спецтехника КРЫША НАД СИДЕНЬЕМ ВОДИТЕЛЯ И КРОНШТЕЙН

КРЫША НАД СИДЕНЬЕМ ВОДИТЕЛЯ И КРОНШТЕЙН

1Артикул: CANOPY...
2Артикул: 680074...
3Артикул: 7CM124...
Подробнее >
Спецтехника МОНТАЖ КАБИНЫ

МОНТАЖ КАБИНЫ

1Артикул: CAB, C...
2Артикул: 680295...
3Артикул: 680850...
Подробнее >
Спецтехника ПРАВАЯ БОКОВЫЕ ПАНЕЛИ

ПРАВАЯ БОКОВЫЕ ПАНЕЛИ

1Артикул: 653680...
2Артикул: 680429...
3Артикул: 680038...
Подробнее >
Спецтехника КАБИНА ОПЕРАТОРА (ЛОБОВОЕ СТЕКЛО)

КАБИНА ОПЕРАТОРА (ЛОБОВОЕ СТЕКЛО)

1Артикул: 680088...
2Артикул: 680087...
3Артикул: 680150...
Подробнее >
Спецтехника КАБИНА ВОДИТЕЛЯ (ПРАВОСТОРОННЕЕ ОКНО)

КАБИНА ВОДИТЕЛЯ (ПРАВОСТОРОННЕЕ ОКНО)

1Артикул: 666761...
2Артикул: 666759...
3Артикул: 666759...
Подробнее >
Спецтехника КАБИНА ВОДИТЕЛЯ (ДВЕРЬ) (СЕРИЙНЫЙ НОМЕР 515412428 И НИЖЕ И 230611141 И НИЖЕ)

КАБИНА ВОДИТЕЛЯ (ДВЕРЬ) (СЕРИЙНЫЙ НОМЕР 515412428 И НИЖЕ И 230611141 И НИЖЕ)

1Артикул: DOOR, ...
2Артикул: DOOR, ...
3Артикул: 666163...
Подробнее >
Спецтехника КОРПУС КУЗОВА И ПРОТИВОВСЕСЫ

КОРПУС КУЗОВА И ПРОТИВОВСЕСЫ

1Артикул: 680065...
2Артикул: 658842...
3Артикул: 658842...
Подробнее >