+7 (701) 588 50 05 Телефон для связи
RU

WhatsApp

Позвонить

РАМА в Алматы

СИДЕНИЕ И ОПОРА СИДЕНЬЯ

СИДЕНИЕ И ОПОРА СИДЕНЬЯ

1Артикул: SEAT, SEAT NLA - std. - W/Ref. 2 - 7 - Order 6669135 - Was 6563140 - A
2Артикул: 6630465, CUSHION back
3Артикул: 6630468, CUSHION seat
Подробнее >
СИДЕНИЕ (МИЧИГАН)

СИДЕНИЕ (МИЧИГАН)

1Артикул: NLA, NLA NLA - W/Ref. 2-5 and 8 - Order 6669135 SEAT
2Артикул: 6669135, SEAT, OPERATOR VINYL See Illustration SEAT COVERS/ NA10386 W/Ref. 2-7
3Артикул: 6670160, CUSHION W/edging, clip & (2) grommets
Подробнее >
ЗАДНЯЯ ДВЕРЬ

ЗАДНЯЯ ДВЕРЬ

1Артикул: 6589808, REAR DOOR
2Артикул: SEAL, SEAL NLA - 40-- (1016 mm) long - Order Ref. 27
3Артикул: 6564340, PIN
Подробнее >
КАБИНА ОПЕРАТОРА

КАБИНА ОПЕРАТОРА

1Артикул: 6701957, OPERATOR CAB W/O Decals - Also Order 1 of each decal: 6531653 , 6557565 , 6565990 , 6708294 , 6577754 , 6579510 , 6593388 , 6707255 - Was 6596000 - D
2Артикул: 6706155, INSULATION Was 6706553 - B
3Артикул: 6705735, WINDOW
Подробнее >
СИДЕНИЕ С ПОДВЕСКОЙ (MILSCO)

СИДЕНИЕ С ПОДВЕСКОЙ (MILSCO)

1Артикул: SEAT, SEAT NLA - Ref. 2 - 28 - Order 6674019 - Was 6647432 - A
2Артикул: 6650226, SEAT CUSHION W/Ref. 3
3Артикул: 6650231, CLIP
Подробнее >
ТОПЛИВНАЯ СИСТЕМА

ТОПЛИВНАЯ СИСТЕМА

1Артикул: SENDER,, SENDER, FUEL See BTI398 - NLA - W/Ref. 3 - Was 6630248 - A
2Артикул: 85G1008, SCREW
3Артикул: 6630972, GASKET
Подробнее >
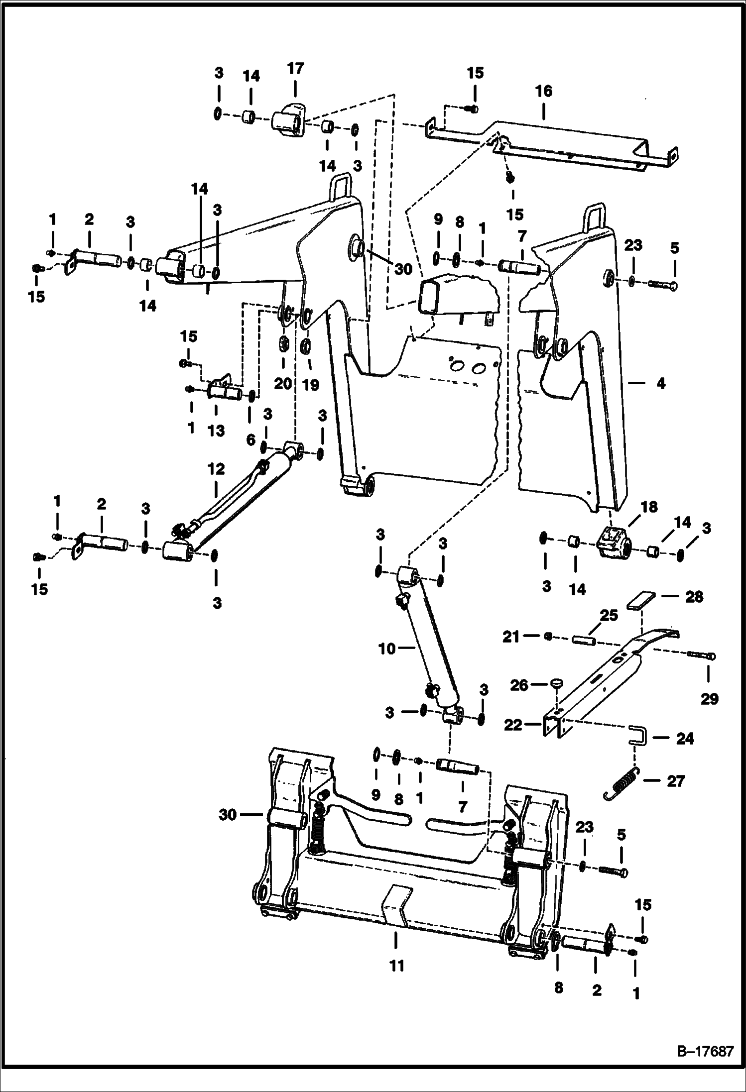
ПОДЪЕМНАЯ РУКОЯТЬ И BOB-TACH

ПОДЪЕМНАЯ РУКОЯТЬ И BOB-TACH

1Артикул: 10H25, FITTING, GREASE 5
2Артикул: 6569479, PIN
3Артикул: 6631067, SEAL, OIL
Подробнее >
BOB-TACH

BOB-TACH

1Артикул: 6565871, BOB-TACH Ref. 2 - 23 - Also Order 6561383 Decal - See Ill. DECALS B17700
2Артикул: FRAME, FRAME NLA - Order Ref. 1 - Was 6538635 - A
3Артикул: 6631067, SEAL, OIL
Подробнее >
РАМА ШАССИ И КРЕПЕЖНЫЕ ДЕТАЛИ

РАМА ШАССИ И КРЕПЕЖНЫЕ ДЕТАЛИ

1Артикул: 6589728, MOUNT
2Артикул: 6571670, INSULATION
3Артикул: 6568790, INSULATION
Подробнее >