+7 (701) 588 50 05 Телефон для связи
RU

WhatsApp

Позвонить

РАМА в Алматы

КАБИНА ОПЕРАТОРА

КАБИНА ОПЕРАТОРА

1Артикул: NLA, NLA - W/Ref. 2-48 and all items on Ill. D2320, B20208, C3343, D2314 & E2379 - cab assy w/o heater is available from Gwinner Sales #6801478 - Was SALES - A
2Артикул: CAB, CAB NLA - Weldment - order 6802950
3Артикул: 6802950, CAB Weldment - Was 6801477 - D
Подробнее >
БОКОВЫЕ ПАНЕЛИ И БАКИ

БОКОВЫЕ ПАНЕЛИ И БАКИ

1Артикул: 515069, GROMMET
2Артикул: 6536802, WASHER
3Артикул: 6587544, PLATE
Подробнее >
КАБИНА И КРОНШТЕЙН

КАБИНА И КРОНШТЕЙН

1Артикул: See, See Illustration OPERATOR CAB/ E2377 - SALES - order cab assy w/o heater from Gwinner Sales #6801478
2Артикул: 6805244, WASHER Was 6597241 - A
3Артикул: 6560633, DAMPENER
Подробнее >
СИДЕНЬЕ (СИДЕНЬЕ С ПОДВЕСКОЙ С ПОДЛОКОТНИКОМ) (УЗЕЛ)

СИДЕНЬЕ (СИДЕНЬЕ С ПОДВЕСКОЙ С ПОДЛОКОТНИКОМ) (УЗЕЛ)

1Артикул: SEAT, SEAT NLA - complete - cloth covered - W/Ref. 2-66 - order 6685657, redrill mounting holes as required - Was 6672519 - A
2Артикул: SEAT, SEAT NLA - complete - vinyl covered - W/Ref. 2-66 - Order 6685657 & redrill mounting holes as required - Was 6672520 - A
3Артикул: 6664180, CUSHION Bottom - vinyl
Подробнее >
СИДЕНЬЕ И КРОНШТЕЙН (СТАНДАРТНОЕ СИДЕНИЕ БЕЗ ПОДЛОКОТНИКА)

СИДЕНЬЕ И КРОНШТЕЙН (СТАНДАРТНОЕ СИДЕНИЕ БЕЗ ПОДЛОКОТНИКА)

1Артикул: 6632388, SEAT W/Ref. 2-5 & 17
2Артикул: 3737081, CUSHION, SEAT BACK VINYL Backrest
3Артикул: 3737010, CUSHION, SEAT Seat
Подробнее >
ОБОГРЕВАТЕЛЬ В СБОРЕ (СЕРИЙНЫЙ НОМЕР 514014900 И ВЫШЕ И 516611001 И ВЫШЕ)

ОБОГРЕВАТЕЛЬ В СБОРЕ (СЕРИЙНЫЙ НОМЕР 514014900 И ВЫШЕ И 516611001 И ВЫШЕ)

1Артикул: 6671028, HEATER ASSY W/Ref. 2-36
2Артикул: 6654191, VALVE Water Shutoff
3Артикул: 6672978, CORE Heater
Подробнее >
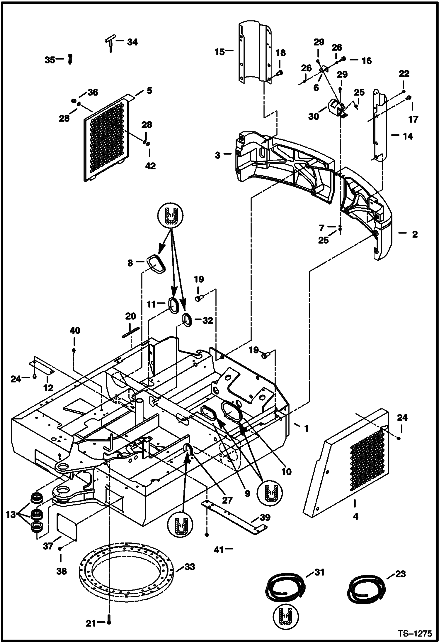
КОРПУС КУЗОВА И КРЫШКА ДВИГАТЕЛЯ (СЕРИЙНЫЙ НОМЕР 514013001-514014899)

КОРПУС КУЗОВА И КРЫШКА ДВИГАТЕЛЯ (СЕРИЙНЫЙ НОМЕР 514013001-514014899)

1Артикул: 6628629, FRAME Upperstructure
2Артикул: 6588239, COUNTERWEIGHT L.H.
3Артикул: 6588241, COUNTERWEIGHT R.H.
Подробнее >
КАБИНА ВОДИТЕЛЯ (ДВЕРЬ) (СЕРИЙНЫЙ НОМЕР 514013001 - 514017163 И 516611001 - 516611784)

КАБИНА ВОДИТЕЛЯ (ДВЕРЬ) (СЕРИЙНЫЙ НОМЕР 514013001 - 514017163 И 516611001 - 516611784)

1Артикул: See, See Illustration OPERATOR CAB/ PE1005 See BTIE-058 NLA - W/Ref. 2-21 - Was 6628863 - A
2Артикул: DOOR, DOOR See BTIE-058 NLA - Weldment - Was 6628864 - A
3Артикул: 6661631, LATCH Outside
Подробнее >
КАБИНА ВОДИТЕЛЯ (ЛОБОВОЕ СТЕКЛО) (СЕРИЙНЫЙ НОМЕР 514013001-514014099)

КАБИНА ВОДИТЕЛЯ (ЛОБОВОЕ СТЕКЛО) (СЕРИЙНЫЙ НОМЕР 514013001-514014099)

1Артикул: WINDOW, WINDOW ASSY NLA - Ref. 1-6, 10-17, 19-23, 25, 27-29 & 35 - Order 6667155
2Артикул: 6667155, WINDOW ASSY Ref. 2-15, 19, 20, 23-29& 37
3Артикул: 6628875, FRAME
Подробнее >
СИДЕНЬЕ, КРОНШТЕЙН И ЛИСТЫ НАСТИЛА (СИДЕНЬЕ С ПОДВЕСКОЙ С ПОДЛОКОТНИКОМ)

СИДЕНЬЕ, КРОНШТЕЙН И ЛИСТЫ НАСТИЛА (СИДЕНЬЕ С ПОДВЕСКОЙ С ПОДЛОКОТНИКОМ)

1Артикул: SEAT, SEAT NLA - vinyl - Order 6685657 & redrill mounting holes as required - Was 6672520 - A
2Артикул: SEAT, SEAT NLA - complete - cloth covered - W/Ref. 2-66 - order 6685657, redrill mounting holes as required - Was 6672519 - A
3Артикул: 6670865, BELT, SEAT
Подробнее >
КРЫША НАД СИДЕНЬЕМ ВОДИТЕЛЯ И КРОНШТЕЙН

КРЫША НАД СИДЕНЬЕМ ВОДИТЕЛЯ И КРОНШТЕЙН

1Артикул: CANOPY, CANOPY NLA - Order 6800748 - Was SALES - A
2Артикул: 6800748, CANOPY weldment only
3Артикул: 7CM1240, SCREW
Подробнее >
ИЗОЛЯЦИЯ КАБИНЫ (СЕРИЙНЫЙ НОМЕР 514013001-514014899)

ИЗОЛЯЦИЯ КАБИНЫ (СЕРИЙНЫЙ НОМЕР 514013001-514014899)

1Артикул: 6802959, INSULATION
2Артикул: 6800884, INSULATION
3Артикул: 6588798, INSULATION
Подробнее >
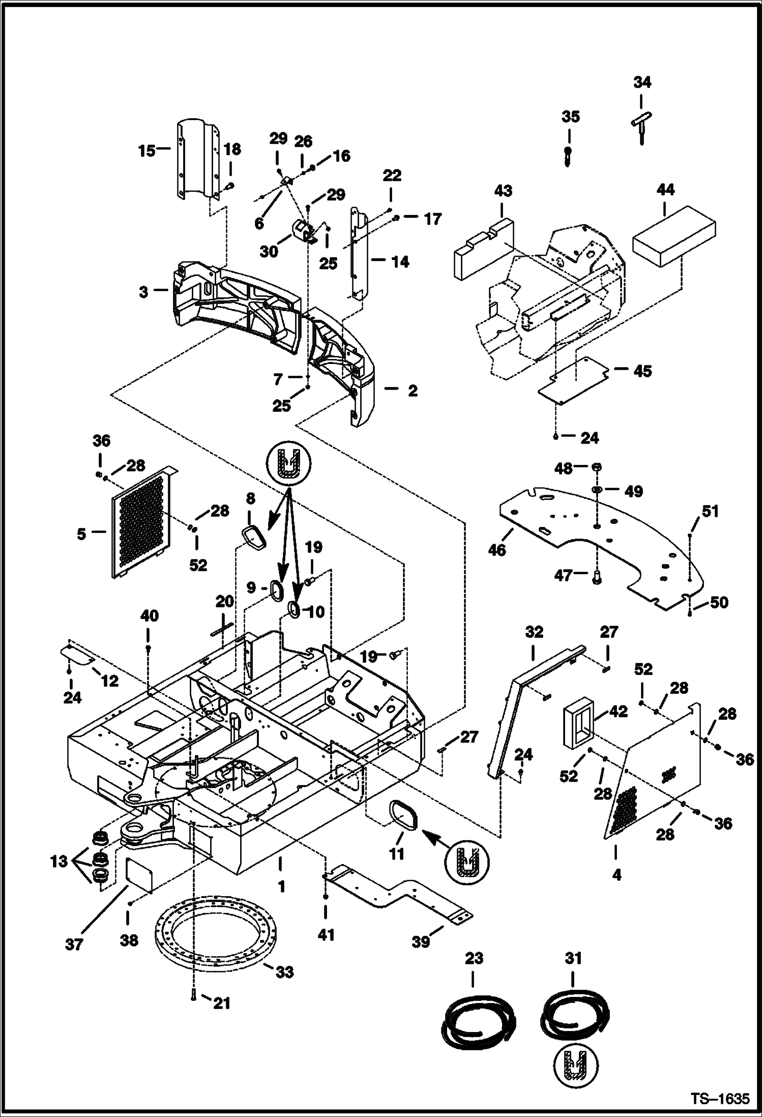
КОРПУС КУЗОВА И КРЫШКА ДВИГАТЕЛЯ (СЕРИЙНЫЙ НОМЕР 514014900 И ВЫШЕ И 516611001 И ВЫШЕ)

КОРПУС КУЗОВА И КРЫШКА ДВИГАТЕЛЯ (СЕРИЙНЫЙ НОМЕР 514014900 И ВЫШЕ И 516611001 И ВЫШЕ)

1Артикул: 6803336, FRAME Upperstructure
2Артикул: 6588239, COUNTERWEIGHT L.H.
3Артикул: 6588241, COUNTERWEIGHT R.H.
Подробнее >
ОБОГРЕВАТЕЛЬ (С МОТОРОМ, ГДЕ 3 ВЕНТИЛЯТОРА И С ФИЛЬТРОМ) (СЕРИЙНЫЙ НОМЕР 514013001-514014899)

ОБОГРЕВАТЕЛЬ (С МОТОРОМ, ГДЕ 3 ВЕНТИЛЯТОРА И С ФИЛЬТРОМ) (СЕРИЙНЫЙ НОМЕР 514013001-514014899)

1Артикул: 6665242, HEATER W/Ref. 2-26 & 28-31
2Артикул: 6664342, LOUVER
3Артикул: 6632584, RESISTOR
Подробнее >
КАБИНА ВОДИТЕЛЯ (ПРАВОСТОРОННЕЕ ОКНО) (3 ОДИНАРНОЕ ОСТЕКЛЕНИЕ)

КАБИНА ВОДИТЕЛЯ (ПРАВОСТОРОННЕЕ ОКНО) (3 ОДИНАРНОЕ ОСТЕКЛЕНИЕ)

1Артикул: 6667616, WINDOW ASSY RH - W/Ref. 2-24
2Артикул: 6667593, LATCH
3Артикул: 6667594, LATCH
Подробнее >
КАБИНА ВОДИТЕЛЯ (ДВЕРЬ) (СЕРИЙНЫЙ НОМЕР 514017164 И ВЫШЕ И 516611785 И ВЫШЕ)

КАБИНА ВОДИТЕЛЯ (ДВЕРЬ) (СЕРИЙНЫЙ НОМЕР 514017164 И ВЫШЕ И 516611785 И ВЫШЕ)

1Артикул: DOOR, DOOR ASSY NLA - Ref. 2 - 14 - Order components & 6709527 Key - Was 6805226 - A
2Артикул: DOOR, DOOR NLA - Ref. 2 - 14 - Order components - Was 6807782 - A
3Артикул: 6805474, HINGE weld-on
Подробнее >
КАБИНА ВОДИТЕЛЯ (ПРАВОСТОРОННЕЕ ОКНО) (2 ОДИНАРНОЕ ОСТЕКЛЕНИЕ)

КАБИНА ВОДИТЕЛЯ (ПРАВОСТОРОННЕЕ ОКНО) (2 ОДИНАРНОЕ ОСТЕКЛЕНИЕ)

1Артикул: WINDOW, WINDOW ASSY. NLA - Sliding - W/Ref. 2-18 - Order 6667616
2Артикул: 6664865, FRAME Top
3Артикул: 6664866, FRAME Bottom
Подробнее >
КРЫШКА ДВИГАТЕЛЯ (СЕРИЙНЫЙ НОМЕР 514014900 И ВЫШЕ И 516611001 И ВЫШЕ)

КРЫШКА ДВИГАТЕЛЯ (СЕРИЙНЫЙ НОМЕР 514014900 И ВЫШЕ И 516611001 И ВЫШЕ)

1Артикул: 6803846, COVER Engine
2Артикул: 6803337, COVER Front Engine
3Артикул: TOOL, TOOL BOX NLA - Was 6596086 - A
Подробнее >
КАБИНА ВОДИТЕЛЯ (ЛОБОВОЕ СТЕКЛО) (СЕРИЙНЫЙ НОМЕР 514014100 И ВЫШЕ И 516611001 И ВЫШЕ)

КАБИНА ВОДИТЕЛЯ (ЛОБОВОЕ СТЕКЛО) (СЕРИЙНЫЙ НОМЕР 514014100 И ВЫШЕ И 516611001 И ВЫШЕ)

1Артикул: WINDOW, WINDOW NLA - Ref. 1-6, 10-17, 19-23, 25, 27-29 & 35 - Order components - Was 6807874 - A
2Артикул: 6800876, FRAME
3Артикул: 6801502, LATCH RH
Подробнее >
КРЫШКА ДВИГАТЕЛЯ (СЕРИЙНЫЙ НОМЕР 514013001-514014899)

КРЫШКА ДВИГАТЕЛЯ (СЕРИЙНЫЙ НОМЕР 514013001-514014899)

1Артикул: 6596087, COVER Engine
2Артикул: 6596232, COVER Front Engine
3Артикул: TOOL, TOOL BOX NLA - Was 6596086 - A
Подробнее >