+7 (701) 588 50 05 Телефон для связи
RU

WhatsApp

Позвонить

СИДЕНЬЕ (СИДЕНЬЕ С ПОДВЕСКОЙ С ПОДЛОКОТНИКОМ) (УЗЕЛ) — Продажа в Казахстане Цены от официального дилера с доставкой в Алматы, Астану и регионы

Техника доступна в:
Полный спектр услуг:
Для Вашего удобства:
Характеристики и описание
Габариты, схема
Техническая документация
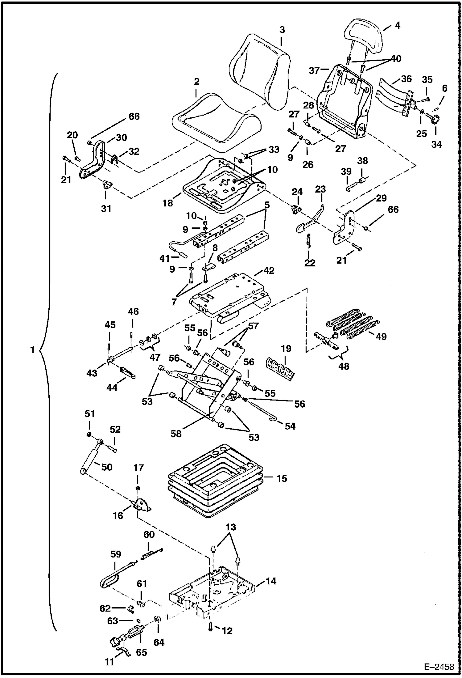
1 Артикул: SEAT, SEAT NLA - complete - cloth covered - W/Ref. 2-66 - order 6685657, redrill mounting holes as required - Was 6672519 - A
2 Артикул: SEAT, SEAT NLA - complete - vinyl covered - W/Ref. 2-66 - Order 6685657 & redrill mounting holes as required - Was 6672520 - A
3 Артикул: 6664180, CUSHION Bottom - vinyl
4 Артикул: 6659451, CUSHION, SEAT CLOTH Bottom - cloth
5 Артикул: 6670721, CUSHION Back - vinyl
6 Артикул: 6659447, CUSHION Back - cloth
7 Артикул: 6659456, HEADREST Cloth
8 Артикул: 6675041, HEADREST Vinyl
9 Артикул: 6677479, RAILS Set - Was 6677479 - D
10 Артикул: PIN, PIN NSS - Order Ref. 34
11 Артикул: 1CM816, BOLT
12 Артикул: 6675040, STOP
13 Артикул: 6659431, WASHER
14 Артикул: 1DM8, NUT
15 Артикул: 6659423, BAND
16 Артикул: 1CM612, BOLT
17 Артикул: 6650509, BUMPER
18 Артикул: 6675061, PLATE Lower - W/Ref. 13, 61 & 62
19 Артикул: 6659424, COVER
20 Артикул: 6675062, STOP W/Ref. 12 & 17
21 Артикул: 1DM6, NUT
22 Артикул: 6675044, SEAT PAN
23 Артикул: 6675063, SPRING
24 Артикул: 1CM825, BOLT
25 Артикул: BOLT, BOLT NSS
26 Артикул: 6675045, SPRING
27 Артикул: 6675046, LEVER W/Ref. 22
28 Артикул: 6675047, PLATE
29 Артикул: WASHER, WASHER NSS - Order Ref. 34
30 Артикул: 6675048, TUBE
31 Артикул: 1CM830, BOLT
32 Артикул: 6675049, BUSHING
33 Артикул: 6675067, BRACKET LT. W/Ref. 9, 20, 21, 23, 24, 26, 27, 38, 39 & 66
34 Артикул: 6675068, BRACKET RT. W/Ref. 20, 21, 27, 28, 31, 32 & 66
35 Артикул: 6675050, PLATE
36 Артикул: 6675051, SPRING
37 Артикул: 61D7, NUT
38 Артикул: 6675052, SPINDLE W/Ref. 6
39 Артикул: RIVET, RIVET NSS - Order Ref. 36
40 Артикул: 6675053, SUPPORT W/Ref. 35
41 Артикул: 6675054, BACKREST
42 Артикул: KNOB, KNOB NSS - Order Ref. 29
43 Артикул: ROD, ROD NSS - Order Ref. 29
44 Артикул: 6659444, BUSHING
45 Артикул: 6675066, HANDLE
46 Артикул: 6675055, MOUNT
47 Артикул: 6675065, SPINDLE Assy. W/Ref. 44
48 Артикул: 6675056, HANDLE W/Ref. 4
49 Артикул: PIN, PIN NSS - Order Ref. 44
50 Артикул: 6659404, DOWEL Was 6659429 - A
51 Артикул: WASHER, WASHER NSS - Order Ref. 43
52 Артикул: BRACKET, BRACKET NSS - Order Ref. 43
53 Артикул: 6659408, SPRING
54 Артикул: 6659409, SHOCK W/Ref. 51 & 52
55 Артикул: 6650441, WASHER
56 Артикул: 6650475, BOLT
57 Артикул: 6650464, ROLLER
58 Артикул: PIN, PIN Was 6675057 - A
59 Артикул: 1DM8, NUT
60 Артикул: 6650488, BUSHING
61 Артикул: 6675058, BOLT
62 Артикул: 6675059, ARMS Assy. Ref. 19 & 53-57
63 Артикул: 6675060, INDICATOR Weight - W/Ref. 60 - 62
64 Артикул: 6650474, SPRING
65 Артикул: 6650460, ROLLER
66 Артикул: 6650466, GUIDE
67 Артикул: 6650440, WASHER
68 Артикул: 6650459, WASHER
69 Артикул: 6659420, REGULATOR Height - W/Ref. 11, 63 & 64
70 Артикул: 6668060, NUT

СИДЕНЬЕ (СИДЕНЬЕ С ПОДВЕСКОЙ С ПОДЛОКОТНИКОМ) (УЗЕЛ): Техника, которая работает на результат

СИДЕНЬЕ (СИДЕНЬЕ С ПОДВЕСКОЙ С ПОДЛОКОТНИКОМ) (УЗЕЛ) на мини-экскаватор Bobcat 325 514013001 И ВЫШЕ, 516611001 И ВЫШЕ

Габаритные размеры

Габаритные размеры и схема СИДЕНЬЕ (СИДЕНЬЕ С ПОДВЕСКОЙ С ПОДЛОКОТНИКОМ) (УЗЕЛ)

Нажмите на схему для увеличения

Документация

Документация временно недоступна.

Похожая техника в категории: РАМА (Bobcat)

Спецтехника КАБИНА ОПЕРАТОРА

КАБИНА ОПЕРАТОРА

1Артикул: NLA, N...
2Артикул: CAB, C...
3Артикул: 680295...
Подробнее >
Спецтехника БОКОВЫЕ ПАНЕЛИ И БАКИ

БОКОВЫЕ ПАНЕЛИ И БАКИ

1Артикул: 515069...
2Артикул: 653680...
3Артикул: 658754...
Подробнее >
Спецтехника КАБИНА И КРОНШТЕЙН

КАБИНА И КРОНШТЕЙН

1Артикул: See, S...
2Артикул: 680524...
3Артикул: 656063...
Подробнее >
Спецтехника СИДЕНЬЕ И КРОНШТЕЙН (СТАНДАРТНОЕ СИДЕНИЕ БЕЗ ПОДЛОКОТНИКА)

СИДЕНЬЕ И КРОНШТЕЙН (СТАНДАРТНОЕ СИДЕНИЕ БЕЗ ПОДЛОКОТНИКА)

1Артикул: 663238...
2Артикул: 373708...
3Артикул: 373701...
Подробнее >
Спецтехника ОБОГРЕВАТЕЛЬ В СБОРЕ (СЕРИЙНЫЙ НОМЕР 514014900 И ВЫШЕ И 516611001 И ВЫШЕ)

ОБОГРЕВАТЕЛЬ В СБОРЕ (СЕРИЙНЫЙ НОМЕР 514014900 И ВЫШЕ И 516611001 И ВЫШЕ)

1Артикул: 667102...
2Артикул: 665419...
3Артикул: 667297...
Подробнее >
Спецтехника КОРПУС КУЗОВА И КРЫШКА ДВИГАТЕЛЯ (СЕРИЙНЫЙ НОМЕР 514013001-514014899)

КОРПУС КУЗОВА И КРЫШКА ДВИГАТЕЛЯ (СЕРИЙНЫЙ НОМЕР 514013001-514014899)

1Артикул: 662862...
2Артикул: 658823...
3Артикул: 658824...
Подробнее >
Спецтехника КАБИНА ВОДИТЕЛЯ (ДВЕРЬ) (СЕРИЙНЫЙ НОМЕР 514013001 - 514017163 И 516611001 - 516611784)

КАБИНА ВОДИТЕЛЯ (ДВЕРЬ) (СЕРИЙНЫЙ НОМЕР 514013001 - 514017163 И 516611001 - 516611784)

1Артикул: See, S...
2Артикул: DOOR, ...
3Артикул: 666163...
Подробнее >
Спецтехника КАБИНА ВОДИТЕЛЯ (ЛОБОВОЕ СТЕКЛО) (СЕРИЙНЫЙ НОМЕР 514013001-514014099)

КАБИНА ВОДИТЕЛЯ (ЛОБОВОЕ СТЕКЛО) (СЕРИЙНЫЙ НОМЕР 514013001-514014099)

1Артикул: WINDOW...
2Артикул: 666715...
3Артикул: 662887...
Подробнее >
Спецтехника СИДЕНЬЕ, КРОНШТЕЙН И ЛИСТЫ НАСТИЛА (СИДЕНЬЕ С ПОДВЕСКОЙ С ПОДЛОКОТНИКОМ)

СИДЕНЬЕ, КРОНШТЕЙН И ЛИСТЫ НАСТИЛА (СИДЕНЬЕ С ПОДВЕСКОЙ С ПОДЛОКОТНИКОМ)

1Артикул: SEAT, ...
2Артикул: SEAT, ...
3Артикул: 667086...
Подробнее >
Спецтехника КРЫША НАД СИДЕНЬЕМ ВОДИТЕЛЯ И КРОНШТЕЙН

КРЫША НАД СИДЕНЬЕМ ВОДИТЕЛЯ И КРОНШТЕЙН

1Артикул: CANOPY...
2Артикул: 680074...
3Артикул: 7CM124...
Подробнее >
Спецтехника ИЗОЛЯЦИЯ КАБИНЫ (СЕРИЙНЫЙ НОМЕР 514013001-514014899)

ИЗОЛЯЦИЯ КАБИНЫ (СЕРИЙНЫЙ НОМЕР 514013001-514014899)

1Артикул: 680295...
2Артикул: 680088...
3Артикул: 658879...
Подробнее >
Спецтехника КОРПУС КУЗОВА И КРЫШКА ДВИГАТЕЛЯ (СЕРИЙНЫЙ НОМЕР 514014900 И ВЫШЕ И 516611001 И ВЫШЕ)

КОРПУС КУЗОВА И КРЫШКА ДВИГАТЕЛЯ (СЕРИЙНЫЙ НОМЕР 514014900 И ВЫШЕ И 516611001 И ВЫШЕ)

1Артикул: 680333...
2Артикул: 658823...
3Артикул: 658824...
Подробнее >