+7 (701) 588 50 05 Телефон для связи
RU

WhatsApp

Позвонить

СИЛОВОЙ АГРЕГАТ в Алматы

КОМПОНЕНТЫ ШАССИ (1)

КОМПОНЕНТЫ ШАССИ (1)

1Артикул: K1012716A, CHASSIS COMPONENTS
2Артикул: 160611-00089, COMPONENTS ASSY
3Артикул: K1011995, BEARING;SWING
Подробнее >
2230 FRONT DOZER PIPING [5001~5661]

2230 FRONT DOZER PIPING [5001~5661]

1Артикул: K1029847, PIPING,BLADE;FRONT
2Артикул: 420212-01256, PIPING,BLADE;FRONT
3Артикул: DS2013696, HOSE
Подробнее >
2160 BRAKE PIPING

2160 BRAKE PIPING

1Артикул: K1013771G, BRAKE PIPING
2Артикул: DS2109009, HOSE
3Артикул: DS2092114, HOSE
Подробнее >
СИСТЕМА ТРУБОПРОВОДА КАРДАННОГО ВАЛА (1)

СИСТЕМА ТРУБОПРОВОДА КАРДАННОГО ВАЛА (1)

1Артикул: K1013626C, PROPELLING PIPING
2Артикул: 420212-06737, PIPING,UNDERCARRIAGE
3Артикул: 2181-9081, FLANGE
Подробнее >
РАМКА ШАССИ

РАМКА ШАССИ

1Артикул: K1019007C, CHASSIS FRAME;F/D-R/O
2Артикул: K1019007E, CHASSIS FRAME;F/D-R/O
3Артикул: K1019004C, CHASSIS FRAME
Подробнее >
2231 FRONT DOZER PIPING [5662~]

2231 FRONT DOZER PIPING [5662~]

1Артикул: 420212-06588, PIPING,BLADE
2Артикул: DS2023694, HOSE
3Артикул: DS2023696, HOSE
Подробнее >
СИСТЕМА ТРУБОПРОВОДА КАРДАННОГО ВАЛА (2)

СИСТЕМА ТРУБОПРОВОДА КАРДАННОГО ВАЛА (2)

1Артикул: K1013628H, PROPELLING PIPING
2Артикул: K1013632A, PIPE
3Артикул: K1013633A, PIPE
Подробнее >
ПЕРЕДНИЙ БУЛЬДОЗЕР

ПЕРЕДНИЙ БУЛЬДОЗЕР

1Артикул: K1006554C, BLADE ASS`Y-FRONT
2Артикул: 230102-00014, BLADE ASSY,DOZER
3Артикул: 230102-00068, BLADE ASSY,DOZER
Подробнее >
ЗАДНИЙ АУТРИГЕР - ИНДИЯ

ЗАДНИЙ АУТРИГЕР - ИНДИЯ

1Артикул: K1018600G, OUTRIGGER;REAR
2Артикул: 101554-00006, OUTRIGGER ASSY;REAR
3Артикул: K1018573B, OUTRIGGER FRAME;REAR
Подробнее >
ШИНА - 14 PR

ШИНА - 14 PR

1Артикул: K1012721, TIRE ASS`Y-10.00(14PR)
2Артикул: 900141-00010, TIRE ASS`Y-10.00(14PR)
3Артикул: K1013020, WHEEL ASS`Y
Подробнее >
2200 FRONT DOZER & REAR OUTRIGGER PIPING

2200 FRONT DOZER & REAR OUTRIGGER PIPING

1Артикул: K1013793G, UNDER CARRIAGE PIPING
2Артикул: 420212-11434, UNDER CARRIAGE PIPING
3Артикул: DS2093127, HOSE
Подробнее >
2211 SLIP RING [5862~]

2211 SLIP RING [5862~]

1Артикул: 111103-00018B, RING ASSY,SLIP
2Артикул: 111103-00003A, RING,SLIP
3Артикул: 420207-01003, PIPE;SLIP RING
Подробнее >
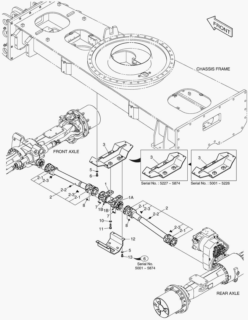
СИЛОВОЙ АГРЕГАТ - ВАЛ

СИЛОВОЙ АГРЕГАТ - ВАЛ

1Артикул: K1025234B, POWER TRAIN
2Артикул: 130716-00006, POWER TRAIN
3Артикул: K1006944, SHAFT;PROPELLER(CENTER)
Подробнее >
ТРУБОПРОВОД ЗАДНЕГО АУТРИГЕРА - ИНДИЯ

ТРУБОПРОВОД ЗАДНЕГО АУТРИГЕРА - ИНДИЯ

1Артикул: K1010994A, OUTRIGGER PIPING-REAR
2Артикул: DS2012406, HOSE
3Артикул: DS2012414, HOSE
Подробнее >
2170 STEER & CHOCKING PIPING

2170 STEER & CHOCKING PIPING

1Артикул: K1013198C, STEER & CHOCK PIPING
2Артикул: 2423-9007A, VALVE,CHOCKING
3Артикул: 410116-00134A, VALVE,CHOCK
Подробнее >
2210 SLIP RING [5001~5861]

2210 SLIP RING [5001~5861]

1Артикул: K1017498A, SLIP RING ASS`Y
2Артикул: 111103-00018, RING ASSY,SLIP
3Артикул: 111103-00018A, RING ASSY,SLIP
Подробнее >
КОМПОНЕНТЫ ШАССИ (2)

КОМПОНЕНТЫ ШАССИ (2)

1Артикул: K1012718C, CHASSIS COMPONENTS
2Артикул: 160611-00040, COMPONENTS ASSY,CHASSIS
3Артикул: K1012760A, STEP;(L.H)
Подробнее >
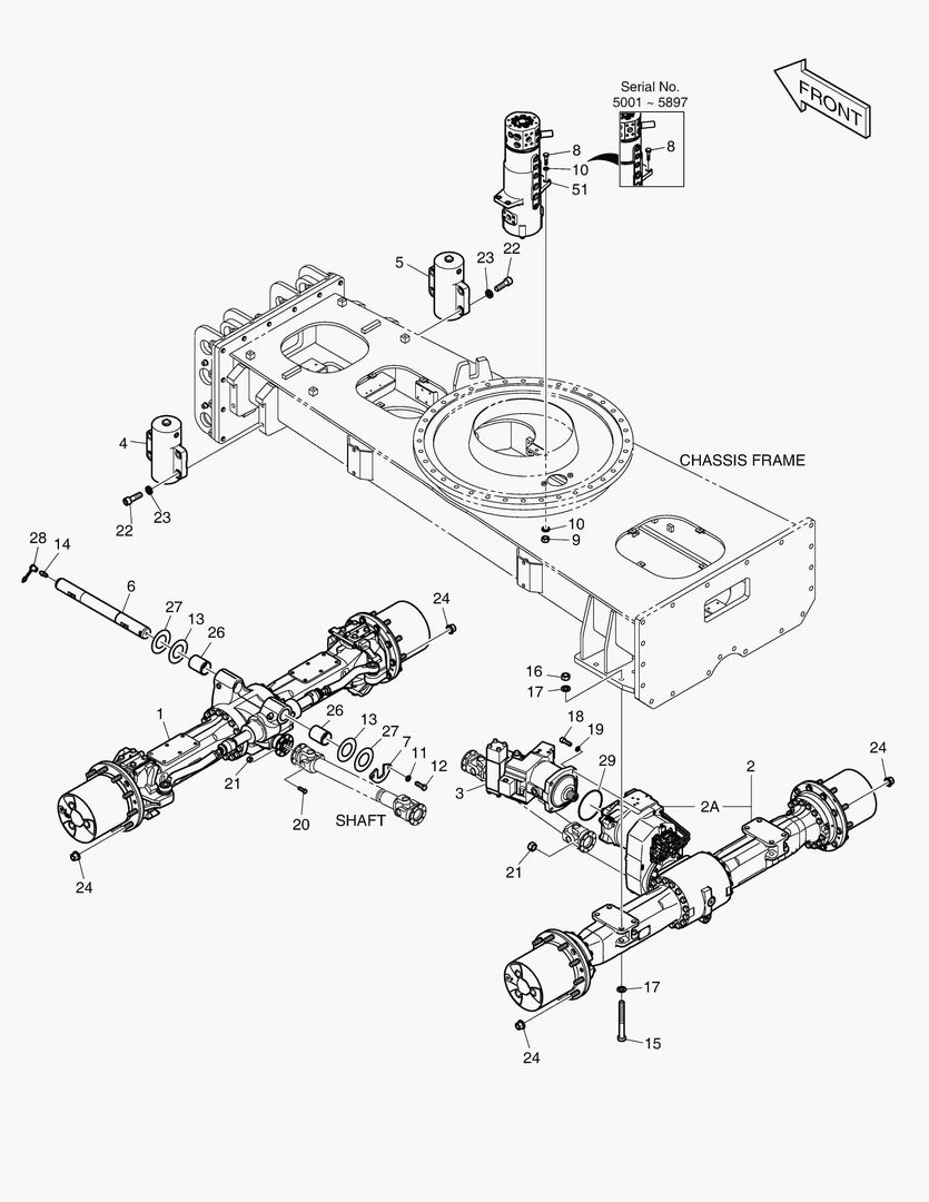
СИЛОВОЙ АГРЕГАТ - ОСЬ

СИЛОВОЙ АГРЕГАТ - ОСЬ

1Артикул: K1012731E, POWER TRAIN
2Артикул: 130809-00019, POWERTRAIN ASSY
3Артикул: K1012711, AXLE;FRONT
Подробнее >