+7 (701) 588 50 05 Телефон для связи
RU

WhatsApp

Позвонить

ТРАНСМИССИЯ в Алматы

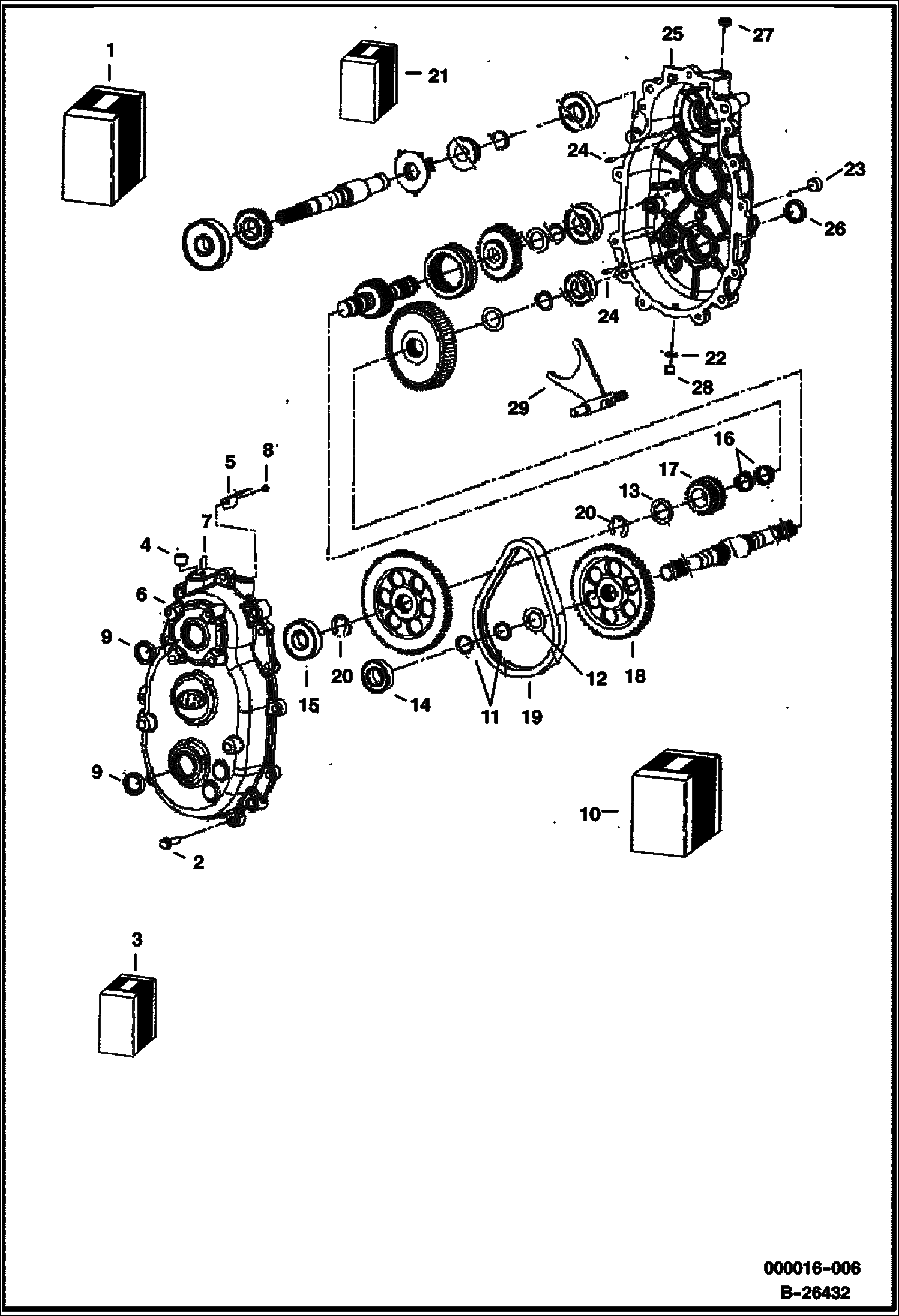
КОРОБКА ПЕРЕДАЧ ДЛЯ ДИЗЕЛЬНЫХ ДВИГАТЕЛЕЙ (ПЕРВОНАЧАЛЬНАЯ КОНСТРУКЦИЯ)

КОРОБКА ПЕРЕДАЧ ДЛЯ ДИЗЕЛЬНЫХ ДВИГАТЕЛЕЙ (ПЕРВОНАЧАЛЬНАЯ КОНСТРУКЦИЯ)

1Артикул: 102696001CC, NUT LOCK
2Артикул: 102696201CC, RING RETAINING EXT
3Артикул: 102696401CC, RING RETAINING EXT
Подробнее >
УСТАНОВКА ПЕРЕДНЕГО ДИФФЕРЕНЦИАЛА

УСТАНОВКА ПЕРЕДНЕГО ДИФФЕРЕНЦИАЛА

1Артикул: 102381701CC, SPACER
2Артикул: 102462401CC, HOSE VENT
3Артикул: 102491001CC, BOLT 3/8-16x1.0, flange, loctite
Подробнее >
ТРАНСМИССИЯ (ОБНОВЛЕННЫЙ ДИЗАЙН)

ТРАНСМИССИЯ (ОБНОВЛЕННЫЙ ДИЗАЙН)

1Артикул: 102943201CC, TRANSMISSION Diesel - W/Ref. 2- 59 - this is an updated transmission, parts will fit early design
2Артикул: 103178401CC, TRANSMISSION Gasoline - W/Ref. 2- 59 - this an updated transmission, parts will fit early design
3Артикул: 102764201CC, REAR GEARCASE ASSY W/Ref. 3-9
Подробнее >
СТЕРЖЕНЬ КРЕПЛЕНИЯ

СТЕРЖЕНЬ КРЕПЛЕНИЯ

1Артикул: 7288731, SHAFT Was 102371701CC - A
2Артикул: 7277973, SHAFT, PROP REAR includes the universal joints - Was 102372101CC - A
3Артикул: PIN, PIN NLA - Order 7030193 bolt & 102298401CC nut - Was 95293643CC - A
Подробнее >
РЫЧАГ ПЕРЕКЛЮЧЕНИЯ ПЕРЕДАЧИ В СБОРЕ

РЫЧАГ ПЕРЕКЛЮЧЕНИЯ ПЕРЕДАЧИ В СБОРЕ

1Артикул: 102868201CC, SHIFTER W/Ref. 2-21
2Артикул: 1014727CC, WASHER
3Артикул: 1014808CC, SWITCH, LIMIT
Подробнее >
ТРАНСМИССИЯ (ПЕРВОНАЧАЛЬНАЯ КОНСТРУКЦИЯ)

ТРАНСМИССИЯ (ПЕРВОНАЧАЛЬНАЯ КОНСТРУКЦИЯ)

1Артикул: 102943201CC, TRANSMISSION See Illustration TRANSMISSION/ B26433 W/Ref. 2-21 - this transmission also contains the parts from B26433
2Артикул: 102693301CC, SCREW
3Артикул: 102764201CC, REAR GEARCASE ASSY W/Ref. 4-9
Подробнее >
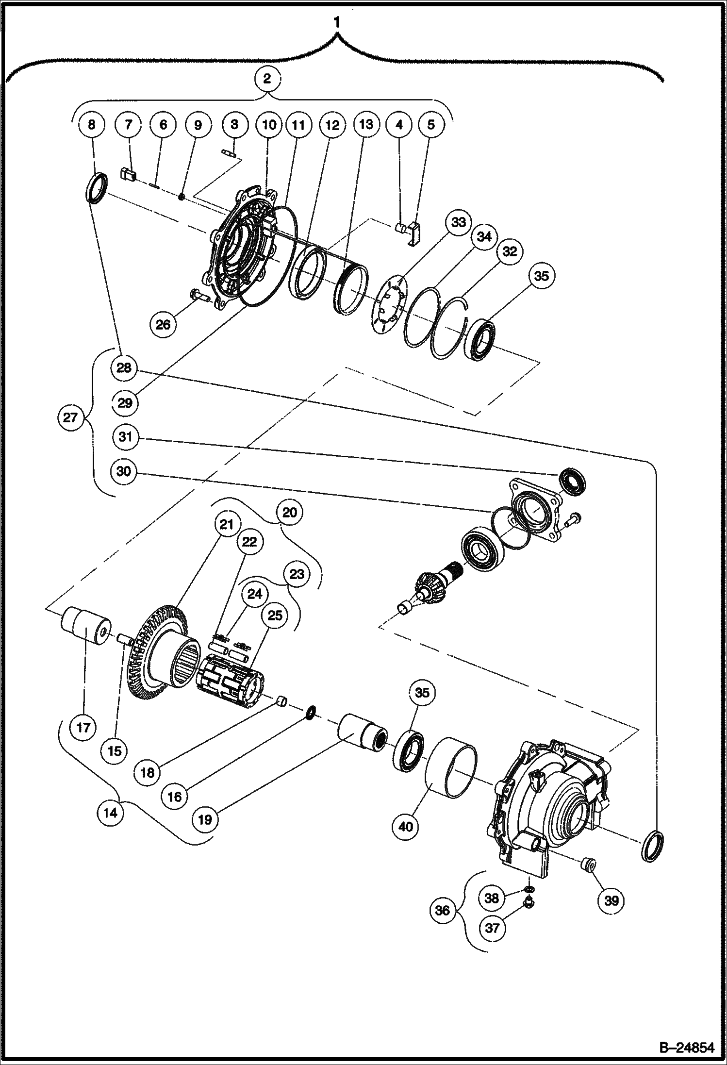
ВЫХОДНЫЕ ЗВЕНЬЯ ПЕРЕДНЕГО ДИФФЕРЕНЦИАЛА

ВЫХОДНЫЕ ЗВЕНЬЯ ПЕРЕДНЕГО ДИФФЕРЕНЦИАЛА

1Артикул: 102371801CC, DIFFERENTIAL, FRONT See Illustration FRONT DIFFERENTIAL/ B24855 W/Ref. 2-40 - also includes components in B-24855 - Was 102371801CC - A
2Артикул: 102438201CC, KIT ASSY OUTPUT COVER PLATE W/Ref. 3-13
3Артикул: 102439001CC, SET
Подробнее >
ДИФФЕРЕНЦИАЛ ЗАДНЕГО МОСТА

ДИФФЕРЕНЦИАЛ ЗАДНЕГО МОСТА

1Артикул: 7281295, DIFFERENTIAL W/Ref. 2-7 - Was 103871801CC - A
2Артикул: 102464201CC, BEARING BALL
3Артикул: 102464401CC, SEAL DUAL LIP
Подробнее >
ВХОДНЫЕ ЗВЕНЬЯ ПЕРЕДНЕГО ДИФФЕРЕНЦИАЛА

ВХОДНЫЕ ЗВЕНЬЯ ПЕРЕДНЕГО ДИФФЕРЕНЦИАЛА

1Артикул: 102440201CC, KIT ASSY INPUT COVER PLATE See Illustration FRONT DIFFERENTIAL/ B24854 W/Ref. 2-4
2Артикул: 102440601CC, COVER INPUT MACHINED
3Артикул: O-, O- RING NLA- order Ref. 1
Подробнее >