ТРАНСМИССИЯ (ОБНОВЛЕННЫЙ ДИЗАЙН) — Продажа в Казахстане Цены от официального дилера с доставкой в Алматы, Астану и регионы
×
❮
❯
Характеристики и описание
Габариты, схема
Техническая документация
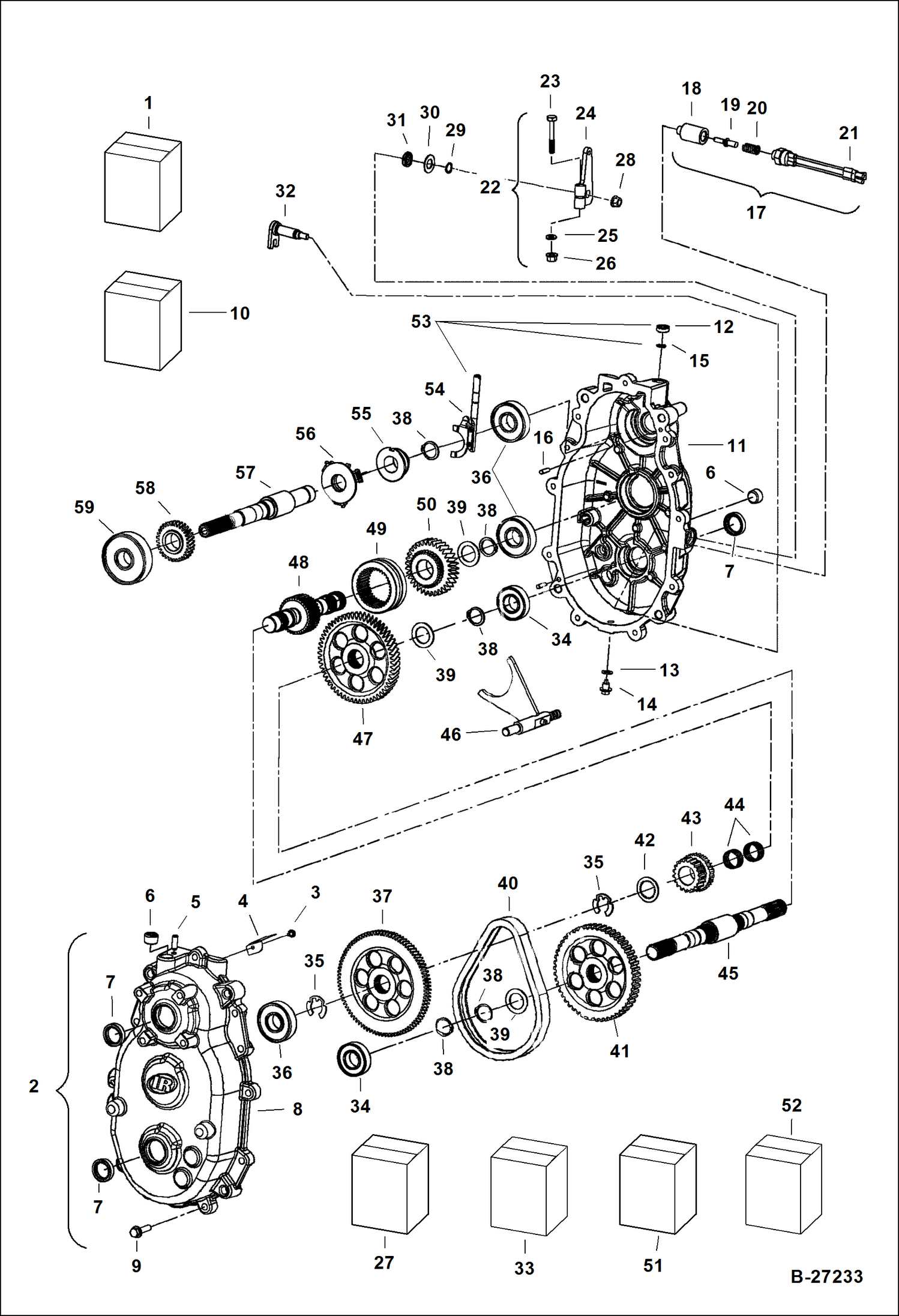
| 1 | Артикул: 102943201CC, TRANSMISSION Diesel - W/Ref. 2- 59 - this is an updated transmission, parts will fit early design |
| 2 | Артикул: 103178401CC, TRANSMISSION Gasoline - W/Ref. 2- 59 - this an updated transmission, parts will fit early design |
| 3 | Артикул: 102764201CC, REAR GEARCASE ASSY W/Ref. 3-9 |
| 4 | Артикул: 102698901CC, SCREW |
| 5 | Артикул: 102696301CC, OIL DEFLECTOR |
| 6 | Артикул: 102698301CC, VENT TRANS |
| 7 | Артикул: 102694201CC, PLUG SQUARE |
| 8 | Артикул: 102699401CC, SEAL |
| 9 | Артикул: GEARCASE,, GEARCASE, REAR NLA - Order 102764201CC rear gearcase assy. |
| 10 | Артикул: 102693301CC, SCREW |
| 11 | Артикул: 103250301CC, GEAR CASE ASM front - W/Ref. 6, 7 & 11-16 |
| 12 | Артикул: GEARCASE,, GEARCASE, FRONT NLA - Order 103250301CC front gearcase assy |
| 13 | Артикул: 102721501CC, SEAL LIP gasoline vehicle |
| 14 | Артикул: 102699501CC, PLUG diesel vehicle only |
| 15 | Артикул: 102693501CC, WASHER |
| 16 | Артикул: 102693401CC, PLUG |
| 17 | Артикул: 102700001CC, RING RETAINING gasoline vehicle |
| 18 | Артикул: 102696101CC, PIN DOWEL NLA - Was 102696101CC - A |
| 19 | Артикул: 102765101CC, KIT NEUTRAL SWITCH REPAIR W/Ref. 18-21 |
| 20 | Артикул: GUIDE,, GUIDE, DETENT BULLET NLA - Order 102765101CC kit |
| 21 | Артикул: BULLET,, BULLET, DETENT NLA - Order 102765101CC kit |
| 22 | Артикул: SPRING, SPRING NLA - Order 102765101CC kit |
| 23 | Артикул: SWITCH,, SWITCH, INDICATOR NLA - Order 102765101CC kit |
| 24 | Артикул: 103294301CC, KIT, BELLCRANK W/Ref. 22-25 |
| 25 | Артикул: 1010177CC, BOLT, 3/8-16 X 2.00 HEX HEAD |
| 26 | Артикул: BELLCRANK,, BELLCRANK, TRANS NLA - Order Ref. 22 - Was 103280201CC - A |
| 27 | Артикул: 334CC, WASHER |
| 28 | Артикул: 8754CC, NUT |
| 29 | Артикул: 102765001CC, KIT TRANS SHIFT SHAFT REPAIR W/Ref. 28-32 |
| 30 | Артикул: 102696001CC, NUT LOCK |
| 31 | Артикул: 102696401CC, RING RETAINING EXT |
| 32 | Артикул: 102696601CC, WASHER |
| 33 | Артикул: SEAL,DUAL, SEAL,DUAL LIP NLA - Order 102765001CC kit |
| 34 | Артикул: WELDMENT,, WELDMENT, SHIFT SHAFT NLA - Order 102765001CC kit |
| 35 | Артикул: 102765201CC, KIT REVERSE GEAR REPAIR W/Ref. 34-36 & 38 - 44 |
| 36 | Артикул: 102696801CC, BEARING |
| 37 | Артикул: 102699701CC, RING RETAINING |
| 38 | Артикул: 102696901CC, BEARING |
| 39 | Артикул: GEAR, GEAR NLA - Order 102764701CC kit - 90 tooth helical |
| 40 | Артикул: 102696201CC, RING RETAINING EXT |
| 41 | Артикул: 102696501CC, WASHER |
| 42 | Артикул: CHAIN, CHAIN NLA - Order 102765201CC kit |
| 43 | Артикул: SPROCKET, SPROCKET NLA - Order 102765201CC kit - 51 tooth |
| 44 | Артикул: 102696701CC, WASHER |
| 45 | Артикул: SPROCKET, SPROCKET NLA - Order 102765201CC kit - 19 tooth |
| 46 | Артикул: 102697101CC, BEARING |
| 47 | Артикул: 102698801CC, SHAFT OUTPUT |
| 48 | Артикул: 102697801CC, FORK WA TRANS |
| 49 | Артикул: GEAR, GEAR NLA - Order 102764901CC kit - helical 58 tooth |
| 50 | Артикул: 102698701CC, SHAFT INTERMEDIATE |
| 51 | Артикул: 102697501CC, DOG ENGAGEMENT |
| 52 | Артикул: GEAR, GEAR NLA - Order 102764901CC kit - 34 tooth helical |
| 53 | Артикул: 102764901CC, KIT FORWARD GEAR REPAIR W/Ref. 34, 36, 38, 39, 44, 47 & 50 |
| 54 | Артикул: 102764701CC, KIT INPUT SHAFT REPAIR W/Ref. 35-38 & 55-59 |
| 55 | Артикул: 102764801CC, KIT GOVERNOR SHAFT REPAIR W/Ref. 12, 15 & 54 - gasoline vehicles only |
| 56 | Артикул: 102700101CC, ASSY GOVERNOR ARM NLA - Was 102700101CC - A |
| 57 | Артикул: GOVERNOR, GOVERNOR SPOOL NLA - Order 102764701CC kit |
| 58 | Артикул: FLY, FLY WEIGHT NLA - Order 102764701CC kit |
| 59 | Артикул: INPUT, INPUT SHAFT NLA - Order 102764701CC kit |
| 60 | Артикул: GEAR, GEAR NLA - Order 102764701CC kit - 31 tooth helical |
| 61 | Артикул: 102697001CC, BEARING |
ТРАНСМИССИЯ (ОБНОВЛЕННЫЙ ДИЗАЙН): Техника, которая работает на результат
ТРАНСМИССИЯ (ОБНОВЛЕННЫЙ ДИЗАЙН) на дизельные автомобили Bobcat 2300 A59W11001 И ВЫШЕГабаритные размеры
Нажмите на схему для увеличения
Документация
Документация временно недоступна.
Похожая техника в категории: ТРАНСМИССИЯ (Bobcat)
КОРОБКА ПЕРЕДАЧ ДЛЯ ДИЗЕЛЬНЫХ ДВИГАТЕЛЕЙ (ПЕРВОНАЧАЛЬНАЯ КОНСТРУКЦИЯ)
1Артикул: 102696...
2Артикул: 102696...
3Артикул: 102696...
Подробнее >
УСТАНОВКА ПЕРЕДНЕГО ДИФФЕРЕНЦИАЛА
1Артикул: 102381...
2Артикул: 102462...
3Артикул: 102491...
Подробнее >
СТЕРЖЕНЬ КРЕПЛЕНИЯ
1Артикул: 728873...
2Артикул: 727797...
3Артикул: PIN, P...
Подробнее >
РЫЧАГ ПЕРЕКЛЮЧЕНИЯ ПЕРЕДАЧИ В СБОРЕ
1Артикул: 102868...
2Артикул: 101472...
3Артикул: 101480...
Подробнее >
ТРАНСМИССИЯ (ПЕРВОНАЧАЛЬНАЯ КОНСТРУКЦИЯ)
1Артикул: 102943...
2Артикул: 102693...
3Артикул: 102764...
Подробнее >
ВЫХОДНЫЕ ЗВЕНЬЯ ПЕРЕДНЕГО ДИФФЕРЕНЦИАЛА
1Артикул: 102371...
2Артикул: 102438...
3Артикул: 102439...
Подробнее >
ДИФФЕРЕНЦИАЛ ЗАДНЕГО МОСТА
1Артикул: 728129...
2Артикул: 102464...
3Артикул: 102464...
Подробнее >
ВХОДНЫЕ ЗВЕНЬЯ ПЕРЕДНЕГО ДИФФЕРЕНЦИАЛА
1Артикул: 102440...
2Артикул: 102440...
3Артикул: O-, O-...
Подробнее >