+7 (701) 588 50 05 Телефон для связи
RU

WhatsApp

Позвонить

ЗАПЧАСТИ ДВИГАТЕЛЯ в Алматы

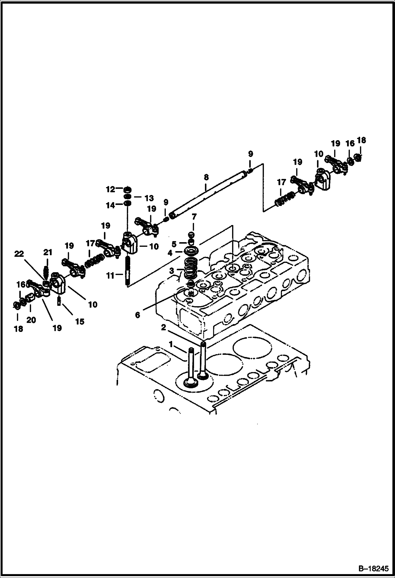
ГОЛОВКА БЛОКА ЦИЛИНДРОВ

ГОЛОВКА БЛОКА ЦИЛИНДРОВ

1Артикул: NLA, NLA - W/Ref. 2-7 - Order 6660965 - Was 6653800 - A
2Артикул: 6660965, HEAD ASSY See Illustration ROCKER ARM & VALVES/ B18245 Head Assy. - Ref. 1 -8, 13 - Ref. 1 - 7 & 11
3Артикул: 6660965REM, HEAD, KUBOTA, D1402
Подробнее >
РЫЧАГ УПРАВЛЕНИЯ ПОДАЧЕЙ ТОПЛИВА

РЫЧАГ УПРАВЛЕНИЯ ПОДАЧЕЙ ТОПЛИВА

1Артикул: 6535379, PLATE NLA - Was 6535379 - A
2Артикул: 6535350, LEVER NLA - W/Ref. 3 - Was 6535350 - A
3Артикул: BUSH, BUSH NLA - Was 6535309 - A
Подробнее >
ПОРШНИ И КОЛЕНЧАТЫЙ ВАЛ

ПОРШНИ И КОЛЕНЧАТЫЙ ВАЛ

1Артикул: 6630185, PISTON front or rear
2Артикул: 6631945, PISTON front or rear (.0197 - 0,5 mm)
3Артикул: 6653844, PISTON center
Подробнее >
КОРОМЫСЛО КЛАПАНА И КЛАПАНЫ

КОРОМЫСЛО КЛАПАНА И КЛАПАНЫ

1Артикул: 6653828, VALVE inlet
2Артикул: 6653829, VALVE exhaust
3Артикул: 3974514, SPRING 5
Подробнее >
ТОПЛИВНЫЙ РАСПРЕДЕЛИТЕЛЬНЫЙ ВАЛ

ТОПЛИВНЫЙ РАСПРЕДЕЛИТЕЛЬНЫЙ ВАЛ

1Артикул: 3974957, CAMSHAFT assy. - Ref. 2-14
2Артикул: 6653899, CAMSHAFT
3Артикул: 851242, BEARING
Подробнее >
ФИЛЬТР ДЛЯ ТОПЛИВА

ФИЛЬТР ДЛЯ ТОПЛИВА

1Артикул: FILTER, FILTER See Illustration FUEL SYSTEM/ D1952 See BTIE-024 - NLA - Ref. 2-14 - Was 6653959 - A
2Артикул: 6653960, HEAD
3Артикул: 6653961, FILTER
Подробнее >
ВОЗДУШНЫЙ ФИЛЬТР

ВОЗДУШНЫЙ ФИЛЬТР

1Артикул: 6653988, AIR CLEANER Assy. - W/Ref. 2-7 & 15
2Артикул: BODY, BODY NSS
3Артикул: 6646494, CARTRIDGE
Подробнее >
ОСНОВНОЙ КОРПУС ПОДШИПНИКА

ОСНОВНОЙ КОРПУС ПОДШИПНИКА

1Артикул: BEARING,, BEARING, MAIN main bearing - Was 7282492 - A
2Артикул: 6653813, BOLT
3Артикул: 3974471, GASKET See Illustration LOWER GASKET KIT/ C3220 INCLUDED W/LOWER GASKET KIT
Подробнее >
ТОПЛИВНАЯ СИСТЕМА

ТОПЛИВНАЯ СИСТЕМА

1Артикул: TANK, TANK NLA - fuel - Order 6535604 , 6569219 and 6654373 - Was 6535513 - A
2Артикул: 6535604, TANK
3Артикул: STRAINER, STRAINER NLA - Was 6535215
Подробнее >
НАСОС-ФОРСУНКА

НАСОС-ФОРСУНКА

1Артикул: 6653892, PUMP W/Ref. 2-19
2Артикул: 6655209, PLATE Was 3974365B - A
3Артикул: 3974366, BOLT
Подробнее >
РЕДУКТОР

РЕДУКТОР

1Артикул: 6644973, GEARCASE W/Ref. 2-6
2Артикул: 6667425, PLUG Was 6652591 - A
3Артикул: 3966515, O RING See Illustration LOWER GASKET KIT/ C3220 INCLUDED W/LOWER GASKET KIT
Подробнее >
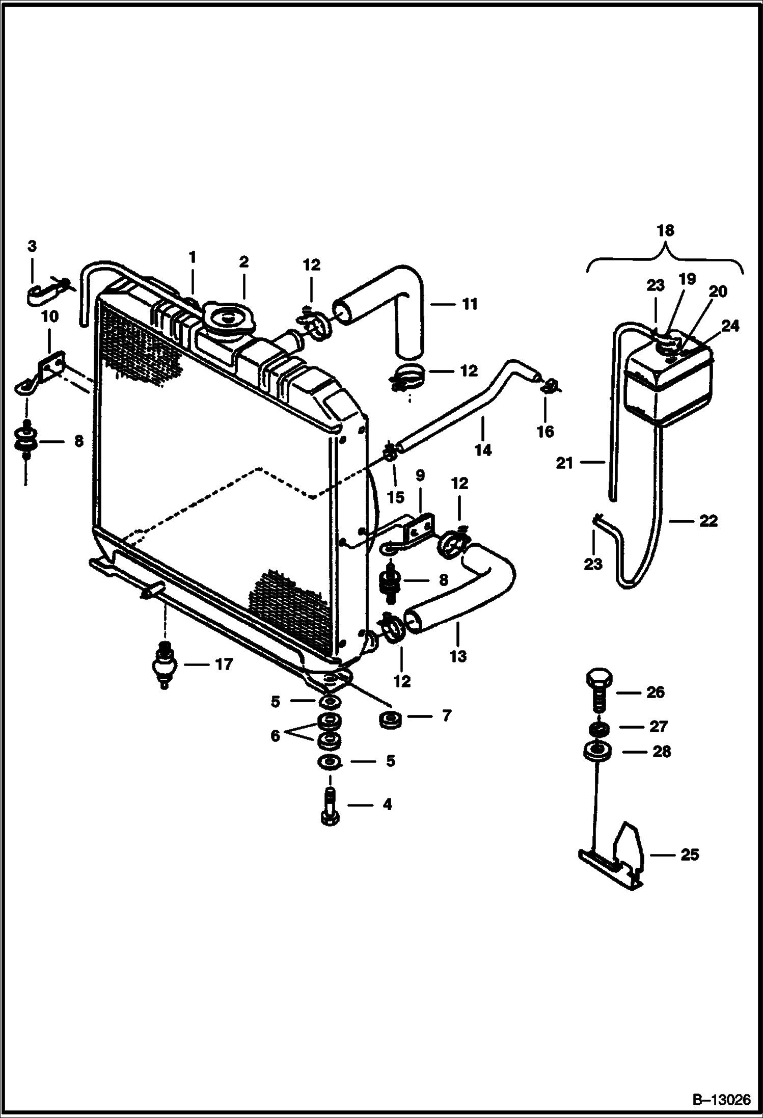
РАДИАТОР

РАДИАТОР

1Артикул: 6653981, RADIATOR W/Ref. 2
2Артикул: 3974310, CAP
3Артикул: 6651921, CLAMP
Подробнее >
МАХОВИК

МАХОВИК

1Артикул: 6653869, FLYWHEEL W/Ref. 2
2Артикул: 6653871, RING
3Артикул: 6680747, BOLT, FLYWHEEL Was 6653872 - A
Подробнее >
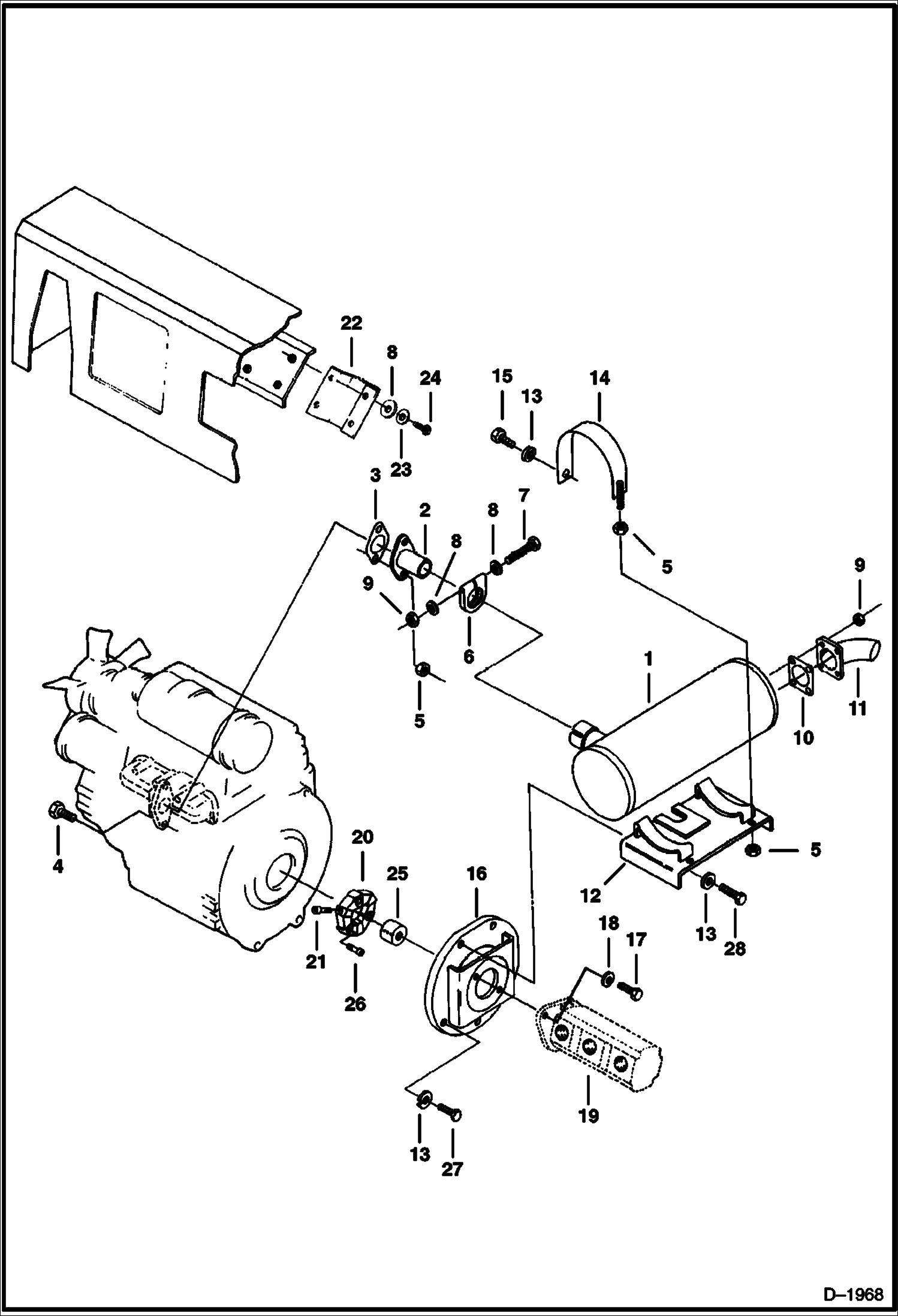
ГЛУШИТЕЛЬ И МЕХАНИЗМ ОТБОРА МОЩНОСТИ

ГЛУШИТЕЛЬ И МЕХАНИЗМ ОТБОРА МОЩНОСТИ

1Артикул: 6653955, MUFFLER non-spark arrestor
2Артикул: 6664005, PURIFIER exhaust
3Артикул: 6655405, PIPE flange - Was 6650432 - A
Подробнее >
КОЛЛЕКТОР

КОЛЛЕКТОР

1Артикул: 6653825, MANIFOLD inlet
2Артикул: 3974912, GASKET See Illustration UPPER GASKET KIT/ C3221 INCLUDED W/UPPER GASKET KIT
3Артикул: 4CM822, BOLT
Подробнее >
РАСПРЕДВАЛ

РАСПРЕДВАЛ

1Артикул: 3974540, TAPPET Was 3974510B - D
2Артикул: 3974541, PUSH ROD
3Артикул: 6653837, CAMSHAFT assy. - Ref. 4-8
Подробнее >
ВОДЯНОЙ ФЛАНЕЦ И ТЕРМОСТАТ

ВОДЯНОЙ ФЛАНЕЦ И ТЕРМОСТАТ

1Артикул: 6653937, FLANGE W/Ref. 2
2Артикул: 6655880, PIPE Was 6653939 - A
3Артикул: 6666802, GASKET See Illustration UPPER GASKET KIT/ C3221 Included W/Upper Gasket Kit - Was 3974987B - A
Подробнее >
МАСЛЯНЫЙ ПОДДОН

МАСЛЯНЫЙ ПОДДОН

1Артикул: 6653796, OIL PAN
2Артикул: 6666786, GASKET See Illustration LOWER GASKET KIT/ C3220 INCLUDED W/LOWER GASKET KIT - WAS 6653797 - A
3Артикул: 6653798, BOLT
Подробнее >
КАРТЕР ДВИГАТЕЛЯ

КАРТЕР ДВИГАТЕЛЯ

1Артикул: 6653789, CRANKCASE W/Ref. 2-16
2Артикул: 6652574, PLUG
3Артикул: 6652575, PLUG
Подробнее >
ВОДЯНАЯ ПОМПА

ВОДЯНАЯ ПОМПА

1Артикул: 6684225, WATER PUMP W/Ref. 2-5 - Was 6653941 - A
2Артикул: 3974991, BEARING Was 6653943 - A
3Артикул: 6653944, IMPELLER
Подробнее >
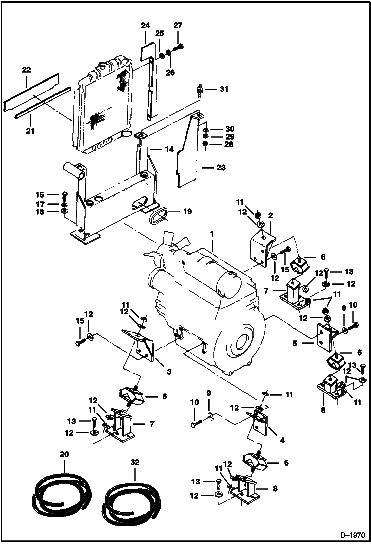
МОНТАЖ ДВИГАТЕЛЯ

МОНТАЖ ДВИГАТЕЛЯ

1Артикул: ENGINE, ENGINE NLA - Does not include starter, fan, alternator, flywheel & flywheel housing - Order 6657113REM - Was 6657113 - A
2Артикул: 6657113REM, ENGINE, KUBOTA D1402
3Артикул: SHORT, SHORT BLOCK NLA
Подробнее >
ВЕНТИЛЯТОР И ГЕНЕРАТОР ПЕРЕМЕННОГО ТОКА

ВЕНТИЛЯТОР И ГЕНЕРАТОР ПЕРЕМЕННОГО ТОКА

1Артикул: 3974981, ALTERNATOR See Illustration ALTERNATOR/ B13023
2Артикул: 6655545, BOLT Was 3974982B - A
3Артикул: 3974983, WASHER
Подробнее >
РЕГУЛЯТОР ОБОРОТОВ

РЕГУЛЯТОР ОБОРОТОВ

1Артикул: 6653908, LEVER
2Артикул: 6653911, LEVER ASSY. Ref. 3-9
3Артикул: 6653912, LEVER
Подробнее >
КОМПЛЕКТ ПРОКЛАДОК ВЕРХНЕЙ ЧАСТИ

КОМПЛЕКТ ПРОКЛАДОК ВЕРХНЕЙ ЧАСТИ

1Артикул: 6657397, GASKET KIT Upper - W/Ref. 2-14
2Артикул: 3974038, RING,O
3Артикул: 6666808, GASKET Head - 6646702 - A
Подробнее >
ТОПЛИВНЫЙ НАСОС

ТОПЛИВНЫЙ НАСОС

1Артикул: 6653892, PUMP
2Артикул: 6654719, SHIM 0,15 mm
3Артикул: 6653897, SHIM 0,30 mm
Подробнее >
КОМПЛЕКТ НИЖНИХ ПРОКЛАДОК

КОМПЛЕКТ НИЖНИХ ПРОКЛАДОК

1Артикул: 6657398, GASKET KIT lower
2Артикул: 6666786, GASKET oil pan - Was 6653797 - A
3Артикул: 3966515, O RING
Подробнее >
ТАБЛИЧКА РЕГУЛЯТОРА СКОРОСТИ

ТАБЛИЧКА РЕГУЛЯТОРА СКОРОСТИ

1Артикул: 6653902, BOLT
2Артикул: 3974971, NUT Was 6653903 - A
3Артикул: 3974972, GASKET
Подробнее >
ФОРСУНКИ

ФОРСУНКИ

1Артикул: 6653889, PIPE
2Артикул: 6653890, PIPE
3Артикул: 6654718, CLAMP
Подробнее >
ДЕРЖАТЕЛЬ ФОРСУНКИ

ДЕРЖАТЕЛЬ ФОРСУНКИ

1Артикул: 3974254, INJECTOR, FUEL ASSY W/Ref. 2-10
2Артикул: 3974322, NUT
3Артикул: 3974324, FITTING
Подробнее >
КРЫШКА КОРОМЫСЛА КЛАПАНА

КРЫШКА КОРОМЫСЛА КЛАПАНА

1Артикул: 6653834, COVER
2Артикул: 6598709, GASKET See Illustration UPPER GASKET KIT/ C3221 INCLUDED W/UPPER GASKET KIT
3Артикул: 3974923, NUT Was 6653835 - A
Подробнее >