+7 (701) 588 50 05 Телефон для связи
RU

WhatsApp

Позвонить

МАСЛЯНЫЙ ПОДДОН — Продажа в Казахстане Цены от официального дилера с доставкой в Алматы, Астану и регионы

Техника доступна в:
Полный спектр услуг:
Для Вашего удобства:
Характеристики и описание
Габариты, схема
Техническая документация
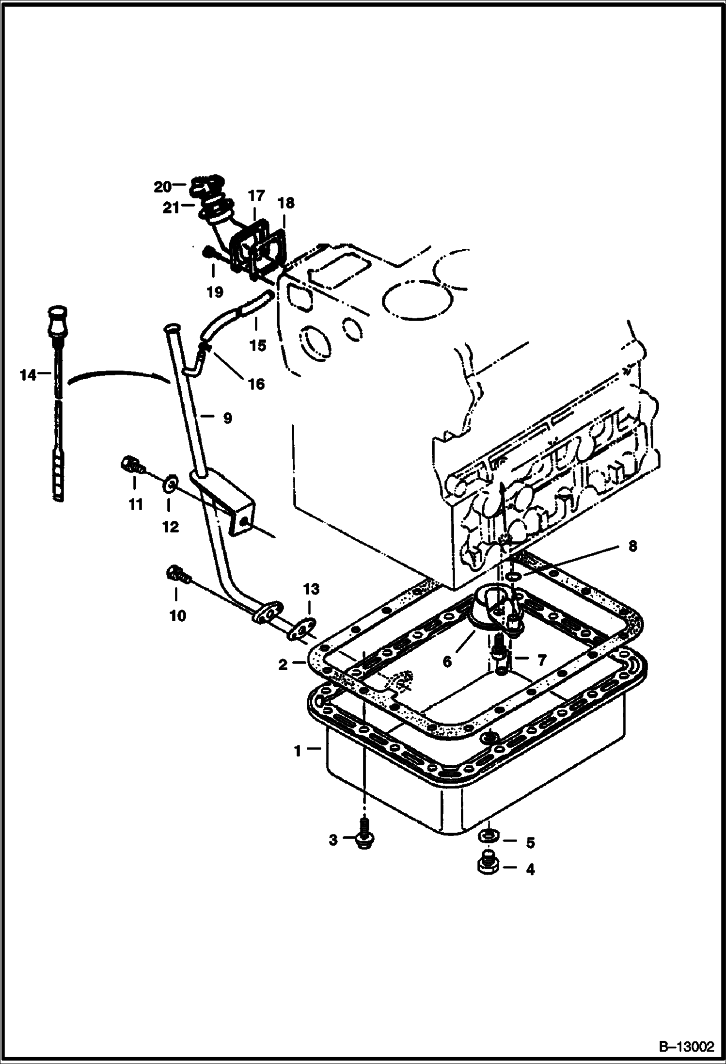
1 Артикул: 6653796, OIL PAN
2 Артикул: 6666786, GASKET See Illustration LOWER GASKET KIT/ C3220 INCLUDED W/LOWER GASKET KIT - WAS 6653797 - A
3 Артикул: 6653798, BOLT
4 Артикул: 3974402, PLUG Was 6652583 - A
5 Артикул: 6640730, WASHER See Illustration LOWER GASKET KIT/ C3220 INCLUDED W/LOWER GASKET KIT - WAS 3974403 - A
6 Артикул: 6655194, SCREEN, OIL Was 6653876 - A
7 Артикул: 1CM814, BOLT Was 4CM814 - A
8 Артикул: 3966514, O-RING See Illustration UPPER GASKET KIT/ C3221 INCLUDED W/UPPER & LOWER GASKET KIT
9 Артикул: 6653957, GUIDE
10 Артикул: 1CM616, SCREW Was 4CM616 - A
11 Артикул: 6653958, BOLT
12 Артикул: 1EM120, WASHER
13 Артикул: 6650431, GASKET See Illustration LOWER GASKET KIT/ C3220 INCLUDED W/LOWER GASKET KIT
14 Артикул: 6650432, DIPSTICK
15 Артикул: 6692951, PIPE Was 6650433 - A
16 Артикул: 6654718, CLAMP Was 6650434 - A
17 Артикул: FLANGE, FLANGE NLA - oil filter - Was 3974980B - A
18 Артикул: 6666783, GASKET See Illustration LOWER GASKET KIT/ C3220 INCLUDED W/LOWER GASKET KIT - WAS 3974601B - A
19 Артикул: 6652580, BOLT
20 Артикул: 6685924, CAP oil filler - Was 6652653 - A
21 Артикул: 6684782, O-RING See Illustration LOWER GASKET KIT/ C3220 - Included W/lower gasket kit - Was 3966602 - A

МАСЛЯНЫЙ ПОДДОН: Техника, которая работает на результат

МАСЛЯНЫЙ ПОДДОН на мини-экскаватор Bobcat 225 508311001 - 508311999

Габаритные размеры

Габаритные размеры и схема МАСЛЯНЫЙ ПОДДОН

Нажмите на схему для увеличения

Документация

Документация временно недоступна.

Похожая техника в категории: ЗАПЧАСТИ ДВИГАТЕЛЯ (Bobcat)

Спецтехника ГОЛОВКА БЛОКА ЦИЛИНДРОВ

ГОЛОВКА БЛОКА ЦИЛИНДРОВ

1Артикул: NLA, N...
2Артикул: 666096...
3Артикул: 666096...
Подробнее >
Спецтехника РЫЧАГ УПРАВЛЕНИЯ ПОДАЧЕЙ ТОПЛИВА

РЫЧАГ УПРАВЛЕНИЯ ПОДАЧЕЙ ТОПЛИВА

1Артикул: 653537...
2Артикул: 653535...
3Артикул: BUSH, ...
Подробнее >
Спецтехника ПОРШНИ И КОЛЕНЧАТЫЙ ВАЛ

ПОРШНИ И КОЛЕНЧАТЫЙ ВАЛ

1Артикул: 663018...
2Артикул: 663194...
3Артикул: 665384...
Подробнее >
Спецтехника КОРОМЫСЛО КЛАПАНА И КЛАПАНЫ

КОРОМЫСЛО КЛАПАНА И КЛАПАНЫ

1Артикул: 665382...
2Артикул: 665382...
3Артикул: 397451...
Подробнее >
Спецтехника ТОПЛИВНЫЙ РАСПРЕДЕЛИТЕЛЬНЫЙ ВАЛ

ТОПЛИВНЫЙ РАСПРЕДЕЛИТЕЛЬНЫЙ ВАЛ

1Артикул: 397495...
2Артикул: 665389...
3Артикул: 851242...
Подробнее >
Спецтехника ФИЛЬТР ДЛЯ ТОПЛИВА

ФИЛЬТР ДЛЯ ТОПЛИВА

1Артикул: FILTER...
2Артикул: 665396...
3Артикул: 665396...
Подробнее >
Спецтехника ВОЗДУШНЫЙ ФИЛЬТР

ВОЗДУШНЫЙ ФИЛЬТР

1Артикул: 665398...
2Артикул: BODY, ...
3Артикул: 664649...
Подробнее >
Спецтехника ОСНОВНОЙ КОРПУС ПОДШИПНИКА

ОСНОВНОЙ КОРПУС ПОДШИПНИКА

1Артикул: BEARIN...
2Артикул: 665381...
3Артикул: 397447...
Подробнее >
Спецтехника ТОПЛИВНАЯ СИСТЕМА

ТОПЛИВНАЯ СИСТЕМА

1Артикул: TANK, ...
2Артикул: 653560...
3Артикул: STRAIN...
Подробнее >
Спецтехника НАСОС-ФОРСУНКА

НАСОС-ФОРСУНКА

1Артикул: 665389...
2Артикул: 665520...
3Артикул: 397436...
Подробнее >
Спецтехника РЕДУКТОР

РЕДУКТОР

1Артикул: 664497...
2Артикул: 666742...
3Артикул: 396651...
Подробнее >
Спецтехника РАДИАТОР

РАДИАТОР

1Артикул: 665398...
2Артикул: 397431...
3Артикул: 665192...
Подробнее >