+7 (701) 588 50 05 Телефон для связи
RU

WhatsApp

Позвонить

ЗАПЧАСТИ ДВИГАТЕЛЯ в Алматы

КОЛЕНЧАТЫЙ ВАЛ И ПОРШЕНЬ

КОЛЕНЧАТЫЙ ВАЛ И ПОРШЕНЬ

1Артикул: BOLT, BOLT NLA - Was 6512607 - A
2Артикул: 6512453, RING GEAR
3Артикул: FLYWHEEL, FLYWHEEL NLA - W/Ref. 2 - Was 6512452 - A
Подробнее >
PIERCE РЕГУЛЯТОРА ОБОРОТОВ (СЕРИЙНЫЙ НОМЕР 14380 И НИЖЕ)

PIERCE РЕГУЛЯТОРА ОБОРОТОВ (СЕРИЙНЫЙ НОМЕР 14380 И НИЖЕ)

1Артикул: GOVERNOR, GOVERNOR NLA - Use 6599757 Hoof Governor
2Артикул: 6513579, BOLT
3Артикул: 25E10, WASHER
Подробнее >
ДРОССЕЛЬНАЯ ЗАСЛОНКА И ВОЗДУШНАЯ ЗАСЛОНКА

ДРОССЕЛЬНАЯ ЗАСЛОНКА И ВОЗДУШНАЯ ЗАСЛОНКА

1Артикул: 84G3716, SCREW 5
2Артикул: 755589, WASHER
3Артикул: 6562127, WASHER
Подробнее >
КЛАПАННЫЙ МЕХАНИЗМ

КЛАПАННЫЙ МЕХАНИЗМ

1Артикул: 6512605, SCREW rocker arm adjusting
2Артикул: ROCKER, ROCKER ARM NLA - RH - Was 6512471 - A
3Артикул: ROCKER, ROCKER ARM NLA - LH - Was 6512472 - A
Подробнее >
КРЮК РЕГУЛЯТОРА ОБОРОТОВ (СЕРИЙНЫЙ НОМЕР 14381 И ВЫШЕ)

КРЮК РЕГУЛЯТОРА ОБОРОТОВ (СЕРИЙНЫЙ НОМЕР 14381 И ВЫШЕ)

1Артикул: 6599757, GOVERNOR Hoof
2Артикул: 45G1212, BOLT
3Артикул: 6513934, WASHER
Подробнее >
БЛОК ЦИЛИНДРОВ

БЛОК ЦИЛИНДРОВ

1Артикул: COVER, COVER NLA - rocker arm - Was 6512476 - A
2Артикул: 6512494, CAP oil filler
3Артикул: 6512477, GASKET rocker arm cover
Подробнее >
КАРБЮРАТОР

КАРБЮРАТОР

1Артикул: CARBURETOR, CARBURETOR See BTI180 NLA - Zenith-13805
2Артикул: 6598372, CARBURETOR Zenith-0-13805-A (Less Solenoid)
3Артикул: SCREW, SCREW NSS
Подробнее >
ВОЗДУШНЫЙ ФИЛЬТР

ВОЗДУШНЫЙ ФИЛЬТР

1Артикул: 6555271, AIR CLEANER Ref. 2 - 8
2Артикул: AIR, AIR CLEANER See BTI134 NLA - Was 6554912 - A
3Артикул: TANK, TANK NLA
Подробнее >
КАРДАННЫЙ ШАРНИР

КАРДАННЫЙ ШАРНИР

1Артикул: 6598347, U-JOINT Ref. 2-4, 9 & 12
2Артикул: 6598303, SPIDER rear
3Артикул: 5202123, COUPLING
Подробнее >
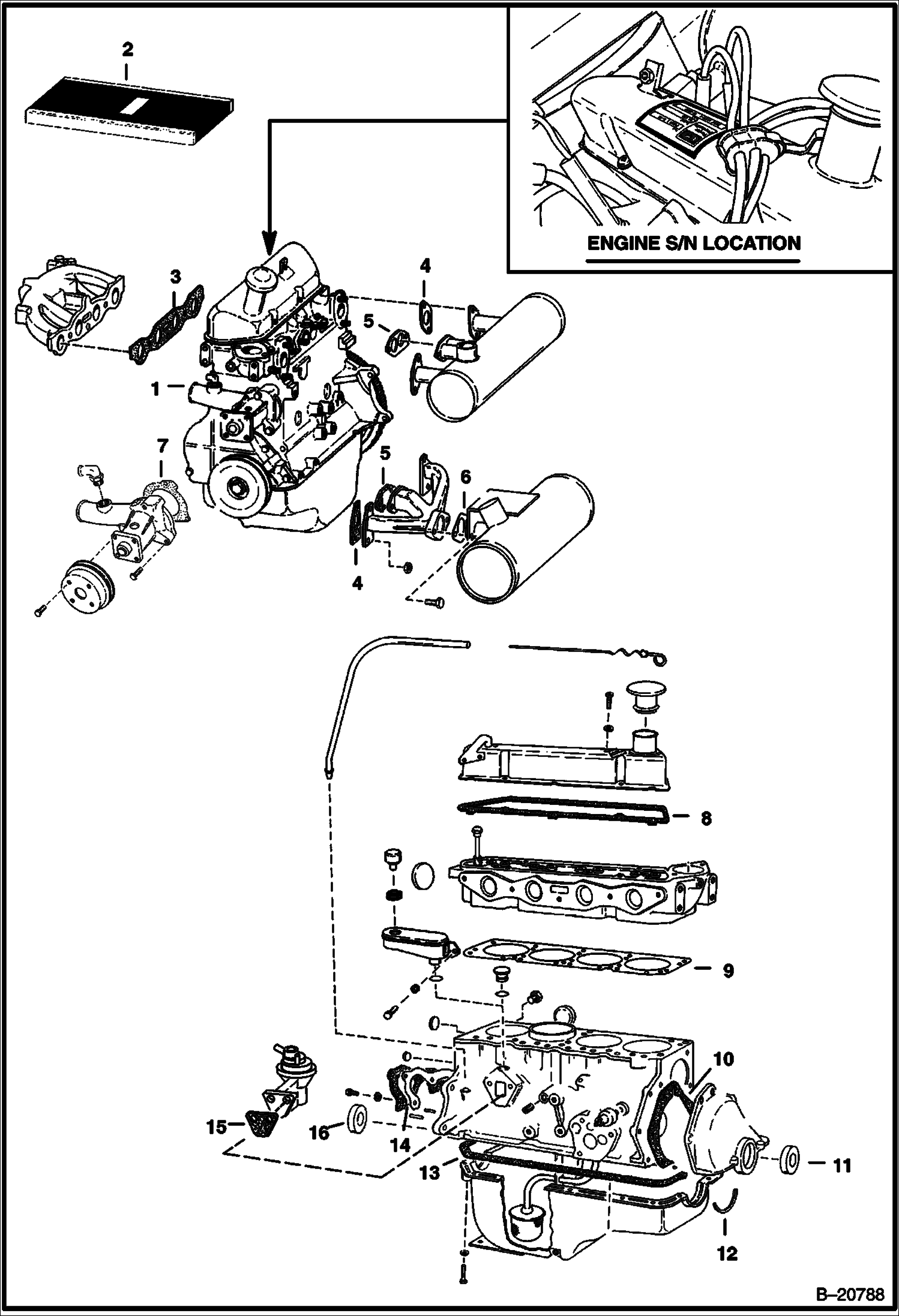
ДВИГАТЕЛЬ (FORD)

ДВИГАТЕЛЬ (FORD)

1Артикул: ENGINE, ENGINE See BTI146 NLA - fuel pump, oilfilter & water pump - Does not include starter, alternator, flywheel air cleaner, crankshaft pulley, governor & carburetor - Order 6565295 REM - Was 6565295 - A
2Артикул: 6565295REM, ENGINE Remanufactured - fuel pump, oilfilter & water pump - Does not include manifold, starter, alternator, flywheel air cleaner, crankshaft pulley, governor & carburetor
3Артикул: SHORT, SHORT BLOCK NLA - Includes crankshaft, pistons, rings, connecting rods, rod bearings, main bearings, camshaft, valve lifters, timing gears & timing chain - Was 6512397 - A
Подробнее >
СИСТЕМА ЗАЖИГАНИЯ

СИСТЕМА ЗАЖИГАНИЯ

1Артикул: DISTRIBUTOR, DISTRIBUTOR NLA - Black Cap - Order 6630396
2Артикул: DISTRIBUTOR, DISTRIBUTOR NLA - Black Cap - Reman. - Order 6630396 - Was 6659914 - A
3Артикул: DISTRIBUTOR, DISTRIBUTOR NLA - Brown Cap - Was 6630396 - A
Подробнее >
ДВИГАТЕЛЬ И КРЕПЕЖНЫЕ ДЕТАЛИ

ДВИГАТЕЛЬ И КРЕПЕЖНЫЕ ДЕТАЛИ

1Артикул: 84G3712, BOLT 5
2Артикул: 6557243, GRILL
3Артикул: COVER, COVER NLA - Was 6557744 - A
Подробнее >
МАСЛЯНЫЙ НАСОС

МАСЛЯНЫЙ НАСОС

1Артикул: OIL, OIL PUMP NLA - Less Ref. 2-4 - Was 6512479 - A
2Артикул: 17C516, BOLT
3Артикул: 6513601, ELEMENT oil filter
Подробнее >
ВОДЯНАЯ ПОМПА

ВОДЯНАЯ ПОМПА

1Артикул: 6640686, WATER PUMP W/Ref. 5 - Was 6512496 - A
2Артикул: 4CM810, BOLT
3Артикул: 6512498, PULLEY
Подробнее >