+7 (701) 588 50 05 Телефон для связи
RU

WhatsApp

Позвонить

БЛОК ЦИЛИНДРОВ — Продажа в Казахстане Цены от официального дилера с доставкой в Алматы, Астану и регионы

Техника доступна в:
Полный спектр услуг:
Для Вашего удобства:
Характеристики и описание
Габариты, схема
Техническая документация
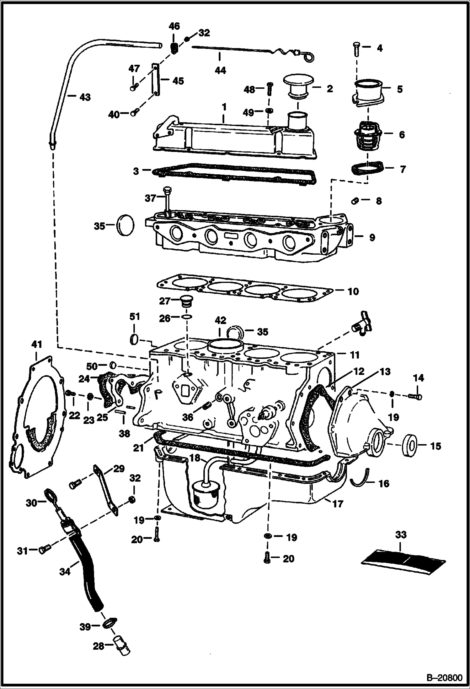
1 Артикул: COVER, COVER NLA - rocker arm - Was 6512476 - A
2 Артикул: 6512494, CAP oil filler
3 Артикул: 6512477, GASKET rocker arm cover
4 Артикул: 35C516, BOLT 10 Was 6554744 - A
5 Артикул: 6598095, OUTLET
6 Артикул: 6512504, THERMOSTAT 195 degrees
7 Артикул: 6512505, GASKET
8 Артикул: 40K2, PLUG
9 Артикул: HEAD, HEAD NLA - cyl. - W/Guides & Soft Plugs Only - Was 6512400 - A
10 Артикул: HEAD, HEAD NLA - For use with Stellite Valves - Order 6630426 Head & (8) 6512474 Seal
11 Артикул: HEAD, HEAD NLA - W/Guides & Soft Plugs Only - For use with Stellite Valves & Seals with Springs - Was 6630426 - A
12 Артикул: 6512400REM, HEAD, FORD FL98
13 Артикул: 6512401, GASKET cylinder head
14 Артикул: SHORT, SHORT BLOCK See Illustration ENGINE/ B20788
15 Артикул: 6512399, GASKET front cover
16 Артикул: 6512398, COVER front
17 Артикул: 17C412, BOLT 5
18 Артикул: 6648209, SEAL front cover - Was 6512489 - B
19 Артикул: SEAL, SEAL NSS
20 Артикул: OIL, OIL PAN NLA - Was 6512488 - A
21 Артикул: TUBE, TUBE NLA - oil pickup - Was 6512482 - A
22 Артикул: 4E4, WASHER
23 Артикул: 17C408, BOLT
24 Артикул: 6669570, GASKET SET oil pan - W/Ref. 16 - Was NLA - A
25 Артикул: 17C514, BOLT
26 Артикул: 4E5, WASHER
27 Артикул: RETAINER, RETAINER NLA - Was 6512450 - A
28 Артикул: GASKET, GASKET NLA - rear oil seal - Was 6512451 - A
29 Артикул: 25K20026, O RING 10
30 Артикул: 6554834, PLUG
31 Артикул: TUBE, TUBE oil level - Order Ref. 32, 40, 43-47
32 Артикул: 6555112, BRACKET
33 Артикул: INDICATOR, INDICATOR oil level - Order Ref. 32, 40, 43-47
34 Артикул: 17C508, BOLT
35 Артикул: 61D5, NUT
36 Артикул: 6567250, GASKET KIT overhaul
37 Артикул: GASKET, GASKET KIT NLA - Valve Grind - Was 6564162 - A
38 Артикул: HOSE, HOSE extension - Order Ref. 32, 40, 43-47
39 Артикул: PLUG, PLUG NLA - Was 6512915 - A
40 Артикул: 16F2, PLUG Was 6512916 - A
41 Артикул: BOLT, BOLT NLA - head - Pkg. of 8 - Was 6512918 - A
42 Артикул: BOLT, BOLT NLA - head - Pkg. of 2 - Was 6512919 - A
43 Артикул: 6512921, DOWEL Cyl. Block to Flywheel Housing
44 Артикул: 42H6, HOSECLAM5
45 Артикул: 35C512, BOLT Was 31C000512B - A
46 Артикул: PLATE, PLATE NLA - Was 6512521 - A
47 Артикул: 6669569, LINER Std. - Was 6657209 - A
48 Артикул: LINER, LINER NLA - .020 Oversizes OD & Std. ID - Was 6598907 - A
49 Артикул: 6564911, TUBE dipstick
50 Артикул: 6564910, DIPSTICK
51 Артикул: 6564912, BRACKET
52 Артикул: 30H22, CLIP
53 Артикул: 17C510, BOLT
54 Артикул: 89G410, SCREW
55 Артикул: 25E13, WASHER 5
56 Артикул: PLUG, PLUG NLA - Was 6648189 - A
57 Артикул: 6598806, PLUG camshaft

БЛОК ЦИЛИНДРОВ: Техника, которая работает на результат

БЛОК ЦИЛИНДРОВ на Bobcat 600s Bobcat 632 499311001 И ВЫШЕ

Габаритные размеры

Габаритные размеры и схема БЛОК ЦИЛИНДРОВ

Нажмите на схему для увеличения

Документация

Документация временно недоступна.

Похожая техника в категории: ЗАПЧАСТИ ДВИГАТЕЛЯ (Bobcat)

Спецтехника КОЛЕНЧАТЫЙ ВАЛ И ПОРШЕНЬ

КОЛЕНЧАТЫЙ ВАЛ И ПОРШЕНЬ

1Артикул: BOLT, ...
2Артикул: 651245...
3Артикул: FLYWHE...
Подробнее >
Спецтехника PIERCE РЕГУЛЯТОРА ОБОРОТОВ (СЕРИЙНЫЙ НОМЕР 14380 И НИЖЕ)

PIERCE РЕГУЛЯТОРА ОБОРОТОВ (СЕРИЙНЫЙ НОМЕР 14380 И НИЖЕ)

1Артикул: GOVERN...
2Артикул: 651357...
3Артикул: 25E10,...
Подробнее >
Спецтехника ДРОССЕЛЬНАЯ ЗАСЛОНКА И ВОЗДУШНАЯ ЗАСЛОНКА

ДРОССЕЛЬНАЯ ЗАСЛОНКА И ВОЗДУШНАЯ ЗАСЛОНКА

1Артикул: 84G371...
2Артикул: 755589...
3Артикул: 656212...
Подробнее >
Спецтехника КЛАПАННЫЙ МЕХАНИЗМ

КЛАПАННЫЙ МЕХАНИЗМ

1Артикул: 651260...
2Артикул: ROCKER...
3Артикул: ROCKER...
Подробнее >
Спецтехника КРЮК РЕГУЛЯТОРА ОБОРОТОВ (СЕРИЙНЫЙ НОМЕР 14381 И ВЫШЕ)

КРЮК РЕГУЛЯТОРА ОБОРОТОВ (СЕРИЙНЫЙ НОМЕР 14381 И ВЫШЕ)

1Артикул: 659975...
2Артикул: 45G121...
3Артикул: 651393...
Подробнее >
Спецтехника КАРБЮРАТОР

КАРБЮРАТОР

1Артикул: CARBUR...
2Артикул: 659837...
3Артикул: SCREW,...
Подробнее >
Спецтехника ВОЗДУШНЫЙ ФИЛЬТР

ВОЗДУШНЫЙ ФИЛЬТР

1Артикул: 655527...
2Артикул: AIR, A...
3Артикул: TANK, ...
Подробнее >
Спецтехника КАРДАННЫЙ ШАРНИР

КАРДАННЫЙ ШАРНИР

1Артикул: 659834...
2Артикул: 659830...
3Артикул: 520212...
Подробнее >
Спецтехника ДВИГАТЕЛЬ (FORD)

ДВИГАТЕЛЬ (FORD)

1Артикул: ENGINE...
2Артикул: 656529...
3Артикул: SHORT,...
Подробнее >
Спецтехника СИСТЕМА ЗАЖИГАНИЯ

СИСТЕМА ЗАЖИГАНИЯ

1Артикул: DISTRI...
2Артикул: DISTRI...
3Артикул: DISTRI...
Подробнее >
Спецтехника ДВИГАТЕЛЬ И КРЕПЕЖНЫЕ ДЕТАЛИ

ДВИГАТЕЛЬ И КРЕПЕЖНЫЕ ДЕТАЛИ

1Артикул: 84G371...
2Артикул: 655724...
3Артикул: COVER,...
Подробнее >
Спецтехника МАСЛЯНЫЙ НАСОС

МАСЛЯНЫЙ НАСОС

1Артикул: OIL, O...
2Артикул: 17C516...
3Артикул: 651360...
Подробнее >