+7 (701) 588 50 05 Телефон для связи
RU

WhatsApp

Позвонить

ЗАПЧАСТИ ДВИГАТЕЛЯ в Алматы

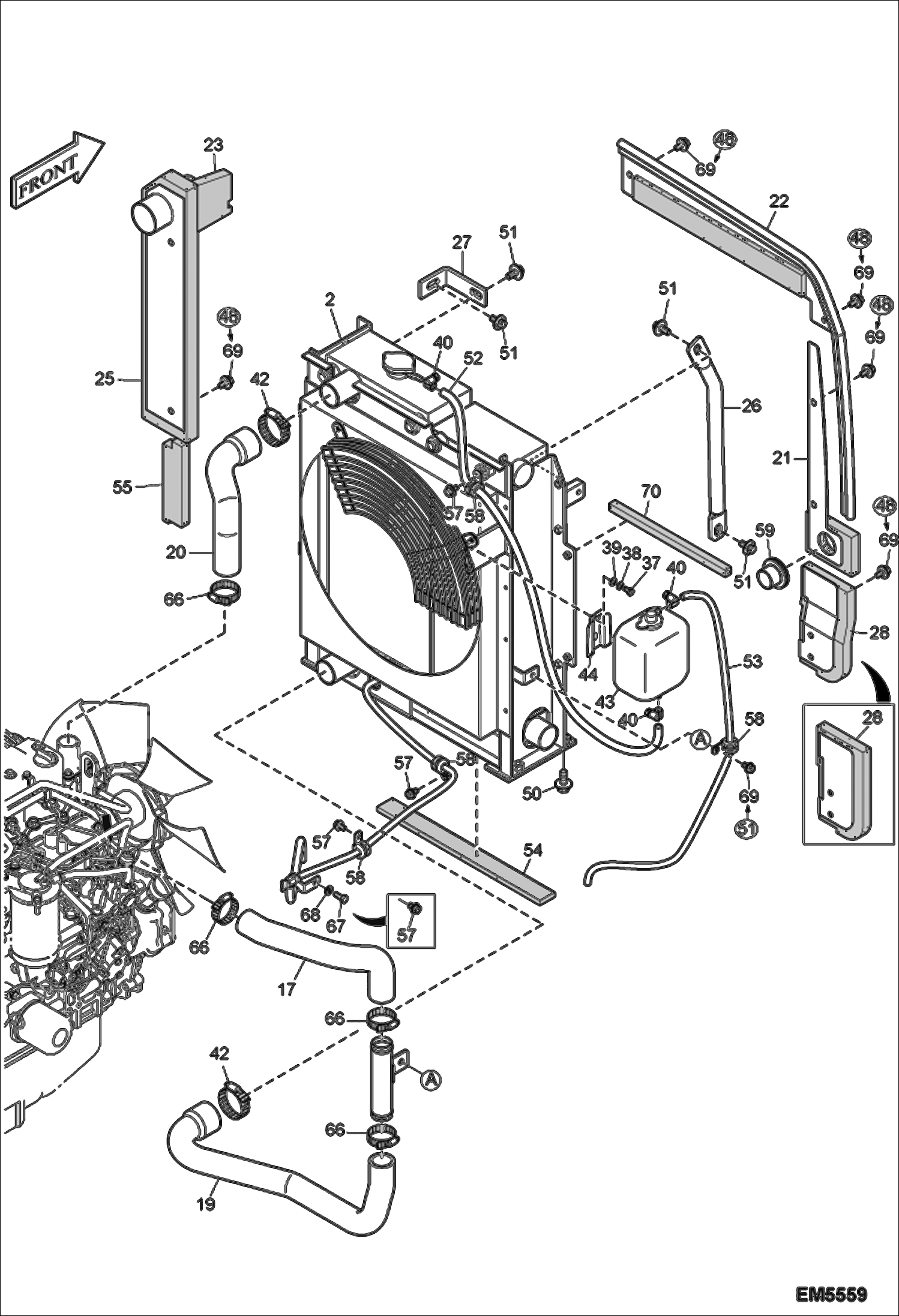
ДВИГАТЕЛЬ И КРЕПЕЖНЫЕ ДЕТАЛИ (РАДИАТОР)

ДВИГАТЕЛЬ И КРЕПЕЖНЫЕ ДЕТАЛИ (РАДИАТОР)

1Артикул: EXCHANGER,, EXCHANGER, RADIATOR ASSY NLA - W/Ref. 2-15 - Was 7008217 - A
2Артикул: EXCHANGER,, EXCHANGER, RADIATOR ASSY NLA - W/Ref. 2-15 - Was 7012227 - A
3Артикул: 7012747, EXCHANGER, WATER RADIATOR W/Ref. 2-15
Подробнее >
СИСТЕМА ПОДАЧИ ТОПЛИВА (НАСОС И ФИЛЬТРЫ)

СИСТЕМА ПОДАЧИ ТОПЛИВА (НАСОС И ФИЛЬТРЫ)

1Артикул: 7006897, BRACKET
2Артикул: 7010351, FILTER, FUEL Was 7006269 - D
3Артикул: 7004088, BOLT M8X30
Подробнее >
КАРТЕР ДВИГАТЕЛЯ

КАРТЕР ДВИГАТЕЛЯ

1Артикул: 7007193, BLOCK CYLINDER ASSY W/Ref. 4-35
2Артикул: 7004296, PLUG
3Артикул: 7004292, PLUG
Подробнее >
ПОДДОН КАРТЕРА И КАРТЕР МАХОВИКА

ПОДДОН КАРТЕРА И КАРТЕР МАХОВИКА

1Артикул: 7007851, PIN PARALLEL
2Артикул: 7004425, HOUSING FLYWHEEL
3Артикул: 7004421, CAP FLYWHEEL COVER
Подробнее >
КОЛЕНЧАТЫЙ ВАЛ

КОЛЕНЧАТЫЙ ВАЛ

1Артикул: 7005071, SHAFT CRANK ASSY W/Ref. 3-6
2Артикул: 7005070, GEAR CRANK SHAFT
3Артикул: 7005102, PIN PARALLEL
Подробнее >
ВОДЯНАЯ ПОМПА И ТЕРМОСТАТ

ВОДЯНАЯ ПОМПА И ТЕРМОСТАТ

1Артикул: 7007120, PUMP WATER ASSY
2Артикул: 7004217, GASKET
3Артикул: 7004078, BOLT M6X30
Подробнее >
ДВИГАТЕЛЬ И КРЕПЕЖНЫЕ ДЕТАЛИ (ВОЗДУХООЧИСТИТЕЛЬ)

ДВИГАТЕЛЬ И КРЕПЕЖНЫЕ ДЕТАЛИ (ВОЗДУХООЧИСТИТЕЛЬ)

1Артикул: 7006196, FILTER AIR CLEANER W/Ref. 8-9
2Артикул: 6666333, FILTER, AIR OUTER Was 7005000 - A
3Артикул: 6666334, FILTER, AIR INNER Was 7005001 - A
Подробнее >
РЕГУЛЯТОР ОБОРОТОВ

РЕГУЛЯТОР ОБОРОТОВ

1Артикул: 7006844, SEAL HOUSING
2Артикул: 7023334, ACTUATOR Ref. 4-18 & 20 - Was 7007137 - A
3Артикул: 7007136, HOUSING GOVERNOR
Подробнее >
ТАБЛИЧКА РЕГУЛЯТОРА СКОРОСТИ

ТАБЛИЧКА РЕГУЛЯТОРА СКОРОСТИ

1Артикул: 7007546, PUMP INJECTION ASSY W/Ref. 9-134
2Артикул: KEY, KEY NSS - Order Ref. 1
3Артикул: STOP, STOP NSS - Order Ref. 1
Подробнее >
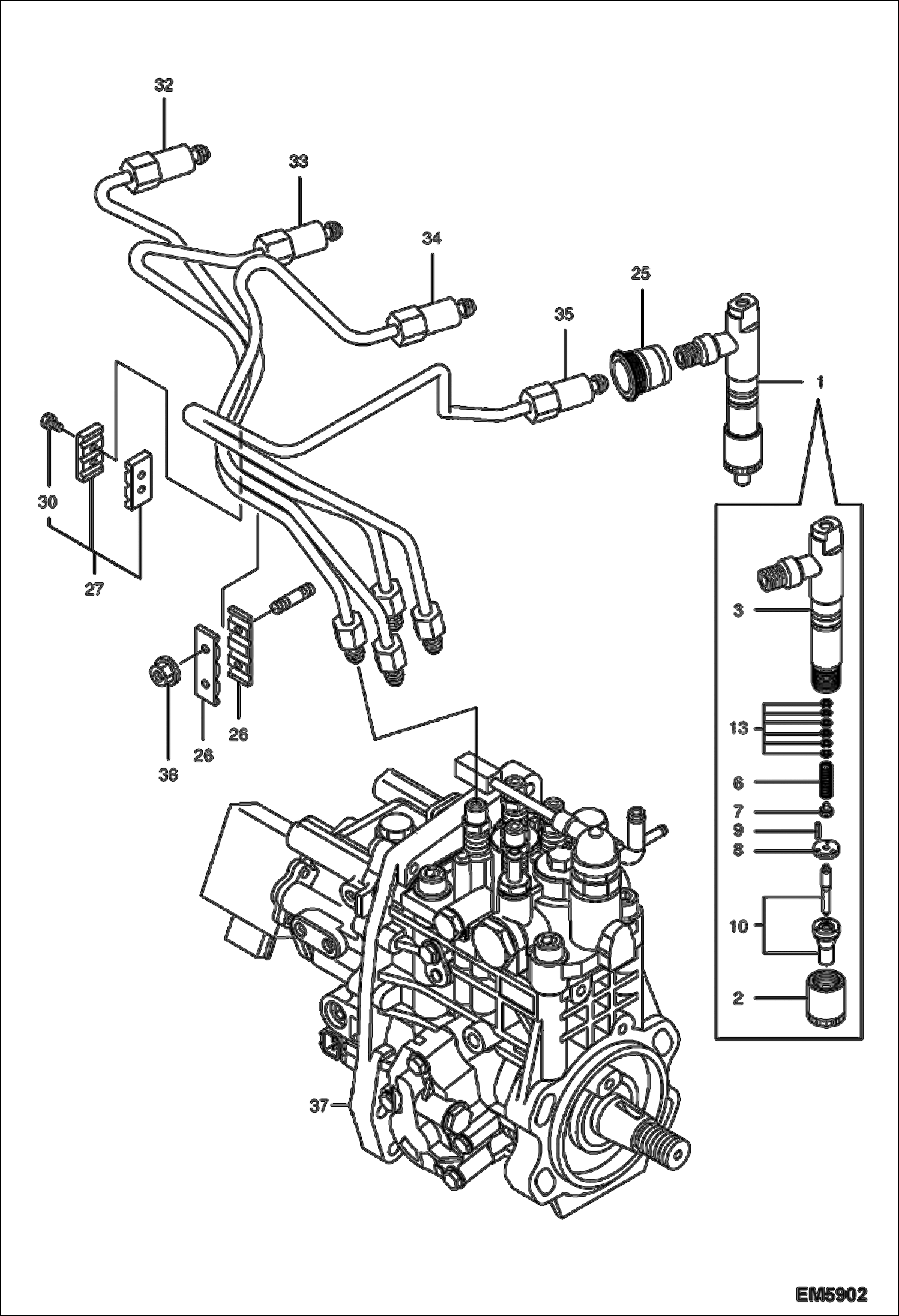
ТОПЛИВНАЯ СИСТЕМА И НАСОС ВПРЫСКА И ФОРСУНКИ

ТОПЛИВНАЯ СИСТЕМА И НАСОС ВПРЫСКА И ФОРСУНКИ

1Артикул: 7007328, INJECTOR ASSY W/Ref. 2-13
2Артикул: 7004147, NUT
3Артикул: 7007129, NOZZLE HOLDER ASSY
Подробнее >
ДВИГАТЕЛЬ И КРЕПЕЖНЫЕ ДЕТАЛИ (КРОНШТЕЙН ГЛУШИТЕЛЯ) (US)

ДВИГАТЕЛЬ И КРЕПЕЖНЫЕ ДЕТАЛИ (КРОНШТЕЙН ГЛУШИТЕЛЯ) (US)

1Артикул: 7006131, ENGINE
2Артикул: 7019198, ENGINE
3Артикул: 7012732, MUFFLER
Подробнее >
РЕДУКТОР

РЕДУКТОР

1Артикул: 7007851, PIN PARALLEL
2Артикул: 7007163, HOUSING GEAR
3Артикул: 7005075, PUMP OIL ASSY
Подробнее >
КОМПЛЕКТ ПРОКЛАДОК ДВИГАТЕЛЯ

КОМПЛЕКТ ПРОКЛАДОК ДВИГАТЕЛЯ

1Артикул: KIT,, KIT, GASKET NLA - Ref. 2-33 - Order 7276577 kit - Was 7007197 - A
2Артикул: 7276577, KIT, GASKET Ref. 2-33
3Артикул: 7006837, GASKET CYLINDER HEAD
Подробнее >
ДВИГАТЕЛЬ И КРЕПЕЖНЫЕ ДЕТАЛИ (ОПОРНЫЙ УЗЕЛ РАДИАТОРА)

ДВИГАТЕЛЬ И КРЕПЕЖНЫЕ ДЕТАЛИ (ОПОРНЫЙ УЗЕЛ РАДИАТОРА)

1Артикул: EXCHANGER,, EXCHANGER, RADIATOR ASSY See Illustration ENGINE & ATTACHING PARTS/ EM5860 NLA - Was 7008217 - B
2Артикул: EXCHANGER,, EXCHANGER, RADIATOR ASSY See Illustration ENGINE & ATTACHING PARTS/ EM5860 NLA - Was 7012227 - A
3Артикул: 7012747, EXCHANGER, WATER RADIATOR See Illustration ENGINE & ATTACHING PARTS/ EM5860
Подробнее >
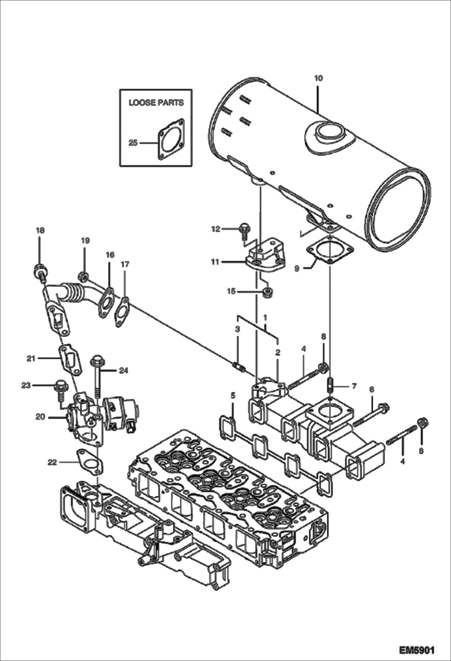
КОЛЛЕКТОР (ВХОДНОЕ ОТВЕРСТИЕ)

КОЛЛЕКТОР (ВХОДНОЕ ОТВЕРСТИЕ)

1Артикул: 7005066, SEAL INTAKE MANIFOLD
2Артикул: 7007109, MANIFOLD INTAKE ASSY W/Ref. 3 & 4
3Артикул: 7007108, MANIFOLD INTAKE
Подробнее >
ТОПЛИВНЫЙ РАСПРЕДЕЛИТЕЛЬНЫЙ ВАЛ

ТОПЛИВНЫЙ РАСПРЕДЕЛИТЕЛЬНЫЙ ВАЛ

1Артикул: 7004419, TAPPET
2Артикул: 7005069, ROD PUSH
3Артикул: 7007105, CAMSHAFT ASSY W/Ref. 4-7
Подробнее >
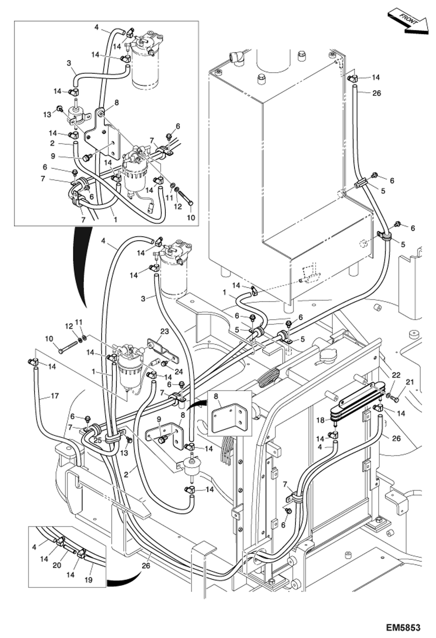
СИСТЕМА ПОДАЧИ ТОПЛИВА (ШЛАНГИ) (СЕРИЙНЫЙ НОМЕР AET811043 И ВЫШЕ, AGSZ811043 И ВЫШЕ)

СИСТЕМА ПОДАЧИ ТОПЛИВА (ШЛАНГИ) (СЕРИЙНЫЙ НОМЕР AET811043 И ВЫШЕ, AGSZ811043 И ВЫШЕ)

1Артикул: 7005540, HOSE FUEL
2Артикул: 7012752, HOSE
3Артикул: 7005536, HOSE FUEL
Подробнее >
ДВИГАТЕЛЬ И КРЕПЕЖНЫЕ ДЕТАЛИ (ОПОРА НАСОСА)

ДВИГАТЕЛЬ И КРЕПЕЖНЫЕ ДЕТАЛИ (ОПОРА НАСОСА)

1Артикул: 7006089, COVER PUMP
2Артикул: 7006322, PUMP MAIN See Illustration HYDRAULIC PUMP/ E60-4100
3Артикул: 7006090, COUPLER PUMP
Подробнее >
ДВИГАТЕЛЬ И КРЕПЕЖНЫЕ ДЕТАЛИ (ГЛУШИТЕЛЬ И КРЕПЛЕНИЕ ДВИГАТЕЛЯ)

ДВИГАТЕЛЬ И КРЕПЕЖНЫЕ ДЕТАЛИ (ГЛУШИТЕЛЬ И КРЕПЛЕНИЕ ДВИГАТЕЛЯ)

1Артикул: 7006131, ENGINE
2Артикул: 7019198, ENGINE
3Артикул: 7006636, BRACKET ENGINE MOUNT
Подробнее >
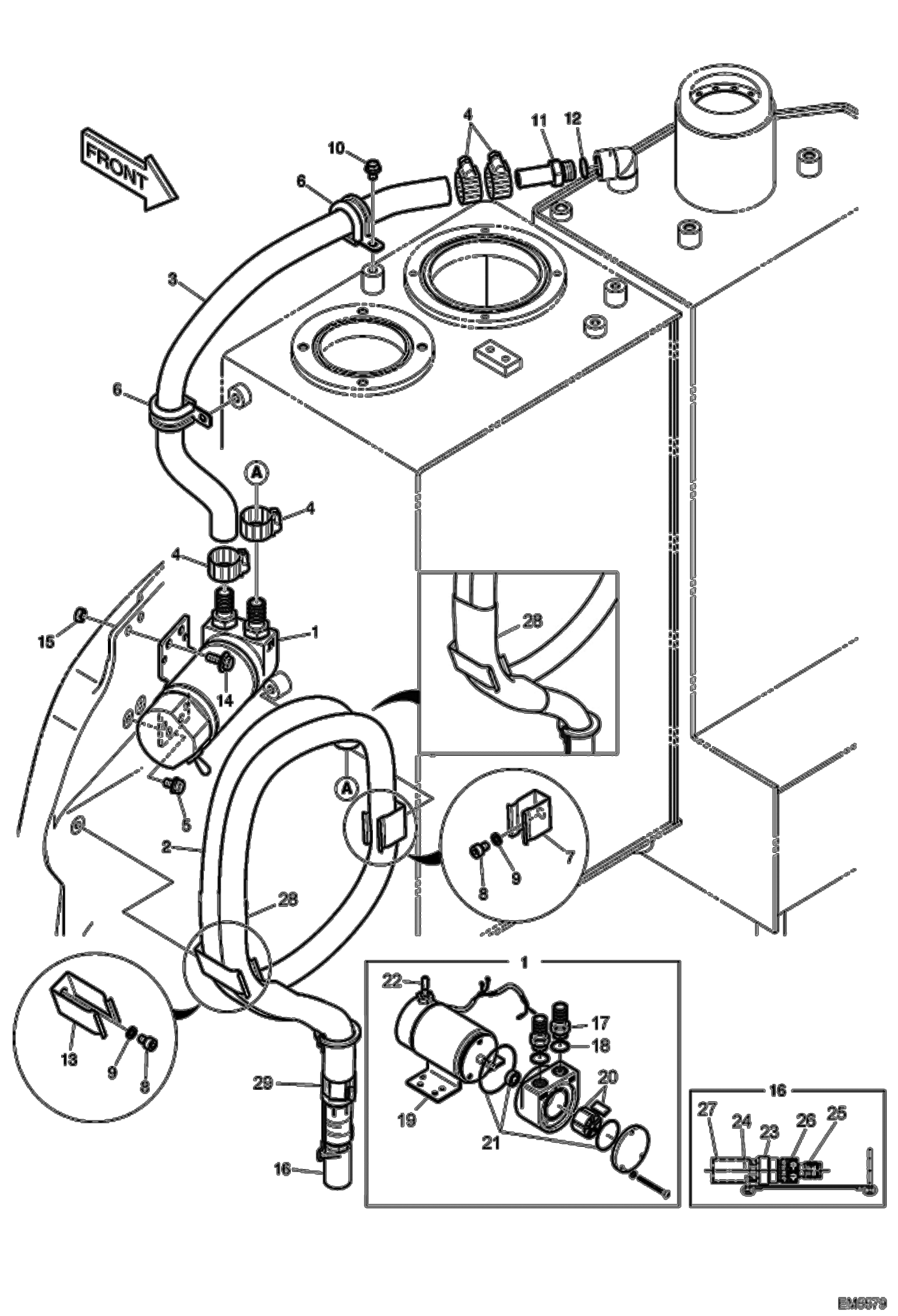
ТОПЛИВОПЕРЕКАЧИВАЮЩИЙ НАСОС И ОБРАТНЫЙ КЛАПАН (EMEA)

ТОПЛИВОПЕРЕКАЧИВАЮЩИЙ НАСОС И ОБРАТНЫЙ КЛАПАН (EMEA)

1Артикул: 7006285, PUMP FUEL FILLER W/Ref. 17-22
2Артикул: 7008266, HOSE, FUEL
3Артикул: 7006761, HOSE FUEL
Подробнее >
СИСТЕМА ПОДАЧИ ТОПЛИВА (ШЛАНГИ) (СЕРИЙНЫЙ НОМЕР AET811001 - AET811042, AGSZ811001 - AGSZ11042)

СИСТЕМА ПОДАЧИ ТОПЛИВА (ШЛАНГИ) (СЕРИЙНЫЙ НОМЕР AET811001 - AET811042, AGSZ811001 - AGSZ11042)

1Артикул: 7005540, HOSE FUEL
2Артикул: 7005536, HOSE FUEL
3Артикул: 7005537, HOSE FUEL
Подробнее >
КОЛЛЕКТОР (ВЫХЛОПНОЙ КОЛЛЕКТОР)

КОЛЛЕКТОР (ВЫХЛОПНОЙ КОЛЛЕКТОР)

1Артикул: 7007111, MANIFOLD EXHAUST ASSY W/Ref. 2 & 3
2Артикул: 7007110, MANIFOLD EXHAUST
3Артикул: 7007101, STUD BOLT M8X20
Подробнее >
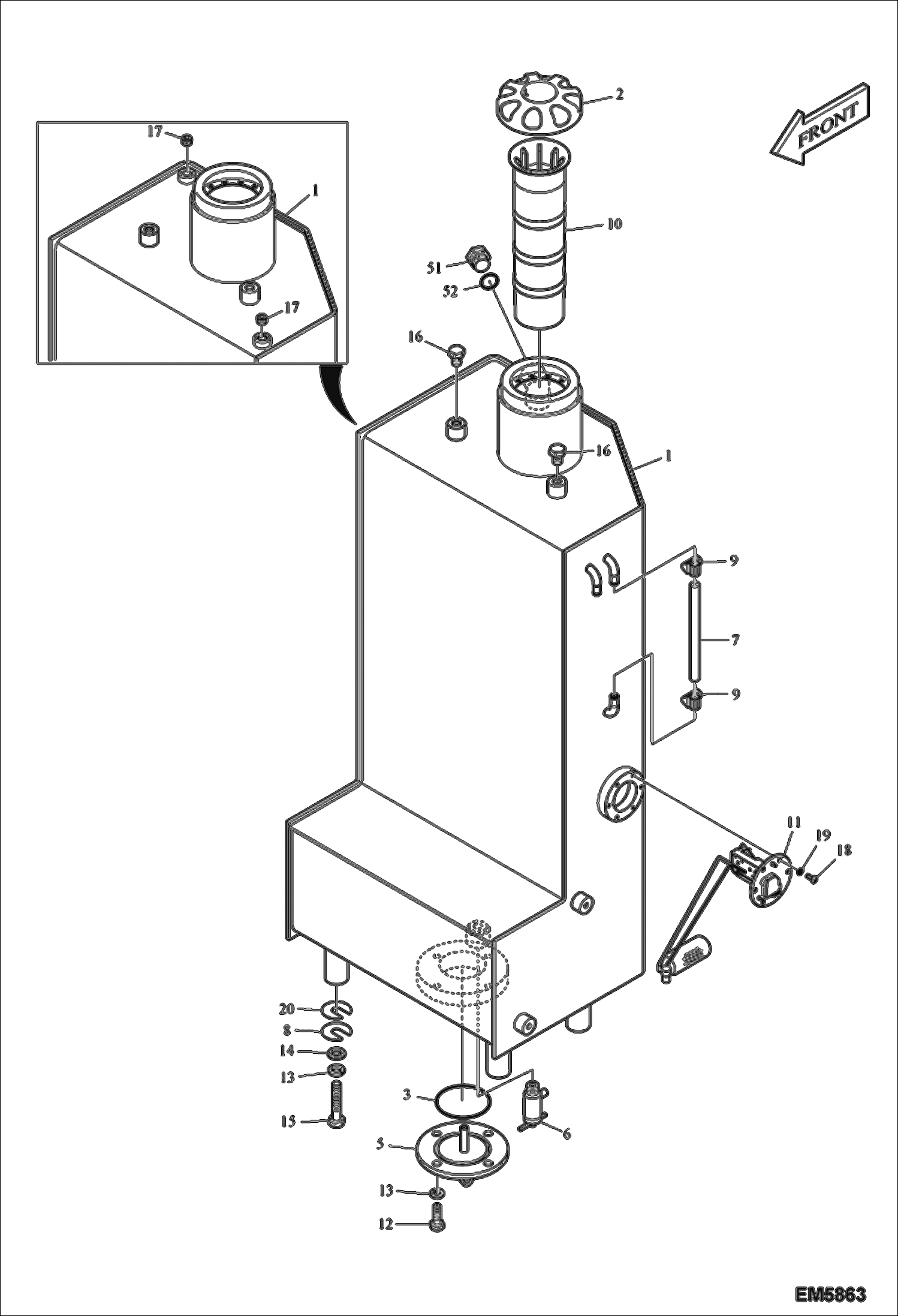
СИСТЕМА ПОДАЧИ ТОПЛИВА (БАК)

СИСТЕМА ПОДАЧИ ТОПЛИВА (БАК)

1Артикул: 7023686, TANK, FUEL Was 7012241 - A
2Артикул: 7028866, CAP, DIESEL Was 7005641
3Артикул: 7004635, O-RING
Подробнее >
ГОЛОВКА ЦИЛИНДРА, КЛАПАН И КОРОМЫСЛО КЛАПАНА И КРЫШКА

ГОЛОВКА ЦИЛИНДРА, КЛАПАН И КОРОМЫСЛО КЛАПАНА И КРЫШКА

1Артикул: 7007382, LIFTER ENGINE
2Артикул: 7007385, LIFTER ENGINE
3Артикул: 7004086, BOLT PLATED M8X16
Подробнее >
ДВИГАТЕЛЬ И КРЕПЕЖНЫЕ ДЕТАЛИ (КРОНШТЕЙН ГЛУШИТЕЛЯ) (EMEA)

ДВИГАТЕЛЬ И КРЕПЕЖНЫЕ ДЕТАЛИ (КРОНШТЕЙН ГЛУШИТЕЛЯ) (EMEA)

1Артикул: 7006131, ENGINE
2Артикул: 7006335, TUBELINE WATER
3Артикул: 7012736, PIPE WATER
Подробнее >
ЩУП ДЛЯ ПРОВЕРКИ УРОВНЯ МАСЛА И ФИЛЬТР

ЩУП ДЛЯ ПРОВЕРКИ УРОВНЯ МАСЛА И ФИЛЬТР

1Артикул: 7004418, GUIDE OIL GAUGE
2Артикул: 7006843, DIPSTICK
3Артикул: 7005113, STUD OIL FILTER
Подробнее >