+7 (701) 588 50 05 Телефон для связи
RU

WhatsApp

Позвонить

ЗАПЧАСТИ ДВИГАТЕЛЯ в Алматы

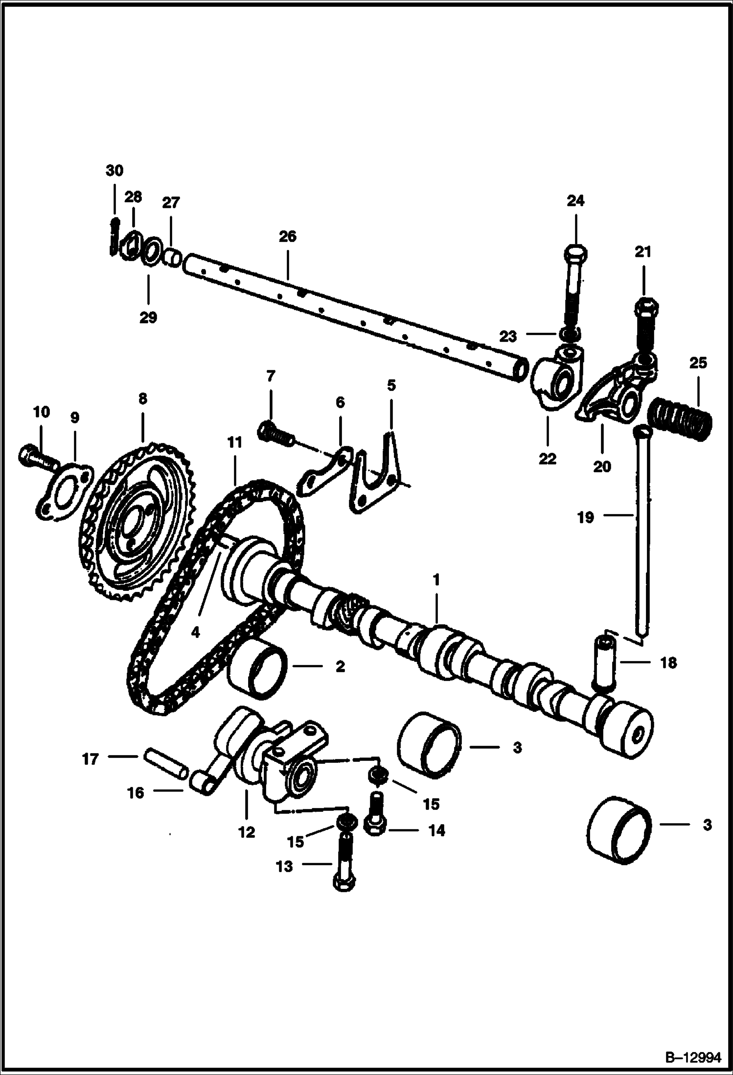
КЛАПАННЫЙ МЕХАНИЗМ (СЕРИЙНЫЙ НОМЕР 11999 И НИЖЕ)

КЛАПАННЫЙ МЕХАНИЗМ (СЕРИЙНЫЙ НОМЕР 11999 И НИЖЕ)

1Артикул: 6512605, SCREW Rocker arm adjusting
2Артикул: 6648185, ARM NLA - Rocker - RH - W/Ref. 1 - Was 6648185
3Артикул: ARM, ARM NLA - Rocker - LH - W/Ref. 1 - Was 6648186 - A
Подробнее >
КАРБЮРАТОР (СЕРИЙНЫЙ НОМЕР 11999 И НИЖЕ)

КАРБЮРАТОР (СЕРИЙНЫЙ НОМЕР 11999 И НИЖЕ)

1Артикул: 6649548, CARBURETOR
2Артикул: THROTTLE, THROTTLE BODY NLA - Order Ref. 1 - Was 6649872 - A
3Артикул: 6516748, NEEDLE adj.
Подробнее >
КАРБЮРАТОР (СЕРИЙНЫЙ НОМЕР 12001 И ВЫШЕ)

КАРБЮРАТОР (СЕРИЙНЫЙ НОМЕР 12001 И ВЫШЕ)

1Артикул: 6654896, CARBURETOR
2Артикул: THROTTLE, THROTTLE BODY NSS
3Артикул: 6516748, NEEDLE adj.
Подробнее >
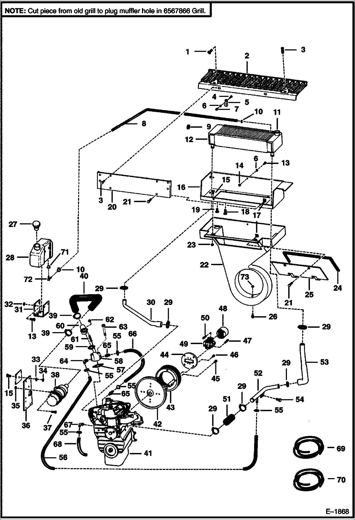
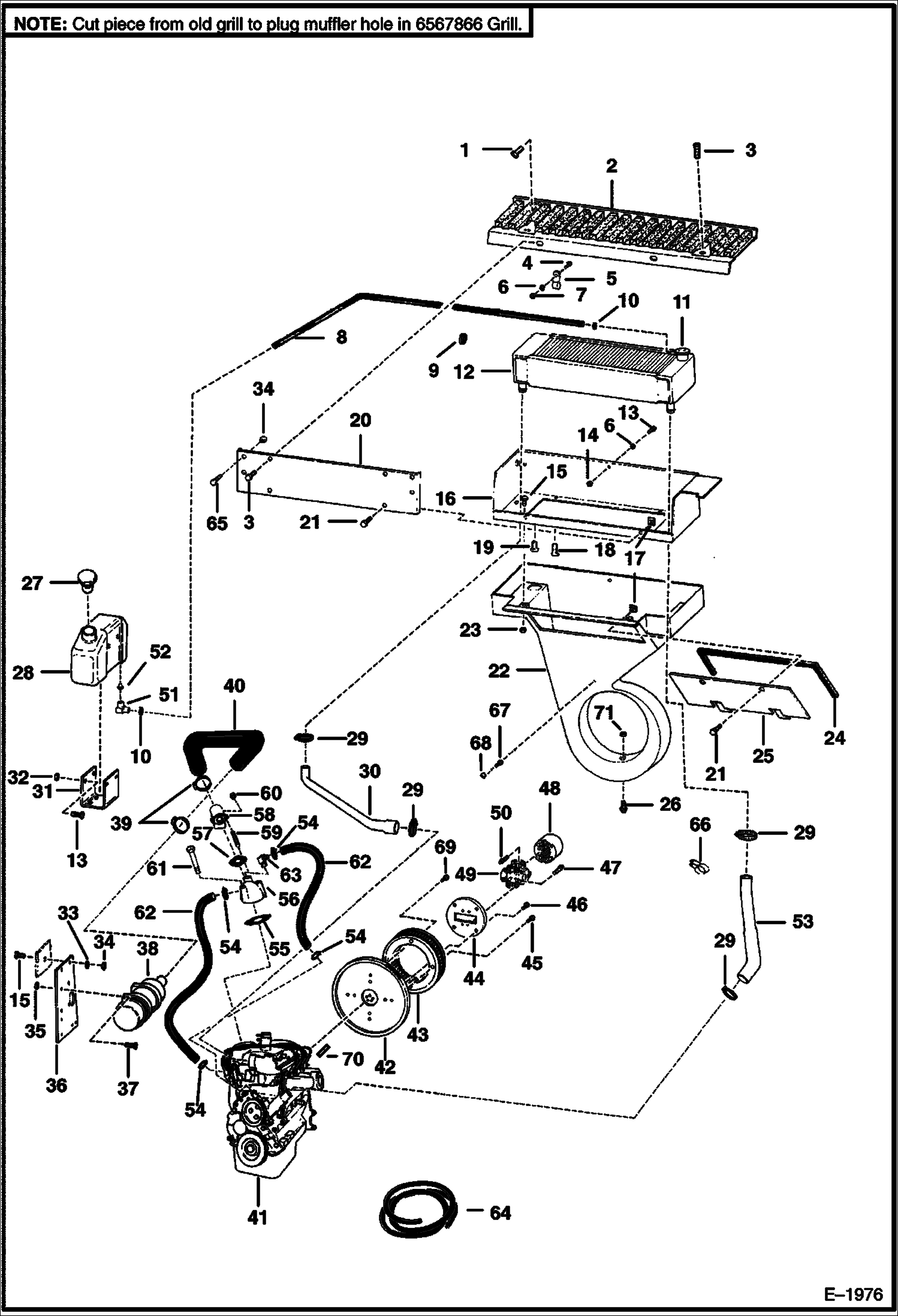
ДВИГАТЕЛЬ И КРЕПЕЖНЫЕ ДЕТАЛИ (СЕРИЙНЫЙ НОМЕР 11999 И НИЖЕ)

ДВИГАТЕЛЬ И КРЕПЕЖНЫЕ ДЕТАЛИ (СЕРИЙНЫЙ НОМЕР 11999 И НИЖЕ)

1Артикул: 84G3712, BOLT 5
2Артикул: 6567866, GRILL SEE NOTE - Was 6578344 - A
3Артикул: 84G3112, BOLT 5
Подробнее >
БЛОК ЦИЛИНДРОВ (СЕРИЙНЫЙ НОМЕР 11999 И НИЖЕ)

БЛОК ЦИЛИНДРОВ (СЕРИЙНЫЙ НОМЕР 11999 И НИЖЕ)

1Артикул: BLOCK, BLOCK NLA - Was 6649574 - A
2Артикул: 6648191, PLUG 1 is package of 10
3Артикул: PLUG, PLUG NLA - 1 Is Package Of 10 - Was 6512915 - A
Подробнее >
ВОЗДУШНЫЙ ФИЛЬТР

ВОЗДУШНЫЙ ФИЛЬТР

1Артикул: 905282, AIR CLNR Ref. 2-8
2Артикул: TANK, TANK NSS
3Артикул: 897064, FILTER, AIR OUTER
Подробнее >
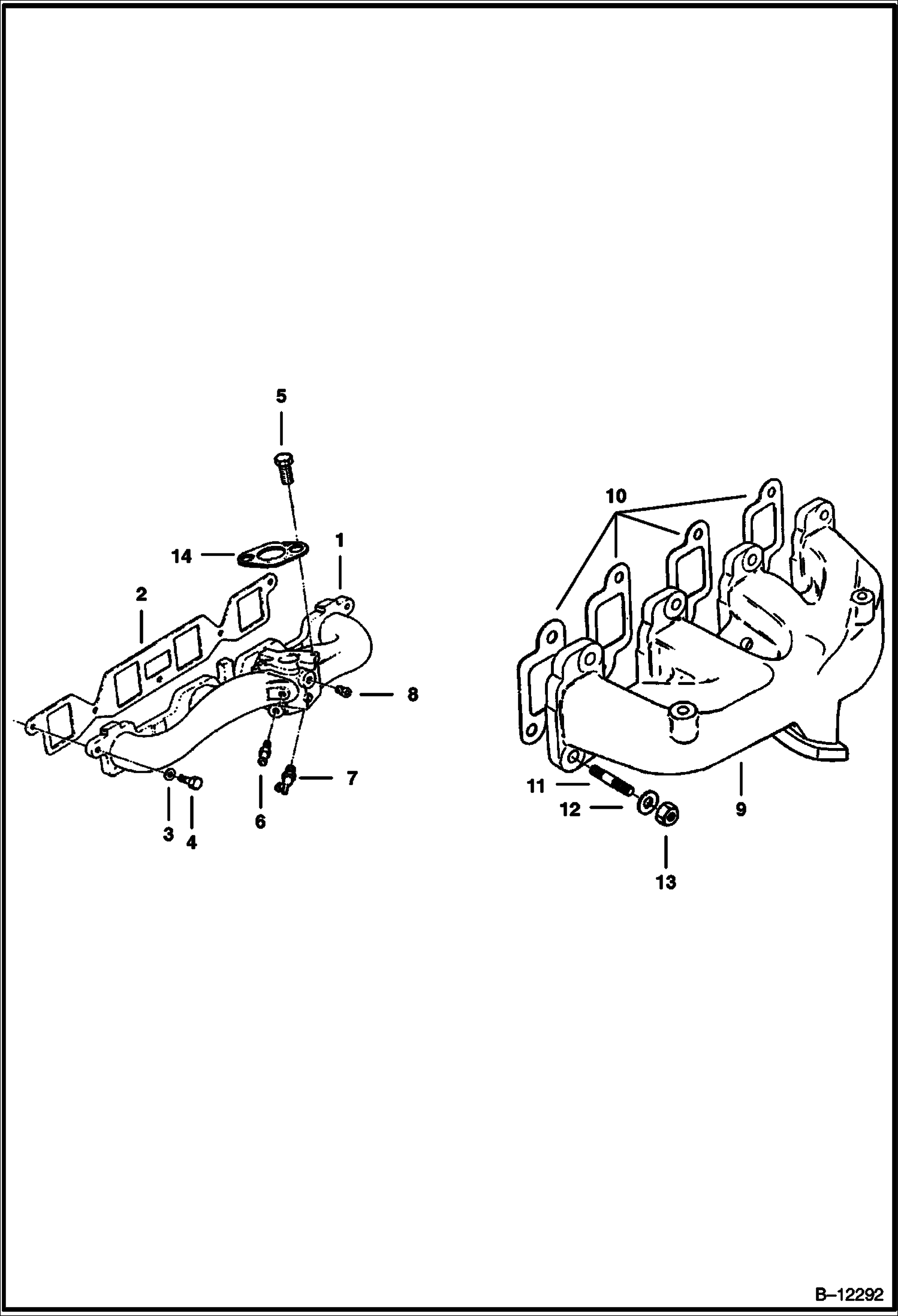
ВХОДНОЕ ОТВЕРСТИЕ И ВЫХЛОПНОЙ ТРУБОПРОВОД ДВИГАТЕЛЯ (СЕРИЙНЫЙ НОМЕР 12001 И ВЫШЕ)

ВХОДНОЕ ОТВЕРСТИЕ И ВЫХЛОПНОЙ ТРУБОПРОВОД ДВИГАТЕЛЯ (СЕРИЙНЫЙ НОМЕР 12001 И ВЫШЕ)

1Артикул: MANIFOLD, MANIFOLD NSS - intake - Was 6654337 - A
2Артикул: 6722167, MANIFOLD KIT W/Ref. 1 & 10
3Артикул: 6654338, GASKET
Подробнее >
ДВИГАТЕЛЬ (СЕРИЙНЫЙ НОМЕР 12001 И ВЫШЕ)

ДВИГАТЕЛЬ (СЕРИЙНЫЙ НОМЕР 12001 И ВЫШЕ)

1Артикул: ENGINE, ENGINE NLA - Ford VSG411 - Does not include Starter, Alternator, Carburetor, 5 Bolt Flywheel, Flywheel Housing, Belt Cover or Rear Engine Plate - 3 Main Bearing - Order 6661697 Engine, (6) of 6646511 Bolts & 6704920 Flywheel - Was 6651848 - A
2Артикул: 6661697, ENGINE VSG411 Ford VSG411 - Does not include Starter, Alternator, Carburetor, 6 Bolt Flywheel, Flywheel Housing, Belt Cover or Rear Engine Plate - 5 Main Bearing
3Артикул: 6661697REM, ENGINE, FORD does not include starter, alternator, carburetor, 6 bolt flywheel, flywheel housing, belt cover or rear engine plate
Подробнее >
КЛАПАННЫЙ МЕХАНИЗМ (СЕРИЙНЫЙ НОМЕР 12001 И ВЫШЕ)

КЛАПАННЫЙ МЕХАНИЗМ (СЕРИЙНЫЙ НОМЕР 12001 И ВЫШЕ)

1Артикул: CAMSHAFT, CAMSHAFT NLA - Was 6654287 - A
2Артикул: 6512430, BEARING camshaft (Std. ID - STD. OD)
3Артикул: 6512433, BEARING camshaft (Std. ID + .020 OD)
Подробнее >
ДВИГАТЕЛЬ И КРЕПЕЖНЫЕ ДЕТАЛИ (СЕРИЙНЫЙ НОМЕР 12001 И ВЫШЕ)

ДВИГАТЕЛЬ И КРЕПЕЖНЫЕ ДЕТАЛИ (СЕРИЙНЫЙ НОМЕР 12001 И ВЫШЕ)

1Артикул: 84G3712, BOLT 5
2Артикул: 6567866, GRILL SEE NOTE - Was 6578344 - A
3Артикул: 84G3112, BOLT 5
Подробнее >
ВОДЯНАЯ ПОМПА (СЕРИЙНЫЙ НОМЕР 12001 И ВЫШЕ)

ВОДЯНАЯ ПОМПА (СЕРИЙНЫЙ НОМЕР 12001 И ВЫШЕ)

1Артикул: PULLEY, PULLEY NLA - Order Ref. 1, 8 & 11 - Was 6654330 - A
2Артикул: 6703682, PULLEY Also order (3) of Ref. 11
3Артикул: WATER, WATER OUTLET NLA - Thermostat - Was 6578137 - A
Подробнее >
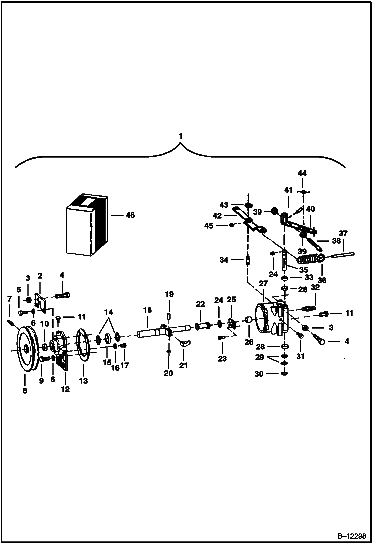
ДРОССЕЛЬНАЯ ЗАСЛОНКА И ВОЗДУШНАЯ ЗАСЛОНКА(СЕРИЙНЫЙ НОМЕР 12001 И ВЫШЕ)

ДРОССЕЛЬНАЯ ЗАСЛОНКА И ВОЗДУШНАЯ ЗАСЛОНКА(СЕРИЙНЫЙ НОМЕР 12001 И ВЫШЕ)

1Артикул: 6557291, BALL JOINT
2Артикул: 61D4, NUT 5
3Артикул: 6649547, GOVERNOR See Illustration GOVERNOR/ B12298
Подробнее >
МАСЛЯНЫЙ НАСОС (СЕРИЙНЫЙ НОМЕР 11999 И НИЖЕ)

МАСЛЯНЫЙ НАСОС (СЕРИЙНЫЙ НОМЕР 11999 И НИЖЕ)

1Артикул: 6648170, PUMP oil
2Артикул: 6649602, BOLT
3Артикул: 6647672, ELEMENT oil filter
Подробнее >
ПЕРЕДНЯЯ КРЫШКАS (СЕРИЙНЫЙ НОМЕР 12001 И ВЫШЕ)

ПЕРЕДНЯЯ КРЫШКАS (СЕРИЙНЫЙ НОМЕР 12001 И ВЫШЕ)

1Артикул: COVER, COVER NLA - Was 6654284 - A
2Артикул: 6654248, GASKET
3Артикул: 6648169, SEAL
Подробнее >
ТОПЛИВНАЯ СИСТЕМА И ВОДЯНАЯ ПОМПА (СЕРИЙНЫЙ НОМЕР 11999 И НИЖЕ)

ТОПЛИВНАЯ СИСТЕМА И ВОДЯНАЯ ПОМПА (СЕРИЙНЫЙ НОМЕР 11999 И НИЖЕ)

1Артикул: PULLEY, PULLEY NLA - Was 6578638 - A
2Артикул: 6703682, PULLEY Also order (3) of Ref. 11
3Артикул: 6649599, BOLT
Подробнее >
МАСЛЯНЫЙ НАСОС И ПОДДОН КАРТЕРА (СЕРИЙНЫЙ НОМЕР 12001 И ВЫШЕ)

МАСЛЯНЫЙ НАСОС И ПОДДОН КАРТЕРА (СЕРИЙНЫЙ НОМЕР 12001 И ВЫШЕ)

1Артикул: 6648170, PUMP oil - W/Ref. 6 - 12
2Артикул: 6654323, BOLT
3Артикул: WASHER, WASHER NLA - Was 6646522 - A
Подробнее >
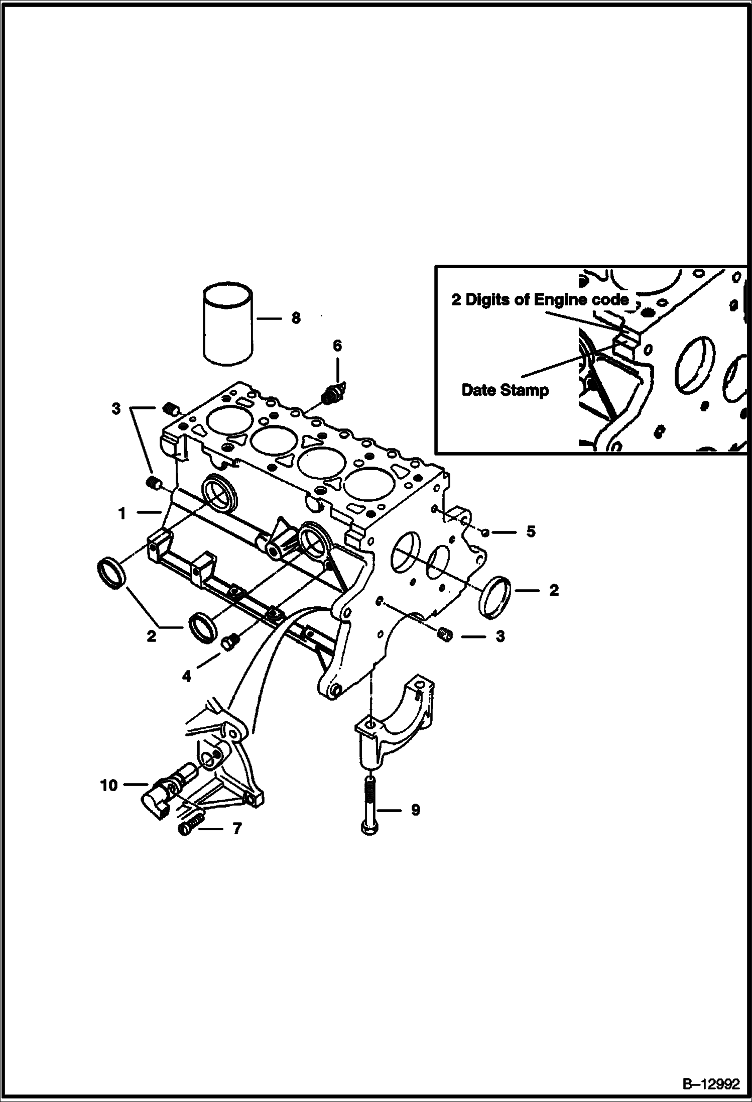
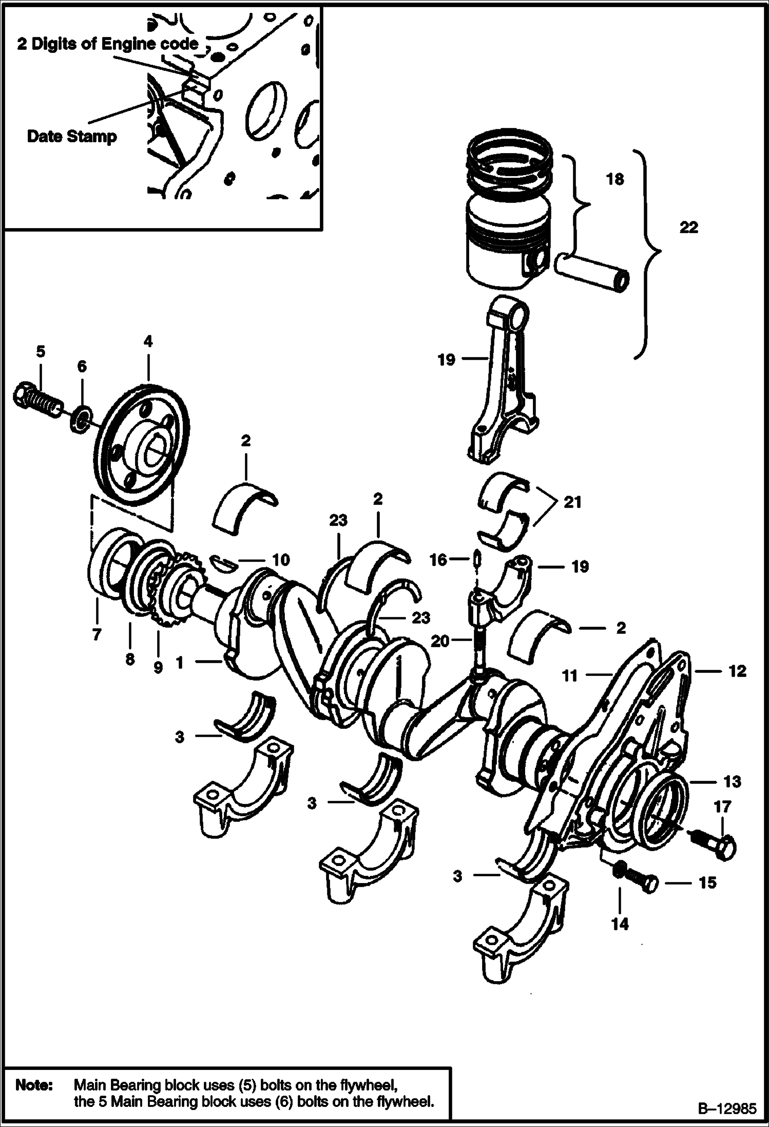
КОЛЕНЧАТЫЙ ВАЛ И ПОРШНИ (СЕРИЙНЫЙ НОМЕР 12001 И ВЫШЕ)

КОЛЕНЧАТЫЙ ВАЛ И ПОРШНИ (СЕРИЙНЫЙ НОМЕР 12001 И ВЫШЕ)

1Артикул: CRANKSHAFT, CRANKSHAFT NLA - 3 Main Bearing - Was 6654294 - A
2Артикул: 6654295, CRANKSHAFT 5 Main Bearing
3Артикул: 6654296, BEARING main (Std. OD - Std. ID) - 1/2 Bearing Upper - AA
Подробнее >
КАРДАННЫЙ ШАРНИР (СЕРИЙНЫЙ НОМЕР 12001 И ВЫШЕ)

КАРДАННЫЙ ШАРНИР (СЕРИЙНЫЙ НОМЕР 12001 И ВЫШЕ)

1Артикул: 6598347, U-JOINT
2Артикул: 6598303, SPIDER
3Артикул: 11H25, FITTING10
Подробнее >
СИСТЕМА ЗАЖИГАНИЯ (СЕРИЙНЫЙ НОМЕР 12001 И ВЫШЕ)

СИСТЕМА ЗАЖИГАНИЯ (СЕРИЙНЫЙ НОМЕР 12001 И ВЫШЕ)

1Артикул: 6654342, COIL ASSY. W/Bracket
2Артикул: 6654343, SCREW
3Артикул: 6655451, MODULE ignition - Also Order 6686223 & 6686224 - Was 6654344 - A
Подробнее >
РЕГУЛЯТОР ОБОРОТОВ

РЕГУЛЯТОР ОБОРОТОВ

1Артикул: 6649547, GOVERNOR
2Артикул: BRACKET, BRACKET NSS
3Артикул: NUT, NUT NSS
Подробнее >
ВХОДНОЕ ОТВЕРСТИЕ И ВЫХЛОПНЫЕ ТРУБОПРОВОДЫ ДВИГАТЕЛЯ (СЕРИЙНЫЙ НОМЕР 11999 И НИЖЕ)

ВХОДНОЕ ОТВЕРСТИЕ И ВЫХЛОПНЫЕ ТРУБОПРОВОДЫ ДВИГАТЕЛЯ (СЕРИЙНЫЙ НОМЕР 11999 И НИЖЕ)

1Артикул: MANIFOLD, MANIFOLD NLA - intake - Was 6646525 - A
2Артикул: GASKET, GASKET NLA - Was 6646526 - A
3Артикул: WASHER, WASHER NLA - Was 6649603 - A
Подробнее >
ГОЛОВКА ЦИЛИНДРА (СЕРИЙНЫЙ НОМЕР 12001 И ВЫШЕ)

ГОЛОВКА ЦИЛИНДРА (СЕРИЙНЫЙ НОМЕР 12001 И ВЫШЕ)

1Артикул: 6654264, HEAD
2Артикул: 6654265, GASKET
3Артикул: 6654267, BOLT
Подробнее >
ТОПЛИВНЫЙ НАСОС (СЕРИЙНЫЙ НОМЕР 12001 И ВЫШЕ)

ТОПЛИВНЫЙ НАСОС (СЕРИЙНЫЙ НОМЕР 12001 И ВЫШЕ)

1Артикул: 6646520, FUEL PUMP
2Артикул: 6512519, GASKET
3Артикул: 6654334, SCREW W/Washer
Подробнее >
ДВИГАТЕЛЬ (СЕРИЙНЫЙ НОМЕР 11999 И НИЖЕ)

ДВИГАТЕЛЬ (СЕРИЙНЫЙ НОМЕР 11999 И НИЖЕ)

1Артикул: ENGINE, ENGINE NLA - FORD VSG411 - Also Order the Below Listed Parts - Was 6648843 - A
2Артикул: 6661697, ENGINE VSG411
3Артикул: 6661697REM, ENGINE, FORD Also Order the below listed parts
Подробнее >
РАСПРЕДЕЛИТЕЛЬНОЕ УСТРОЙСТВО (СЕРИЙНЫЙ НОМЕР 11999 И НИЖЕ)

РАСПРЕДЕЛИТЕЛЬНОЕ УСТРОЙСТВО (СЕРИЙНЫЙ НОМЕР 11999 И НИЖЕ)

1Артикул: 6640706, COIL & STRAP assy.
2Артикул: 6649562, STRAP
3Артикул: 6649563, BOLT
Подробнее >
КАРДАННЫЙ ШАРНИР (СЕРИЙНЫЙ НОМЕР 11999 И НИЖЕ)

КАРДАННЫЙ ШАРНИР (СЕРИЙНЫЙ НОМЕР 11999 И НИЖЕ)

1Артикул: 6598347, U-JOINT Ref. 2-5 & 8
2Артикул: 6598303, SPIDER
3Артикул: 11H25, FITTING10
Подробнее >
ДРОССЕЛЬНАЯ ЗАСЛОНКА И ВОЗДУШНАЯ ЗАСЛОНКА(СЕРИЙНЫЙ НОМЕР 11999 И НИЖЕ)

ДРОССЕЛЬНАЯ ЗАСЛОНКА И ВОЗДУШНАЯ ЗАСЛОНКА(СЕРИЙНЫЙ НОМЕР 11999 И НИЖЕ)

1Артикул: 6554858, BALL JOINT R.H. fine thread
2Артикул: 62D4, NUT
3Артикул: 6649547, GOVERNOR See Illustration GOVERNOR/ B12298
Подробнее >
БЛОК ЦИЛИНДРОВ (СЕРИЙНЫЙ НОМЕР 12001 И ВЫШЕ)

БЛОК ЦИЛИНДРОВ (СЕРИЙНЫЙ НОМЕР 12001 И ВЫШЕ)

1Артикул: BLOCK, BLOCK NLA - 3 Main Bearing - Was 6654253 - A
2Артикул: BLOCK, BLOCK NLA - 5 Main Bearing - Was 6661433 - A
3Артикул: PLUG, PLUG NLA - Was 6512915 - A
Подробнее >
КОЛЕНЧАТЫЙ ВАЛ И ПОРШНИ (СЕРИЙНЫЙ НОМЕР 11999 И НИЖЕ)

КОЛЕНЧАТЫЙ ВАЛ И ПОРШНИ (СЕРИЙНЫЙ НОМЕР 11999 И НИЖЕ)

1Артикул: 6646511, BOLT
2Артикул: 6654252, SEAL Rear - Was 6648213 - A
3Артикул: CRANKSHAFT, CRANKSHAFT NLA - Was 6648197 - A
Подробнее >