+7 (701) 588 50 05 Телефон для связи
RU

WhatsApp

Позвонить

БЛОК ЦИЛИНДРОВ (СЕРИЙНЫЙ НОМЕР 11999 И НИЖЕ) — Продажа в Казахстане Цены от официального дилера с доставкой в Алматы, Астану и регионы

Техника доступна в:
Полный спектр услуг:
Для Вашего удобства:
Характеристики и описание
Габариты, схема
Техническая документация
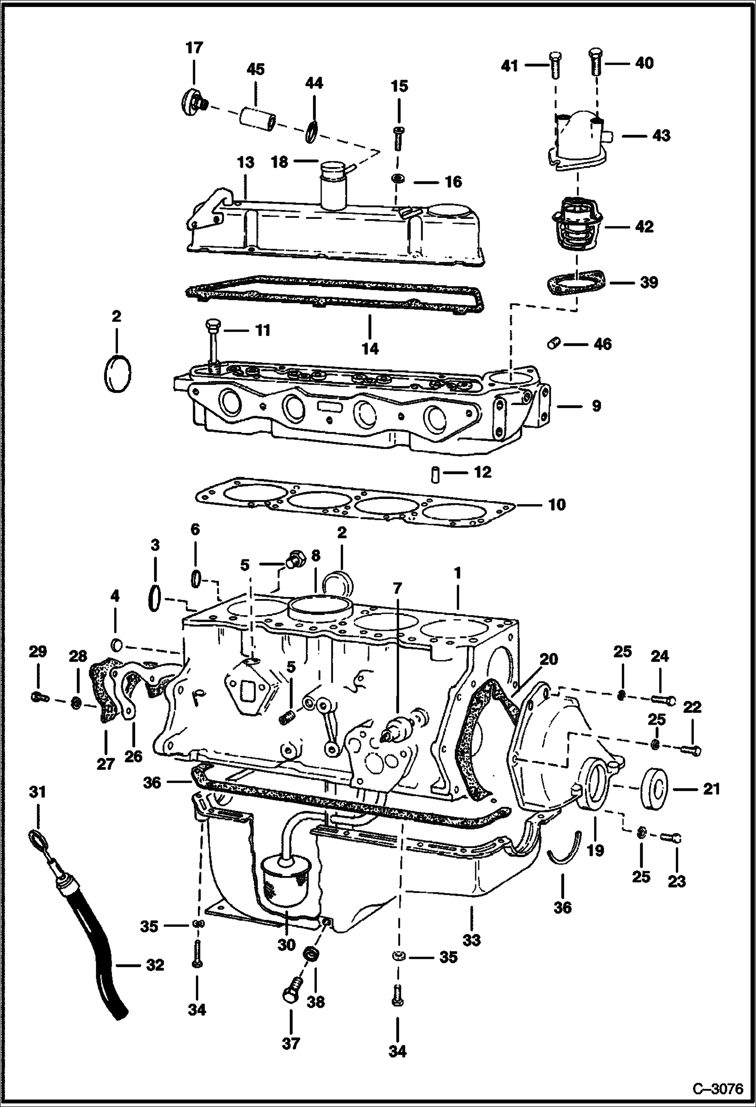
1 Артикул: BLOCK, BLOCK NLA - Was 6649574 - A
2 Артикул: 6648191, PLUG 1 is package of 10
3 Артикул: PLUG, PLUG NLA - 1 Is Package Of 10 - Was 6512915 - A
4 Артикул: 6649606, PLUG Was 6649576 - A
5 Артикул: PLUG, PLUG NLA - Was 6649577 - A
6 Артикул: 6648193, BALL PLUG
7 Артикул: 6648194, SWITCH oil pressure
8 Артикул: 6648196, LINER
9 Артикул: HEAD, HEAD NLA - Was 6649579 - A
10 Артикул: 6646504, HEAD GASKET
11 Артикул: BOLT, BOLT NLA - Was 6648160 - A
12 Артикул: 6648161, DOWEL
13 Артикул: 6578330, COVER
14 Артикул: 6646505, GASKET
15 Артикул: BOLT, BOLT NLA - Was 6646506 - A
16 Артикул: 6646507, WASHER
17 Артикул: BREATHER, BREATHER NLA - Was 6599445 - A
18 Артикул: 6646508, CAP oil fill
19 Артикул: COVER, COVER NLA - W/Ref. 21 - Was 6648168 - A
20 Артикул: 6646509, GASKET Was 6654248 - A
21 Артикул: 6648169, SEAL
22 Артикул: 1CM650, SCREW
23 Артикул: BOLT, BOLT NLA - Was 6646517 - A
24 Артикул: 6649583, BOLT 1 is package of 10
25 Артикул: 6646522, WASHER Was 6649584 - A
26 Артикул: 6654249, GASKET Was 6648211 - A
27 Артикул: 6648212, COVER
28 Артикул: WASHER, WASHER NLA - Was 6646522 - A
29 Артикул: 6646514, BOLT 1 is package of 10
30 Артикул: TUBE, TUBE NLA - oil pickup - Was 6648171 - A
31 Артикул: 6648174, DIPSTICK
32 Артикул: TUBE, TUBE NLA - dipstick - Was 6648175 - A
33 Артикул: OIL, OIL PAN NLA - Was 6648176 - A
34 Артикул: BOLT, BOLT NLA - 1 is package of 5 - Was 6649597 - A
35 Артикул: 6649598, WASHER
36 Артикул: 6646512, GASKET Oil Pan W/ Half Seal - Was 6646572 - A
37 Артикул: 6646513, PLUG
38 Артикул: 6646547, GASKET
39 Артикул: 6512505, GASKET
40 Артикул: 1CM860, BOLT
41 Артикул: 1CM820, BOLT Was 4CM820 - A
42 Артикул: 6649601, THERMOSTAT
43 Артикул: WATER, WATER OUTLET NLA - Was 6578137 - A
44 Артикул: 44H16, CLAMP Was 6666865 - A
45 Артикул: HOSE, HOSE NLA - 2.75-- (69,9 mm) long - Order (1) of 6578172 bulk hose - Was 6578604 - A
46 Артикул: 40K2, PLUG

БЛОК ЦИЛИНДРОВ (СЕРИЙНЫЙ НОМЕР 11999 И НИЖЕ): Техника, которая работает на результат

БЛОК ЦИЛИНДРОВ (СЕРИЙНЫЙ НОМЕР 11999 И НИЖЕ) на Bobcat 500s Bobcat 542 506911251 И ВЫШЕ, 508512001 И ВЫШЕ

Габаритные размеры

Габаритные размеры и схема БЛОК ЦИЛИНДРОВ (СЕРИЙНЫЙ НОМЕР 11999 И НИЖЕ)

Нажмите на схему для увеличения

Документация

Документация временно недоступна.

Похожая техника в категории: ЗАПЧАСТИ ДВИГАТЕЛЯ (Bobcat)

Спецтехника КЛАПАННЫЙ МЕХАНИЗМ (СЕРИЙНЫЙ НОМЕР 11999 И НИЖЕ)

КЛАПАННЫЙ МЕХАНИЗМ (СЕРИЙНЫЙ НОМЕР 11999 И НИЖЕ)

1Артикул: 651260...
2Артикул: 664818...
3Артикул: ARM, A...
Подробнее >
Спецтехника КАРБЮРАТОР (СЕРИЙНЫЙ НОМЕР 11999 И НИЖЕ)

КАРБЮРАТОР (СЕРИЙНЫЙ НОМЕР 11999 И НИЖЕ)

1Артикул: 664954...
2Артикул: THROTT...
3Артикул: 651674...
Подробнее >
Спецтехника КАРБЮРАТОР (СЕРИЙНЫЙ НОМЕР 12001 И ВЫШЕ)

КАРБЮРАТОР (СЕРИЙНЫЙ НОМЕР 12001 И ВЫШЕ)

1Артикул: 665489...
2Артикул: THROTT...
3Артикул: 651674...
Подробнее >
Спецтехника ДВИГАТЕЛЬ И КРЕПЕЖНЫЕ ДЕТАЛИ (СЕРИЙНЫЙ НОМЕР 11999 И НИЖЕ)

ДВИГАТЕЛЬ И КРЕПЕЖНЫЕ ДЕТАЛИ (СЕРИЙНЫЙ НОМЕР 11999 И НИЖЕ)

1Артикул: 84G371...
2Артикул: 656786...
3Артикул: 84G311...
Подробнее >
Спецтехника ВОЗДУШНЫЙ ФИЛЬТР

ВОЗДУШНЫЙ ФИЛЬТР

1Артикул: 905282...
2Артикул: TANK, ...
3Артикул: 897064...
Подробнее >
Спецтехника ВХОДНОЕ ОТВЕРСТИЕ И ВЫХЛОПНОЙ ТРУБОПРОВОД ДВИГАТЕЛЯ (СЕРИЙНЫЙ НОМЕР 12001 И ВЫШЕ)

ВХОДНОЕ ОТВЕРСТИЕ И ВЫХЛОПНОЙ ТРУБОПРОВОД ДВИГАТЕЛЯ (СЕРИЙНЫЙ НОМЕР 12001 И ВЫШЕ)

1Артикул: MANIFO...
2Артикул: 672216...
3Артикул: 665433...
Подробнее >
Спецтехника ДВИГАТЕЛЬ (СЕРИЙНЫЙ НОМЕР 12001 И ВЫШЕ)

ДВИГАТЕЛЬ (СЕРИЙНЫЙ НОМЕР 12001 И ВЫШЕ)

1Артикул: ENGINE...
2Артикул: 666169...
3Артикул: 666169...
Подробнее >
Спецтехника КЛАПАННЫЙ МЕХАНИЗМ (СЕРИЙНЫЙ НОМЕР 12001 И ВЫШЕ)

КЛАПАННЫЙ МЕХАНИЗМ (СЕРИЙНЫЙ НОМЕР 12001 И ВЫШЕ)

1Артикул: CAMSHA...
2Артикул: 651243...
3Артикул: 651243...
Подробнее >
Спецтехника ДВИГАТЕЛЬ И КРЕПЕЖНЫЕ ДЕТАЛИ (СЕРИЙНЫЙ НОМЕР 12001 И ВЫШЕ)

ДВИГАТЕЛЬ И КРЕПЕЖНЫЕ ДЕТАЛИ (СЕРИЙНЫЙ НОМЕР 12001 И ВЫШЕ)

1Артикул: 84G371...
2Артикул: 656786...
3Артикул: 84G311...
Подробнее >
Спецтехника ВОДЯНАЯ ПОМПА (СЕРИЙНЫЙ НОМЕР 12001 И ВЫШЕ)

ВОДЯНАЯ ПОМПА (СЕРИЙНЫЙ НОМЕР 12001 И ВЫШЕ)

1Артикул: PULLEY...
2Артикул: 670368...
3Артикул: WATER,...
Подробнее >
Спецтехника ДРОССЕЛЬНАЯ ЗАСЛОНКА И ВОЗДУШНАЯ ЗАСЛОНКА(СЕРИЙНЫЙ НОМЕР 12001 И ВЫШЕ)

ДРОССЕЛЬНАЯ ЗАСЛОНКА И ВОЗДУШНАЯ ЗАСЛОНКА(СЕРИЙНЫЙ НОМЕР 12001 И ВЫШЕ)

1Артикул: 655729...
2Артикул: 61D4, ...
3Артикул: 664954...
Подробнее >
Спецтехника МАСЛЯНЫЙ НАСОС (СЕРИЙНЫЙ НОМЕР 11999 И НИЖЕ)

МАСЛЯНЫЙ НАСОС (СЕРИЙНЫЙ НОМЕР 11999 И НИЖЕ)

1Артикул: 664817...
2Артикул: 664960...
3Артикул: 664767...
Подробнее >