+7 (701) 588 50 05 Телефон для связи
RU

WhatsApp

Позвонить

ЗАПЧАСТИ ДВИГАТЕЛЯ в Алматы

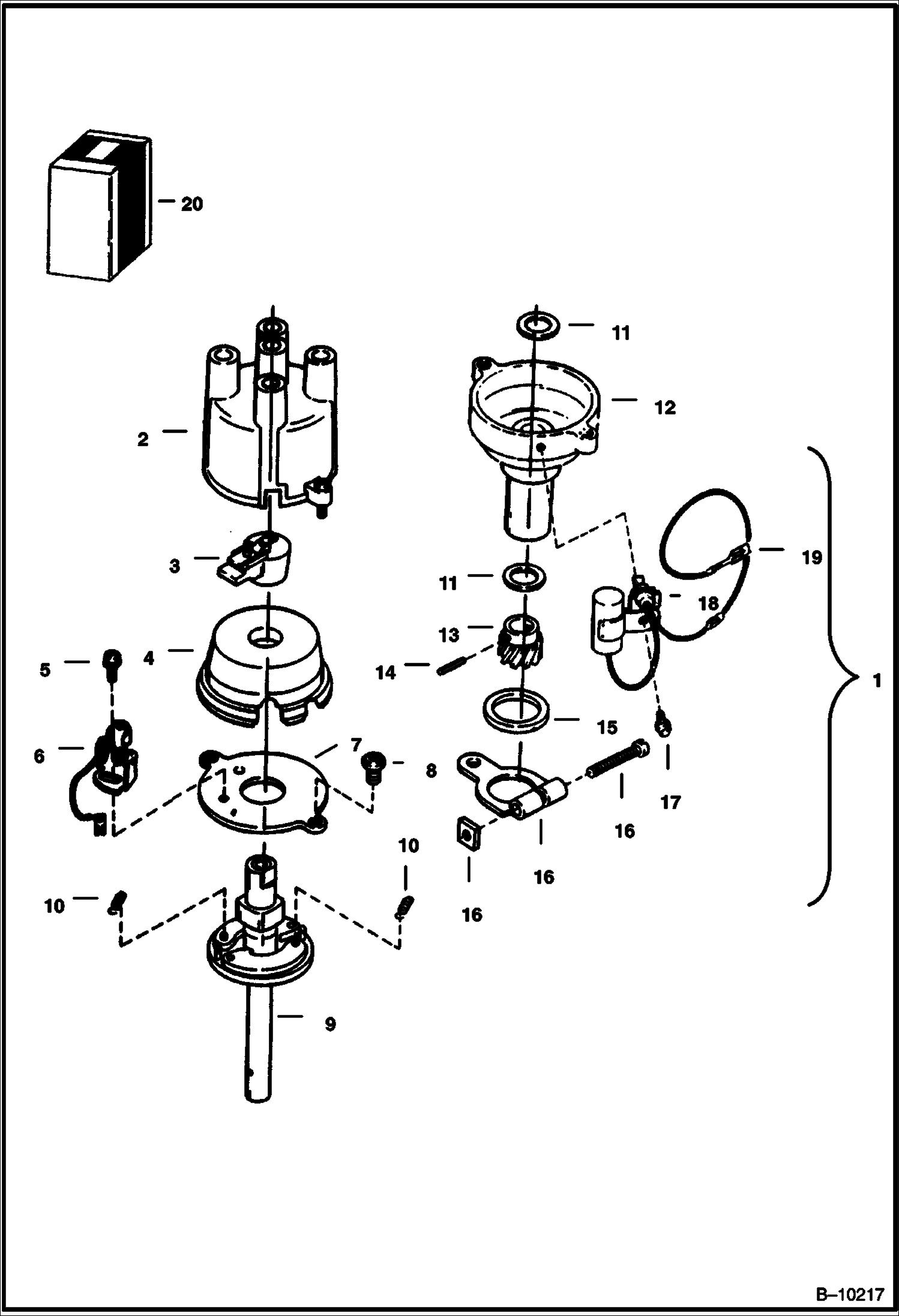
РАСПРЕДЕЛИТЕЛЬНОЕ УСТРОЙСТВО ПОВЫШЕННОЙ НАДЕЖНОСТИ - ДВИГАТЕЛЬ СЕРИЙНЫЙ НОМЕР 6193828 И ВЫШЕ

РАСПРЕДЕЛИТЕЛЬНОЕ УСТРОЙСТВО ПОВЫШЕННОЙ НАДЕЖНОСТИ - ДВИГАТЕЛЬ СЕРИЙНЫЙ НОМЕР 6193828 И ВЫШЕ

1Артикул: 6660480, DISTRIBUTOR
2Артикул: 6660470, CAP
3Артикул: 6660471, ROTOR W/Ref. 6
Подробнее >
КАТУШКА ЗАЖИГАНИЯ, КАБЕЛИ И ПРИВОД РАСПРЕДЕЛИТЕЛЬНОГО УСТРОЙСТВА

КАТУШКА ЗАЖИГАНИЯ, КАБЕЛИ И ПРИВОД РАСПРЕДЕЛИТЕЛЬНОГО УСТРОЙСТВА

1Артикул: 6516540, GROMMET
2Артикул: CABLE, CABLE NSS - #1 spark plug
3Артикул: CABLE, CABLE NSS - #2 spark plug
Подробнее >
КАРБЮРАТОР

КАРБЮРАТОР

1Артикул: 6516590, CARBURETOR Ref. 2-44
2Артикул: PLUG, PLUG NLA
3Артикул: BUSHING, BUSHING NLA
Подробнее >
ЦИЛИНДР И КЛАПАНЫ

ЦИЛИНДР И КЛАПАНЫ

1Артикул: 17C516, BOLT
2Артикул: 6516500, WASHER
3Артикул: 6516499, COVER
Подробнее >
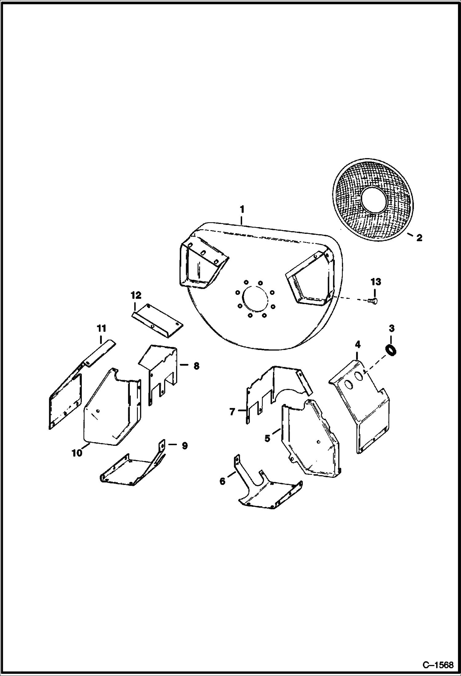
ЗАЩИТНЫЙ КОЖУХ ДВИГАТЕЛЯ

ЗАЩИТНЫЙ КОЖУХ ДВИГАТЕЛЯ

1Артикул: SHROUD, SHROUD NLA - flywheel - Was 6510091 - A
2Артикул: RING, RING NLA
3Артикул: 6516359, CAP
Подробнее >
КРИВОШИПНАЯ КОРОБКА И КРЫШКА КОРОБКИ ПЕРЕДАЧ

КРИВОШИПНАЯ КОРОБКА И КРЫШКА КОРОБКИ ПЕРЕДАЧ

1Артикул: 6510831, SPACER
2Артикул: 6516529, GASKET
3Артикул: COVER, COVER NLA - Was 6510832 - A
Подробнее >
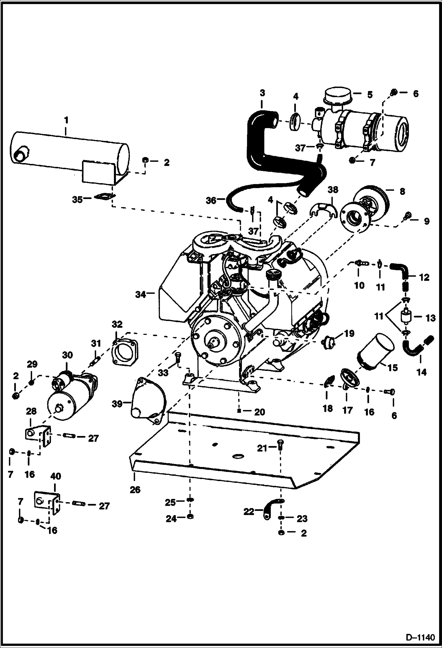
ДВИГАТЕЛЬ И КРЕПЕЖНЫЕ ДЕТАЛИ

ДВИГАТЕЛЬ И КРЕПЕЖНЫЕ ДЕТАЛИ

1Артикул: 6541298, MUFFLER
2Артикул: 61D6, NUT 5
3Артикул: 6544538, HOSE
Подробнее >
ВНУТРЕННИЕ ДЕТАЛИ

ВНУТРЕННИЕ ДЕТАЛИ

1Артикул: 6516464, RINGS 4 Ring (Std.) Complete Engine
2Артикул: RINGS, RINGS NLA - .010 (0,25mm) - 4 ring - complete engine - Was 6516465 - A
3Артикул: 6516466, RINGS 4 Ring (.020) Complete Engine
Подробнее >
МАСЛОНАСОС ДВИГАТЕЛЯ

МАСЛОНАСОС ДВИГАТЕЛЯ

1Артикул: 6512389, PUMP Ref. 3-11
2Артикул: 6516640, NOZZLE
3Артикул: 6J204, KEY
Подробнее >
ТОПЛИВНЫЙ НАСОС, КАРБЮРАТОР И КОЛЛЕКТОР

ТОПЛИВНЫЙ НАСОС, КАРБЮРАТОР И КОЛЛЕКТОР

1Артикул: 4E5, WASHER
2Артикул: 17C516, BOLT
3Артикул: STUD, STUD NLA - Was 6510870 - A
Подробнее >
РАСПРЕДЕЛИТЕЛЬНОЕ УСТРОЙСТВО (COLT) (ДВИГАТЕЛЬ СЕРИЙНЫЙ НОМЕР 6164221 И ВЫШЕ)

РАСПРЕДЕЛИТЕЛЬНОЕ УСТРОЙСТВО (COLT) (ДВИГАТЕЛЬ СЕРИЙНЫЙ НОМЕР 6164221 И ВЫШЕ)

1Артикул: DISTRIBUTOR, DISTRIBUTOR See Illustration DISTRIBUTOR/ B14031 NLA - ORDER 6660480 DISTRIBUTOR - WAS 6634241 - A
2Артикул: CAP, CAP AND ROTOR NLA - W/Ref. 3 - Was 6634242 - A
3Артикул: ROTOR, ROTOR NLA - Was 6634243 - A
Подробнее >
КАРДАННЫЙ ШАРНИР

КАРДАННЫЙ ШАРНИР

1Артикул: 6598347, U-JOINT W/Ref. 4-6, 14 & 15
2Артикул: 6541555, YOKE
3Артикул: 17C616, BOLT 5
Подробнее >
ДРОССЕЛЬНАЯ ЗАСЛОНКА И ВОЗДУШНАЯ ЗАСЛОНКА

ДРОССЕЛЬНАЯ ЗАСЛОНКА И ВОЗДУШНАЯ ЗАСЛОНКА

1Артикул: 6542824, ROD
2Артикул: CLIP, CLIP NLA - Was 6519478 - A
3Артикул: 6542823, JACKSHAFT choke
Подробнее >
РАСПРЕДЕЛИТЕЛЬНОЕ УСТРОЙСТВО (PRESTOLITE IAD-6004-2P) (ДВИГАТЕЛЬ СЕРИЙНЫЙ НОМЕР 6164220 И НИЖЕ)

РАСПРЕДЕЛИТЕЛЬНОЕ УСТРОЙСТВО (PRESTOLITE IAD-6004-2P) (ДВИГАТЕЛЬ СЕРИЙНЫЙ НОМЕР 6164220 И НИЖЕ)

1Артикул: 6665209, DISTRIBUTOR Was 6516555 - A
2Артикул: 870925, CAP
3Артикул: 957791, ROTOR
Подробнее >
РЕГУЛЯТОРА ОБОРОТОВ И УСТРОЙСТВО УПРАВЛЕНИЯ

РЕГУЛЯТОРА ОБОРОТОВ И УСТРОЙСТВО УПРАВЛЕНИЯ

1Артикул: GOVERNOR, GOVERNOR NLA - Ref. 2-13 & 25-29 - Order 6512329 Governor - Was 6510833 - A
2Артикул: 6512329, GOVERNOR Ref. 2-13 & 25-29
3Артикул: 6516617, GASKET
Подробнее >
ДВИГАТЕЛЬ (WISCONSIN)

ДВИГАТЕЛЬ (WISCONSIN)

1Артикул: ENGINE, ENGINE NLA - VH4D gasoline
2Артикул: ENGINE, ENGINE NLA - VH4D LP
3Артикул: ENGINE, ENGINE NLA - VH4D gasoline, W/Fuel pump, starter & carburetor & manifold - Order 6553439REM - Was 6553439 - A
Подробнее >
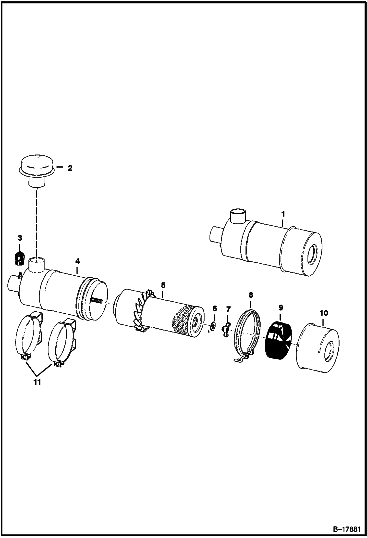
ВОЗДУШНЫЙ ФИЛЬТР

ВОЗДУШНЫЙ ФИЛЬТР

1Артикул: AIR, AIR CLEANER See BTI253 NLA - Ref. 3-10 - WAS 6544578 - A
2Артикул: 6652488, CAP breather - Was 663879B - A
3Артикул: 1735188, INDICATR
Подробнее >