+7 (701) 588 50 05 Телефон для связи
RU

WhatsApp

Позвонить

КРИВОШИПНАЯ КОРОБКА И КРЫШКА КОРОБКИ ПЕРЕДАЧ — Продажа в Казахстане Цены от официального дилера с доставкой в Алматы, Астану и регионы

Техника доступна в:
Полный спектр услуг:
Для Вашего удобства:
Характеристики и описание
Габариты, схема
Техническая документация
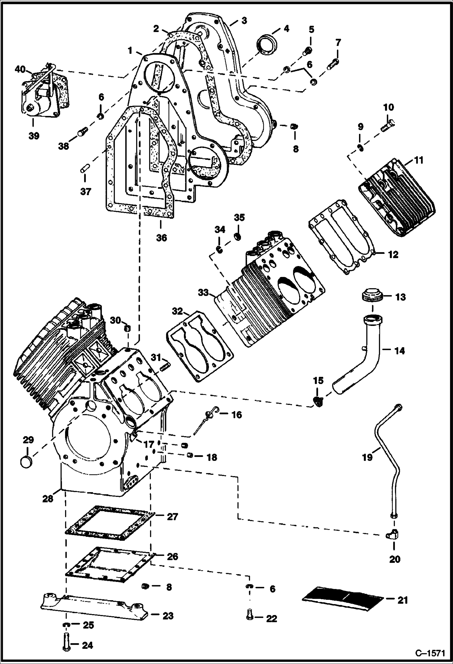
1 Артикул: 6510831, SPACER
2 Артикул: 6516529, GASKET
3 Артикул: COVER, COVER NLA - Was 6510832 - A
4 Артикул: 6512331, COVER
5 Артикул: 6516526, SEAL oil
6 Артикул: 852074, SCREW
7 Артикул: 4E5, WASHER
8 Артикул: 6516500, WASHER
9 Артикул: 17C520, BOLT 5
10 Артикул: 40K6, PLUG pipe
11 Артикул: 861276, WASHER 5
12 Артикул: 6516436, BOLT cap
13 Артикул: 17C520, BOLT 5
14 Артикул: 6516433, HEAD, CYL ENG Gasoline
15 Артикул: 6516432, HEAD LPG
16 Артикул: 6516434, GASKET
17 Артикул: 6515567, CAP
18 Артикул: FILLER, FILLER TUBE NLA - Oil - W/Ref. 13 - Was 6510088 - A
19 Артикул: 6514844, TUBE oil - W/Ref. 13 - 720
20 Артикул: 6516536, SCREEN
21 Артикул: DIPSTICK, DIPSTICK NLA - Was 6510828 - A
22 Артикул: TUBE, TUBE NLA - dipstick - Was 6510829 - A
23 Артикул: 16F2, PLUG pipe
24 Артикул: 6516512, OIL LINE
25 Артикул: 42F3, ELBOW FITTING
26 Артикул: 6664964, GASKET KIT Complete Overhaul - Was 6516447 - A
27 Артикул: 17C510, BOLT
28 Артикул: 6516443, SUPPORT
29 Артикул: 17C824, BOLT 5
30 Артикул: 4E8, WASHER
31 Артикул: PLATE, PLATE NLA - Was 6519496 - A
32 Артикул: 6516444, GASKET
33 Артикул: CRANKCASE, CRANKCASE NLA - W/Ref. 13-18 & 29-31 - Was 6510830 - A
34 Артикул: 6512333, CRANKCASE W/Ref. 13-18 & 29-31
35 Артикул: 6516441, PLUG
36 Артикул: 6516435, PLUG
37 Артикул: 6510868, STUD
38 Артикул: 6516437, GASKET
39 Артикул: 6516497, BLOCK See Illustration CYLINDER & VALVES/ C1570 CYLINDER
40 Артикул: 4E7, WASHER
41 Артикул: 62D7, NUT
42 Артикул: GASKET, GASKET NLA - Was 6510824
43 Артикул: 6516532, PIN
44 Артикул: 17C512, BOLT 5
45 Артикул: 6510833, GOVERNOR See Illustration GOVERNOR & CONTROL/ B1399
46 Артикул: 6512329, GOVERNOR See Illustration GOVERNOR & CONTROL/ B1399
47 Артикул: 6516617, GASKET

КРИВОШИПНАЯ КОРОБКА И КРЫШКА КОРОБКИ ПЕРЕДАЧ: Техника, которая работает на результат

КРИВОШИПНАЯ КОРОБКА И КРЫШКА КОРОБКИ ПЕРЕДАЧ на Bobcat 700s Bobcat 700 4957M13001 И ВЫШЕ, 4957MA1001 И ВЫШЕ

Габаритные размеры

Габаритные размеры и схема КРИВОШИПНАЯ КОРОБКА И КРЫШКА КОРОБКИ ПЕРЕДАЧ

Нажмите на схему для увеличения

Документация

Документация временно недоступна.

Похожая техника в категории: ЗАПЧАСТИ ДВИГАТЕЛЯ (Bobcat)

Спецтехника РАСПРЕДЕЛИТЕЛЬНОЕ УСТРОЙСТВО ПОВЫШЕННОЙ НАДЕЖНОСТИ - ДВИГАТЕЛЬ СЕРИЙНЫЙ НОМЕР 6193828 И ВЫШЕ

РАСПРЕДЕЛИТЕЛЬНОЕ УСТРОЙСТВО ПОВЫШЕННОЙ НАДЕЖНОСТИ - ДВИГАТЕЛЬ СЕРИЙНЫЙ НОМЕР 6193828 И ВЫШЕ

1Артикул: 666048...
2Артикул: 666047...
3Артикул: 666047...
Подробнее >
Спецтехника КАТУШКА ЗАЖИГАНИЯ, КАБЕЛИ И ПРИВОД РАСПРЕДЕЛИТЕЛЬНОГО УСТРОЙСТВА

КАТУШКА ЗАЖИГАНИЯ, КАБЕЛИ И ПРИВОД РАСПРЕДЕЛИТЕЛЬНОГО УСТРОЙСТВА

1Артикул: 651654...
2Артикул: CABLE,...
3Артикул: CABLE,...
Подробнее >
Спецтехника КАРБЮРАТОР

КАРБЮРАТОР

1Артикул: 651659...
2Артикул: PLUG, ...
3Артикул: BUSHIN...
Подробнее >
Спецтехника ЦИЛИНДР И КЛАПАНЫ

ЦИЛИНДР И КЛАПАНЫ

1Артикул: 17C516...
2Артикул: 651650...
3Артикул: 651649...
Подробнее >
Спецтехника ЗАЩИТНЫЙ КОЖУХ ДВИГАТЕЛЯ

ЗАЩИТНЫЙ КОЖУХ ДВИГАТЕЛЯ

1Артикул: SHROUD...
2Артикул: RING, ...
3Артикул: 651635...
Подробнее >
Спецтехника ДВИГАТЕЛЬ И КРЕПЕЖНЫЕ ДЕТАЛИ

ДВИГАТЕЛЬ И КРЕПЕЖНЫЕ ДЕТАЛИ

1Артикул: 654129...
2Артикул: 61D6, ...
3Артикул: 654453...
Подробнее >
Спецтехника ВНУТРЕННИЕ ДЕТАЛИ

ВНУТРЕННИЕ ДЕТАЛИ

1Артикул: 651646...
2Артикул: RINGS,...
3Артикул: 651646...
Подробнее >
Спецтехника МАСЛОНАСОС ДВИГАТЕЛЯ

МАСЛОНАСОС ДВИГАТЕЛЯ

1Артикул: 651238...
2Артикул: 651664...
3Артикул: 6J204,...
Подробнее >
Спецтехника ТОПЛИВНЫЙ НАСОС, КАРБЮРАТОР И КОЛЛЕКТОР

ТОПЛИВНЫЙ НАСОС, КАРБЮРАТОР И КОЛЛЕКТОР

1Артикул: 4E5, W...
2Артикул: 17C516...
3Артикул: STUD, ...
Подробнее >
Спецтехника РАСПРЕДЕЛИТЕЛЬНОЕ УСТРОЙСТВО (COLT) (ДВИГАТЕЛЬ СЕРИЙНЫЙ НОМЕР 6164221 И ВЫШЕ)

РАСПРЕДЕЛИТЕЛЬНОЕ УСТРОЙСТВО (COLT) (ДВИГАТЕЛЬ СЕРИЙНЫЙ НОМЕР 6164221 И ВЫШЕ)

1Артикул: DISTRI...
2Артикул: CAP, C...
3Артикул: ROTOR,...
Подробнее >
Спецтехника КАРДАННЫЙ ШАРНИР

КАРДАННЫЙ ШАРНИР

1Артикул: 659834...
2Артикул: 654155...
3Артикул: 17C616...
Подробнее >
Спецтехника ДРОССЕЛЬНАЯ ЗАСЛОНКА И ВОЗДУШНАЯ ЗАСЛОНКА

ДРОССЕЛЬНАЯ ЗАСЛОНКА И ВОЗДУШНАЯ ЗАСЛОНКА

1Артикул: 654282...
2Артикул: CLIP, ...
3Артикул: 654282...
Подробнее >