ЗАПЧАСТИ ДВИГАТЕЛЯ в Алматы
КОМПЛЕКТ ДЕТАЛЕЙ ВЕРХНЕГО УПЛОТНИТЕЛЬНОГО КОЛЬЦА (KUBOTA D722-E2B-BC-1)
1Артикул: 6672739, UPPER GASKET KIT upper - W/Ref. 2 - 14 - For 6686064 Engine & 6686738 Engine
2Артикул: 7266047, KIT, GASKET ENG UPPER upper - W/Ref. 2 - 14 - For 6686064 Engine & 6686738 Engine - Was 7000504 - A
3Артикул: 6688065, GASKET See Illustration ROCKER ARM COVER/ B25046 - valve cover - Was 6670372 - B
КРЫШКА КОРОМЫСЛА КЛАПАНА (KUBOTA D722-E2B-BC-1)
1Артикул: 6688061, TUBE
2Артикул: 6687664, CLAMP
3Артикул: 6688064, COVER valve - W/Ref. 4-8
ДЕРЖАТЕЛЬ ФОРСУНКИ (KUBOTA D722-E2B-BC-1)
1Артикул: NOZZLE, NOZZLE HOLDER NLA - Ref. 2-11 - Order 7012004 nozzle holder & Ref. 2 - Was 6670465 - A
2Артикул: 6670465REM, NOZZLE, FUEL INJ. KUBOTA D722 Ref. 2-11
3Артикул: 6657460, NUT
ТОПЛИВНЫЙ РАСПРЕДЕЛИТЕЛЬНЫЙ ВАЛ (KUBOTA D722-E2B-BC-1)
1Артикул: 6670416, CAMSHAFT, FUEL assy - W/Ref. 2, 4-7, 9, 12 & 13
2Артикул: 6670418, GEAR
3Артикул: 6670422, CIR-CLIP
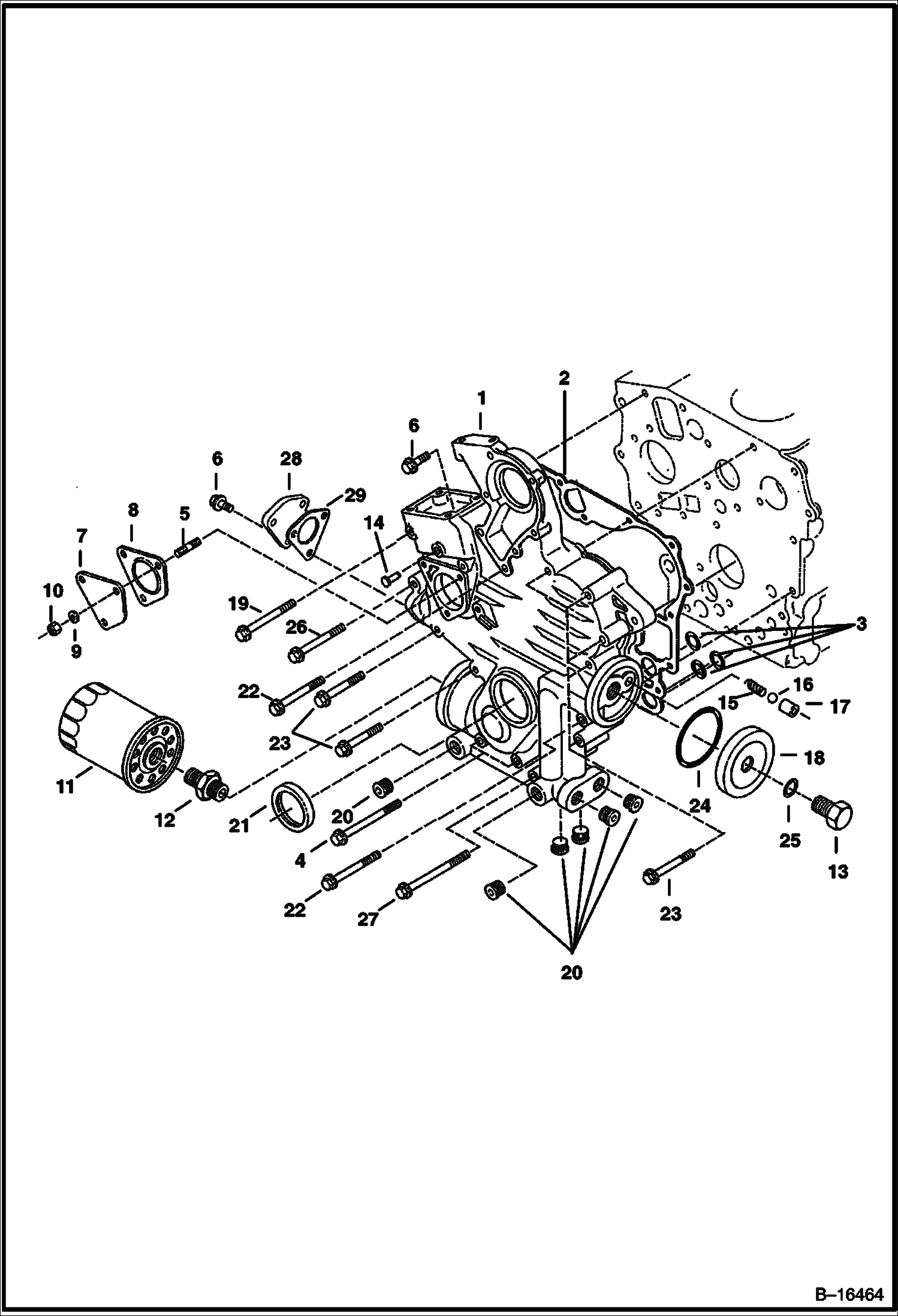
ОСНОВНОЙ КОРПУС ПОДШИПНИКА (KUBOTA D722-EB-MELROE-1)
1Артикул: CASE, CASE NLA - W/Ref. 2 - Order 7000375 case assy - Was 6670375 - A
2Артикул: 7000375, CASE, BEARING ASSY W/Ref. 2 and 6670412 bearing - Was 7000375 - A
3Артикул: 6670376, BOLT Washer Head
ТОПЛИВНАЯ СИСТЕМА И НАСОС ВПРЫСКА (KUBOTA D722-E2B-BC-1)
1Артикул: 6670436, FITTING
2Артикул: 7302472, HOSE W/Ref. 7 - Was 6598694 - A
3Артикул: 6680274, CLAMP
ПОДДОН КАРТЕРА (KUBOTA D722-E2B-BC-1)
1Артикул: 6685739, PAN
2Артикул: GASKET, GASKET NLA - Use Ref. 2
3Артикул: 6632823, GASKET liquid - Use between Ref. 1 & block
ВОДЯНАЯ ПОМПА (KUBOTA D722-EB-MELROE-1)
1Артикул: 6670506, PUMP ASSY. Ref. 2-7
2Артикул: BODY, BODY NSS
3Артикул: BEARING, BEARING - A
ВОЗДУШНЫЙ ФИЛЬТР
1Артикул: 6675529, FILTER Assy. - W/Ref. 2-7
2Артикул: HOUSING, HOUSING NSS - Order Ref. 1
3Артикул: 6673753, FILTER, AIR INNER Was 6672732 - B,D
КРИВОШИПНАЯ КОРОБКА (KUBOTA D722-E2B-BC-1)
1Артикул: 6688365, CRANKCASE W/Ref. 2-14
2Артикул: 6599985, LINER
3Артикул: 7016962, BLOCK ENGINE
ПОРШЕНЬ И КОЛЕНЧАТЫЙ ВАЛ (KUBOTA D722-E2B-BC-1)
1Артикул: 7000376, PISTON, ENG std. - piston only - (16851-2111) - Was 6670393 - A
2Артикул: 6670394, PISTON .010 in. (0.25 mm Oversize) - Only Piston
3Артикул: 6670395, RING ASSY piston - std - for 1 piston
ПОРШЕНЬ И КОЛЕНЧАТЫЙ ВАЛ (KUBOTA D722-EB-MELROE-1)
1Артикул: 7000376, PISTON, ENG std. - piston only - (16851-2111) - Was 6670393 - A
2Артикул: 6670394, PISTON .010 in. (0.25 mm Oversize) - Only Piston
3Артикул: 6670395, RING ASSY piston - std - for 1 piston
СИСТЕМА ПОДАЧИ ТОПЛИВА (СЕРИЙНЫЙ НОМЕР 223811795 И НИЖЕ, 223513017 И НИЖЕ)
1Артикул: 6661114, CAP, DIESEL 1 PSI Was 6665423 - A
2Артикул: 6807251, SHIELD
3Артикул: 26GM8016, SCREW
РАСПРЕДЕЛИТЕЛЬНЫЙ ВАЛ (KUBOTA D722-E2B-BC-1)
1Артикул: 6670383, TAPPET
2Артикул: 6670384, PUSH ROD
3Артикул: 6670385, CAMSHAFT W/Ref. 5-8 - Was 6670385 - A
РЕГУЛЯТОР ОБОРОТОВ (KUBOTA D722-EB-MELROE-1)
1Артикул: 6670455, LEVER ASSY Governor
2Артикул: 7016964, LEVER, FORK ASSY W/Ref. 3-6, 8-12 & 14 - Was 6670778 - A
3Артикул: PLUG, PLUG NSS
ДЕРЖАТЕЛЬ ФОРСУНКИ (KUBOTA D722-EB-MELROE-1)
1Артикул: NOZZLE, NOZZLE HOLDER NLA - Ref. 2-11 - Order 7012004 nozzle holder & Ref. 2 - Was 6670465 - A
2Артикул: 6670465REM, NOZZLE, FUEL INJ. KUBOTA D722 Ref. 2-11
3Артикул: 6657460, NUT
КОМПЛЕКТ НИЖНИХ ПРОКЛАДОК (KUBOTA D722-EB-MELROE-1)
1Артикул: 6672740, LOWER GASKET KIT Lower - W/Ref. 2-14
2Артикул: 6680284, O-RING oil pick-up tube
3Артикул: 6670356, GASKET gearcase
КОМПЛЕКТ ДЕТАЛЕЙ ВЕРХНЕГО УПЛОТНИТЕЛЬНОГО КОЛЬЦА (KUBOTA D722-EB-MELROE-1)
1Артикул: 6672739, UPPER GASKET KIT Upper - W/Ref. 2 - 14
2Артикул: 6670372, GASKET valve cover
3Артикул: 3974972, GASKET valve cover nut
КОМПЛЕКТ НИЖНИХ ПРОКЛАДОК (KUBOTA D722-E2B-BC-1)
1Артикул: 6689016, GASKET KIT lower - For 6686064 Engine
2Артикул: 6689015, GASKET KIT lower - W/Ref. 2-14 - For 6686738 Engine - Was 6672740 - B,D
3Артикул: 3966516, RING,O oil pick-up tube
РЕГУЛЯТОР СКОРОСТИ И СТОПОРНАЯ РУКОЯТКА (KUBOTA D722-EB-MELROE-1)
1Артикул: 6670424, IDLE ASSY Ref. 2-7
2Артикул: 6670427, CAP, SECURITY
3Артикул: BOLT, BOLT NSS
ГОЛОВКА ЦИЛИНДРА (KUBOTA D722-E2B-BC-1)
1Артикул: 6688058, HEAD W/Ref. 2-7
2Артикул: 6688058REM, HEAD, KUBOTA D722
3Артикул: 7016963, HEAD, CYL ENG W/Ref. 2-7
ВОДЯНОЙ ФЛАНЕЦ И ТЕРМОСТАТ (KUBOTA D722-EB-MELROE-1)
1Артикул: 6670499, FLANGE W/Ref. 9
2Артикул: 6670500, GASKET See Illustration UPPER GASKET KIT/ B16471 - included w/upper gasket kit
3Артикул: 6670501, BOLT
КАРТЕР КОРОБКИ ПЕРЕДАЧ (KUBOTA D722-E2B-BC-1)
1Артикул: 6688530, CASE
2Артикул: 7018013, HOUSING, GEAR
3Артикул: 6667425, PLUG
РЕГУЛЯТОР ОБОРОТОВ (KUBOTA D722-E2B-BC-1)
1Артикул: 6670455, LEVER ASSY Governor
2Артикул: 7016964, LEVER, FORK ASSY W/Ref. 3-6, 8-12 & 14 - Was 6688084 - B,D
3Артикул: PLUG, PLUG NSS
СОПЛО ФОРСУНКИ (KUBOTA D722-EB-MELROE-1)
1Артикул: 6670463, PIPE injector return
2Артикул: 6670464, HOSE overflow - W/Ref. 13
3Артикул: NOZZLE, NOZZLE HOLDER See Illustration NOZZLE HOLDER/ B14862 - Was 6670465 - B
ВОДЯНАЯ ПОМПА (KUBOTA D722-E2B-BC-1)
1Артикул: 7286726, PUMP, WATER Was 7017981 - A
2Артикул: 7301988, PUMP, WATER Ref. 2-6
3Артикул: FLANGE, FLANGE NSS - Order Ref. 1 - Was 6599062 - A
ГОЛОВКА ЦИЛИНДРА (KUBOTA D722-EB-MELROE-1)
1Артикул: 6670350, HEAD, CYL ENG W/Ref. 2-7
2Артикул: 6598116, PLUG Was 6652797 - A
3Артикул: 6671584, SENDER
ПОДДОН КАРТЕРА (KUBOTA D722-EB-MELROE-1)
1Артикул: 6685739, PAN
2Артикул: GASKET, GASKET NLA - Use Ref. 2
3Артикул: 6632823, GASKET liquid - Use between Ref. 1 & block
КРИВОШИПНАЯ КОРОБКА (KUBOTA D722-EB-MELROE-1)
1Артикул: 6670336, CRANKCASE W/Ref. 2-14
2Артикул: 6688365, CRANKCASE W/Ref. 2-14
3Артикул: 6599985, LINER
КОРОМЫСЛО КЛАПАНА И КЛАПАНЫ (KUBOTA D722-EB-MELROE-1)
1Артикул: 6670511, VALVE Intake
2Артикул: 6670512, VALVE Exhaust
3Артикул: 6670513, SPRING
КОЛЛЕКТОРЫ (KUBOTA D722-E2B-BC-1)
1Артикул: 6688062, MANIFOLD intake - W/Ref. 2
2Артикул: 6670535, GASKET
3Артикул: 3974289, STUD
G КАРТЕР КОРОБКИ ПЕРЕДАЧ (KUBOTA D722-EB-MELROE-1)
1Артикул: 7018013, HOUSING, GEAR Also order 7017980 housing gasket, 7017981 water pump & 7000377 pump gasket and do not use Ref. 3 o-ring - W/Ref. 14 & 20 - Was 6670768 - A
2Артикул: 6677914, CASE Include Ref. 13, 14, 20, 24, 25, & 18 (6677913 cover)
3Артикул: 6670356, GASKET See Illustration LOWER GASKET KIT/ B16470 - included W/lower gasket kit
ОСНОВНОЙ КОРПУС ПОДШИПНИКА (KUBOTA D722-E2B-BC-1)
1Артикул: CASE, CASE NLA - W/Ref. 2 - Order 7000375 case assy - Was 6670375 - A
2Артикул: 7000375, CASE, BEARING ASSY W/Ref. 2 and 6670412 bearing - Was 7000375 - A
3Артикул: 6670376, BOLT Washer Head
ВОДЯНОЙ ФЛАНЕЦ И ТЕРМОСТАТ (KUBOTA D722-E2B-BC-1)
1Артикул: 6670499, FLANGE Was 6688080 - A
2Артикул: 6670785, PIPE
3Артикул: 6670500, GASKET
ДВИГАТЕЛЬ И КРЕПЕЖНЫЕ ДЕТАЛИ
1Артикул: ENGINE, ENGINE See Illustration ENGINE/ C3448 - NLA - Does not include Starter, Fan, Alternator, Flywheel & Bell Housing - Was 6675902 - A
2Артикул: 6713504, HOSE
3Артикул: 36K6, CAP
СОПЛО ФОРСУНКИ (KUBOTA D722-E2B-BC-1)
1Артикул: 6670463, PIPE Injector Return Line
2Артикул: 6670464, HOSE Overflow - W/Ref. 13
3Артикул: NOZZLE, NOZZLE HOLDER See Illustration NOZZLE HOLDER/ B14862A - Was 6670465 - B
ТОПЛИВНЫЙ РАСПРЕДЕЛИТЕЛЬНЫЙ ВАЛ (KUBOTA D722-EB-MELROE-1)
1Артикул: 6670416, CAMSHAFT, FUEL assy - W/Ref. 2, 4-7, 9, 12 & 13
2Артикул: 6670418, GEAR
3Артикул: 6670422, CIR-CLIP
НАСОС ВПРЫСКА (KUBOTA D722-EB-MELROE-1)
1Артикул: 6670443, PLATE
2Артикул: 6657462, SCREW
3Артикул: 6657439, SPRING
КОЛЛЕКТОРЫ (KUBOTA D722-EB-MELROE-1)
1Артикул: 6676061, MANIFOLD intake - W/Ref. 2
2Артикул: 6670535, GASKET - included W/upper gasket kit
3Артикул: 3974289, STUD Was 6670532 - A
КОРОМЫСЛО КЛАПАНА И КЛАПАНЫ (KUBOTA D722-E2B-BC-1)
1Артикул: 6670511, VALVE Intake
2Артикул: 6698162, VALVE, INLET
3Артикул: 6670512, VALVE Exhaust
РАСПРЕДЕЛИТЕЛЬНЫЙ ВАЛ (KUBOTA D722-EB-MELROE-1)
1Артикул: 6670383, TAPPET
2Артикул: 6670384, PUSH ROD
3Артикул: 6670385, CAMSHAFT W/Ref. 5-8 - Was 6670385 - A
РЕГУЛЯТОР СКОРОСТИ И СТОПОРНАЯ РУКОЯТКА (KUBOTA D722-E2B-BC-1)
1Артикул: 6670424, IDLE ASSY Ref. 2-7
2Артикул: 6670427, CAP, SECURITY
3Артикул: BOLT, BOLT NSS
КРЫШКА КОРОМЫСЛА КЛАПАНА (KUBOTA D722-EB-MELROE-1)
1Артикул: 6683008, COVER CYL HEAD
2Артикул: 6670372, GASKET See Illustration UPPER GASKET KIT/ B16471 - included W/lower gasket kit
3Артикул: 6655223, NUT
ТОПЛИВНАЯ СИСТЕМА И НАСОС ВПРЫСКА (KUBOTA D722-EB-MELROE-1)
1Артикул: 6670498, FUEL PUMP
2Артикул: 1CM616, SCREW Was 4CM616 - A
3Артикул: 6670782, GASKET See Illustration LOWER GASKET KIT/ B16470 - included w/lower gasket kit