+7 (701) 588 50 05 Телефон для связи
RU

WhatsApp

Позвонить

ДВИГАТЕЛЬ И КРЕПЕЖНЫЕ ДЕТАЛИ — Продажа в Казахстане Цены от официального дилера с доставкой в Алматы, Астану и регионы

Техника доступна в:
Полный спектр услуг:
Для Вашего удобства:
Характеристики и описание
Габариты, схема
Техническая документация
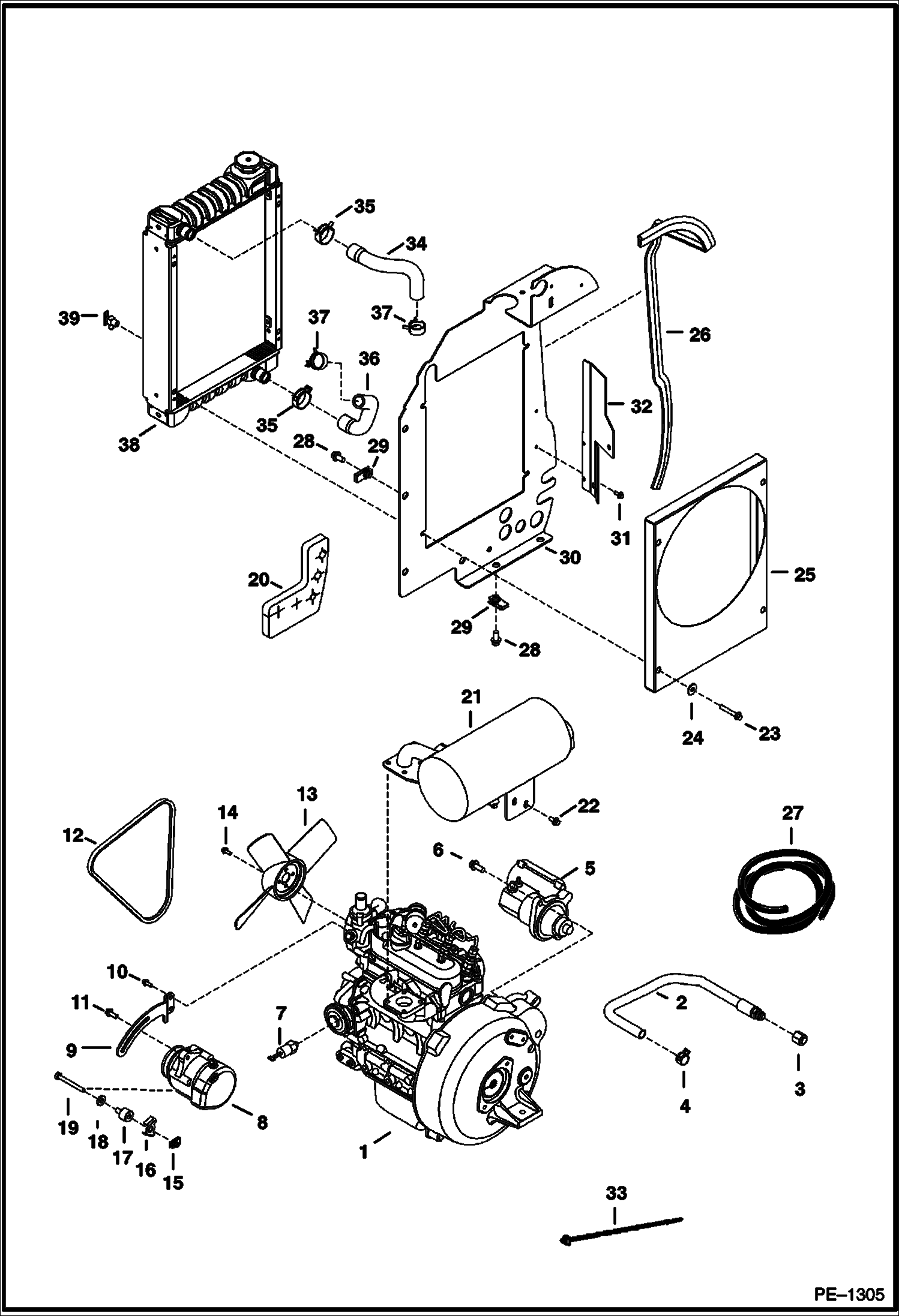
1 Артикул: ENGINE, ENGINE See Illustration ENGINE/ C3448 - NLA - Does not include Starter, Fan, Alternator, Flywheel & Bell Housing - Was 6675902 - A
2 Артикул: 6713504, HOSE
3 Артикул: 36K6, CAP
4 Артикул: 5HM20, CLAMP
5 Артикул: STARTER, STARTER See Illustration STARTER/ B16460
6 Артикул: 29CM1025, BOLT
7 Артикул: 6676053, SWITCH pressure - oil
8 Артикул: ALTERNATOR,, ALTERNATOR, 40 AMP See Illustration ALTERNATOR/ C3456
9 Артикул: 6806850, BRACKET alternator
10 Артикул: 29CM616, BOLT
11 Артикул: 29CM820, SCREW
12 Артикул: 6808629, BELT alternator
13 Артикул: 6672744, FAN 4 blade
14 Артикул: 6678937, FAN 5 blade
15 Артикул: 29CM612, BOLT, FLANGED
16 Артикул: 6676169, NUT
17 Артикул: 6808118, RETAINER
18 Артикул: 6713749, SPACER
19 Артикул: 6557831, WASHER
20 Артикул: 1CM875, BOLT Was 1CM00835B - D
21 Артикул: 6807443, INSULATION
22 Артикул: 6685916, MUFFLER Was 6675542 - A
23 Артикул: 6661062, PLUG brass - 0.38--
24 Артикул: 29CM816, SCREW
25 Артикул: 29CM850, SCREW
26 Артикул: 17EM80, WASHER
27 Артикул: 6810701, SHIELD Was 6808116 - A
28 Артикул: 6810701, SHIELD
29 Артикул: SEAL, SEAL NLA - use 44-- of Ref. 27
30 Артикул: 6675732, SEAL sold per foot
31 Артикул: 29CM1020, BOLT
32 Артикул: 6675722, NUT
33 Артикул: 6807077, PLATE
34 Артикул: 6810157, BOLT
35 Артикул: 6807614, GUARD fan
36 Артикул: 6624289, STRAP, TIE
37 Артикул: 6806885, HOSE radiator
38 Артикул: 5HM35, HOSECLAMP
39 Артикул: 6807007, HOSE radiator
40 Артикул: 5HM30, CLAMP
41 Артикул: 6677382, RADIATOR
42 Артикул: 16F6, PLUG
43 Артикул: 6646678, CAP 13 PSI
44 Артикул: 6513679, VALVE

ДВИГАТЕЛЬ И КРЕПЕЖНЫЕ ДЕТАЛИ: Техника, которая работает на результат

ДВИГАТЕЛЬ И КРЕПЕЖНЫЕ ДЕТАЛИ на мини-экскаватор Bobcat 320 223511001 И ВЫШЕ, 223811001 И ВЫШЕ, 223911001 И ВЫШЕ, 224011001 И ВЫШЕ

Габаритные размеры

Габаритные размеры и схема ДВИГАТЕЛЬ И КРЕПЕЖНЫЕ ДЕТАЛИ

Нажмите на схему для увеличения

Документация

Документация временно недоступна.

Похожая техника в категории: ЗАПЧАСТИ ДВИГАТЕЛЯ (Bobcat)

Спецтехника КОМПЛЕКТ ДЕТАЛЕЙ ВЕРХНЕГО УПЛОТНИТЕЛЬНОГО КОЛЬЦА (KUBOTA D722-E2B-BC-1)

КОМПЛЕКТ ДЕТАЛЕЙ ВЕРХНЕГО УПЛОТНИТЕЛЬНОГО КОЛЬЦА (KUBOTA D722-E2B-BC-1)

1Артикул: 667273...
2Артикул: 726604...
3Артикул: 668806...
Подробнее >
Спецтехника КРЫШКА КОРОМЫСЛА КЛАПАНА (KUBOTA D722-E2B-BC-1)

КРЫШКА КОРОМЫСЛА КЛАПАНА (KUBOTA D722-E2B-BC-1)

1Артикул: 668806...
2Артикул: 668766...
3Артикул: 668806...
Подробнее >
Спецтехника ДЕРЖАТЕЛЬ ФОРСУНКИ (KUBOTA D722-E2B-BC-1)

ДЕРЖАТЕЛЬ ФОРСУНКИ (KUBOTA D722-E2B-BC-1)

1Артикул: NOZZLE...
2Артикул: 667046...
3Артикул: 665746...
Подробнее >
Спецтехника ТОПЛИВНЫЙ РАСПРЕДЕЛИТЕЛЬНЫЙ ВАЛ (KUBOTA D722-E2B-BC-1)

ТОПЛИВНЫЙ РАСПРЕДЕЛИТЕЛЬНЫЙ ВАЛ (KUBOTA D722-E2B-BC-1)

1Артикул: 667041...
2Артикул: 667041...
3Артикул: 667042...
Подробнее >
Спецтехника ОСНОВНОЙ КОРПУС ПОДШИПНИКА (KUBOTA D722-EB-MELROE-1)

ОСНОВНОЙ КОРПУС ПОДШИПНИКА (KUBOTA D722-EB-MELROE-1)

1Артикул: CASE, ...
2Артикул: 700037...
3Артикул: 667037...
Подробнее >
Спецтехника ТОПЛИВНАЯ СИСТЕМА И НАСОС ВПРЫСКА (KUBOTA D722-E2B-BC-1)

ТОПЛИВНАЯ СИСТЕМА И НАСОС ВПРЫСКА (KUBOTA D722-E2B-BC-1)

1Артикул: 667043...
2Артикул: 730247...
3Артикул: 668027...
Подробнее >
Спецтехника ПОДДОН КАРТЕРА (KUBOTA D722-E2B-BC-1)

ПОДДОН КАРТЕРА (KUBOTA D722-E2B-BC-1)

1Артикул: 668573...
2Артикул: GASKET...
3Артикул: 663282...
Подробнее >
Спецтехника ВОДЯНАЯ ПОМПА (KUBOTA D722-EB-MELROE-1)

ВОДЯНАЯ ПОМПА (KUBOTA D722-EB-MELROE-1)

1Артикул: 667050...
2Артикул: BODY, ...
3Артикул: BEARIN...
Подробнее >
Спецтехника ВОЗДУШНЫЙ ФИЛЬТР

ВОЗДУШНЫЙ ФИЛЬТР

1Артикул: 667552...
2Артикул: HOUSIN...
3Артикул: 667375...
Подробнее >
Спецтехника КРИВОШИПНАЯ КОРОБКА (KUBOTA D722-E2B-BC-1)

КРИВОШИПНАЯ КОРОБКА (KUBOTA D722-E2B-BC-1)

1Артикул: 668836...
2Артикул: 659998...
3Артикул: 701696...
Подробнее >
Спецтехника ПОРШЕНЬ И КОЛЕНЧАТЫЙ ВАЛ (KUBOTA D722-E2B-BC-1)

ПОРШЕНЬ И КОЛЕНЧАТЫЙ ВАЛ (KUBOTA D722-E2B-BC-1)

1Артикул: 700037...
2Артикул: 667039...
3Артикул: 667039...
Подробнее >
Спецтехника ПОРШЕНЬ И КОЛЕНЧАТЫЙ ВАЛ (KUBOTA D722-EB-MELROE-1)

ПОРШЕНЬ И КОЛЕНЧАТЫЙ ВАЛ (KUBOTA D722-EB-MELROE-1)

1Артикул: 700037...
2Артикул: 667039...
3Артикул: 667039...
Подробнее >