+7 (701) 588 50 05 Телефон для связи
RU

WhatsApp

Позвонить

ЗАПЧАСТИ ДВИГАТЕЛЯ в Алматы

ВОДЯНОЙ ФЛАНЕЦ И ТЕРМОСТАТ (KUBOTA D902-E3B-BC-1)(TIER IV REPLACEMENT)

ВОДЯНОЙ ФЛАНЕЦ И ТЕРМОСТАТ (KUBOTA D902-E3B-BC-1)(TIER IV REPLACEMENT)

1Артикул: 6687685, FLANGE W/Ref. 9
2Артикул: 6670500, GASKET Included W/upper gasket kit
3Артикул: 1CM616, SCREW Was 4CM616 - A
Подробнее >
ВОДЯНАЯ ПОМПА

ВОДЯНАЯ ПОМПА

1Артикул: 6687713, PUMP, WATER Ref. 2-7
2Артикул: BODY, BODY NSS
3Артикул: BEARING, BEARING - A
Подробнее >
ДВИГАТЕЛЬ И КРЕПЕЖНЫЕ ДЕТАЛИ (КРЕПЛЕНИЕ ДВИГАТЕЛЯ) (СЕРИЙНЫЙ НОМЕР 538712501 И ВЫШЕ)

ДВИГАТЕЛЬ И КРЕПЕЖНЫЕ ДЕТАЛИ (КРЕПЛЕНИЕ ДВИГАТЕЛЯ) (СЕРИЙНЫЙ НОМЕР 538712501 И ВЫШЕ)

1Артикул: 7142032, WASHER
2Артикул: 7110825, SHIELD ENG MOUNT
3Артикул: 7142031, BOLT
Подробнее >
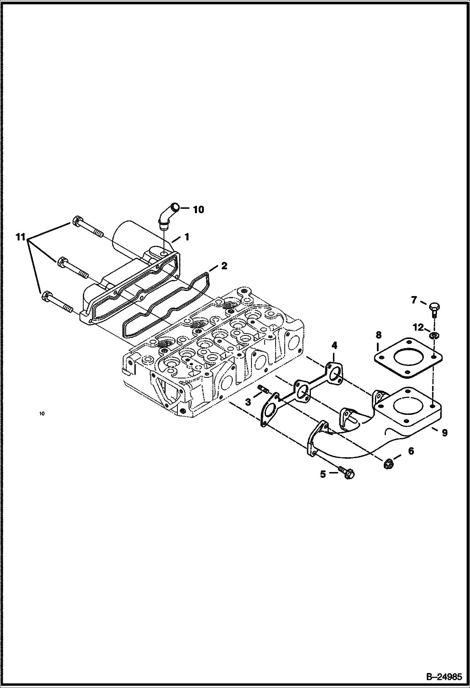
КРЫШКА КОРОМЫСЛА КЛАПАНА

КРЫШКА КОРОМЫСЛА КЛАПАНА

1Артикул: 6687718, TUBE
2Артикул: 6687664, CLAMP
3Артикул: COVER, COVER NLA - 6 hole - Order 6687733 cover - NOTE: Kubota has approved the use of a 4 hole cover for servicing cylinder heads built with 6 holes. - Was 6687733 - A
Подробнее >
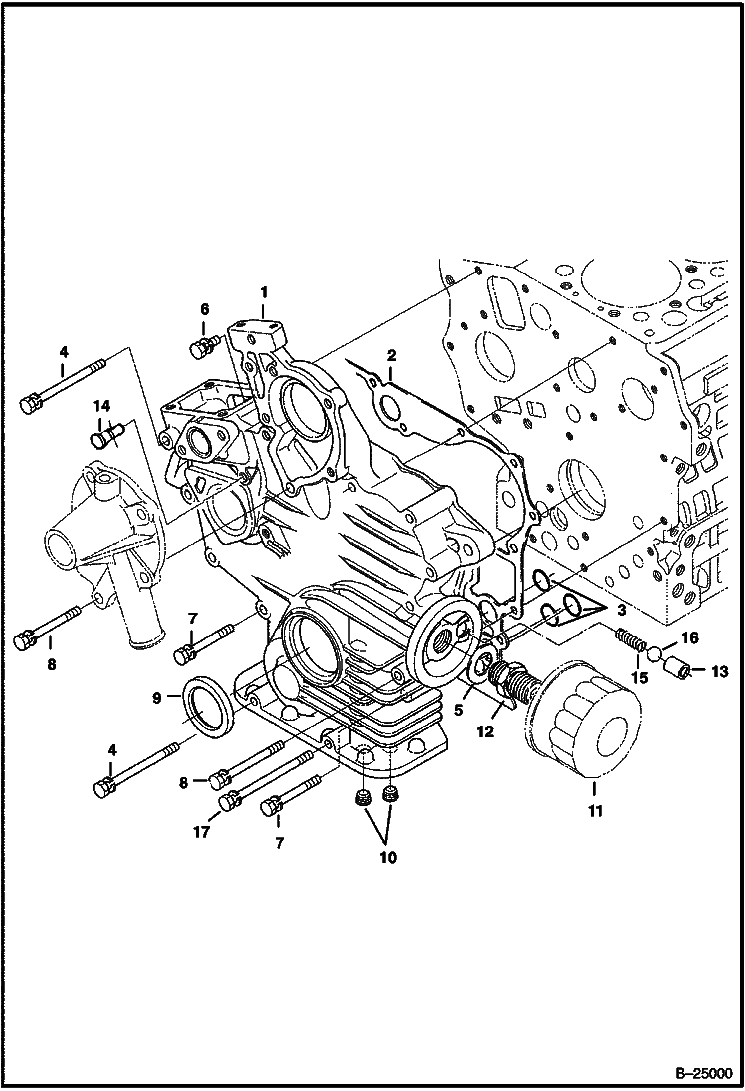
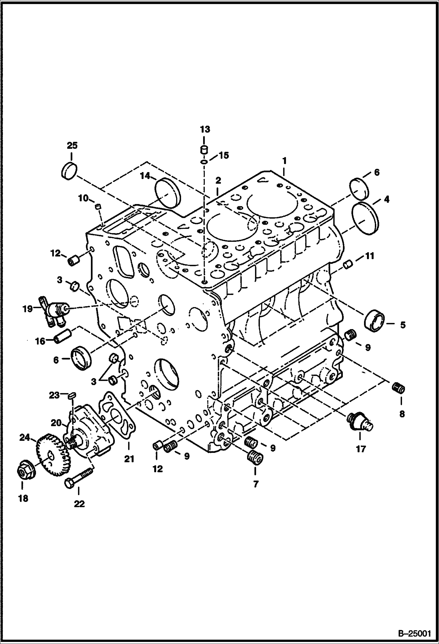
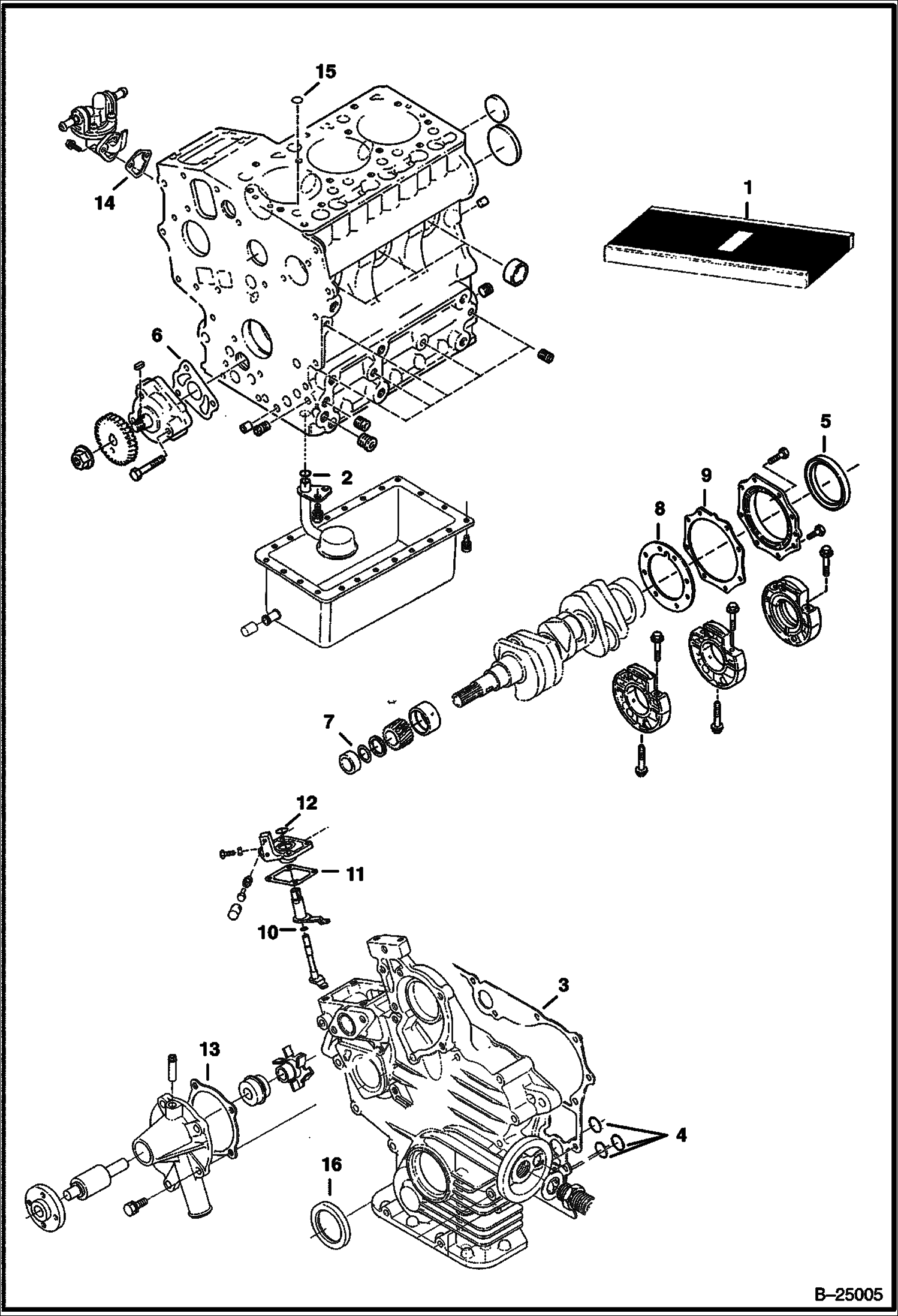
КАРТЕР ДВИГАТЕЛЯ

КАРТЕР ДВИГАТЕЛЯ

1Артикул: 6687714, CRANKCASE W/Ref. 2-13
2Артикул: 7000465, BLOCK ENGINE W/Ref. 2-13
3Артикул: 6599985, LINER
Подробнее >
ДВИГАТЕЛЬ И КРЕПЕЖНЫЕ ДЕТАЛИ (ВХОДНОЕ ОТВЕРСТИК И ВЫХЛОПНОЙ КОЛЛЕКТОР)

ДВИГАТЕЛЬ И КРЕПЕЖНЫЕ ДЕТАЛИ (ВХОДНОЕ ОТВЕРСТИК И ВЫХЛОПНОЙ КОЛЛЕКТОР)

1Артикул: 6692947, FILTER See Illustration AIR FILTER/ PE2566 Was 6686859 - A
2Артикул: 5K106, NIPPLE
3Артикул: 6515007, GAUGE
Подробнее >
ВОЗДУШНЫЙ ФИЛЬТР

ВОЗДУШНЫЙ ФИЛЬТР

1Артикул: FILTER, FILTER NLA - assy. - Order Ref. 2 - Was 6686859 - A
2Артикул: 6687263, FILTER, AIR INNER secondary - inner
3Артикул: 6687262, FILTER, AIR OUTER primary - outer
Подробнее >
КОМПЛЕКТ НИЖНИХ ПРОКЛАДОК

КОМПЛЕКТ НИЖНИХ ПРОКЛАДОК

1Артикул: 6689019, KIT, GASKET ENG LOWER lower - W/Ref. 2-17
2Артикул: 7000464, KIT, GASKET ENG LOWER lower - W/Ref. 2-3 & 5-17
3Артикул: 6680284, O-RING See Illustration OIL PAN/ B24999 oil pick-up tube
Подробнее >
ДВИГАТЕЛЬ И КРЕПЕЖНЫЕ ДЕТАЛИ (КРЕПЛЕНИЕ ДВИГАТЕЛЯ) (СЕРИЙНЫЙ НОМЕР 538711001 - 12499)

ДВИГАТЕЛЬ И КРЕПЕЖНЫЕ ДЕТАЛИ (КРЕПЛЕНИЕ ДВИГАТЕЛЯ) (СЕРИЙНЫЙ НОМЕР 538711001 - 12499)

1Артикул: 616783, WASHER
2Артикул: 872229, WASHER
3Артикул: 18C624, BOLT
Подробнее >
КОЛЛЕКТОР

КОЛЛЕКТОР

1Артикул: 6687720, MANIFOLD, INTAKE intake - W/Ref. 2 & 10
2Артикул: 6687730, GASKET Included W/upper gasket kit
3Артикул: 3974289, STUD
Подробнее >
РАСПРЕДВАЛ

РАСПРЕДВАЛ

1Артикул: 6670383, TAPPET
2Артикул: 6670384, PUSH ROD
3Артикул: 6687734, CAMSHAFT W/Ref. 5-8
Подробнее >
КОРОМЫСЛО КЛАПАНА И КЛАПАНЫ

КОРОМЫСЛО КЛАПАНА И КЛАПАНЫ

1Артикул: 6687694, VALVE Intake
2Артикул: 6687695, VALVE Exhaust
3Артикул: 6670513, SPRING
Подробнее >
ПОРШНИ И КОЛЕНВАЛ

ПОРШНИ И КОЛЕНВАЛ

1Артикул: PISTON,, PISTON, ENG NLA - std (1G960-2111) - Order 7000476 Piston - Was 6687724 - A
2Артикул: 7000476, PISTON, ENG std (1G687-2111)
3Артикул: PISTON,, PISTON, ENG OS NLA - +,25 mm (1G960-2111 OS25) - Order 7000477 piston - Was 6687725 - A
Подробнее >
ТОПЛИВНАЯ СИСТЕМА И НАСОС ВПРЫСКА

ТОПЛИВНАЯ СИСТЕМА И НАСОС ВПРЫСКА

1Артикул: 6687727, PUMP
2Артикул: 1CM616, SCREW Was 4CM616 - A
3Артикул: 6670782, GASKET Included W/lower gasket kit
Подробнее >
МАСЛЯНЫЙ ПОДДОН

МАСЛЯНЫЙ ПОДДОН

1Артикул: 6687754, OIL PAN W/O adapter
2Артикул: GASKET, GASKET NLA - Use Ref. 10
3Артикул: 6687710, DIPSTICK
Подробнее >
РЕГУЛЯТОР СКОРОСТИ И СТОПОРНАЯ РУКОЯТКА

РЕГУЛЯТОР СКОРОСТИ И СТОПОРНАЯ РУКОЯТКА

1Артикул: 6670424, IDLE ASSY Ref. 2-7
2Артикул: 6670427, CAP, SECURITY
3Артикул: BOLT, BOLT NSS
Подробнее >
ТОПЛИВНЫЙ РАСПРЕДЕЛИТЕЛЬНЫЙ ВАЛ

ТОПЛИВНЫЙ РАСПРЕДЕЛИТЕЛЬНЫЙ ВАЛ

1Артикул: 6670416, CAMSHAFT, FUEL assy - W/Ref. 2, 4-7, 9, 12 & 13
2Артикул: 6670418, GEAR
3Артикул: 6670422, CIR-CLIP
Подробнее >
ДВИГАТЕЛЬ И КРЕПЕЖНЫЕ ДЕТАЛИ (СИСТЕМА ОХЛАЖДЕНИЯ В СБОРЕ)

ДВИГАТЕЛЬ И КРЕПЕЖНЫЕ ДЕТАЛИ (СИСТЕМА ОХЛАЖДЕНИЯ В СБОРЕ)

1Артикул: 35C516, BOLT 10
2Артикул: 30H32, CLIP
3Артикул: 6735069, SHIELD cooler
Подробнее >
ТОПЛИВНЫЙ НАСОС

ТОПЛИВНЫЙ НАСОС

1Артикул: 6670432, PUMP, FUEL INJ
2Артикул: 6670432REM, PUMP, FUEL INJ. KUBOTA D722 W/Ref. 5 & 7-9
3Артикул: 6672396, PLUG
Подробнее >
ДРОССЕЛЬНАЯ ЗАСЛОНКА

ДРОССЕЛЬНАЯ ЗАСЛОНКА

1Артикул: 6564452, GRIP
2Артикул: 38C610, BOLT
3Артикул: 86D4, NUT
Подробнее >
РЕДУКТОР

РЕДУКТОР

1Артикул: GEARCASE, GEARCASE See Illustration GEARCASE/ B27226 - NLA - W/Ref. 9 & 10 - Order 6698145 gearcase & 6698146 gasket and DO NOT use Ref. 3 seal - Was 6687682
2Артикул: 6688057, GASKET Included W/lower gasket kit - Was 6687680 - A
3Артикул: 6698146, GASKET, GEAR CASE Use W/O Ref. 3 seal
Подробнее >
ДВИГАТЕЛЬ И КОМПЛЕКТ ПРОКЛАДОК (KUBOTA D902)

ДВИГАТЕЛЬ И КОМПЛЕКТ ПРОКЛАДОК (KUBOTA D902)

1Артикул: ENGINE,, ENGINE, D902E2B-BC-1 NLA - Does not include Starter, Fan, Alternator, Flywheel & Bell Housing - for new engine order 6692560 engine & 7160048 flywheel & 7152748 low sulfur fuel decal - Was 6685974 - A
2Артикул: 6685974REM, ENGINE, KUBOTA D902 TIER 2
3Артикул: 6689010, KIT, GASKET ENG UPPER See Illustration UPPER GASKET KIT/ B25006 upper - Was 6687740 - B,D
Подробнее >
РЕГУЛЯТОР ОБОРОТОВ

РЕГУЛЯТОР ОБОРОТОВ

1Артикул: 6670455, LEVER ASSY Governor
2Артикул: 6687668, LEVER, FORK W/Ref. 3-6
3Артикул: PLUG, PLUG NSS
Подробнее >
ДЕРЖАТЕЛЬ ФОРСУНКИ

ДЕРЖАТЕЛЬ ФОРСУНКИ

1Артикул: NOZZLE, NOZZLE HOLDER NLA - Ref. 2-11 - Order 7012004 nozzle holder & Ref. 2 - Was 6670465 - A
2Артикул: 6670465REM, NOZZLE, FUEL INJ. KUBOTA D722 Ref. 2-11
3Артикул: 6657460, NUT
Подробнее >
ФОРСУНКИ

ФОРСУНКИ

1Артикул: 6687736, TUBE injector return line
2Артикул: 6680797, TEE
3Артикул: NOZZLE, NOZZLE HOLDER See Illustration NOZZLE HOLDER/ B14862 - Was 6670465 - B
Подробнее >
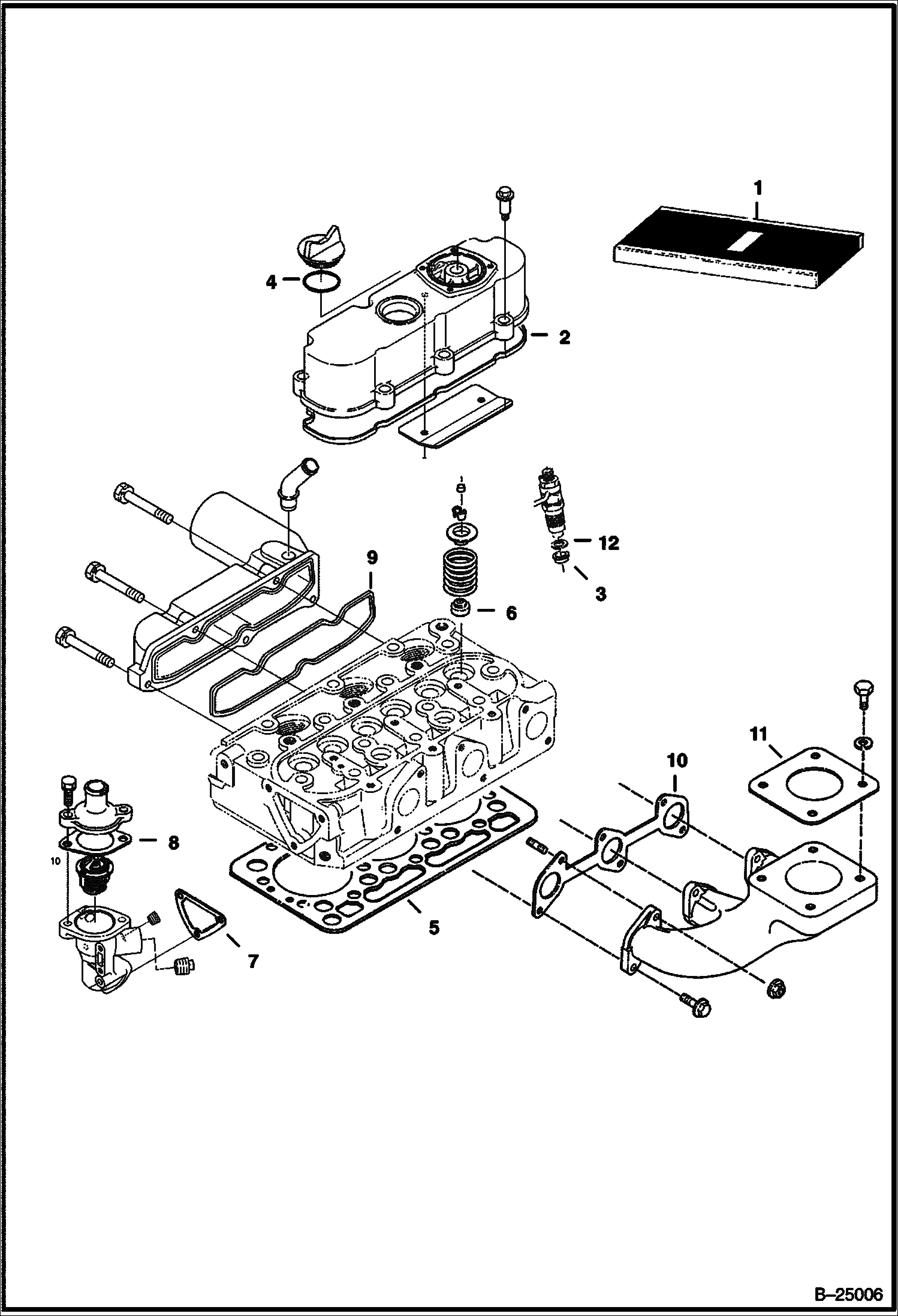
КОМПЛЕКТ ПРОКЛАДОК ВЕРХНЕЙ ЧАСТИ

КОМПЛЕКТ ПРОКЛАДОК ВЕРХНЕЙ ЧАСТИ

1Артикул: 6689010, KIT, GASKET ENG UPPER upper - W/Ref. 2 - 12 - Was 6687740 - A
2Артикул: 7000463, KIT, GASKET ENG UPPER upper - W/Ref. 2 - 12
3Артикул: 6687742, GASKET, COVER HEAD CYL See Illustration ROCKER ARM COVER/ B24987 - for 6 hole head cover
Подробнее >
ГОЛОВКА БЛОКА ЦИЛИНДРОВ

ГОЛОВКА БЛОКА ЦИЛИНДРОВ

1Артикул: 6687728, HEAD W/Ref. 2-8
2Артикул: 7000466, HEAD, CYL ENG W/Ref. 2-8
3Артикул: 6598116, PLUG
Подробнее >