+7 (701) 588 50 05 Телефон для связи
RU

WhatsApp

Позвонить

МАСЛЯНЫЙ ПОДДОН — Продажа в Казахстане Цены от официального дилера с доставкой в Алматы, Астану и регионы

Техника доступна в:
Полный спектр услуг:
Для Вашего удобства:
Характеристики и описание
Габариты, схема
Техническая документация
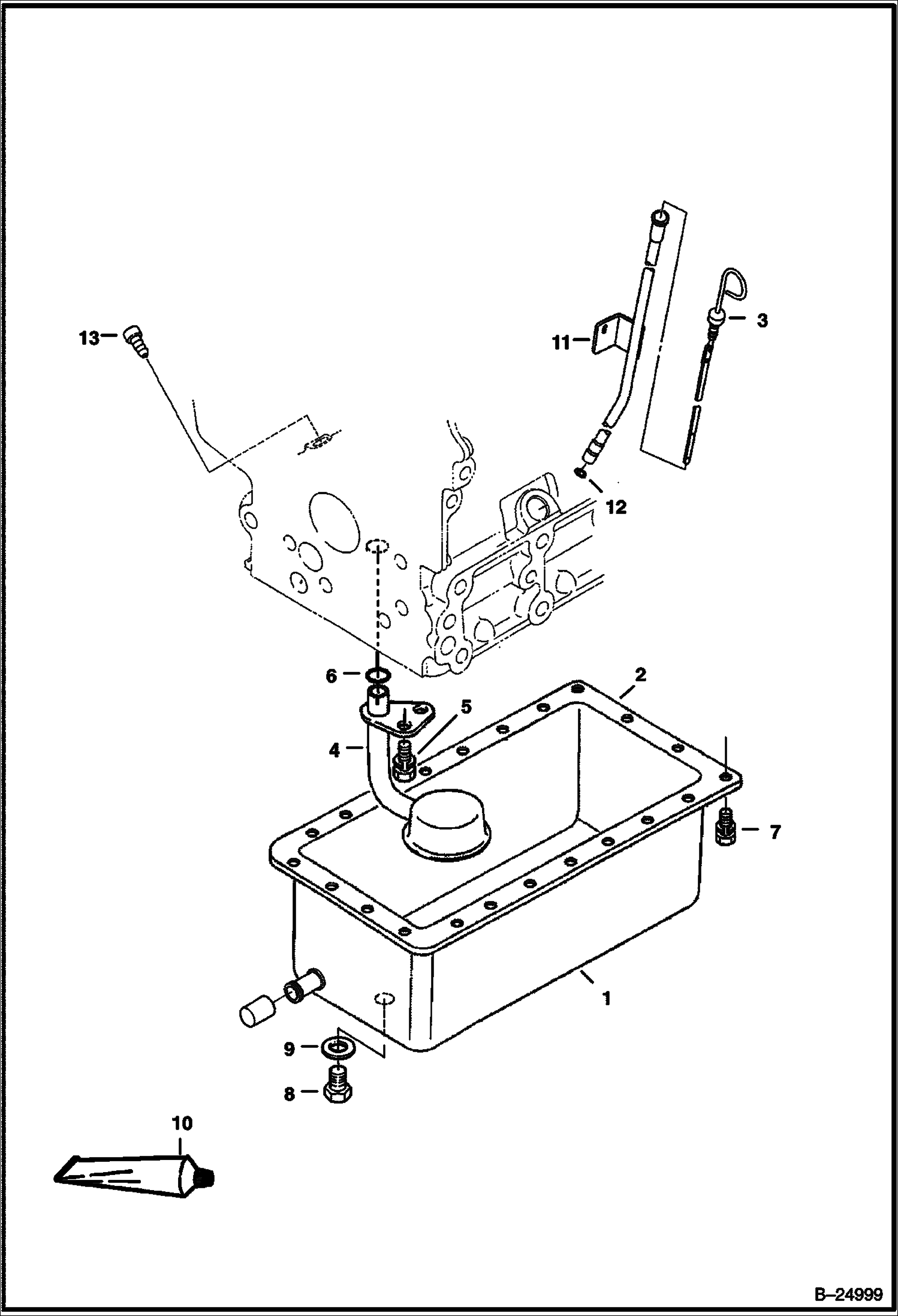
1 Артикул: 6687754, OIL PAN W/O adapter
2 Артикул: GASKET, GASKET NLA - Use Ref. 10
3 Артикул: 6687710, DIPSTICK
4 Артикул: 6670348, SCREEN oil pickup
5 Артикул: 6667420, BOLT
6 Артикул: 6680284, O-RING INCLUDED W/LOWER GASKET KIT
7 Артикул: 1CM614, SCREW Was 4CM614 - A
8 Артикул: 3974402, PLUG
9 Артикул: 6640730, WASHER Sealing
10 Артикул: 6632823, GASKET liquid - Use between Ref. 1 & block
11 Артикул: 6687684, GUIDE dipstick - W/Ref. 12
12 Артикул: 6673314, O-RING
13 Артикул: 6969804, PLUG,OIL GAUGE Was 6687711 - A

МАСЛЯНЫЙ ПОДДОН: Техника, которая работает на результат

МАСЛЯНЫЙ ПОДДОН на мини-трак Bobcat MT55 538711001 И ВЫШЕ, 538811001 И ВЫШЕ

Габаритные размеры

Габаритные размеры и схема МАСЛЯНЫЙ ПОДДОН

Нажмите на схему для увеличения

Документация

Документация временно недоступна.

Похожая техника в категории: ЗАПЧАСТИ ДВИГАТЕЛЯ (Bobcat)

Спецтехника ВОДЯНОЙ ФЛАНЕЦ И ТЕРМОСТАТ (KUBOTA D902-E3B-BC-1)(TIER IV REPLACEMENT)

ВОДЯНОЙ ФЛАНЕЦ И ТЕРМОСТАТ (KUBOTA D902-E3B-BC-1)(TIER IV REPLACEMENT)

1Артикул: 668768...
2Артикул: 667050...
3Артикул: 1CM616...
Подробнее >
Спецтехника ВОДЯНАЯ ПОМПА

ВОДЯНАЯ ПОМПА

1Артикул: 668771...
2Артикул: BODY, ...
3Артикул: BEARIN...
Подробнее >
Спецтехника ДВИГАТЕЛЬ И КРЕПЕЖНЫЕ ДЕТАЛИ (КРЕПЛЕНИЕ ДВИГАТЕЛЯ) (СЕРИЙНЫЙ НОМЕР 538712501 И ВЫШЕ)

ДВИГАТЕЛЬ И КРЕПЕЖНЫЕ ДЕТАЛИ (КРЕПЛЕНИЕ ДВИГАТЕЛЯ) (СЕРИЙНЫЙ НОМЕР 538712501 И ВЫШЕ)

1Артикул: 714203...
2Артикул: 711082...
3Артикул: 714203...
Подробнее >
Спецтехника КРЫШКА КОРОМЫСЛА КЛАПАНА

КРЫШКА КОРОМЫСЛА КЛАПАНА

1Артикул: 668771...
2Артикул: 668766...
3Артикул: COVER,...
Подробнее >
Спецтехника КАРТЕР ДВИГАТЕЛЯ

КАРТЕР ДВИГАТЕЛЯ

1Артикул: 668771...
2Артикул: 700046...
3Артикул: 659998...
Подробнее >
Спецтехника ДВИГАТЕЛЬ И КРЕПЕЖНЫЕ ДЕТАЛИ (ВХОДНОЕ ОТВЕРСТИК И ВЫХЛОПНОЙ КОЛЛЕКТОР)

ДВИГАТЕЛЬ И КРЕПЕЖНЫЕ ДЕТАЛИ (ВХОДНОЕ ОТВЕРСТИК И ВЫХЛОПНОЙ КОЛЛЕКТОР)

1Артикул: 669294...
2Артикул: 5K106,...
3Артикул: 651500...
Подробнее >
Спецтехника ВОЗДУШНЫЙ ФИЛЬТР

ВОЗДУШНЫЙ ФИЛЬТР

1Артикул: FILTER...
2Артикул: 668726...
3Артикул: 668726...
Подробнее >
Спецтехника КОМПЛЕКТ НИЖНИХ ПРОКЛАДОК

КОМПЛЕКТ НИЖНИХ ПРОКЛАДОК

1Артикул: 668901...
2Артикул: 700046...
3Артикул: 668028...
Подробнее >
Спецтехника ДВИГАТЕЛЬ И КРЕПЕЖНЫЕ ДЕТАЛИ (КРЕПЛЕНИЕ ДВИГАТЕЛЯ) (СЕРИЙНЫЙ НОМЕР 538711001 - 12499)

ДВИГАТЕЛЬ И КРЕПЕЖНЫЕ ДЕТАЛИ (КРЕПЛЕНИЕ ДВИГАТЕЛЯ) (СЕРИЙНЫЙ НОМЕР 538711001 - 12499)

1Артикул: 616783...
2Артикул: 872229...
3Артикул: 18C624...
Подробнее >
Спецтехника КОЛЛЕКТОР

КОЛЛЕКТОР

1Артикул: 668772...
2Артикул: 668773...
3Артикул: 397428...
Подробнее >
Спецтехника РАСПРЕДВАЛ

РАСПРЕДВАЛ

1Артикул: 667038...
2Артикул: 667038...
3Артикул: 668773...
Подробнее >
Спецтехника КОРОМЫСЛО КЛАПАНА И КЛАПАНЫ

КОРОМЫСЛО КЛАПАНА И КЛАПАНЫ

1Артикул: 668769...
2Артикул: 668769...
3Артикул: 667051...
Подробнее >