+7 (701) 588 50 05 Телефон для связи
RU

WhatsApp

Позвонить

012 OIL PAN & GEAR CASE — Продажа в Казахстане Цены от официального дилера с доставкой в Алматы, Астану и регионы

Техника доступна в:
Полный спектр услуг:
Для Вашего удобства:
Характеристики и описание
Габариты, схема
Техническая документация
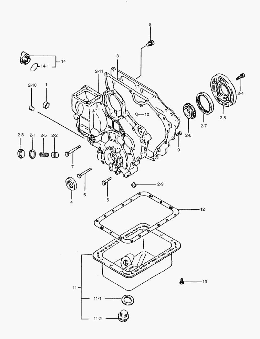
1 Артикул: MM432235, CAP;SEALING
2 Артикул: 30L11-00040, GEAR CASE ASS`Y
3 Артикул: MD000312, . GASKET
4 Артикул: MD001402, . PLUNGER
5 Артикул: MD001404, . PLUG
6 Артикул: MF241231, . BOLT;WITH WASHER
7 Артикул: MM433353, . SPRING;RELIEF
8 Артикул: MM433793, . GEAR;OIL PUMP INNER
9 Артикул: MM433794, . GEAR;OIL PUMP OUTER
10 Артикул: MM434466, . HOUSING;OIL PUMP
11 Артикул: MS661121, . PLUG;TAPER
12 Артикул: MS661140, . PLUG;TAPER
13 Артикул: 30L11-00020, . GEAR CASE SUB ASS`Y
14 Артикул: 30L11-05100, GASKET;GEAR CASE
15 Артикул: MD008883, SEAL;OIL
16 Артикул: MF101235, BOLT
17 Артикул: MF101240, BOLT
18 Артикул: MF101242, BOLT
19 Артикул: MF240051, BOLT;WITH WASHER
20 Артикул: MF241224, BOLT;WITH WASHER
21 Артикул: MF520007, O-RING
22 Артикул: MM437065, OIL PAN ASS`Y
23 Артикул: MD000318, . PLUG;OIL DRAIN
24 Артикул: 30L13-05200, GASKET;OIL PAN
25 Артикул: MF241223, BOLT;WITH WASHER
26 Артикул: MM300540, OIL FILTER CAP ASS`Y
27 Артикул: MF520402, . O-RING

012 OIL PAN & GEAR CASE: Техника, которая работает на результат

012 OIL PAN & GEAR CASE на Doosan Экскаваторы SOLAR 015PLUS / S018-VT

Габаритные размеры

Габаритные размеры и схема 012 OIL PAN & GEAR CASE

Нажмите на схему для увеличения

Документация

Документация временно недоступна.

Похожая техника в категории: ДЕТАЛИ ДВИГАТЕЛЯ (Develon)

Спецтехника КОМПЛЕКТ РЕМОНТНОЙ ПРОКЛАДКИ KIT

КОМПЛЕКТ РЕМОНТНОЙ ПРОКЛАДКИ KIT

1Артикул: 30194-...
2Артикул: MD0003...
3Артикул: MD0683...
Подробнее >
Спецтехника ЗАПЧАСТИ СМАЗКИ

ЗАПЧАСТИ СМАЗКИ

1Артикул: MM4344...
2Артикул: MF4307...
3Артикул: 31A90-...
Подробнее >
Спецтехника 013 CYLINDER HEAD

013 CYLINDER HEAD

1Артикул: MM4322...
2Артикул: 30L01-...
3Артикул: MD0004...
Подробнее >
Спецтехника 027 ALTERNATOR

027 ALTERNATOR

1Артикул: 30A68-...
2Артикул: A981X-...
3Артикул: A628T-...
Подробнее >
Спецтехника 023 RADIATOR

023 RADIATOR

1Артикул: 30L47-...
2Артикул: 30L47-...
3Артикул: MF6610...
Подробнее >
Спецтехника ТОПЛИВНЫЙ ФИЛЬТР

ТОПЛИВНЫЙ ФИЛЬТР

1Артикул: MM1305...
2Артикул: MM4357...
3Артикул: MM4048...
Подробнее >
Спецтехника 014 CRANK SHAFT & PISTON

014 CRANK SHAFT & PISTON

1Артикул: 30L17-...
2Артикул: 30L17-...
3Артикул: 30L17-...
Подробнее >
Спецтехника 026 STARTER

026 STARTER

1Артикул: 30L66-...
2Артикул: 47X11-...
3Артикул: 47X11-...
Подробнее >
Спецтехника ЭЛЕКТРИЧЕСКОН ОБОРУДОВАНИЕ

ЭЛЕКТРИЧЕСКОН ОБОРУДОВАНИЕ

1Артикул: 30L66-...
2Артикул: MF2448...
3Артикул: MM432-...
Подробнее >
Спецтехника ЗАПЧАСТИ РЕГУЛЯТОРА ОБОРОТОВ

ЗАПЧАСТИ РЕГУЛЯТОРА ОБОРОТОВ

1Артикул: MM4010...
2Артикул: MM4039...
3Артикул: 30L63-...
Подробнее >
Спецтехника 018 NOZZLE & NOZZLE HOLDER

018 NOZZLE & NOZZLE HOLDER

1Артикул: MM435-...
2Артикул: 09311-...
3Артикул: 09317-...
Подробнее >
Спецтехника ЗАПЧАСТИ КАМЕРЫ ОХЛАЖДЕНИЯ

ЗАПЧАСТИ КАМЕРЫ ОХЛАЖДЕНИЯ

1Артикул: MM433-...
2Артикул: 30L45-...
3Артикул: MF1012...
Подробнее >