+7 (701) 588 50 05 Телефон для связи
RU

WhatsApp

Позвонить

ЗАПЧАСТИ КАМЕРЫ ОХЛАЖДЕНИЯ — Продажа в Казахстане Цены от официального дилера с доставкой в Алматы, Астану и регионы

Техника доступна в:
Полный спектр услуг:
Для Вашего удобства:
Характеристики и описание
Габариты, схема
Техническая документация
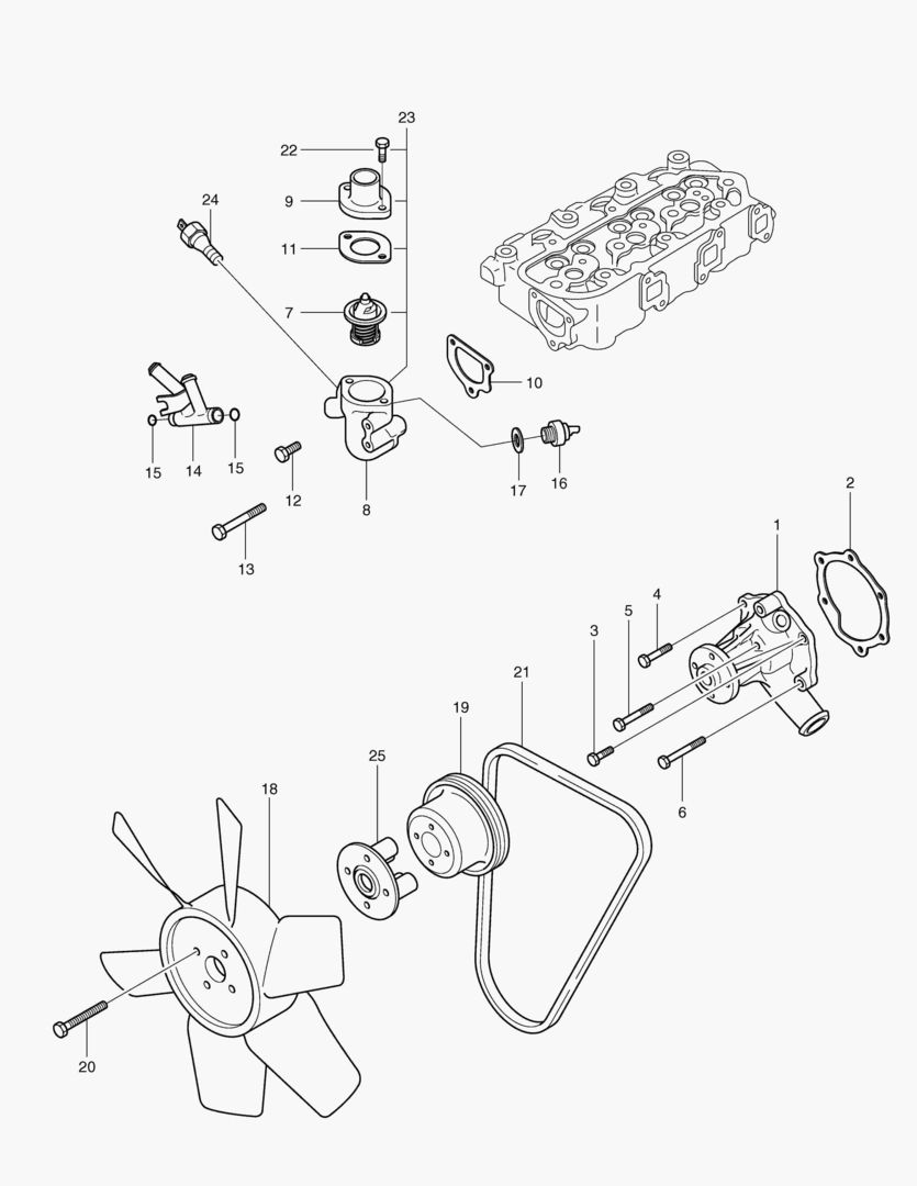
1 Артикул: MM433-17001, WATER PUMP ASS`Y
2 Артикул: 30L45-05100, GASKET;WATER PUMP
3 Артикул: MF101228, BOLT
4 Артикул: MF101235, BOLT
5 Артикул: MF101238, BOLT
6 Артикул: MF101240, BOLT
7 Артикул: MM433-54801, THERMOSTAT
8 Артикул: MM435-02901, FITTING;THERMOST
9 Артикул: MM432-08201, FITTING;WATER OUTLET
10 Артикул: 30L46-05100, GASKET;THERMO FITTING
11 Артикул: MM432-13502, GASKET;THERMOSTAT
12 Артикул: MF101241, BOLT
13 Артикул: 30L46-04200, BYPASS PIPE ASS`Y
14 Артикул: MF520004, O-RING
15 Артикул: MM432104, SWITCH ASS`Y
16 Артикул: 30636-25901, GASKET
17 Артикул: MM409-350, FAN;COOLING
18 Артикул: K9674-051, PULLEY;WATER PUMP
19 Артикул: MF241229, BOLT;WITH WASHER
20 Артикул: MD079696, V-BELT
21 Артикул: 30L46-03501, BOLT
22 Артикул: 30L46-03082, THERMOSTAT ASS`Y
23 Артикул: 05204-50300, UNIT;THERMO
24 Артикул: MM434-493, SPACER;FAN

ЗАПЧАСТИ КАМЕРЫ ОХЛАЖДЕНИЯ: Техника, которая работает на результат

ЗАПЧАСТИ КАМЕРЫ ОХЛАЖДЕНИЯ на Doosan Экскаваторы SOLAR 015PLUS / S018-VT

Габаритные размеры

Габаритные размеры и схема ЗАПЧАСТИ КАМЕРЫ ОХЛАЖДЕНИЯ

Нажмите на схему для увеличения

Документация

Документация временно недоступна.

Похожая техника в категории: ДЕТАЛИ ДВИГАТЕЛЯ (Develon)

Спецтехника КОМПЛЕКТ РЕМОНТНОЙ ПРОКЛАДКИ KIT

КОМПЛЕКТ РЕМОНТНОЙ ПРОКЛАДКИ KIT

1Артикул: 30194-...
2Артикул: MD0003...
3Артикул: MD0683...
Подробнее >
Спецтехника ЗАПЧАСТИ СМАЗКИ

ЗАПЧАСТИ СМАЗКИ

1Артикул: MM4344...
2Артикул: MF4307...
3Артикул: 31A90-...
Подробнее >
Спецтехника 013 CYLINDER HEAD

013 CYLINDER HEAD

1Артикул: MM4322...
2Артикул: 30L01-...
3Артикул: MD0004...
Подробнее >
Спецтехника 027 ALTERNATOR

027 ALTERNATOR

1Артикул: 30A68-...
2Артикул: A981X-...
3Артикул: A628T-...
Подробнее >
Спецтехника 023 RADIATOR

023 RADIATOR

1Артикул: 30L47-...
2Артикул: 30L47-...
3Артикул: MF6610...
Подробнее >
Спецтехника ТОПЛИВНЫЙ ФИЛЬТР

ТОПЛИВНЫЙ ФИЛЬТР

1Артикул: MM1305...
2Артикул: MM4357...
3Артикул: MM4048...
Подробнее >
Спецтехника 014 CRANK SHAFT & PISTON

014 CRANK SHAFT & PISTON

1Артикул: 30L17-...
2Артикул: 30L17-...
3Артикул: 30L17-...
Подробнее >
Спецтехника 026 STARTER

026 STARTER

1Артикул: 30L66-...
2Артикул: 47X11-...
3Артикул: 47X11-...
Подробнее >
Спецтехника ЭЛЕКТРИЧЕСКОН ОБОРУДОВАНИЕ

ЭЛЕКТРИЧЕСКОН ОБОРУДОВАНИЕ

1Артикул: 30L66-...
2Артикул: MF2448...
3Артикул: MM432-...
Подробнее >
Спецтехника 012 OIL PAN & GEAR CASE

012 OIL PAN & GEAR CASE

1Артикул: MM4322...
2Артикул: 30L11-...
3Артикул: MD0003...
Подробнее >
Спецтехника ЗАПЧАСТИ РЕГУЛЯТОРА ОБОРОТОВ

ЗАПЧАСТИ РЕГУЛЯТОРА ОБОРОТОВ

1Артикул: MM4010...
2Артикул: MM4039...
3Артикул: 30L63-...
Подробнее >
Спецтехника 018 NOZZLE & NOZZLE HOLDER

018 NOZZLE & NOZZLE HOLDER

1Артикул: MM435-...
2Артикул: 09311-...
3Артикул: 09317-...
Подробнее >