+7 (701) 588 50 05 Телефон для связи
RU

WhatsApp

Позвонить

2 QT ПРИСПОСОБЛЕНИЕ ДЛЯ СМАЗКИ БАРАБАНА ДЛЯ НАМАТЫВАНИЯ ШЛАНГА — Продажа в Казахстане Цены от официального дилера с доставкой в Алматы, Астану и регионы

Техника доступна в:
Полный спектр услуг:
Для Вашего удобства:
Характеристики и описание
Габариты, схема
Техническая документация
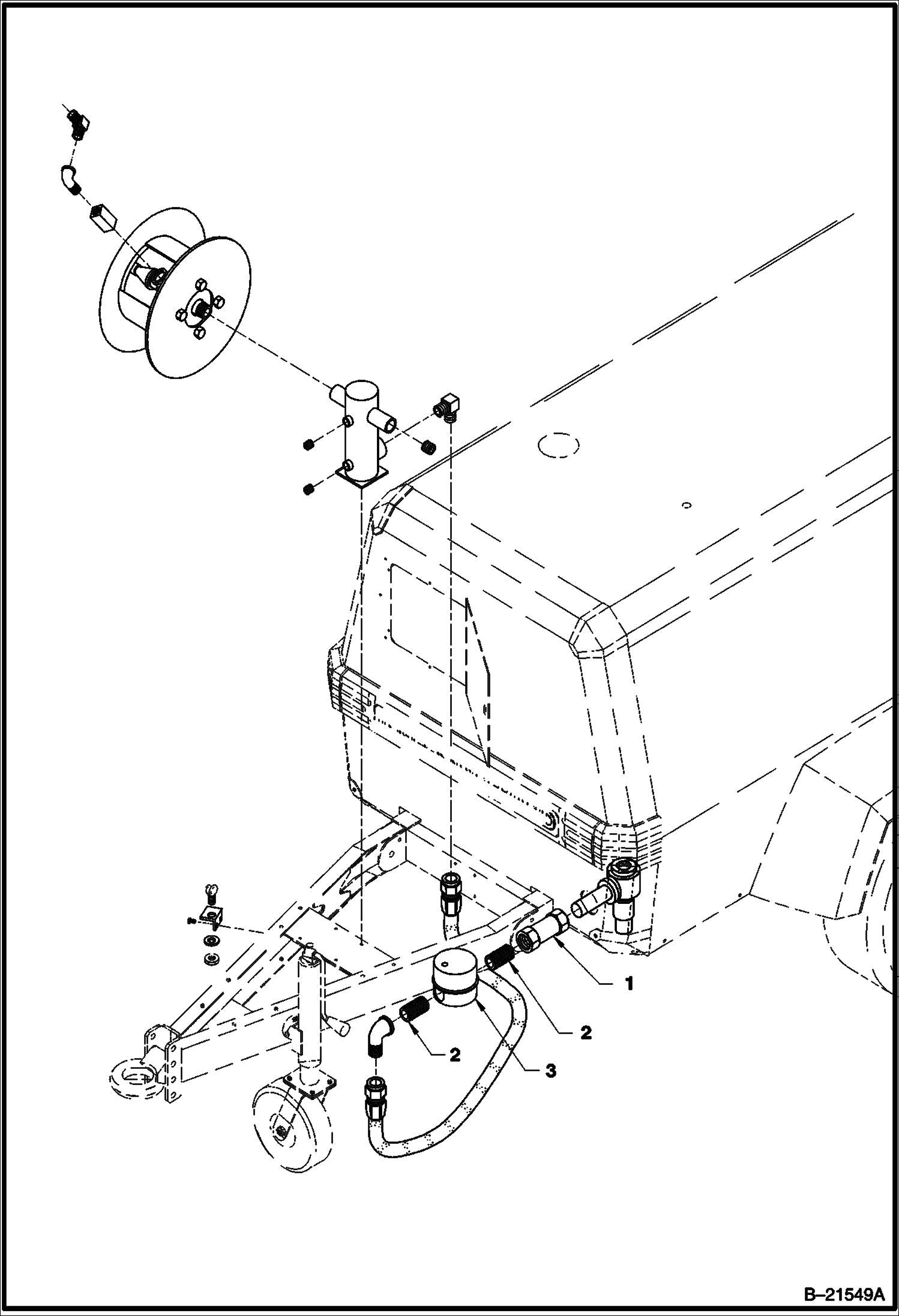
1 Артикул: IR95941373, UNION 1 1/4 NPT
2 Артикул: IR95953600, NIPPLE 1 1/4 X 2
3 Артикул: IR35356252, LUBRICATOR 2 QT.

2 QT ПРИСПОСОБЛЕНИЕ ДЛЯ СМАЗКИ БАРАБАНА ДЛЯ НАМАТЫВАНИЯ ШЛАНГА: Техника, которая работает на результат

2 QT ПРИСПОСОБЛЕНИЕ ДЛЯ СМАЗКИ БАРАБАНА ДЛЯ НАМАТЫВАНИЯ ШЛАНГА на генератор Bobcat BAP185 904811001 И ВЫШЕ, 904911001 И ВЫШЕ

Габаритные размеры

Габаритные размеры и схема 2 QT ПРИСПОСОБЛЕНИЕ ДЛЯ СМАЗКИ БАРАБАНА ДЛЯ НАМАТЫВАНИЯ ШЛАНГА

Нажмите на схему для увеличения

Документация

Документация временно недоступна.

Похожая техника в категории: АКСЕСCУАРЫ И ОПЦИИ (Bobcat)

Спецтехника 4.5 КВТ ГЕНЕРАТОР (ОПЦИЯ)

4.5 КВТ ГЕНЕРАТОР (ОПЦИЯ)

1Артикул: IR3689...
2Артикул: IR3689...
3Артикул: IR3689...
Подробнее >
Спецтехника 4-УСТРОЙСТВА ОСВЕЩЕНИЯ В СБОРЕ

4-УСТРОЙСТВА ОСВЕЩЕНИЯ В СБОРЕ

1Артикул: IR3678...
2Артикул: IR3689...
3Артикул: IR3678...
Подробнее >
Спецтехника 1 QT ПРИСПОСОБЛЕНИЕ ДЛЯ СМАЗКИ БАРАБАНА ДЛЯ НАМАТЫВАНИЯ ШЛАНГА

1 QT ПРИСПОСОБЛЕНИЕ ДЛЯ СМАЗКИ БАРАБАНА ДЛЯ НАМАТЫВАНИЯ ШЛАНГА

1Артикул: IR9594...
2Артикул: IR9595...
3Артикул: IR3525...
Подробнее >
Спецтехника ФУНКЦИЯ ДВОЙНОЙ РЕГУЛИРОВКИ

ФУНКЦИЯ ДВОЙНОЙ РЕГУЛИРОВКИ

1Артикул: IR9595...
2Артикул: IR3536...
3Артикул: IR5477...
Подробнее >
Спецтехника СЕРВИСНЫЙ ИНДИКАТОР ЭЛЕКТРОФИЛЬТРА

СЕРВИСНЫЙ ИНДИКАТОР ЭЛЕКТРОФИЛЬТРА

1Артикул: IR3684...
2Артикул: IR9595...
3Артикул: IR3684...
Подробнее >
Спецтехника 4 ПРИНЦИПИАЛЬНАЯ ЭЛЕКТРИЧЕСКАЯ СХЕМА УСТРОЙСТВ ОСВЕЩЕНИЯ

4 ПРИНЦИПИАЛЬНАЯ ЭЛЕКТРИЧЕСКАЯ СХЕМА УСТРОЙСТВ ОСВЕЩЕНИЯ

1Артикул: IR3678...
2Артикул: IR3678...
3Артикул: IR3689...
Подробнее >
Спецтехника СХЕМА РАСПОЛОЖЕНИЯ ПРОВОДКИ

СХЕМА РАСПОЛОЖЕНИЯ ПРОВОДКИ

1Артикул: IR3537...
2Артикул: IR3567...
3Артикул: IR3567...
Подробнее >
Спецтехника ДРУГИЕ ВОЗМОЖНОСТИ

ДРУГИЕ ВОЗМОЖНОСТИ

1Артикул: IR3561...
2Артикул: IR3689...
3Артикул: IR3537...
Подробнее >
Спецтехника ЗАДНЯЯ ОПОРА

ЗАДНЯЯ ОПОРА

1Артикул: IR3672...
2Артикул: IR3677...
3Артикул: IR3525...
Подробнее >
Спецтехника 6 КВТ СХЕМА ПРОВОДКИ ГЕНЕРАТОРА

6 КВТ СХЕМА ПРОВОДКИ ГЕНЕРАТОРА

1Артикул: 6KW, 6...
2-
3-
Подробнее >
Спецтехника ДВУХРУКАВНАЯ КАТУШКА

ДВУХРУКАВНАЯ КАТУШКА

1Артикул: IR3677...
2Артикул: IR6528...
3Артикул: IR3511...
Подробнее >
Спецтехника КЛАПАН МИНИМАЛЬНОГО ДАВЛЕНИЯ

КЛАПАН МИНИМАЛЬНОГО ДАВЛЕНИЯ

1Артикул: IR3538...
2Артикул: IR3538...
3Артикул: IR3538...
Подробнее >