+7 (701) 588 50 05 Телефон для связи
RU

WhatsApp

Позвонить

БЛОК ЦИЛИНДРОВ — Продажа в Казахстане Цены от официального дилера с доставкой в Алматы, Астану и регионы

Техника доступна в:
Полный спектр услуг:
Для Вашего удобства:
Характеристики и описание
Габариты, схема
Техническая документация
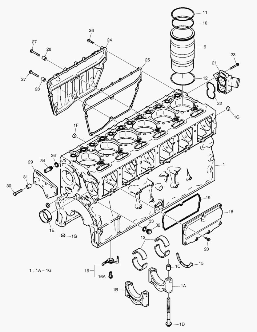
1 Артикул: 150102-00700, BLOCK,CYLINDER
2 Артикул: -, . CAP
3 Артикул: 110949-00316, . SLEEVE,GUIDE
4 Артикул: 120705-00835, . SCREW
5 Артикул: 131002-00381, . BUSHING,BEARING
6 Артикул: 430221-00582, . PLUG,CORE
7 Артикул: 430221-00583, . PLUG,CORE
8 Артикул: 150117-00039, LINER,CYLINDER
9 Артикул: 401002-01344, RING,O
10 Артикул: 401002-00699, RING,O
11 Артикул: 401002-00838, RING,O
12 Артикул: 140111-00016, METAL,MAIN;CRANK
13 Артикул: 140111-00017, METAL,MAIN;CRANK(0.25)
14 Артикул: 140111-00018, METAL,MAIN;CRANK(0.50)
15 Артикул: 120816-00155, WASHER,THRUST
16 Артикул: 120816-00099, WASHER,THRUST(0.16)
17 Артикул: 120816-00100, WASHER,THRUST(0.26)
18 Артикул: 430218-00319, NOZZLE;PISTON COOLING
19 Артикул: 120705-00685, . SCREW,BANJO CONNECTOR
20 Артикул: 110508-08924, COVER;CHAMBER
21 Артикул: 400602-00455, GASKET
22 Артикул: 120705-00747, SCREW;FLANGE
23 Артикул: -, FLANGE
24 Артикул: 400602-00467, GASKET
25 Артикул: 120705-00735, SCREW;FLANGE
26 Артикул: 110508-11416, COVER
27 Артикул: 400602-00735, GASKET
28 Артикул: 120705-00731, SCREW;FLANGE
29 Артикул: 120705-00754, SCREW;FLANGE
30 Артикул: 110949-00319, SLEEVE,SPACER
31 Артикул: 110411-00221, BRACKET;LIFTING
32 Артикул: 120705-00703, SCREW
33 Артикул: 110949-00647, SLEEVE,SPACER
34 Артикул: 430221-00586, PLUG,SCREW
35 Артикул: 120808-00541, WASHER,SEAL
36 Артикул: 430208-00232, CONNECTER;HOSE

БЛОК ЦИЛИНДРОВ: Техника, которая работает на результат

БЛОК ЦИЛИНДРОВ на Doosan Экскаваторы DX490LC-5(S/N:10012~)

Габаритные размеры

Габаритные размеры и схема БЛОК ЦИЛИНДРОВ

Нажмите на схему для увеличения

Документация

Документация временно недоступна.

Похожая техника в категории: ДЕТАЛИ ДВИГАТЕЛЯ (Develon)

Спецтехника КОНДИЦИОНЕР

КОНДИЦИОНЕР

1Артикул: 400102...
2Артикул: 101529...
3Артикул: 101529...
Подробнее >
Спецтехника 028 INTAKE MANIFOLD

028 INTAKE MANIFOLD

1Артикул: 240203...
2Артикул: 400602...
3Артикул: 120705...
Подробнее >
Спецтехника 058 EXHAUST BRAKE SYSTEM

058 EXHAUST BRAKE SYSTEM

1Артикул: 420203...
2Артикул: -, HOU...
3Артикул: 131002...
Подробнее >
Спецтехника КРЫШКА РАСПРЕДЕЛИТЕЛЬНЫХ ШЕСТЕРЕН

КРЫШКА РАСПРЕДЕЛИТЕЛЬНЫХ ШЕСТЕРЕН

1Артикул: 110508...
2Артикул: 401107...
3Артикул: 120501...
Подробнее >
Спецтехника ИСПАРИТЕЛЬ- СИСТЕМА ВЫПУСКА

ИСПАРИТЕЛЬ- СИСТЕМА ВЫПУСКА

1Артикул: 400815...
2Артикул: 110406...
3Артикул: 120402...
Подробнее >
Спецтехника 056 EGR COOLER

056 EGR COOLER

1Артикул: 400202...
2Артикул: 420211...
3Артикул: 120202...
Подробнее >
Спецтехника 025 OIL COOLER

025 OIL COOLER

1Артикул: 110508...
2Артикул: 110508...
3Артикул: 400602...
Подробнее >
Спецтехника ГЛУШИТЕЛЬ С КАТАЛИТИЧЕСКИМ ДОЖИГАТЕЛЕМ

ГЛУШИТЕЛЬ С КАТАЛИТИЧЕСКИМ ДОЖИГАТЕЛЕМ

1Артикул: 500111...
2Артикул: -, CAT...
3Артикул: 430220...
Подробнее >
Спецтехника КРЫШКА КОРОМЫСЛА

КРЫШКА КОРОМЫСЛА

1Артикул: 110508...
2Артикул: 110508...
3Артикул: 110508...
Подробнее >
Спецтехника ТЕРМОСТАТ и КОРПУС

ТЕРМОСТАТ и КОРПУС

1Артикул: 110980...
2Артикул: 300738...
3Артикул: 400602...
Подробнее >
Спецтехника 036 BLEED PIPE ENGINE

036 BLEED PIPE ENGINE

1Артикул: 420210...
2Артикул: 430208...
3Артикул: 120203...
Подробнее >
Спецтехника ЖГУТ ПРОВОДОВ

ЖГУТ ПРОВОДОВ

1Артикул: 300618...
2Артикул: 300618...
3Артикул: 310207...
Подробнее >