+7 (701) 588 50 05 Телефон для связи
RU

WhatsApp

Позвонить

БЛОК ЦИЛИНДРОВ В СБОРЕ — Продажа в Казахстане Цены от официального дилера с доставкой в Алматы, Астану и регионы

Техника доступна в:
Полный спектр услуг:
Для Вашего удобства:
Характеристики и описание
Габариты, схема
Техническая документация
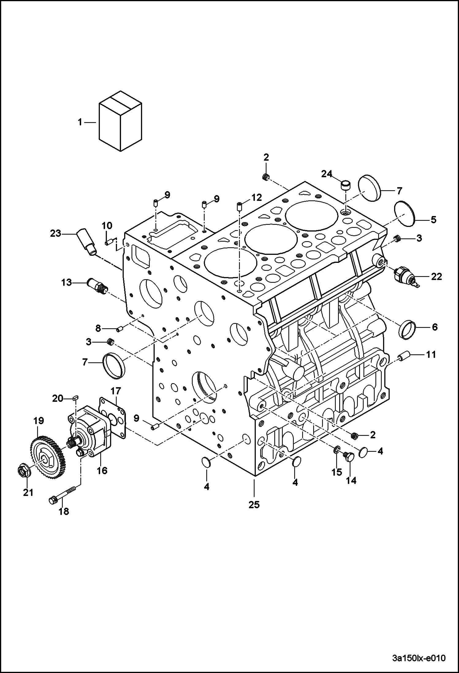
1 Артикул: 7001126, ENGINE, DAEDONG 3A150LXBC S/N located on the block near the fuel injection pump
2 Артикул: 7001127, ENGINE, DAEDONG 3A150LWBC S/N located on the block near the fuel injection pump
3 Артикул: 6694757, PLUG
4 Артикул: 6694758, PLUG
5 Артикул: 6696444, PLUG
6 Артикул: 6696445, PLUG
7 Артикул: 6695696, CAP SEALING
8 Артикул: 6695697, CAP SEALING
9 Артикул: 6694165, PIN STRAIGHT
10 Артикул: 6694167, PIN STRAIGHT
11 Артикул: 6696389, PIN STRAIGHT
12 Артикул: 6694171, PIN STRAIGHT
13 Артикул: 6694307, PIN
14 Артикул: 6696122, PIPE, WATER
15 Артикул: 6696446, PLUG
16 Артикул: 6694299, GASKET
17 Артикул: 6696294, PUMP, OIL ENG
18 Артикул: 6697271, GASKET, OIL PUMP
19 Артикул: 6695490, BOLT
20 Артикул: 6696013, GEAR, OIL PUMP DRIVE
21 Артикул: 6694217, KEY
22 Артикул: 6695922, NUT FLANGE
23 Артикул: 6694601, SWITCH, PRESS OIL ENG
24 Артикул: 6694703, GUIDE
25 Артикул: 6696335, PIN
26 Артикул: 6695868, CYLINDER BLOCK ASSEMBLY Ref. 2-7

БЛОК ЦИЛИНДРОВ В СБОРЕ: Техника, которая работает на результат

БЛОК ЦИЛИНДРОВ В СБОРЕ на мини-трактор Bobcat CT230 A59C11001 И ВЫШЕ, ABFP11001 И ВЫШЕ

Габаритные размеры

Габаритные размеры и схема БЛОК ЦИЛИНДРОВ В СБОРЕ

Нажмите на схему для увеличения

Документация

Документация временно недоступна.

Похожая техника в категории: ЗАПЧАСТИ ДВИГАТЕЛЯ (Bobcat)

Спецтехника КОМПЛЕКТ ОСНОВНОГО КОРПУСА ПОДШИПНИКА

КОМПЛЕКТ ОСНОВНОГО КОРПУСА ПОДШИПНИКА

1Артикул: 669538...
2Артикул: 669556...
3Артикул: 669595...
Подробнее >
Спецтехника ПОДДОН КАРТЕРА В СБОРЕ

ПОДДОН КАРТЕРА В СБОРЕ

1Артикул: 701267...
2Артикул: 669727...
3Артикул: 669707...
Подробнее >
Спецтехника ГЛУШИТЕЛЬ В СБОРЕ

ГЛУШИТЕЛЬ В СБОРЕ

1Артикул: 712104...
2Артикул: 669725...
3Артикул: 669705...
Подробнее >
Спецтехника КАРТЕР КОРОБКИ ПЕРЕДАЧ В СБОРЕ

КАРТЕР КОРОБКИ ПЕРЕДАЧ В СБОРЕ

1Артикул: 700022...
2Артикул: 700022...
3Артикул: 669475...
Подробнее >
Спецтехника ВОЗДУХООЧИСТИТЕЛЬ В СБОРЕ

ВОЗДУХООЧИСТИТЕЛЬ В СБОРЕ

1Артикул: 700198...
2Артикул: 669535...
3Артикул: 666633...
Подробнее >
Спецтехника ПОРШЕНЬ И ГРУППА КОЛЕНЧАТОГО ВАЛА (СЕРИЙНЫЙ НОМЕР ABFP11001 И ВЫШЕ)

ПОРШЕНЬ И ГРУППА КОЛЕНЧАТОГО ВАЛА (СЕРИЙНЫЙ НОМЕР ABFP11001 И ВЫШЕ)

1Артикул: 700028...
2Артикул: PISTON...
3Артикул: PIN, P...
Подробнее >
Спецтехника ПОРШЕНЬ И ГРУППА КОЛЕНЧАТОГО ВАЛА (СЕРИЙНЫЙ НОМЕР A59C11001 И ВЫШЕ)

ПОРШЕНЬ И ГРУППА КОЛЕНЧАТОГО ВАЛА (СЕРИЙНЫЙ НОМЕР A59C11001 И ВЫШЕ)

1Артикул: 669542...
2Артикул: PISTON...
3Артикул: PIN, P...
Подробнее >
Спецтехника РАДИАТОР В СБОРЕ (СЕРИЙНЫЙ НОМЕР ABFP11001 И ВЫШЕ)

РАДИАТОР В СБОРЕ (СЕРИЙНЫЙ НОМЕР ABFP11001 И ВЫШЕ)

1Артикул: 700025...
2Артикул: 700233...
3Артикул: 700024...
Подробнее >
Спецтехника РАДИАТОР В СБОРЕ (СЕРИЙНЫЙ НОМЕР A59C11001 И ВЫШЕ)

РАДИАТОР В СБОРЕ (СЕРИЙНЫЙ НОМЕР A59C11001 И ВЫШЕ)

1Артикул: 669538...
2Артикул: 669720...
3Артикул: 669667...
Подробнее >
Спецтехника ФРИКЦИОН В СБОРЕ

ФРИКЦИОН В СБОРЕ

1Артикул: 669751...
2Артикул: 669533...
3Артикул: 669559...
Подробнее >
Спецтехника ДРОССЕЛЬНАЯ ЗАСЛОНКА В СБОРЕ

ДРОССЕЛЬНАЯ ЗАСЛОНКА В СБОРЕ

1Артикул: 669740...
2Артикул: 669620...
3Артикул: 669751...
Подробнее >
Спецтехника ТРУБОПРОВОД СИСТЕМЫ ОХЛАЖДЕНИЯ В СБОРЕ

ТРУБОПРОВОД СИСТЕМЫ ОХЛАЖДЕНИЯ В СБОРЕ

1Артикул: 669722...
2Артикул: 669724...
3Артикул: 4CM822...
Подробнее >