+7 (701) 588 50 05 Телефон для связи
RU

WhatsApp

Позвонить

КАРТЕР КОРОБКИ ПЕРЕДАЧ В СБОРЕ — Продажа в Казахстане Цены от официального дилера с доставкой в Алматы, Астану и регионы

Техника доступна в:
Полный спектр услуг:
Для Вашего удобства:
Характеристики и описание
Габариты, схема
Техническая документация
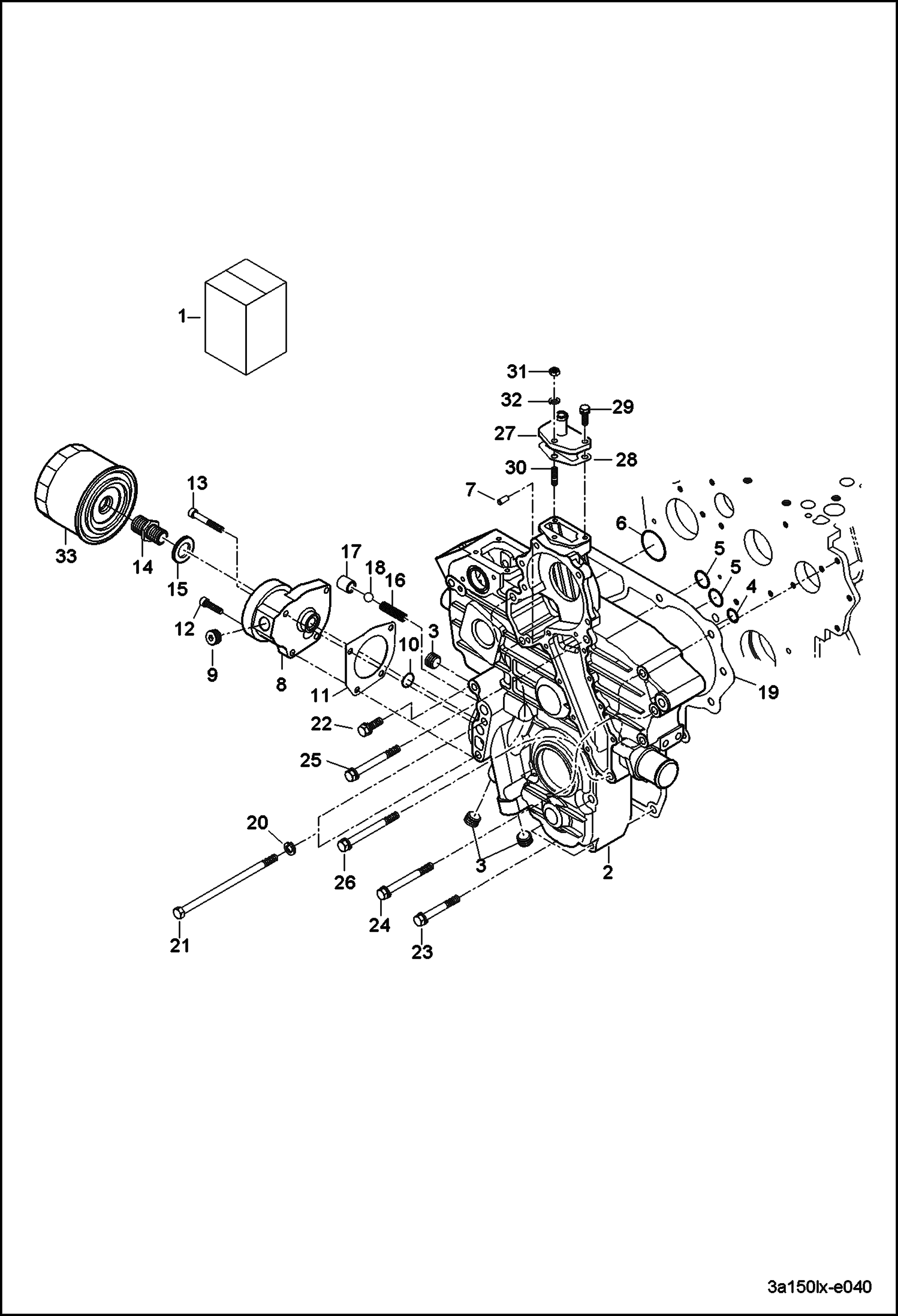
1 Артикул: 7000221, GEAR, CASE ASSY Ref. 2, 3, 7-18 & 28-32 - Was 6697289 - A
2 Артикул: 7000220, HOUSING, GEAR Was 6697367 - A
3 Артикул: 6694756, PLUG
4 Артикул: 6694146, O-RING
5 Артикул: 6696268, O-RING
6 Артикул: 6696270, SEAL O RING
7 Артикул: 6696389, PIN STRAIGHT
8 Артикул: 6696806, SUPPORT OIL FILTER
9 Артикул: 6694756, PLUG
10 Артикул: 6696266, SEAL O RING
11 Артикул: 6697261, GASKET, OIL FILTER SUPPORT
12 Артикул: 6695601, BOLT, HEX SOCKET
13 Артикул: 6695602, BOLT HEXAGON SOCKET
14 Артикул: 6696871, TUBE, CONNECTING
15 Артикул: 6696904, WASHER PLAIN
16 Артикул: 6694318, SPRING
17 Артикул: 6696590, SEAT VALVE
18 Артикул: 10J13, BALL Was 6694233 - A
19 Артикул: 6697258, GASKET, GEARCASE
20 Артикул: 6697775, WASHER SPRING
21 Артикул: 6697610, SCREW
22 Артикул: 7012671, BOLT
23 Артикул: 6693967, BOLT
24 Артикул: 6693969, BOLT
25 Артикул: 6695504, BOLT
26 Артикул: 6695505, BOLT
27 Артикул: 6695507, BOLT
28 Артикул: 6696930, FLANGE, WATER RETURN
29 Артикул: 6697244, GASKET
30 Артикул: 6693946, BOLT
31 Артикул: 6694008, STUD
32 Артикул: 6694040, NUT
33 Артикул: 6694092, WASHER SPRING
34 Артикул: 6696286, FILTER OIL

КАРТЕР КОРОБКИ ПЕРЕДАЧ В СБОРЕ: Техника, которая работает на результат

КАРТЕР КОРОБКИ ПЕРЕДАЧ В СБОРЕ на мини-трактор Bobcat CT230 A59C11001 И ВЫШЕ, ABFP11001 И ВЫШЕ

Габаритные размеры

Габаритные размеры и схема КАРТЕР КОРОБКИ ПЕРЕДАЧ В СБОРЕ

Нажмите на схему для увеличения

Документация

Документация временно недоступна.

Похожая техника в категории: ЗАПЧАСТИ ДВИГАТЕЛЯ (Bobcat)

Спецтехника КОМПЛЕКТ ОСНОВНОГО КОРПУСА ПОДШИПНИКА

КОМПЛЕКТ ОСНОВНОГО КОРПУСА ПОДШИПНИКА

1Артикул: 669538...
2Артикул: 669556...
3Артикул: 669595...
Подробнее >
Спецтехника ПОДДОН КАРТЕРА В СБОРЕ

ПОДДОН КАРТЕРА В СБОРЕ

1Артикул: 701267...
2Артикул: 669727...
3Артикул: 669707...
Подробнее >
Спецтехника ГЛУШИТЕЛЬ В СБОРЕ

ГЛУШИТЕЛЬ В СБОРЕ

1Артикул: 712104...
2Артикул: 669725...
3Артикул: 669705...
Подробнее >
Спецтехника ВОЗДУХООЧИСТИТЕЛЬ В СБОРЕ

ВОЗДУХООЧИСТИТЕЛЬ В СБОРЕ

1Артикул: 700198...
2Артикул: 669535...
3Артикул: 666633...
Подробнее >
Спецтехника БЛОК ЦИЛИНДРОВ В СБОРЕ

БЛОК ЦИЛИНДРОВ В СБОРЕ

1Артикул: 700112...
2Артикул: 700112...
3Артикул: 669475...
Подробнее >
Спецтехника ПОРШЕНЬ И ГРУППА КОЛЕНЧАТОГО ВАЛА (СЕРИЙНЫЙ НОМЕР ABFP11001 И ВЫШЕ)

ПОРШЕНЬ И ГРУППА КОЛЕНЧАТОГО ВАЛА (СЕРИЙНЫЙ НОМЕР ABFP11001 И ВЫШЕ)

1Артикул: 700028...
2Артикул: PISTON...
3Артикул: PIN, P...
Подробнее >
Спецтехника ПОРШЕНЬ И ГРУППА КОЛЕНЧАТОГО ВАЛА (СЕРИЙНЫЙ НОМЕР A59C11001 И ВЫШЕ)

ПОРШЕНЬ И ГРУППА КОЛЕНЧАТОГО ВАЛА (СЕРИЙНЫЙ НОМЕР A59C11001 И ВЫШЕ)

1Артикул: 669542...
2Артикул: PISTON...
3Артикул: PIN, P...
Подробнее >
Спецтехника РАДИАТОР В СБОРЕ (СЕРИЙНЫЙ НОМЕР ABFP11001 И ВЫШЕ)

РАДИАТОР В СБОРЕ (СЕРИЙНЫЙ НОМЕР ABFP11001 И ВЫШЕ)

1Артикул: 700025...
2Артикул: 700233...
3Артикул: 700024...
Подробнее >
Спецтехника РАДИАТОР В СБОРЕ (СЕРИЙНЫЙ НОМЕР A59C11001 И ВЫШЕ)

РАДИАТОР В СБОРЕ (СЕРИЙНЫЙ НОМЕР A59C11001 И ВЫШЕ)

1Артикул: 669538...
2Артикул: 669720...
3Артикул: 669667...
Подробнее >
Спецтехника ФРИКЦИОН В СБОРЕ

ФРИКЦИОН В СБОРЕ

1Артикул: 669751...
2Артикул: 669533...
3Артикул: 669559...
Подробнее >
Спецтехника ДРОССЕЛЬНАЯ ЗАСЛОНКА В СБОРЕ

ДРОССЕЛЬНАЯ ЗАСЛОНКА В СБОРЕ

1Артикул: 669740...
2Артикул: 669620...
3Артикул: 669751...
Подробнее >
Спецтехника ТРУБОПРОВОД СИСТЕМЫ ОХЛАЖДЕНИЯ В СБОРЕ

ТРУБОПРОВОД СИСТЕМЫ ОХЛАЖДЕНИЯ В СБОРЕ

1Артикул: 669722...
2Артикул: 669724...
3Артикул: 4CM822...
Подробнее >