+7 (701) 588 50 05 Телефон для связи
RU

WhatsApp

Позвонить

BOB-TACH в Алматы

Техника доступна в:
Полный спектр услуг:
Сервис
Офисы продаж
Гарантия
Для Вашего удобства:
Запчасти
Доставка
Характеристики и описание
Габариты, схема
Техническая документация
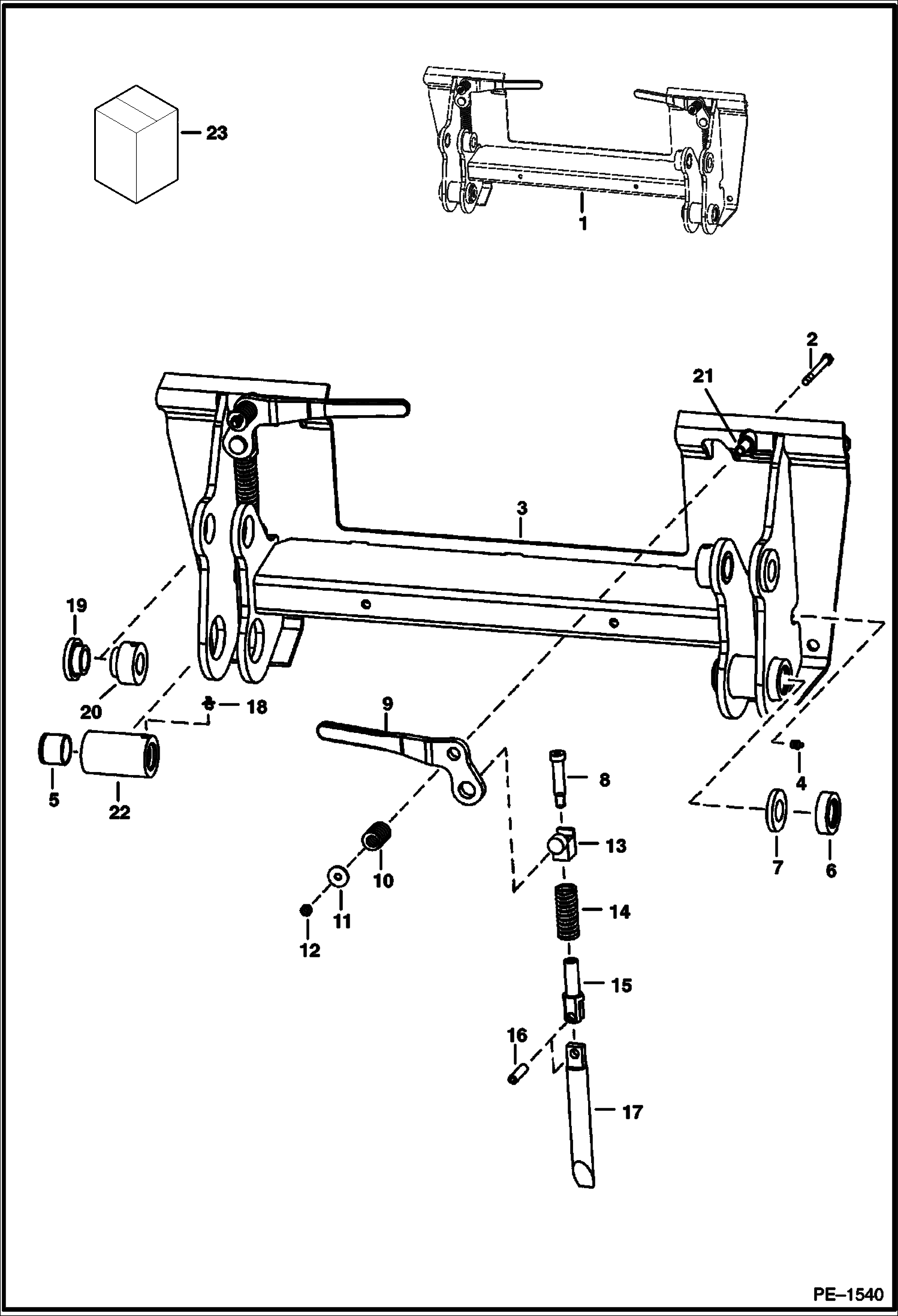
1 Артикул: 7143508, BOB-TACH See Illustration DECALS/ B26111 Also Order 6561383 decal - Was 6732537 - A
2 Артикул: KIT,, KIT, POWER BOB-TACH See Illustration POWER BOB-TACH/ PE2869
3 Артикул: 17C660, BOLT
4 Артикул: FRAME, FRAME NLA
5 Артикул: 10H35, FITTING, GREASE 10
6 Артикул: 6730997, BUSHING, WEAR press fit
7 Артикул: 6732443, CUP seal
8 Артикул: 6651709, SEAL
9 Артикул: BOLT,, BOLT, SHOULDER 85,09 mm (3.35-- ) long - pre-applied thread locker - Use W/ 6704248 pivot, wedge - Was 6728473 - B
10 Артикул: 7255136, SCREW, SOCKET HEAD 28,58 mm (1.125--) long - Use W/ 7252989 pivot, wedge
11 Артикул: 6702904, LEVER, BOB-TACH RH
12 Артикул: 6702903, LEVER, BOB-TACH LH
13 Артикул: 6713040, SPRING
14 Артикул: 619021, WASHER, 5
15 Артикул: 85D6, NUT, 5
16 Артикул: 6731119, PIVOT, WEDGE
17 Артикул: 6578253, SPRING, COMPRESSION Was 6562018 - A
18 Артикул: PIVOT,, PIVOT, WEDGE 99,1 mm (3.90-- ) long - Use W/ 6728473 bolt - Was 6704248 - B
19 Артикул: 7252989, PIVOT, WEDGE 156,2 mm (6.15--) long - Use W/ 7255136 bolt
20 Артикул: 14J5032, PIN CSPR STRAIGHT
21 Артикул: 6737191, WEDGE
22 Артикул: 743332, FITTING, GREASE 5
23 Артикул: 6717259, BUSHING weld on
24 Артикул: 6717260, BUSHING weld on
25 Артикул: 6702958, BUSHING, WELD-ON
26 Артикул: 6731979, BUSHING weld on - Also Order Ref. 5 & 18
27 Артикул: 7302298, KIT, BOBTACH UPPER W/ Ref. 2, 10, 11, 12, 21
28 Артикул: 7302293, KIT, BOBTACH PIVOT W/ Ref. 8, 15, 16

BOB-TACH: Техника, которая работает на результат

BOB-TACH на мини-погрузчик Bobcat S150 529711001 И ВЫШЕ, 529811001 И ВЫШЕ, A8M011001 И ВЫШЕ, AC3011001 И ВЫШЕ – купить по доступной цене в интернет-магазине «Ремзона»

Габаритные размеры

Схема BOB-TACH

Документация

Документация временно недоступна.