+7 (701) 588 50 05 Телефон для связи
RU

WhatsApp

Позвонить

СИСТЕМА ПОДАЧИ ТОПЛИВА (СЕРИЙНЫЙ НОМЕР 529711001 И ВЫШЕ, 529811001 И ВЫШЕ) — Продажа в Казахстане Цены от официального дилера с доставкой в Алматы, Астану и регионы

Техника доступна в:
Полный спектр услуг:
Для Вашего удобства:
Характеристики и описание
Габариты, схема
Техническая документация
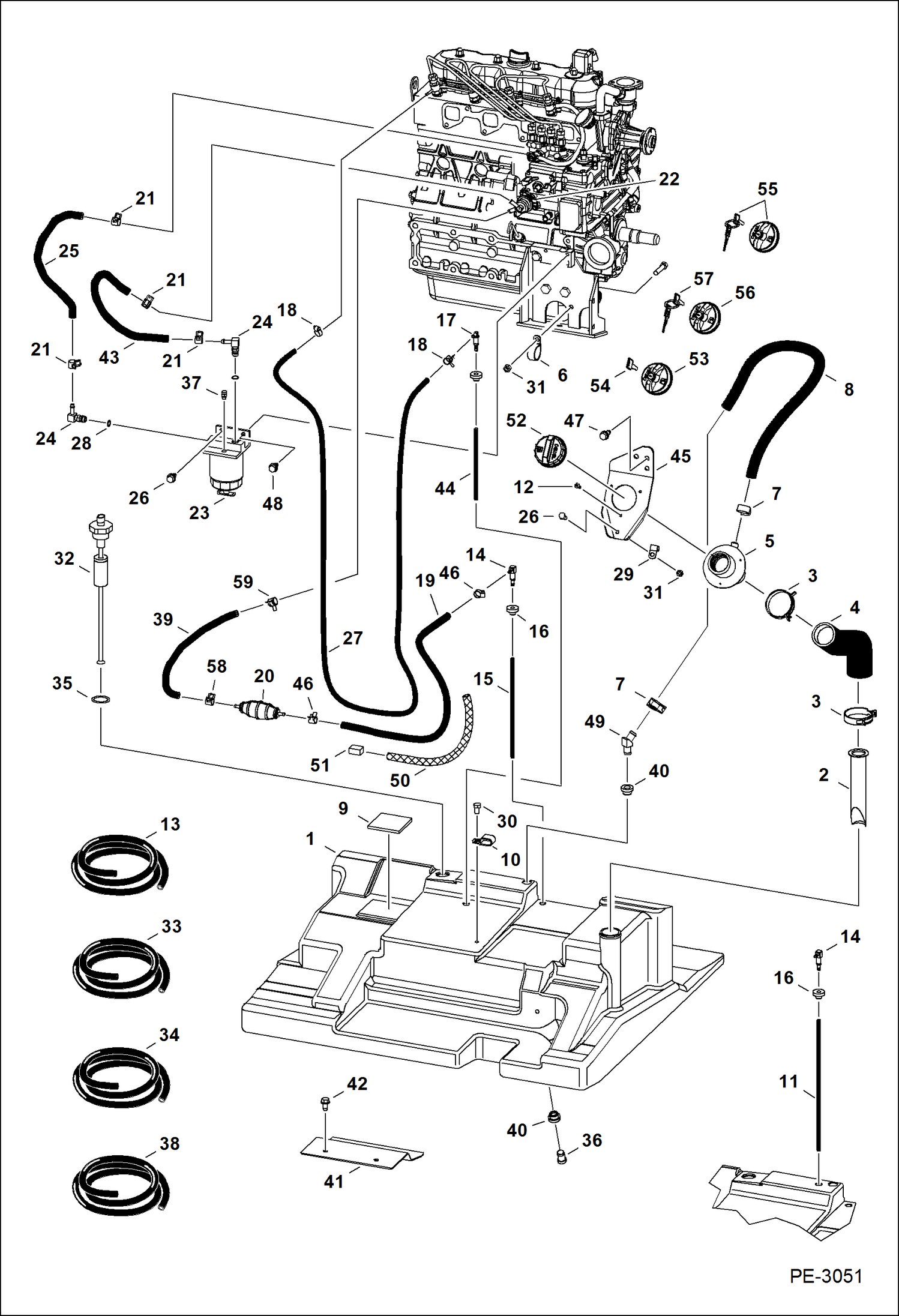
1 Артикул: TANK, TANK FUEL Use W/Ref. 11 - Order 7136378 tank & Ref. 44 - Was 7112782 - A
2 Артикул: 7136378, TANK, FUEL Use W/Ref. 44 - Was 7112782 - A
3 Артикул: 7120881, SCREEN, FILLER Was 6569219 - A
4 Артикул: 42H32, HS CLAMP5 worm gear
5 Артикул: 5HM58, CLAMP constant tension
6 Артикул: 6717704, HOSE
7 Артикул: 6701449, FILLER TUBE
8 Артикул: 30H75, CLAMP
9 Артикул: 42H10, HOSECLAM5 worm gear
10 Артикул: 5HM24, CLAMP constant tension
11 Артикул: HOSE, HOSE NLA - 1270 mm (50--) long - Order Ref. 13
12 Артикул: 6578278, PAD self adhesive one side
13 Артикул: 31H27, CLIP
14 Артикул: 6729854, TUBE 317,5 mm (12.5--) long
15 Артикул: 6706517, SCREW
16 Артикул: 6578172, HOSE sold per foot
17 Артикул: 6598908, ELBOW
18 Артикул: 6729853, HOSE 260,4 mm (10.25--) long
19 Артикул: 6553411, BUSHING 0.38-- ID
20 Артикул: 7101291, ELBOW Was 6681462 - A
21 Артикул: 42HS04, CLAMP, HOSE
22 Артикул: HOSE, HOSE NLA - 939,8 mm (37--) long - Order Ref. 33
23 Артикул: 6657734, PUMP, PRIMER HAND barbed fittings for 6,35 mm (.25--) ID hose - barbed fittings for 6,35 mm (.25--) ID hose
24 Артикул: 5HM14, CLAMP
25 Артикул: 6655216, FUEL PUMP See Illustration FUEL & INJECTION PUMP/ B22686
26 Артикул: 6667353, FILTER ASSY W/Ref. 37
27 Артикул: 6667352, FILTER, FUEL W/SEPARATOR 12
28 Артикул: 72F1, FITTING
29 Артикул: 6715183, ELBOW W/Ref. 28
30 Артикул: HOSE, HOSE NLA - 381 mm (15--) long - Order Ref. 34
31 Артикул: 84G3112, BOLT 5
32 Артикул: HOSE, HOSE NLA - 1574,8 mm (32--) long - Order Ref. 38
33 Артикул: 79K5, O RING 10
34 Артикул: 30H22, CLIP
35 Артикул: 17C610, BOLT
36 Артикул: 85D5, NUT 5
37 Артикул: 7288690, SENSOR, FUEL Was 7179837 - A
38 Артикул: 6577821, HOSE sold per foot - 0.25-- ID
39 Артикул: 6577822, HOSE sold per foot - .3125-- ID
40 Артикул: 6717579, GASKET
41 Артикул: 7203382, PLUG, STEEL fuel drain - .75-- shoulder - Was 6717401 - A
42 Артикул: 6658180, PLUG, BLEED
43 Артикул: 6578169, HOSE sold per foot - 0.19-- ID
44 Артикул: HOSE, HOSE NLA - 431,8 mm (17--) long - Order Ref. 33
45 Артикул: 6717402, BUSHING 0.54-- ID
46 Артикул: 6737368, BRACKET
47 Артикул: 84G3712, BOLT 5
48 Артикул: HOSE, HOSE NLA - 330 mm (13--) long - Order Ref. 34
49 Артикул: HOSE, HOSE 284,5 mm (11.20--) long - Order 7126464 hose W/elbow
50 Артикул: HOSE, HOSE 269,2 mm (10.60--) long - Order 7126464 hose W/elbow - Was 7126472 - A
51 Артикул: 7126464, HOSE, FUEL W/ELBOW
52 Артикул: 6731059, INLET fuel fill
53 Артикул: 5HM13, CLAMP
54 Артикул: 84G3716, SCREW 5
55 Артикул: 84G3116, SCREW
56 Артикул: NLA, NLA - 90 degree - Order 7122519 elbow - Was 6808798 - B
57 Артикул: 7122519, ELBOW 45 degree
58 Артикул: 7124294, GUARD 457,2 mm (18--) long
59 Артикул: 7124326, RETAINER foam - 76,2 mm (3--) long
60 Артикул: 6661114, CAP, DIESEL 1 PSI green
61 Артикул: 7113340, CAP, DIESEL 3 PSI non-locking - European
62 Артикул: CAP, CAP NLA - locking - W/Key - Code GC020
63 Артикул: 6661696, CAP, FUEL LOCKING locking - W/Key - Code PK510
64 Артикул: 6654374, KEY Code GC020
65 Артикул: 6587458, KEY Code PK510
66 Артикул: 7121223, CAP, DIESEL LOCKING black
67 Артикул: 7023550, CAP, DIESEL LOCKING
68 Артикул: 6693241, KEY 10 ignition - single key W/O ring
69 Артикул: 5HM13, CLAMP
70 Артикул: 5HM14, CLAMP

СИСТЕМА ПОДАЧИ ТОПЛИВА (СЕРИЙНЫЙ НОМЕР 529711001 И ВЫШЕ, 529811001 И ВЫШЕ): Техника, которая работает на результат

СИСТЕМА ПОДАЧИ ТОПЛИВА (СЕРИЙНЫЙ НОМЕР 529711001 И ВЫШЕ, 529811001 И ВЫШЕ) на мини-погрузчик Bobcat S150 529711001 И ВЫШЕ, 529811001 И ВЫШЕ, A8M011001 И ВЫШЕ, AC3011001 И ВЫШЕ

Габаритные размеры

Габаритные размеры и схема СИСТЕМА ПОДАЧИ ТОПЛИВА (СЕРИЙНЫЙ НОМЕР 529711001 И ВЫШЕ, 529811001 И ВЫШЕ)

Нажмите на схему для увеличения

Документация

Документация временно недоступна.

Похожая техника в категории: РАМА (Bobcat)

Спецтехника КАБИНА ОПЕРАТОРА

КАБИНА ОПЕРАТОРА

1Артикул: OPERAT...
2Артикул: 667503...
3Артикул: SEAT, ...
Подробнее >
Спецтехника КАБИНА ВОДИТЕЛЯ (DELUXE) (EMEA) (СЕРИЙНЫЙ НОМЕР AC3060001 И ВЫШЕ)

КАБИНА ВОДИТЕЛЯ (DELUXE) (EMEA) (СЕРИЙНЫЙ НОМЕР AC3060001 И ВЫШЕ)

1Артикул: 667538...
2Артикул: 655414...
3Артикул: 91G420...
Подробнее >
Спецтехника СИДЕНИЕ И ОПОРА СИДЕНЬЯ

СИДЕНИЕ И ОПОРА СИДЕНЬЯ

1Артикул: SEAT, ...
2Артикул: 669171...
3Артикул: 667489...
Подробнее >
Спецтехника ПАНЕЛИ (МНОГОРЕЖИМНЫЙ ДЖОЙСТИК УПРАВЛЕНИЯ)

ПАНЕЛИ (МНОГОРЕЖИМНЫЙ ДЖОЙСТИК УПРАВЛЕНИЯ)

1Артикул: 711723...
2Артикул: 714196...
3Артикул: 711712...
Подробнее >
Спецтехника BOB-TACH

BOB-TACH

1Артикул: 714350...
2Артикул: KIT,, ...
3Артикул: 17C660...
Подробнее >
Спецтехника СИСТЕМА ПОДАЧИ ТОПЛИВА (СЕРИЙНЫЙ НОМЕР AC3011001 И ВЫШЕ)

СИСТЕМА ПОДАЧИ ТОПЛИВА (СЕРИЙНЫЙ НОМЕР AC3011001 И ВЫШЕ)

1Артикул: 713637...
2Артикул: 712088...
3Артикул: 42H32,...
Подробнее >
Спецтехника ПАНЕЛИ (РУКОВОДСТВО УПРАВЛЕНИЯ)

ПАНЕЛИ (РУКОВОДСТВО УПРАВЛЕНИЯ)

1Артикул: 711723...
2Артикул: 714196...
3Артикул: 711712...
Подробнее >
Спецтехника ПОДЪЕМНАЯ РУКОЯТЬ И BOB-TACH

ПОДЪЕМНАЯ РУКОЯТЬ И BOB-TACH

1Артикул: 671756...
2Артикул: 671878...
3Артикул: 673116...
Подробнее >
Спецтехника СИДЕНИЕ (МИЧИГАН)

СИДЕНИЕ (МИЧИГАН)

1Артикул: 666913...
2Артикул: 667016...
3Артикул: EDGING...
Подробнее >
Спецтехника ЗАДНЯЯ ДВЕРЬ

ЗАДНЯЯ ДВЕРЬ

1Артикул: 38C840...
2Артикул: 680973...
3Артикул: 680972...
Подробнее >