+7 (701) 588 50 05 Телефон для связи
RU

WhatsApp

Позвонить

BOB-TACH (СЕРИЙНЫЙ НОМЕР 562216258 И ВЫШЕ, 516516033 И ВЫШЕ) — Продажа в Казахстане Цены от официального дилера с доставкой в Алматы, Астану и регионы

Техника доступна в:
Полный спектр услуг:
Для Вашего удобства:
Характеристики и описание
Габариты, схема
Техническая документация
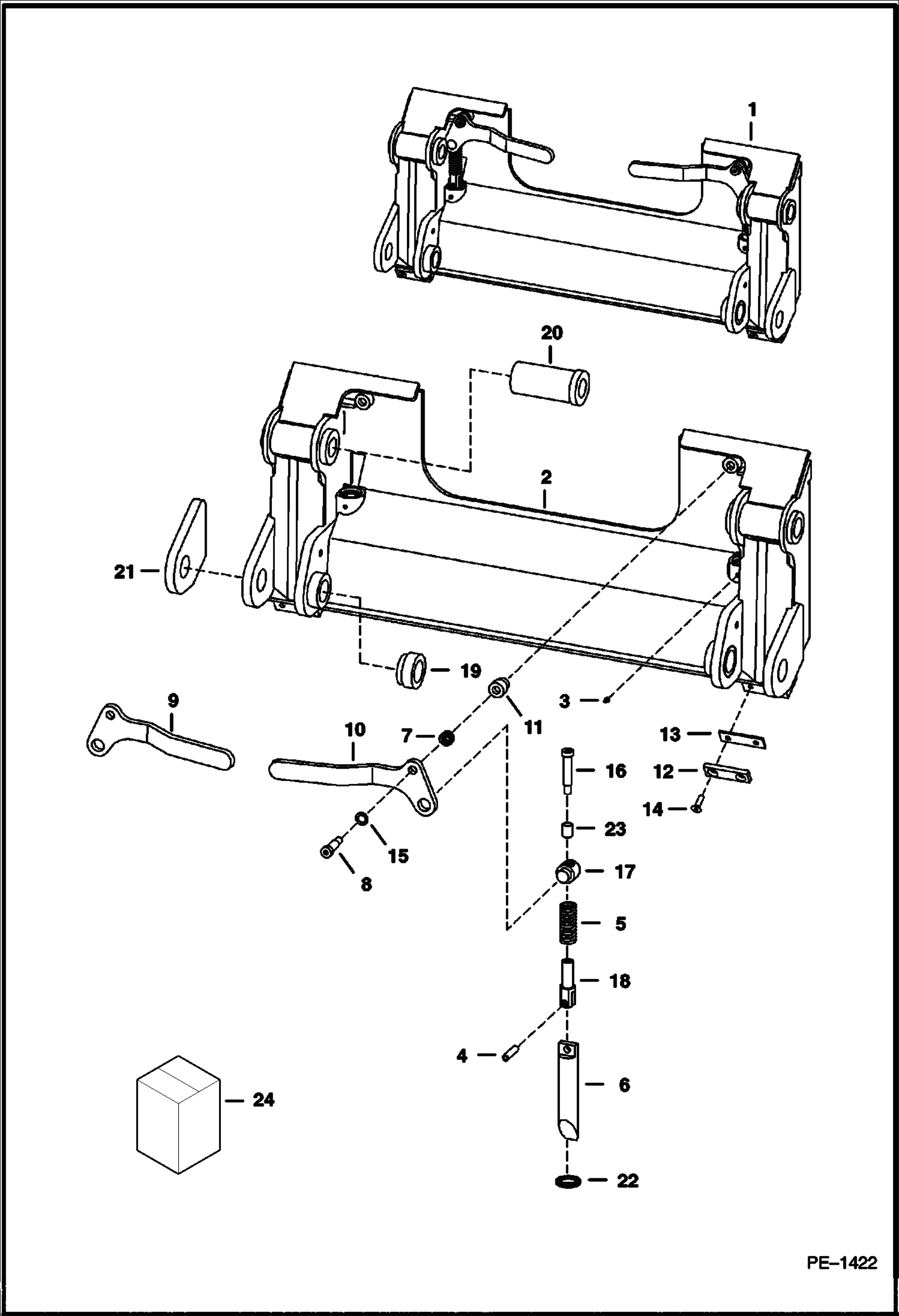
1 Артикул: 6809970, BOB-TACH See Illustration DECALS/ B17250 Ref. 2 - 23 - ALSO ORDER 6561383
2 Артикул: FRAME, FRAME NSS - Order Ref. 1
3 Артикул: 10H35, FITTING, GREASE 10
4 Артикул: 14J5032, PIN CSPR STRAIGHT Was 14J005044B - A
5 Артикул: 6578253, SPRING, COMPRESSION
6 Артикул: 6807545, WEDGE
7 Артикул: 6704453, SPRING
8 Артикул: 38C1024, BOLT
9 Артикул: 6812429, LEVER L.H. - Was 6811631 - A
10 Артикул: 6812430, LEVER R.H. - Was 6811630 - A
11 Артикул: 6809954, PIVOT LEVER
12 Артикул: 6803659, STOP
13 Артикул: 6803660, SHIM
14 Артикул: 9G620, BOLT 5
15 Артикул: 6811964, WASHER
16 Артикул: 38C1040, BOLT
17 Артикул: 7255136, SCREW, SOCKET HEAD 28,58 mm (1.125--) long - Use W/ 7252989 pivot, wedge
18 Артикул: 6809955, PIVOT
19 Артикул: PIVOT,, PIVOT, WEDGE 99,1 mm (3.90-- ) long - Use W/ 6728473 bolt - Was 6704248 - B
20 Артикул: 7252989, PIVOT, WEDGE 156,2 mm (6.15--) long - Use W/ 7255136 bolt
21 Артикул: 6595338, BUSHING Weld On
22 Артикул: 6800823, BUSHING Weld On
23 Артикул: 6589686, PIVOT Weld On
24 Артикул: 6690707, WIPER, ROD CYL Was 6665086 - A
25 Артикул: 6678851, BUSHING
26 Артикул: 7302293, KIT, BOBTACH PIVOT W/ Ref. 4, 16, 18

BOB-TACH (СЕРИЙНЫЙ НОМЕР 562216258 И ВЫШЕ, 516516033 И ВЫШЕ): Техника, которая работает на результат

BOB-TACH (СЕРИЙНЫЙ НОМЕР 562216258 И ВЫШЕ, 516516033 И ВЫШЕ) на Bobcat 900s Bobcat 963 516515001 И ВЫШЕ, 562215001 И ВЫШЕ

Габаритные размеры

Габаритные размеры и схема BOB-TACH (СЕРИЙНЫЙ НОМЕР 562216258 И ВЫШЕ, 516516033 И ВЫШЕ)

Нажмите на схему для увеличения

Документация

Документация временно недоступна.

Похожая техника в категории: РАМА (Bobcat)

Спецтехника РАМА ШАССИ И КРЕПЕЖНЫЕ ДЕТАЛИ

РАМА ШАССИ И КРЕПЕЖНЫЕ ДЕТАЛИ

1Артикул: 680558...
2Артикул: 659728...
3Артикул: 659728...
Подробнее >
Спецтехника СИДЕНИЕ И ОПОРА СИДЕНЬЯ

СИДЕНИЕ И ОПОРА СИДЕНЬЯ

1Артикул: SEAT, ...
2Артикул: 669171...
3Артикул: 667489...
Подробнее >
Спецтехника КАБИНА ОПЕРАТОРА

КАБИНА ОПЕРАТОРА

1Артикул: OPERAT...
2Артикул: 667503...
3Артикул: SEAT, ...
Подробнее >
Спецтехника СИДЕНЬЕ (МИЧИГАН) (СЕРИЙНЫЙ НОМЕР 562215163 И НИЖЕ, 516515031 И НИЖЕ)

СИДЕНЬЕ (МИЧИГАН) (СЕРИЙНЫЙ НОМЕР 562215163 И НИЖЕ, 516515031 И НИЖЕ)

1Артикул: 666913...
2Артикул: 667016...
3Артикул: EDGING...
Подробнее >
Спецтехника ПАНЕЛИ

ПАНЕЛИ

1Артикул: 657796...
2Артикул: 650508...
3Артикул: 653212...
Подробнее >
Спецтехника ПОДЪЕМНАЯ РУКОЯТЬ И BOB-TACH

ПОДЪЕМНАЯ РУКОЯТЬ И BOB-TACH

1Артикул: 10H25,...
2Артикул: 659779...
3Артикул: 680304...
Подробнее >
Спецтехника ЗАДНЯЯ ДВЕРЬ (СЕРИЙНЫЙ НОМЕР 562216268 И НИЖЕ, 516516034 И НИЖЕ)

ЗАДНЯЯ ДВЕРЬ (СЕРИЙНЫЙ НОМЕР 562216268 И НИЖЕ, 516516034 И НИЖЕ)

1Артикул: 57D5, ...
2Артикул: 665539...
3Артикул: 671450...
Подробнее >
Спецтехника BOB-TACH (СЕРИЙНЫЙ НОМЕР 562216257 И НИЖЕ, 516516032 И НИЖЕ)

BOB-TACH (СЕРИЙНЫЙ НОМЕР 562216257 И НИЖЕ, 516516032 И НИЖЕ)

1Артикул: BOB-TA...
2Артикул: FRAME,...
3Артикул: 10H35,...
Подробнее >
Спецтехника ЗАДНЯЯ ДВЕРЬ (СЕРИЙНЫЙ НОМЕР 562216269 И ВЫШЕ, 516516035 И ВЫШЕ)

ЗАДНЯЯ ДВЕРЬ (СЕРИЙНЫЙ НОМЕР 562216269 И ВЫШЕ, 516516035 И ВЫШЕ)

1Артикул: 38C840...
2Артикул: 680973...
3Артикул: 680972...
Подробнее >
Спецтехника ТОПЛИВНАЯ СИСТЕМА

ТОПЛИВНАЯ СИСТЕМА

1Артикул: 680718...
2Артикул: 680457...
3Артикул: 712088...
Подробнее >
Спецтехника СИДЕНЬЕ (ПОДВЕСКА - СПУСК) (СЕРИЙНЫЙ НОМЕР 562215164 И ВЫШЕ, 516515032 И ВЫШЕ)

СИДЕНЬЕ (ПОДВЕСКА - СПУСК) (СЕРИЙНЫЙ НОМЕР 562215164 И ВЫШЕ, 516515032 И ВЫШЕ)

1Артикул: KIT, K...
2Артикул: KIT, K...
3Артикул: SEAT, ...
Подробнее >